Скачать Типовой проект 503-1-47.86 Альбом IV. Задания заводу-изготовителю на электрооборудование и автоматикуДата актуализации: 01.01.2021
|
| Обозначение: | Типовой проект 503-1-47.86 |
| Обозначение англ: | 503-1-47.86 |
| Статус: | не определен законодательством |
| Название рус.: | Альбом IV. Задания заводу-изготовителю на электрооборудование и автоматику |
| Дата добавления в базу: | 01.09.2013 |
| Дата актуализации: | 01.01.2021 |
| Дата введения: | 15.04.1986 |
| Дата окончания срока действия: | 30.06.2003 |
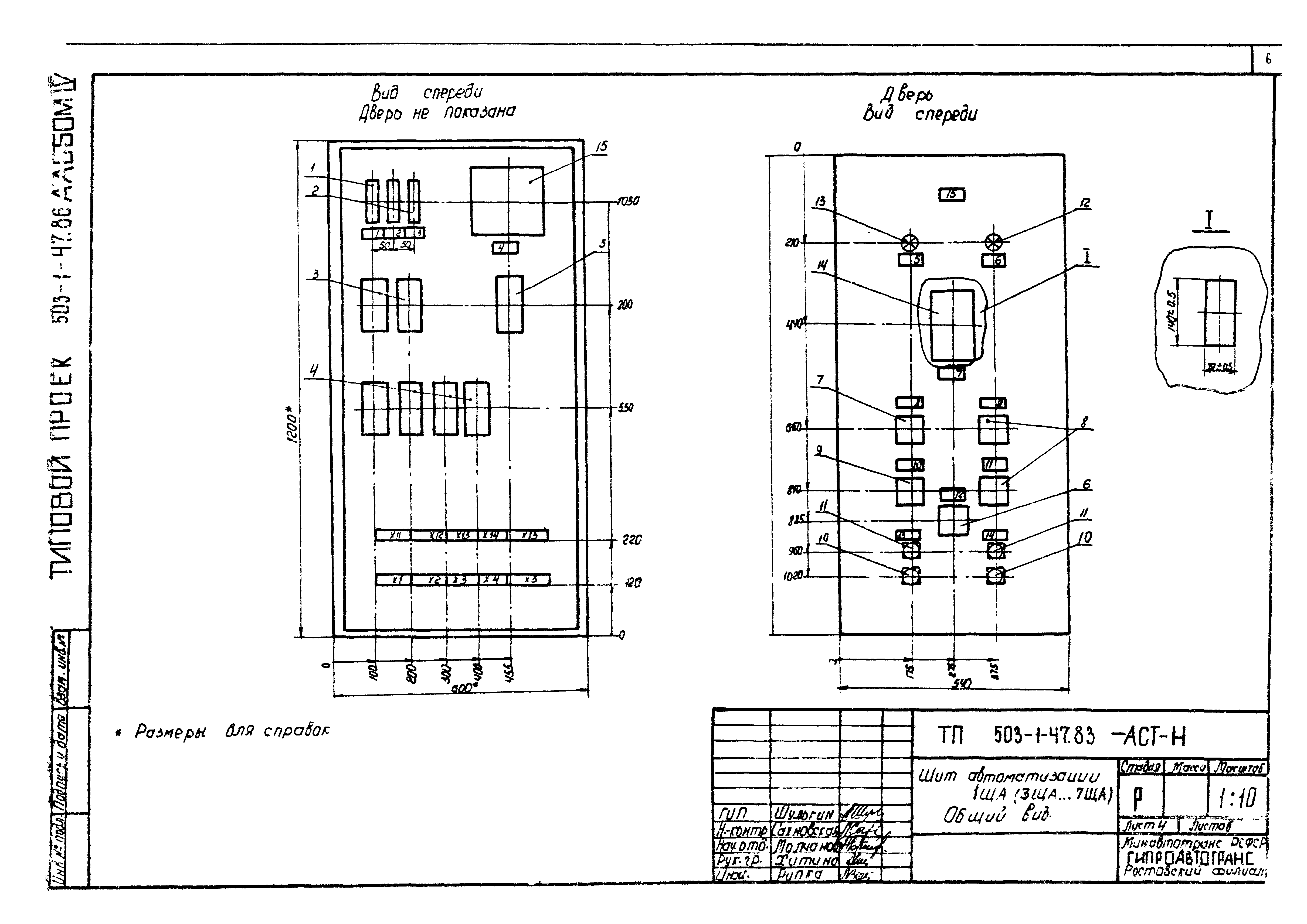
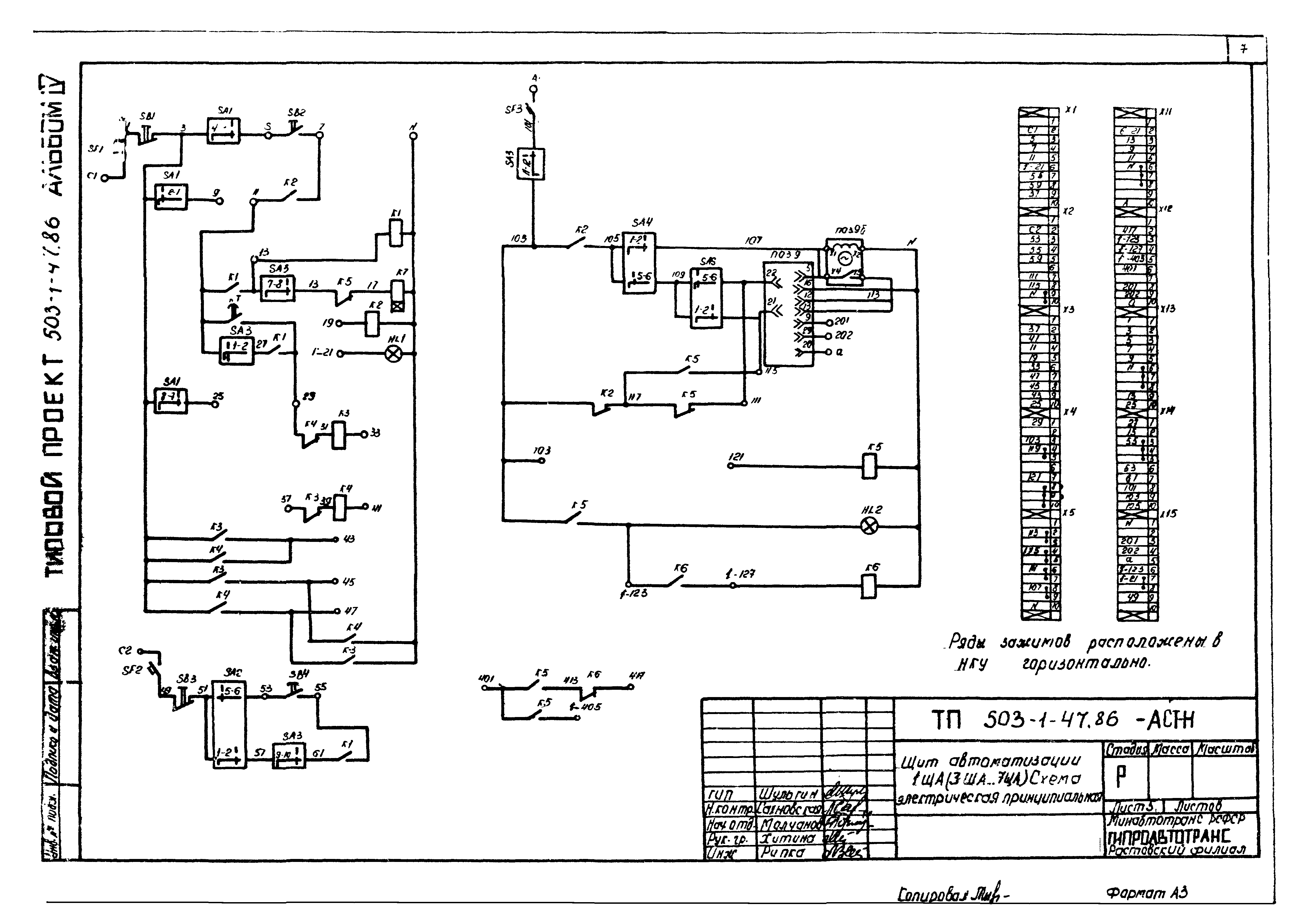
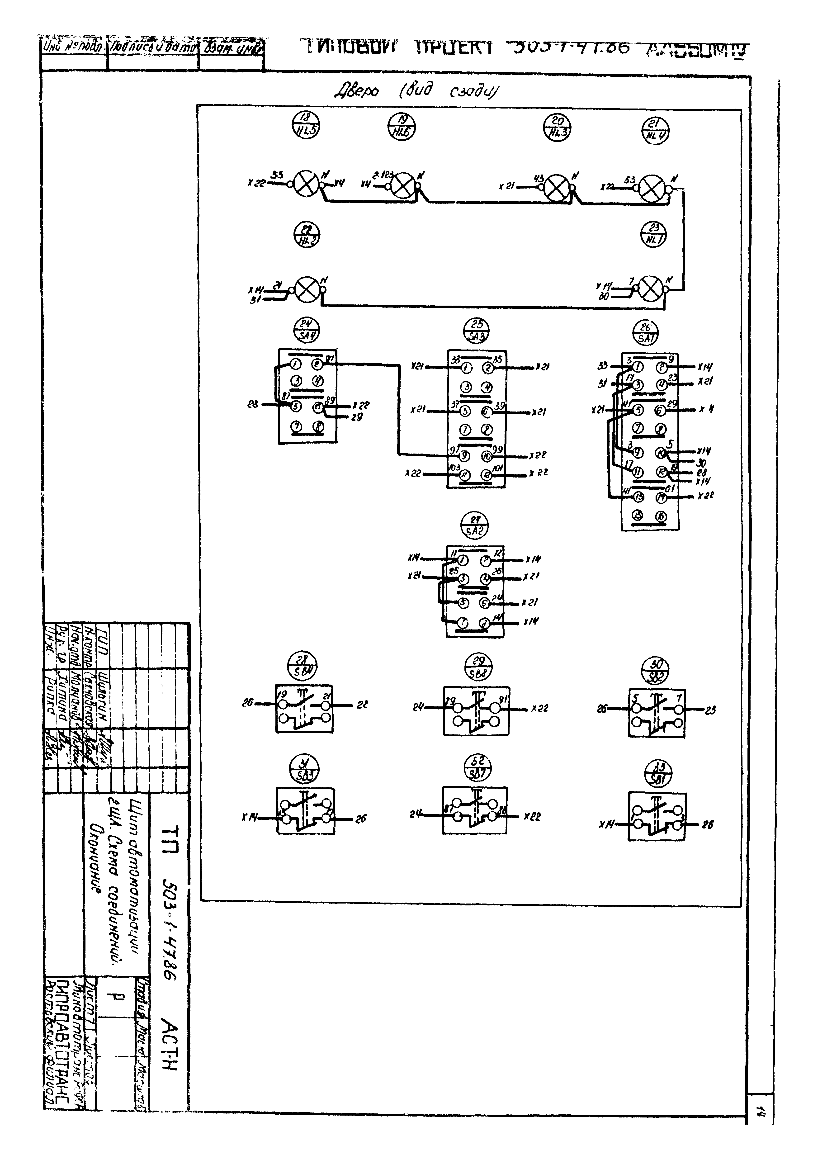
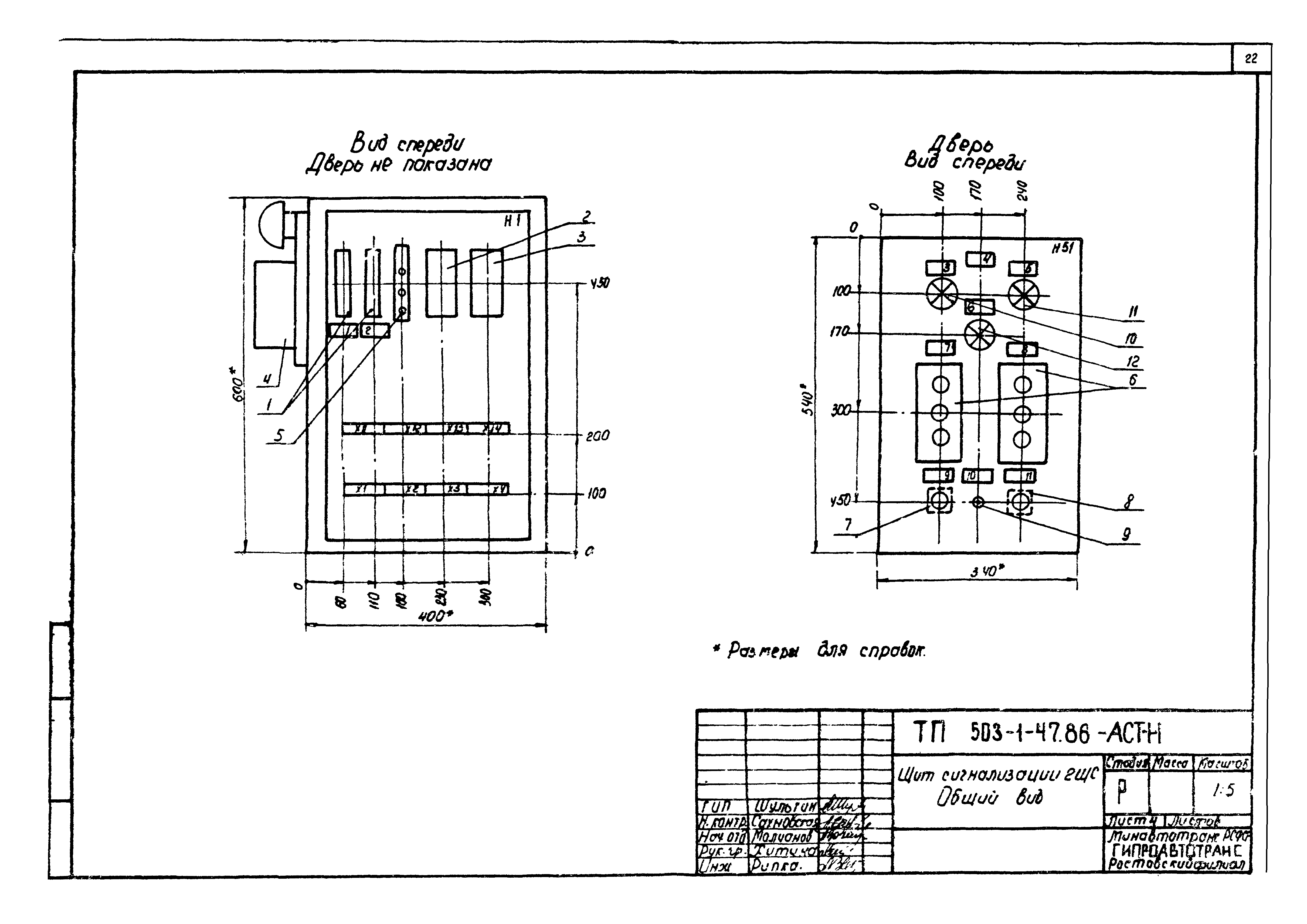
| Оглавление: | Содержание альбома Перечень комплектных устройств Щит автоматизации 1ЩА (3ЩА…7ЩА). Перечень надписей Щит автоматизации 1ЩА (3ЩА…7ЩА). Технические данные аппаратов Щит автоматизации 1ЩА (3ЩА…7ЩА). Общий вид Щит автоматизации 1ЩА (3ЩА…7ЩА). Схема электрическая принципиальная Щит автоматизации 1ЩА (3ЩА…7ЩА). Схема соединений Эскиз №1 для заказа кнопочного поста ПКУ15-21.121-54У2 Щит автоматизации 2ЩА. Перечень надписей Щит автоматизации 2ЩА. Технические данные аппаратов Щит автоматизации 2ЩА. Общий вид Щит автоматизации 2ЩА. Схема электрическая принципиальная Щит автоматизации 2ЩА. Схема соединений Эскиз №2 для заказа кнопочного поста ПКУ15-21.131-У3 Опросный лист для заказа КТП-1х250 Щит автоматизации 1ЩС. Перечень надписей Щит автоматизации 1ЩС. Технические данные аппаратов Щит автоматизации 1ЩС. Общий вид Щит автоматизации 1ЩС. Схема электрическая принципиальная Щит автоматизации 1ЩС. Схема соединений Щит автоматизации 2ЩС. Перечень надписей Щит автоматизации 2ЩС. Технические данные аппаратов Щит автоматизации 2ЩС. Общий вид Щит автоматизации 2ЩС. Схема электрическая принципиальная Щит автоматизации 2ЩС. Схема соединений Эскиз №3 для заказа кнопочного поста ПКУ15-21.231-40У3 Шкаф рН-метра. Перечень надписей Шкаф рН-метра. Технические данные аппаратов Шкаф рН-метра. Общий вид Шкаф рН-метра. Схема соединений |
| Разработан: | Гипроавтотранс |
| Утверждён: | 15.04.1986 Минавтотранс РСФСР (Russian Federation Minavtotrans 9) |



























