Скачать Типовой проект 503-9-8.85 Альбом III. Ворота распашные механизированные для КППДата актуализации: 01.01.2021
|
| Обозначение: | Типовой проект 503-9-8.85 |
| Обозначение англ: | 503-9-8.85 |
| Статус: | не определен законодательством |
| Название рус.: | Альбом III. Ворота распашные механизированные для КПП |
| Дата добавления в базу: | 01.09.2013 |
| Дата актуализации: | 01.01.2021 |
| Дата введения: | 01.02.1985 |
| Дата окончания срока действия: | 30.06.2003 |
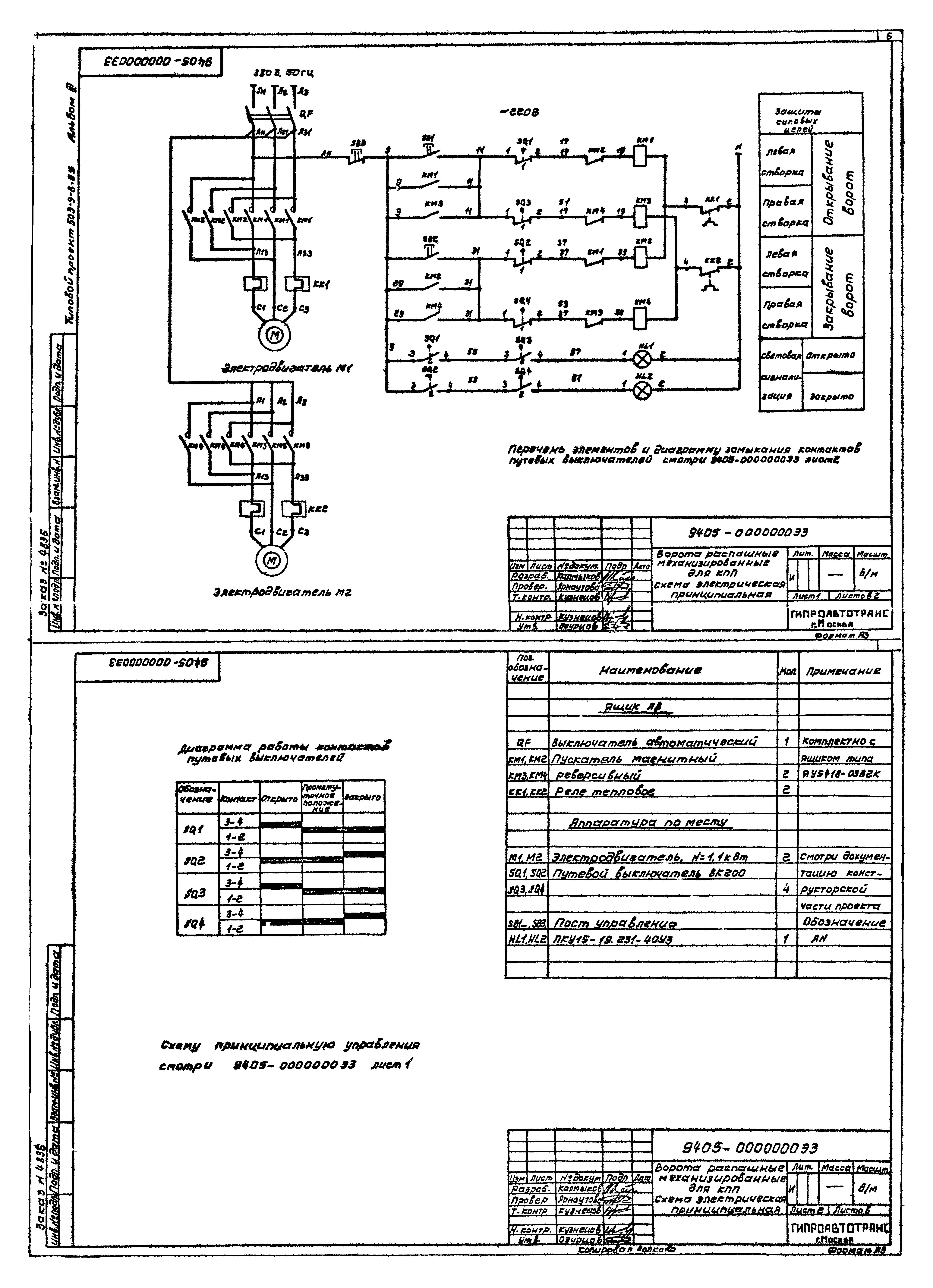
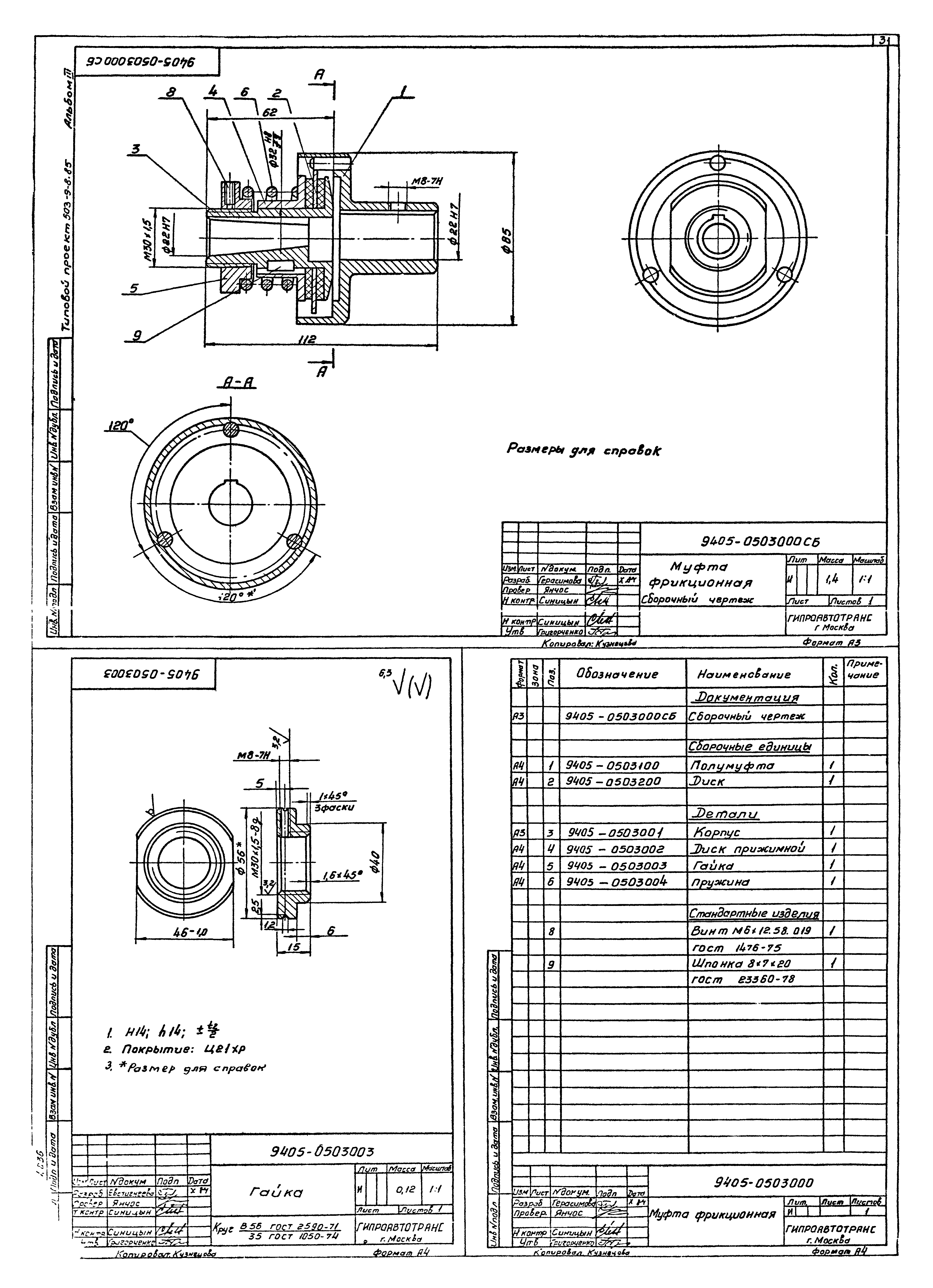
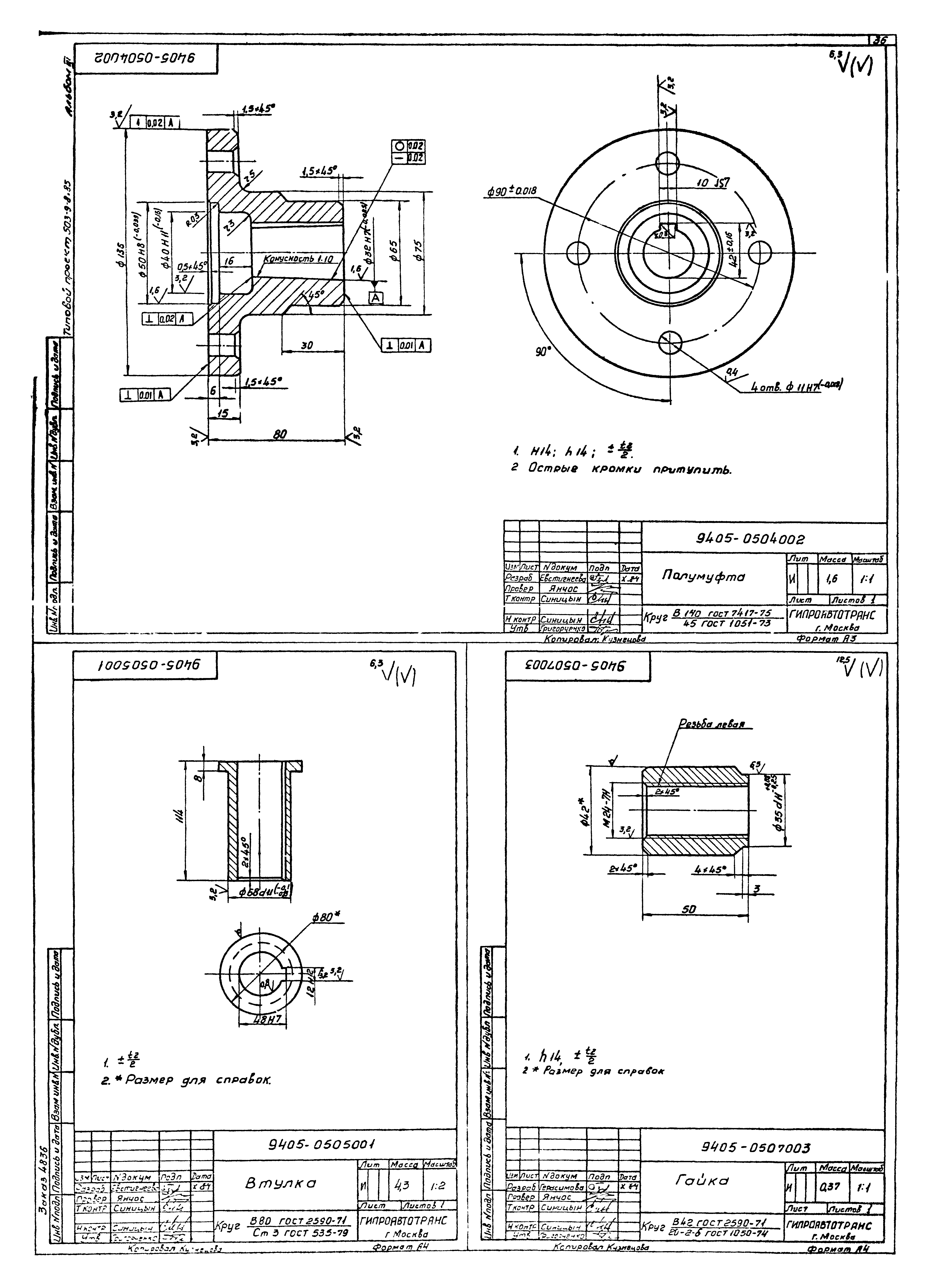
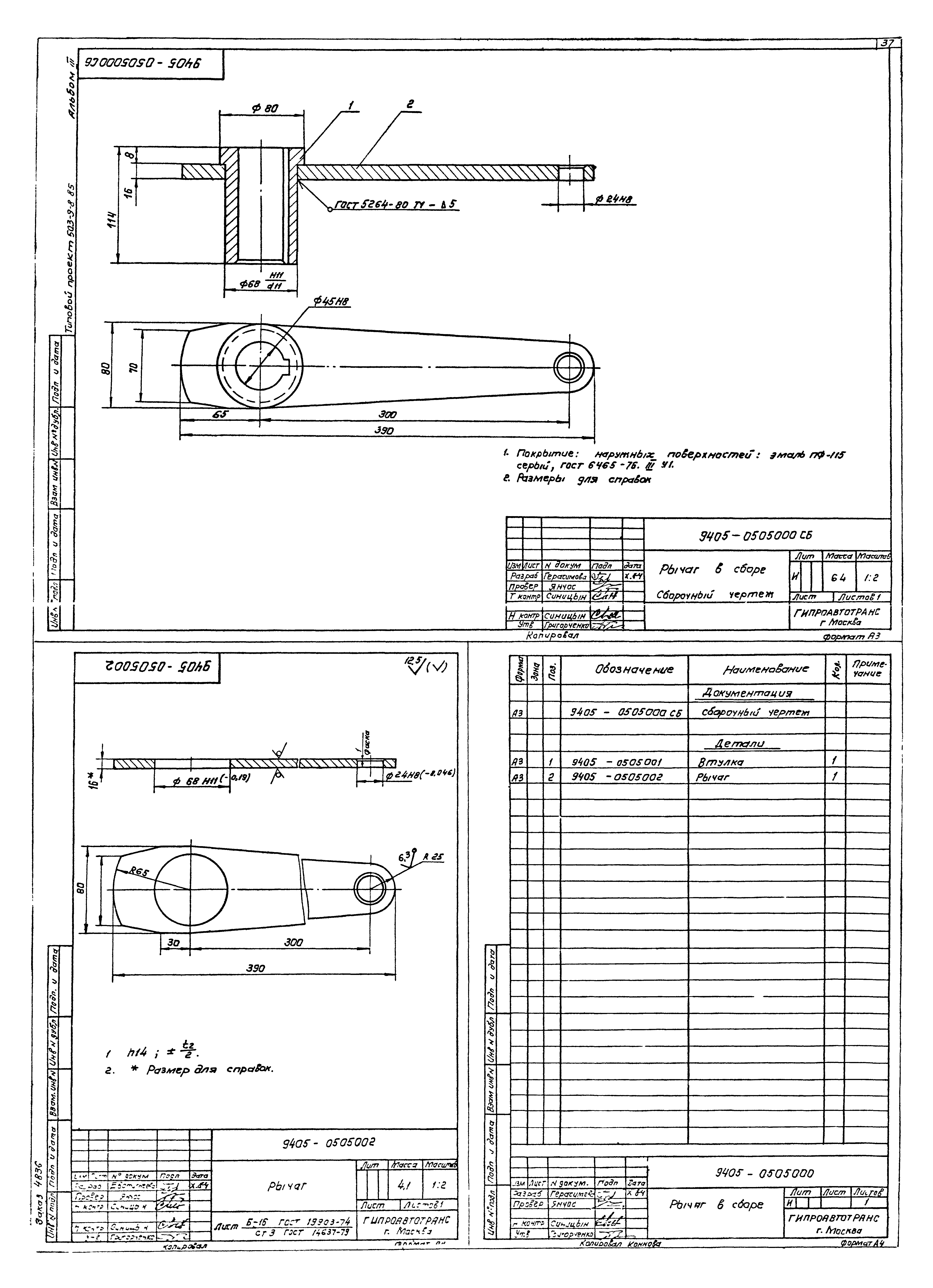
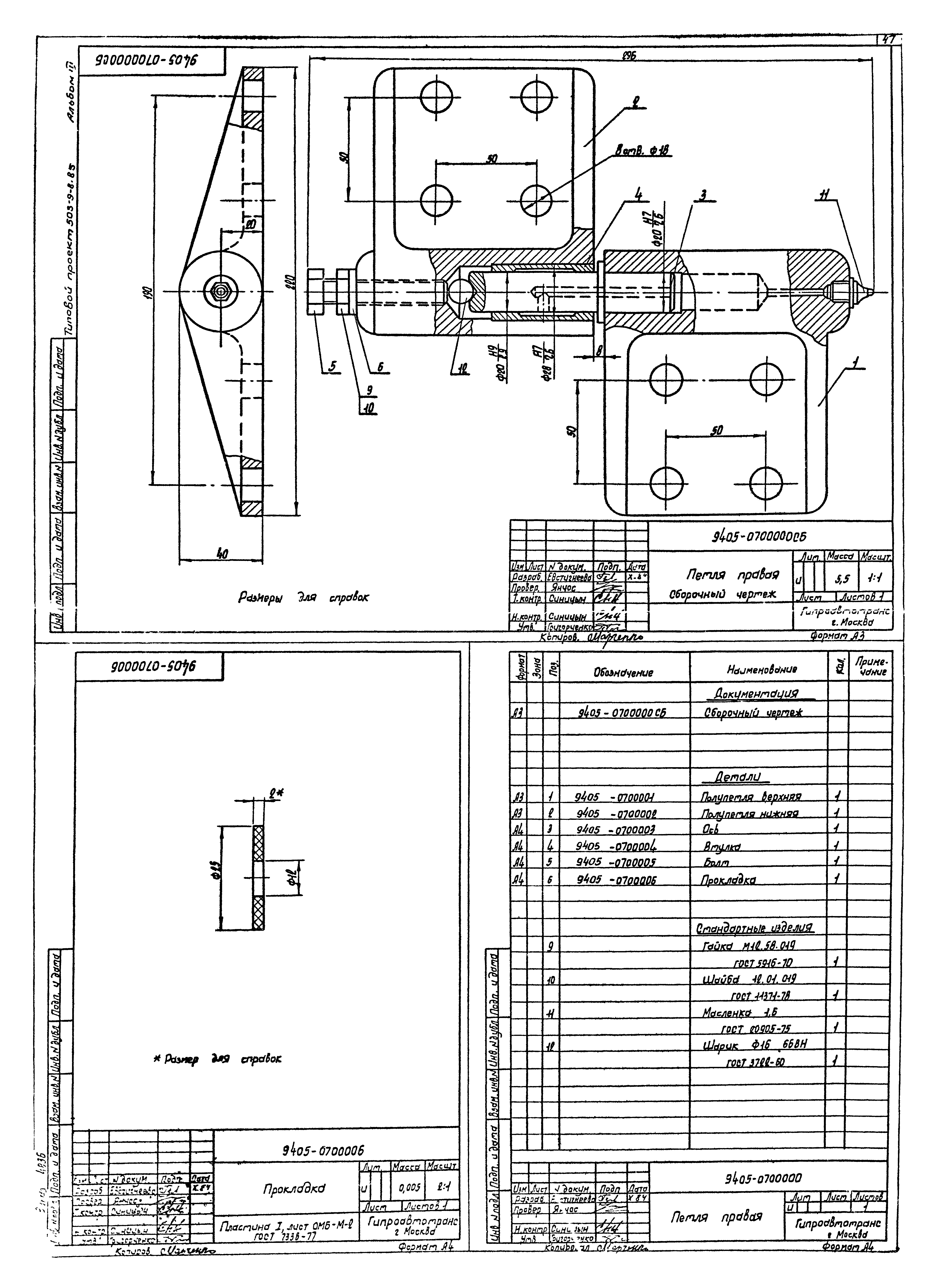
| Оглавление: | Содержание 9405-0000000 Ворота распашные механизированные для КПП 9405-0000000СБ Ворота распашные механизированные для КПП. Сборочный чертеж 9405-0000000Э3 Схема электрическая принципиальная 9405-0000000Э5 Схема электрическая подключения 9405-0000000ВС Ведомость спецификаций 9405-0000000ВП Ведомость покупных изделий 9405-0000000ТУ Технические условия 9405-0000000ТО Техническое описание и инструкция по эксплуатации 9405-0100000 Полотно правое 9405-0100000СБ Полотно правое. Сборочный чертеж 9405-0100001 Труба 9405-0100002 Труба 9405-0100003 Косынка 9405-0100005 Лист 9405-0100006 Косынка 9405-0100007 Ушко 9405-0100008 Втулка 9405-0100009 Накладка 9405-0100010 Лист 9405-0200000 Полотно левое 9405-0200000СБ Полотно левое. Сборочный чертеж 9405-0300000 Ограждение 9405-0300000СБ Ограждение. Сборочный чертеж 9405-0400000 Расцепитель 9405-0400000СБ Расцепитель. Сборочный чертеж 9405-0401000 Кронштейн 9405-0401000СБ Кронштейн. Сборочный чертеж 9405-0401001 Кронштейн 9405-0401002 Ребро 9405-0400001 Палец 9405-0400002 Пружина 9405-0400003 Гильза 9405-0400004 Гайка 9405-0500000 Привод правый 9405-0500000СБ Привод правый. Сборочный чертеж 9405-0501000 Рама 9405-0501000СБ Рама. Сборочный чертеж 9405-0501002 Швеллер 9405-0501005 Ребро 9405-0501006 Ребро 9405-0502000 Опора 9405-0502000СБ Опора. Сборочный чертеж 9405-0502001 Плита 9405-0503000 Муфта фрикционная 9405-0503000СБ Муфта фрикционная. Сборочный чертеж 9405-0503100 Полумуфта 9405-0503100СБ Полумуфта. Сборочный чертеж 9405-0503101 Кольцо 9405-0503102 Корпус 9405-0503200 Диск 9405-0503200СБ Диск. Сборочный чертеж 9405-0503201 Шайба 9405-0503202 Кольцо 9405-0503001 Корпус 9405-0503002 Диск прижимной 9405-0503003 Гайка 9405-0503004 Пружина 9405-0504000 Муфта фланцевая 9405-0504000СБ Муфта фланцевая. Сборочный чертеж 9405-0504001 Полумуфта 9405-0504002 Полумуфта 9405-0505000 Рычаг в сборе 9405-0505000СБ Рычаг в сборе. Сборочный чертеж 9405-0505001 Втулка 9405-0505002 Рычаг 9405-0506000 Серьга 9405-0506000СБ Серьга. Сборочный чертеж 9405-0506001 Вилка 9405-0506002 Винт 9405-0507000 Стяжка в сборе 9405-0507000СБ Стяжка в сборе. Сборочный чертеж 9405-0507001 Вставка 9405-0507002 Гайка 9405-0507003 Гайка 9405-0508000 Серьга 9405-0508000СБ Серьга. Сборочный чертеж 9405-0508001 Вилка 9405-0508002 Винт 9405-0500001 Палец 9405-0500002 Гайка 9405-0600000 Привод левый 9405-0600000СБ Привод левый. Сборочный чертеж 9405-0601000 Рама 9405-0601000СБ Рама. Сборочный чертеж 9405-0602000 Опора 9405-0602000СБ Опора. Сборочный чертеж 9405-0700000 Петля правая 9405-0700000СБ Петля правая. Сборочный чертеж 9405-0700001 Полупетля верхняя 9405-0700002 Полупетля нижняя 9405-0700003 Ось 9405-0700004 Втулка 9405-0700005 Болт 9405-0700006 Прокладка 9405-0000002 Болт фундаментный 9405-0800000 Петля левая 9405-0800000СБ Петля левая. Сборочный чертеж 9405-0800001 Полупетля верхняя 9405-0800002 Полупетля нижняя 9405-0900000 Кожух правый 9405-0900000СБ Кожух правый. Сборочный чертеж 9405-0900001 Лист 9405-0900002 Лист боковой 9405-1000000 Кожух левый 9405-1000000СБ Кожух левый. Сборочный чертеж 9405-1100000 Стойка правая 9405-1100000СБ Стойка правая. Сборочный чертеж 9405-1100004 Ребро 9405-1100005 Ребро 9405-1200000 Стойка левая 9405-1200000СБ Стойка левая. Сборочный чертеж |
| Разработан: | Гипроавтотранс |
| Утверждён: | 01.02.1985 Минавтотранс РСФСР (Russian Federation Minavtotrans 15) |
























































