Скачать Типовой проект 501-5-71.86 Альбом 4. СметыДата актуализации: 01.01.2021
|
| Обозначение: | Типовой проект 501-5-71.86 |
| Обозначение англ: | 501-5-71.86 |
| Статус: | не определен законодательством |
| Название рус.: | Альбом 4. Сметы |
| Дата добавления в базу: | 01.09.2013 |
| Дата актуализации: | 01.01.2021 |
| Дата введения: | 01.06.1986 |
| Дата окончания срока действия: | 30.06.2003 |
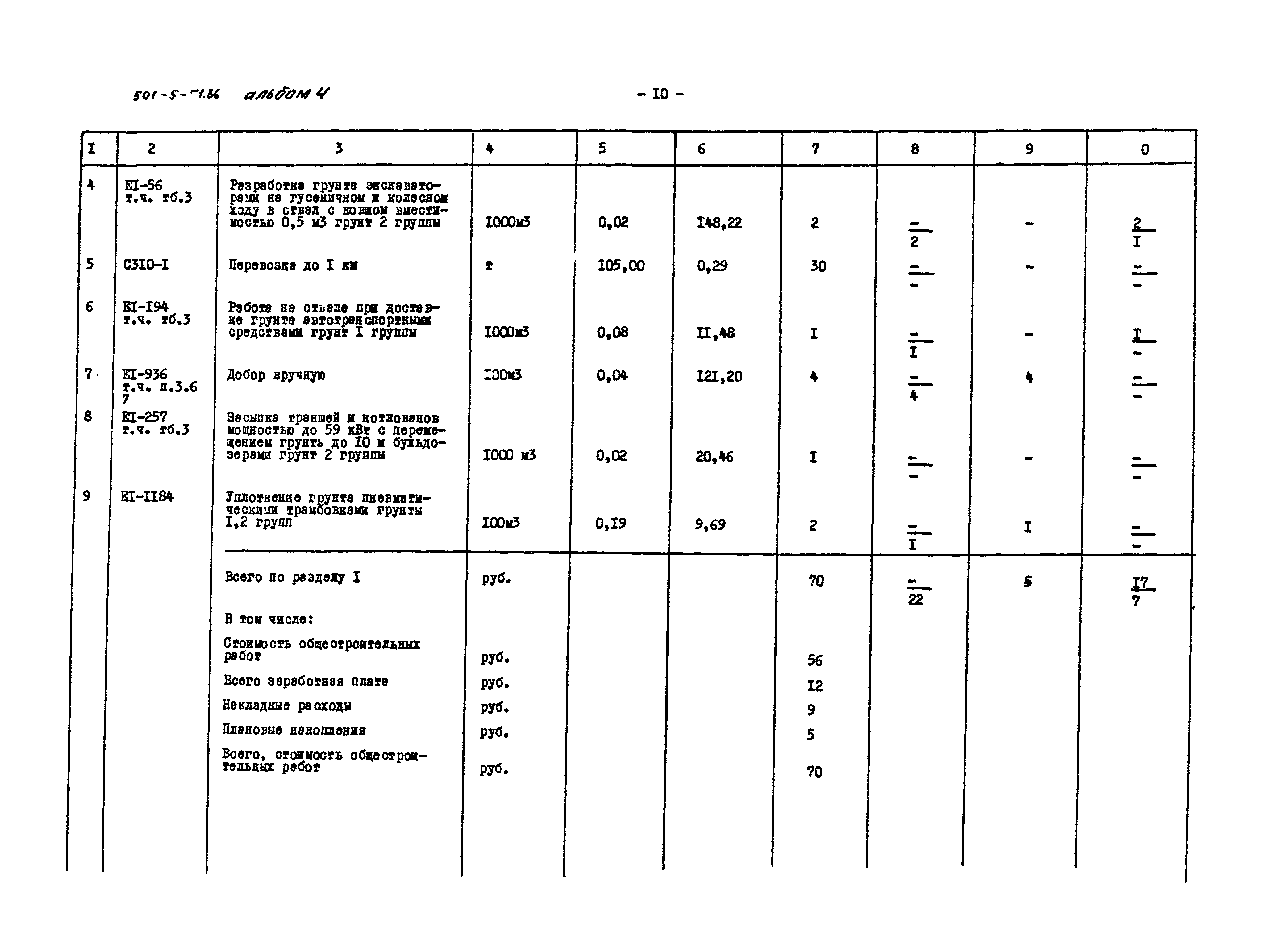
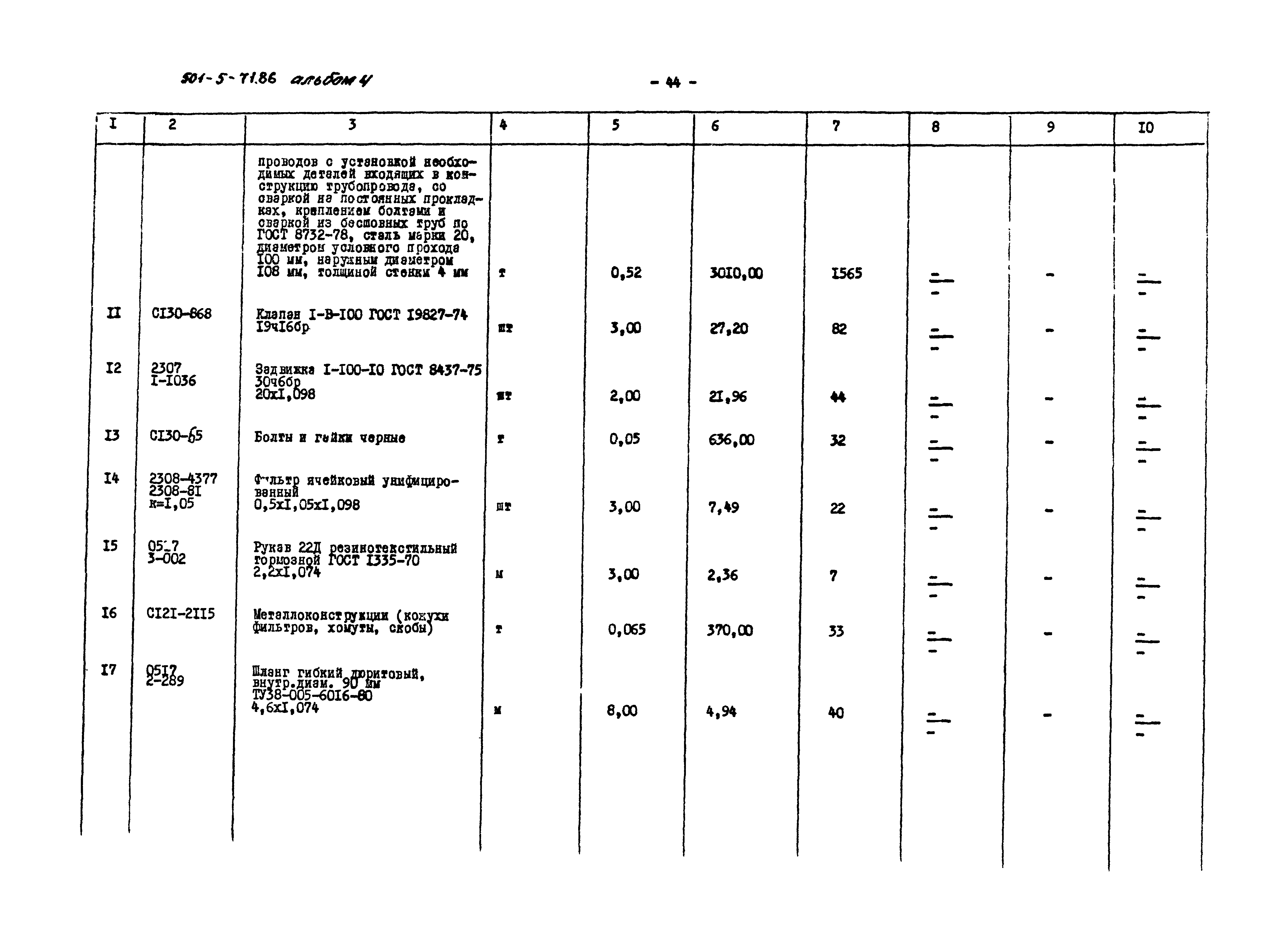
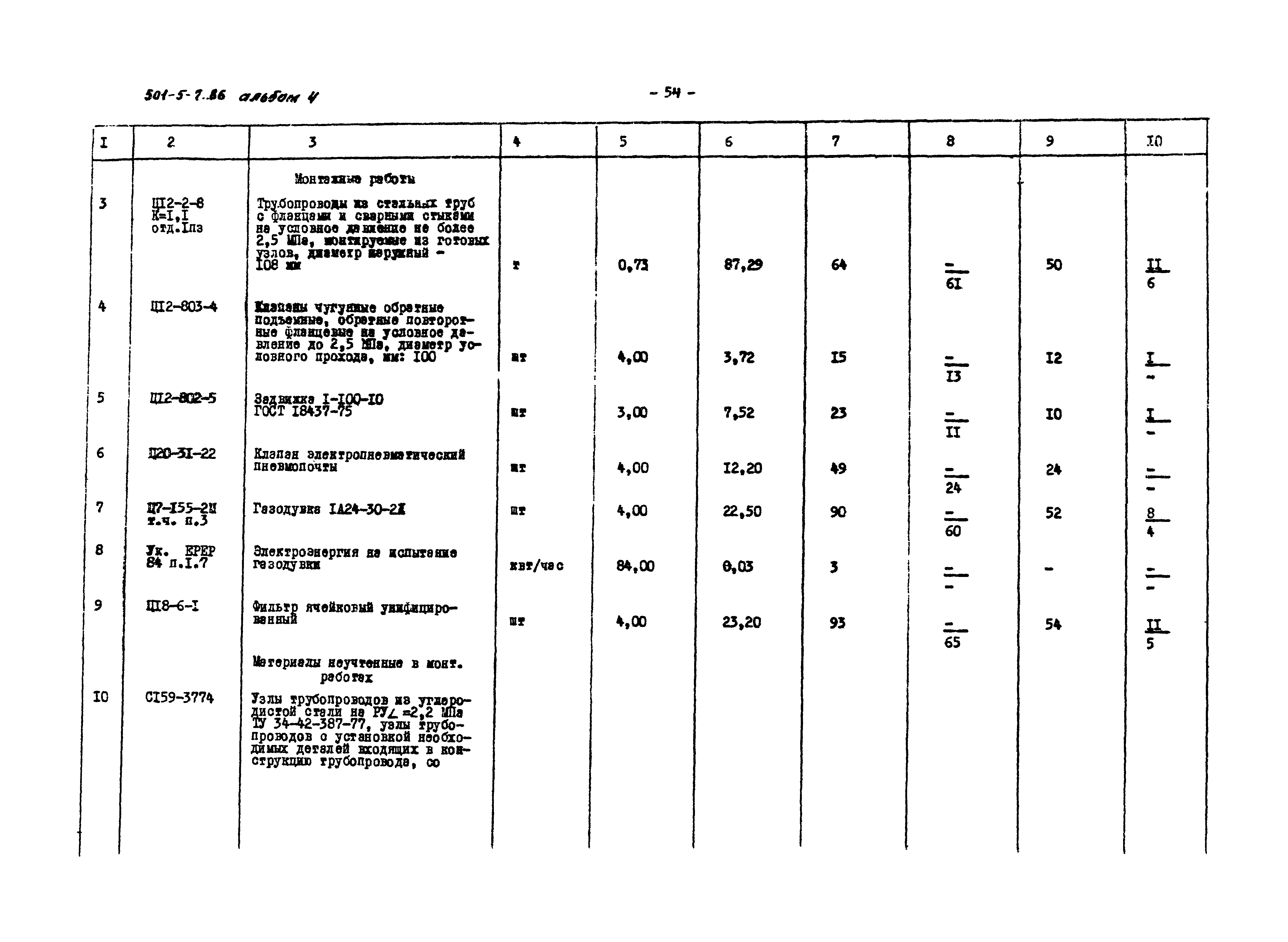
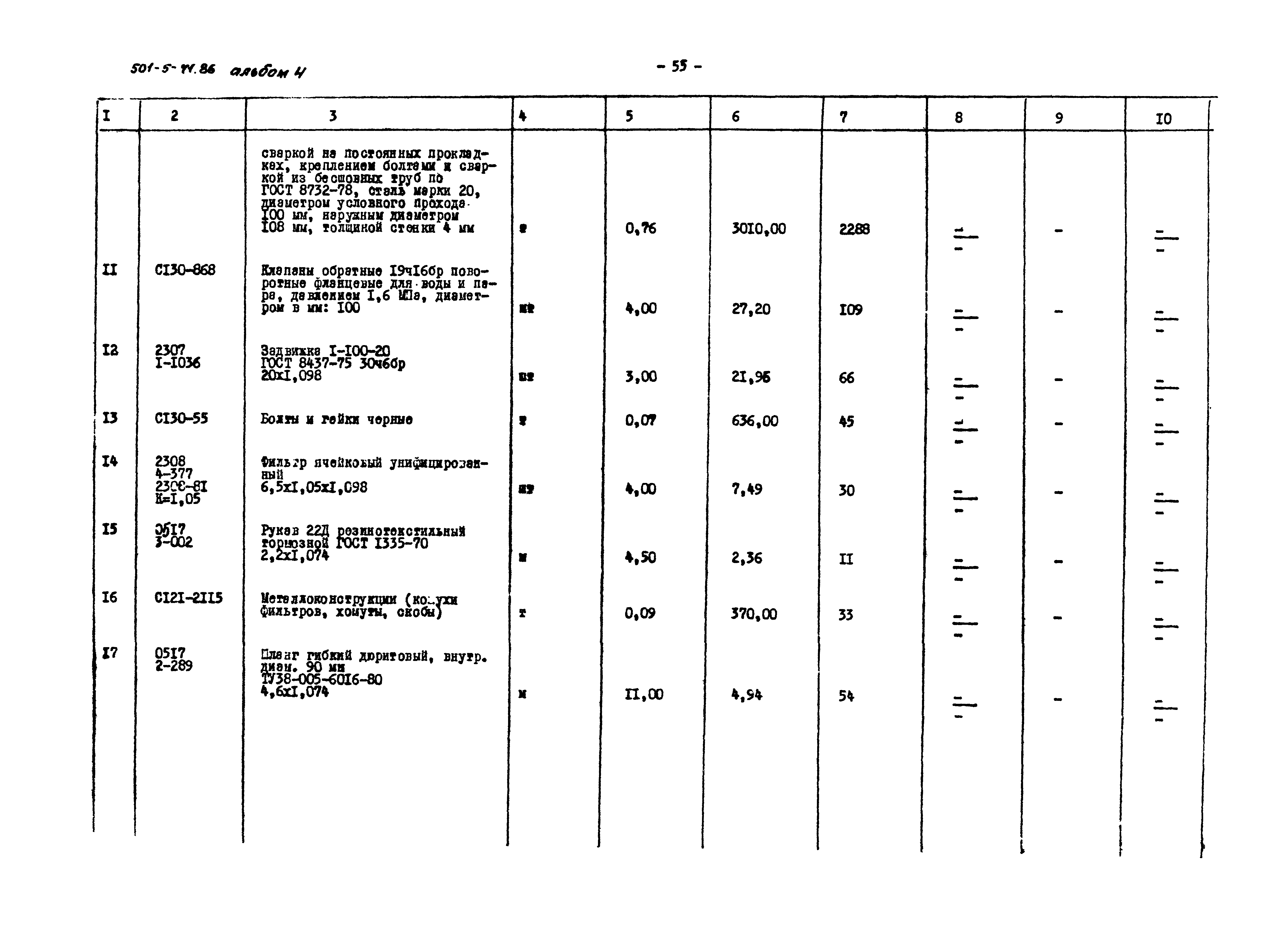
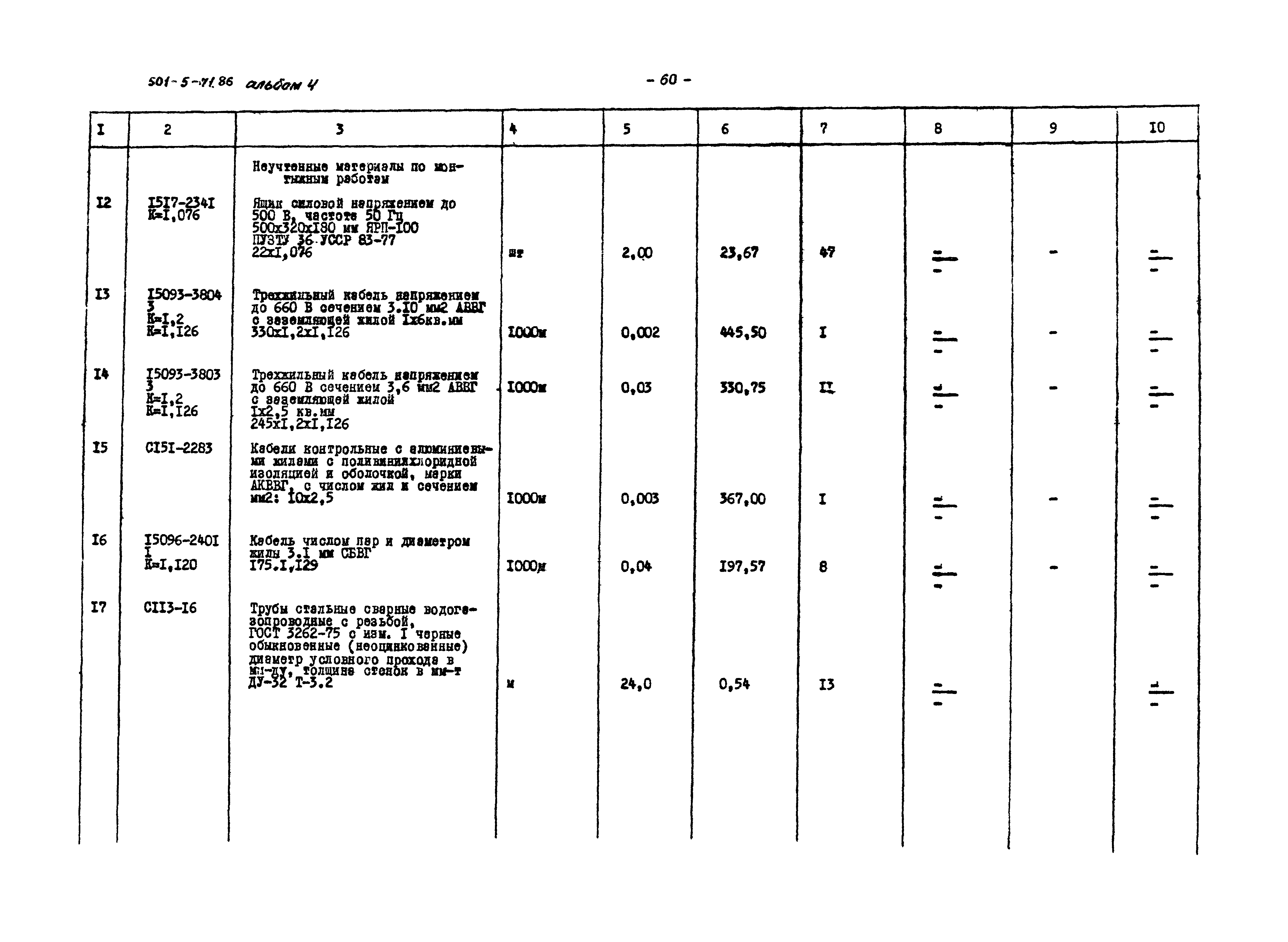
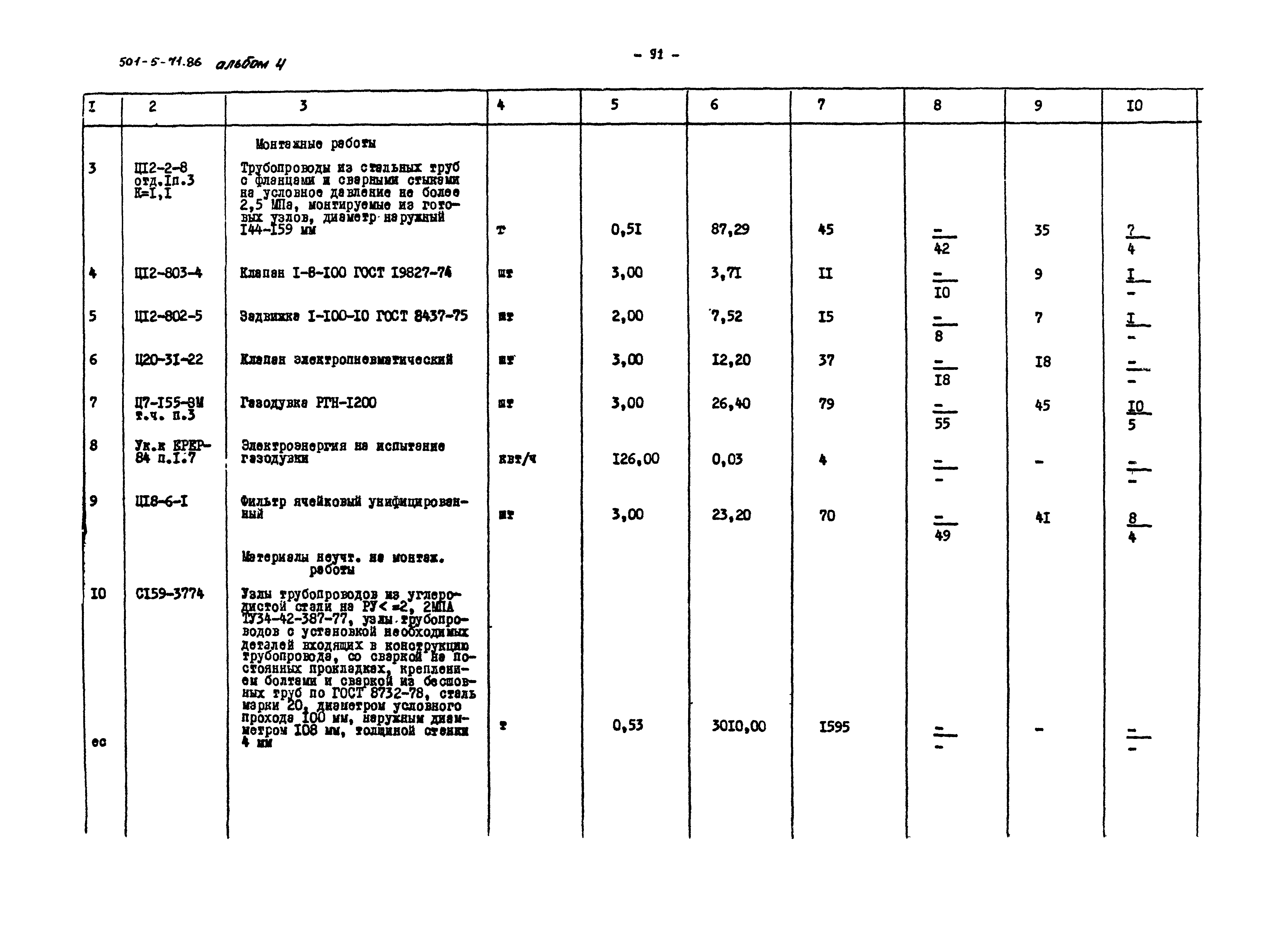
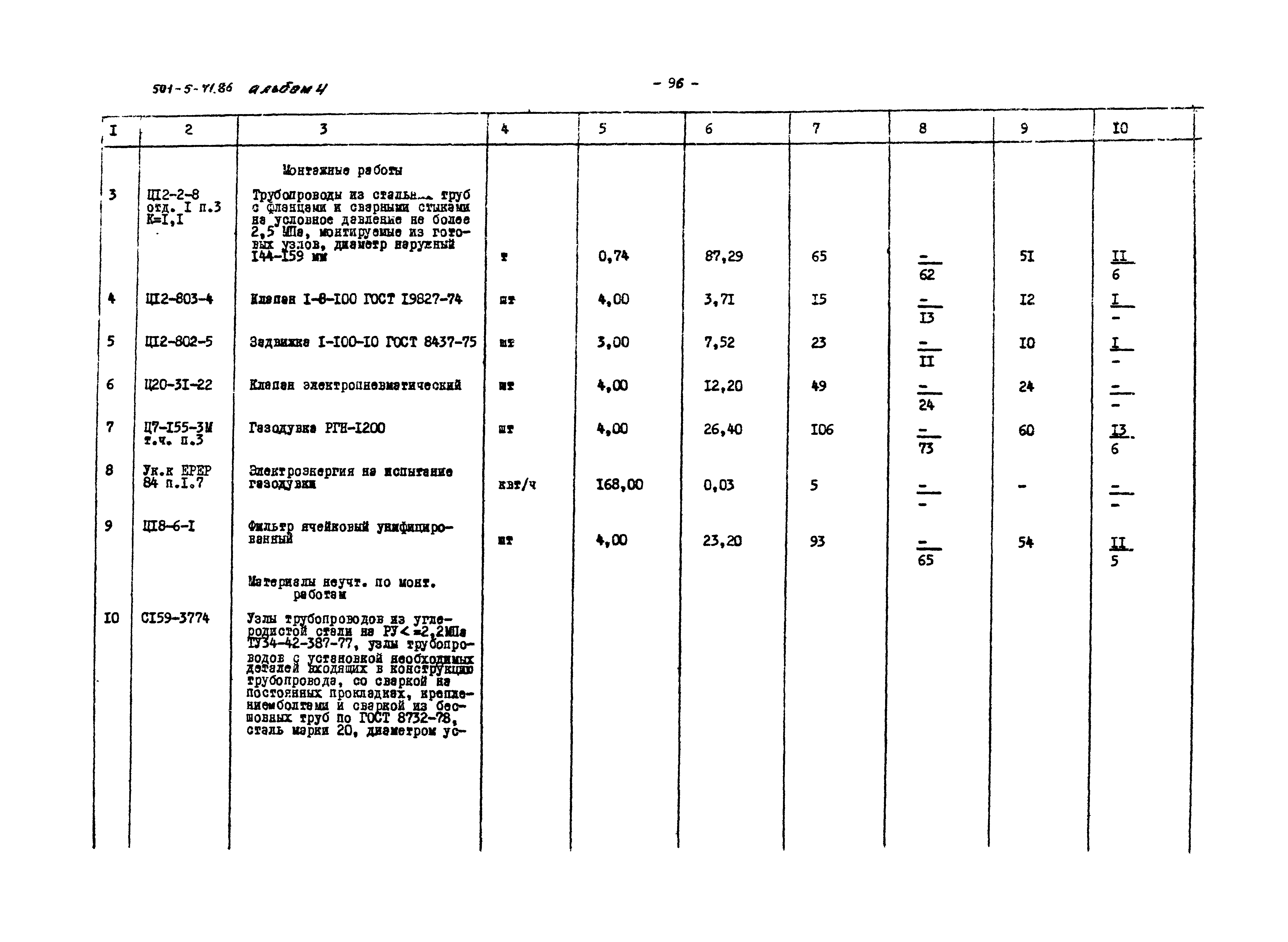
| Оглавление: | Пояснительная записка Объектная смета №1 к типовому проекту пневматической почты для пересылки грузовых документов. Здание воздуходувной на 3 агрегата Объектная смета №2 к типовому проекту пневматической почты для пересылки грузовых документов. Здание воздуходувной на 4 агрегата Локальная смета №1-1. Здание воздуходувной на 3 - 4 агрегата на общестроительные работы подземной части здания Локальная смета №1-2. Здание воздуходувной на 3 - 4 агрегата на специальные работы Локальная смета №1-3. Здание воздуходувной на 3 - 4 агрегата на общестроительные работы надземной части здания (основное решение) Локальная смета №1-4. Здание воздуходувной на 3 - 4 агрегата на отопление (основное решение) Локальная смета №1-5. Здание воздуходувной на 3 - 4 агрегата на вентиляцию Локальная смета №1-6. Здание воздуходувной на 3 - 4 агрегата на монтаж и приобретение технологического оборудования воздуходувной на 3 агрегата 1А-24-30-2А Локальная смета №1-7. Здание воздуходувной на 3 - 4 агрегата на монтаж и приобретение электрооборудования здания воздуходувной на 3 агрегата Локальная смета №1-8. Здание воздуходувной на 3 - 4 агрегата на монтаж и приобретение технологического оборудования воздуходувной на 4 агрегата 1А-24-30-2А Локальная смета №1-9. Здание воздуходувной на 3 - 4 агрегата на монтаж и приобретение электрооборудования здания воздуходувной на 4 агрегата Локальная смета №1-10. Здание воздуходувной на 3 - 4 агрегата на электроосвещение Локальная смета №1-11. Здание воздуходувной на 3 - 4 агрегата на приобретение инструмента, инвентаря и мебели Ведомость потребности в производственных ресурсах Локальная смета №1-12. Здание воздуходувной на 3 - 4 агрегата на бутобетонные фундаменты Локальная смета №1-13. Здание воздуходувной на 3 - 4 агрегата на фундаменты под оборудование ФОм-1 (вариант с агрегатом РГН-1200) Локальная смета №1-14. Здание воздуходувной на 3 - 4 агрегата на наружные стены и кровлю (вариант при t = минус 40 градусов Цельсия) Локальная смета №1-15. Здание воздуходувной на 3 - 4 агрегата на отопление (вариант при t = минус 20 градусов Цельсия) Локальная смета №1-16. Здание воздуходувной на 3 - 4 агрегата на электроотопление Локальная смета №1-17. Здание воздуходувной на 3 - 4 агрегата на монтаж и приобретение технологического оборудования воздуходувной на 3 агрегата РГН-1200 Локальная смета №1-18. Здание воздуходувной на 3 - 4 агрегата на монтаж и приобретение технологического оборудования воздуходувной на 4 агрегата РГН-1200 |
| Разработан: | Гипротранссигналсвязь |
| Утверждён: | 09.12.1985 Министерство путей сообщения СССР (USSR Ministry of Railroads А37769) |



































































































