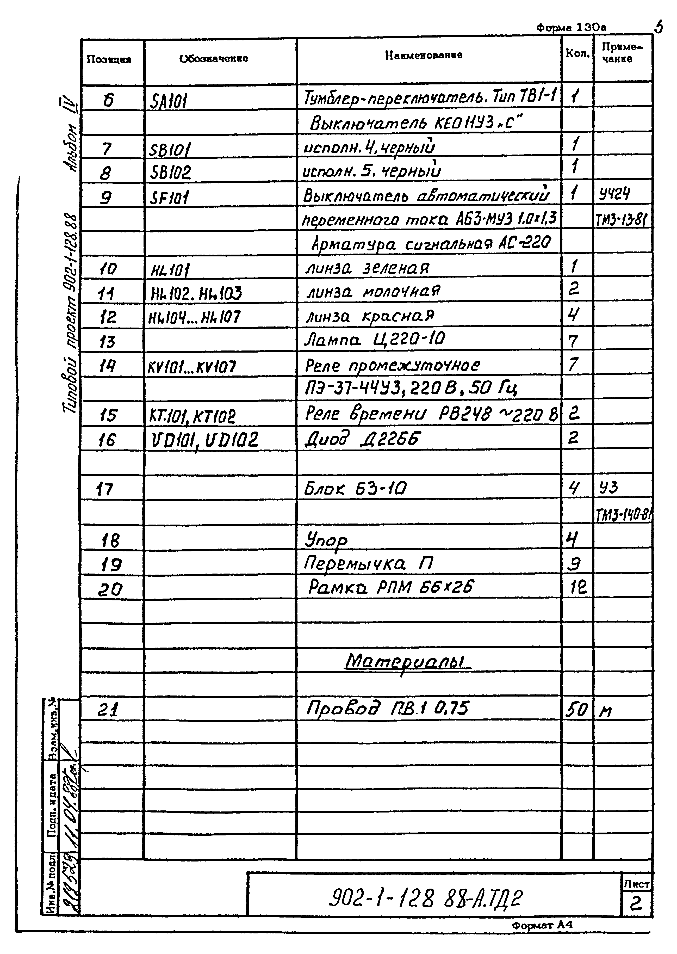
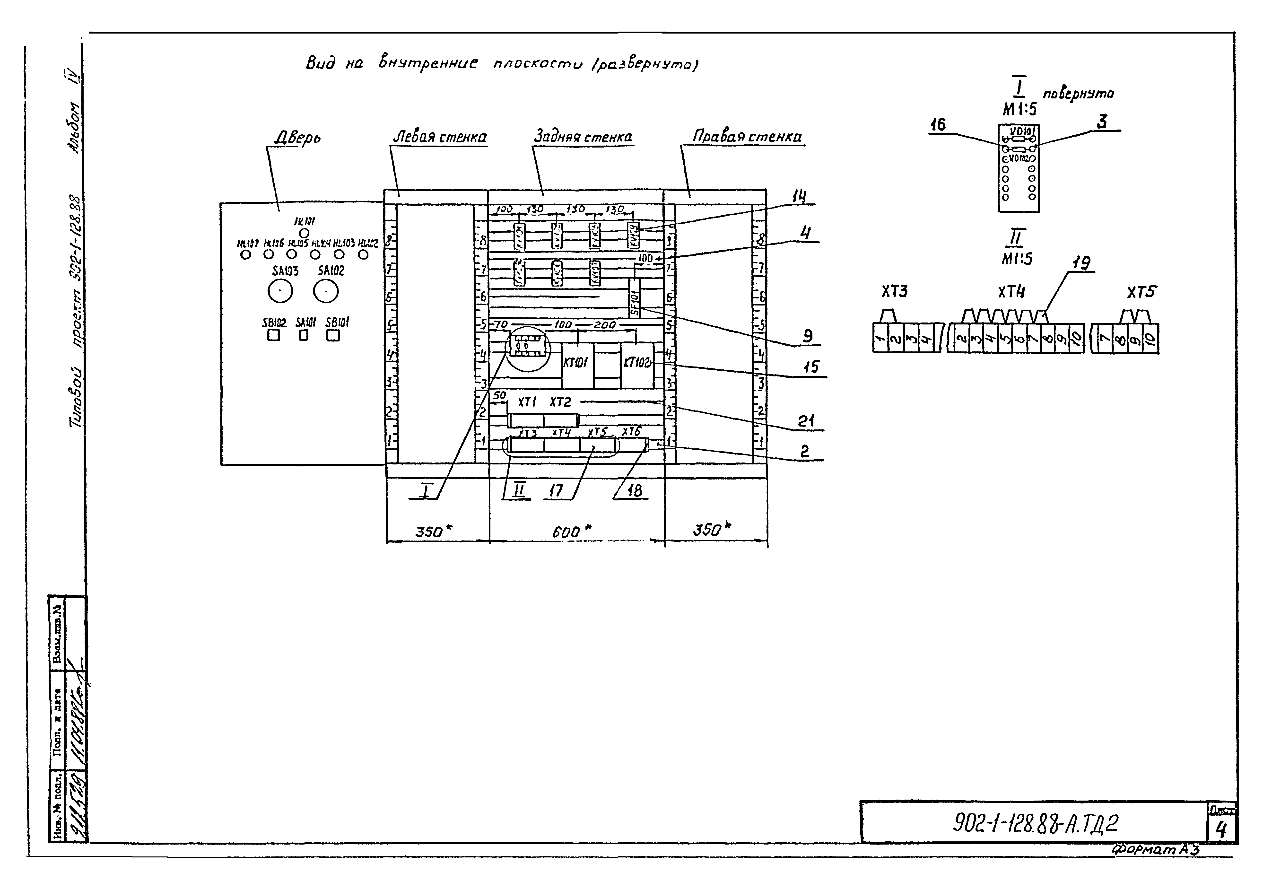
Скачать Типовой проект 902-1-128.88 Альбом IV. Задание заводу-изготовителю на щиты автоматикиДата актуализации: 01.01.2021
|
| Обозначение: | Типовой проект 902-1-128.88 |
| Обозначение англ: | 902-1-128.88 |
| Статус: | не определен законодательством |
| Название рус.: | Альбом IV. Задание заводу-изготовителю на щиты автоматики |
| Дата добавления в базу: | 01.02.2017 |
| Дата актуализации: | 01.01.2021 |
| Дата введения: | 13.01.1988 |
| Дата окончания срока действия: | 30.06.2003 |
| Разработан: | СПКБ Проектнефтегазспецмонтаж |
| Утверждён: | 13.01.1988 Миннефтегазстрой (Minneftegazstroy 13) |
| Заменяет собой: |




















