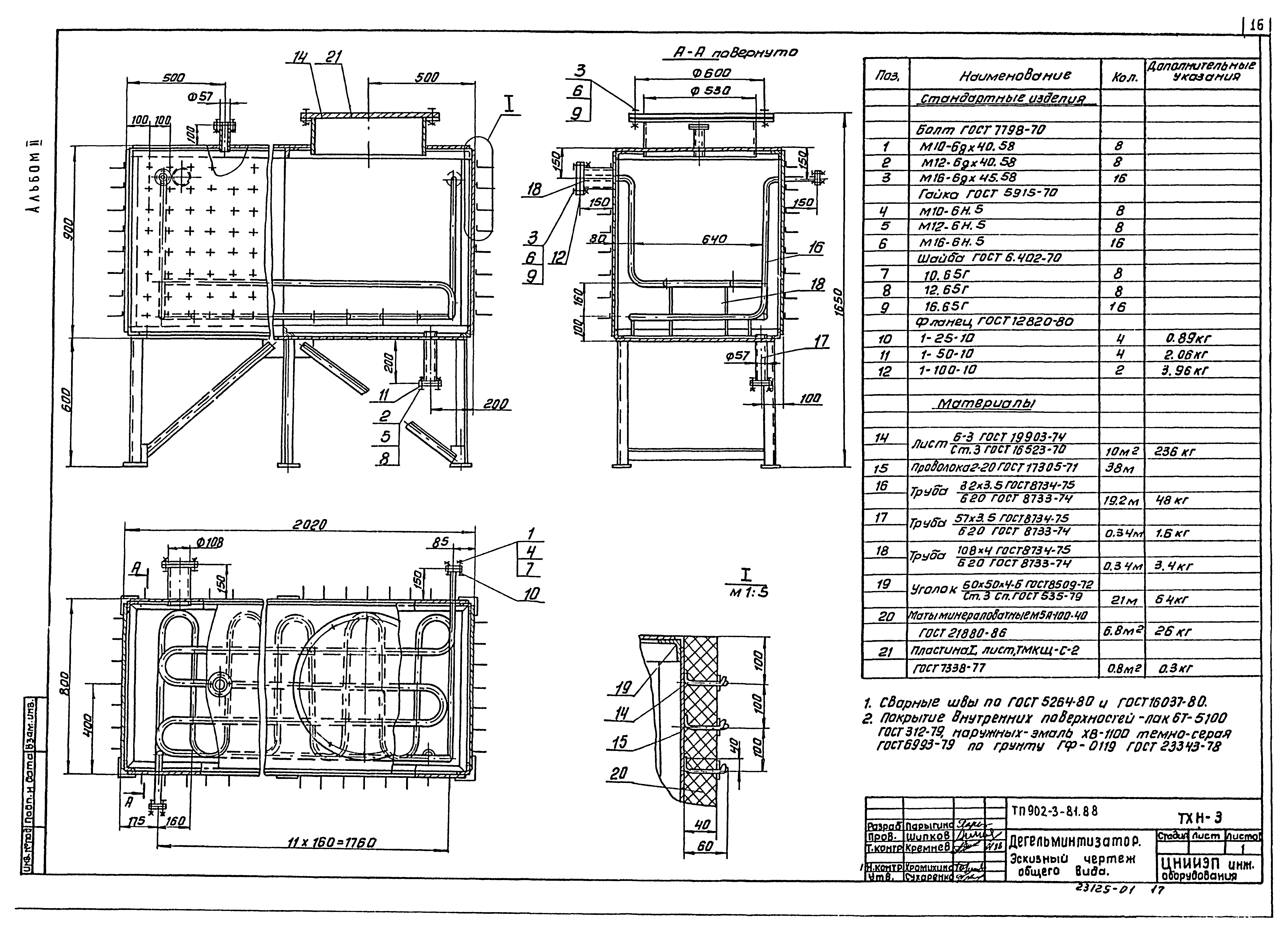
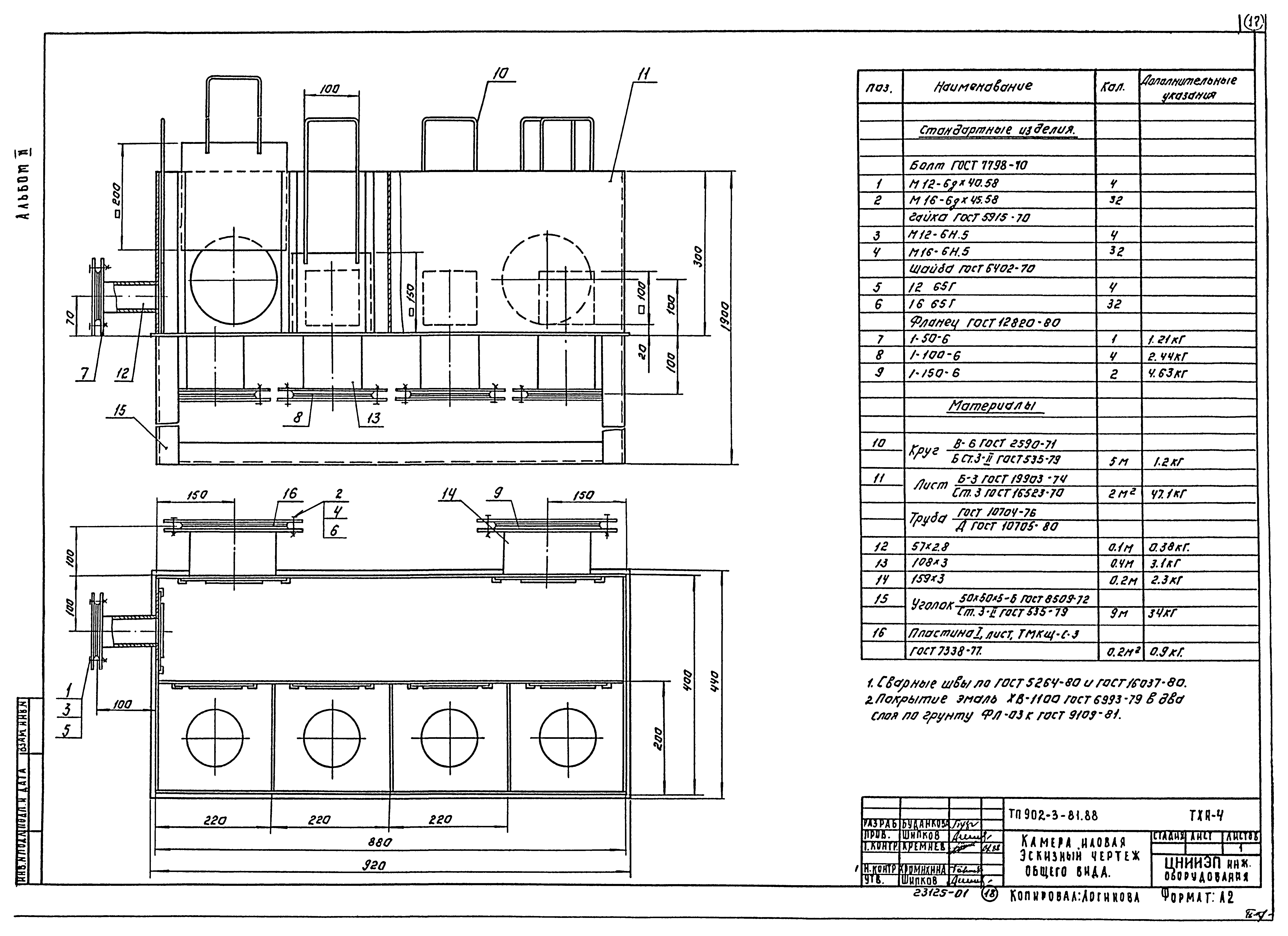
Скачать Типовой проект 902-3-81.88 Альбом II. Технологические решенияДата актуализации: 01.01.2021
|
| Обозначение: | Типовой проект 902-3-81.88 |
| Обозначение англ: | 902-3-81.88 |
| Статус: | не определен законодательством |
| Название рус.: | Альбом II. Технологические решения |
| Дата добавления в базу: | 01.02.2017 |
| Дата актуализации: | 01.01.2021 |
| Дата введения: | 01.09.1988 |
| Дата окончания срока действия: | 30.06.2003 |
| Разработан: | ЦНИИЭП инженерного оборудования |
| Утверждён: | 10.02.1988 Госкомархитектура (38) |
| Издан: | ЦИТП Госстроя СССР (CITP, Gosstroy (USSR) 1989 г. ) |


















