Скачать Типовой проект 902-3-83.88 Альбом V. Строительные изделия (из ТП 902-3-84.88)Дата актуализации: 01.01.2021
|
| Обозначение: | Типовой проект 902-3-83.88 |
| Обозначение англ: | 902-3-83.88 |
| Статус: | не определен законодательством |
| Название рус.: | Альбом V. Строительные изделия (из ТП 902-3-84.88) |
| Дата добавления в базу: | 01.10.2014 |
| Дата актуализации: | 01.01.2021 |
| Дата введения: | 01.09.1988 |
| Дата окончания срока действия: | 30.06.2003 |
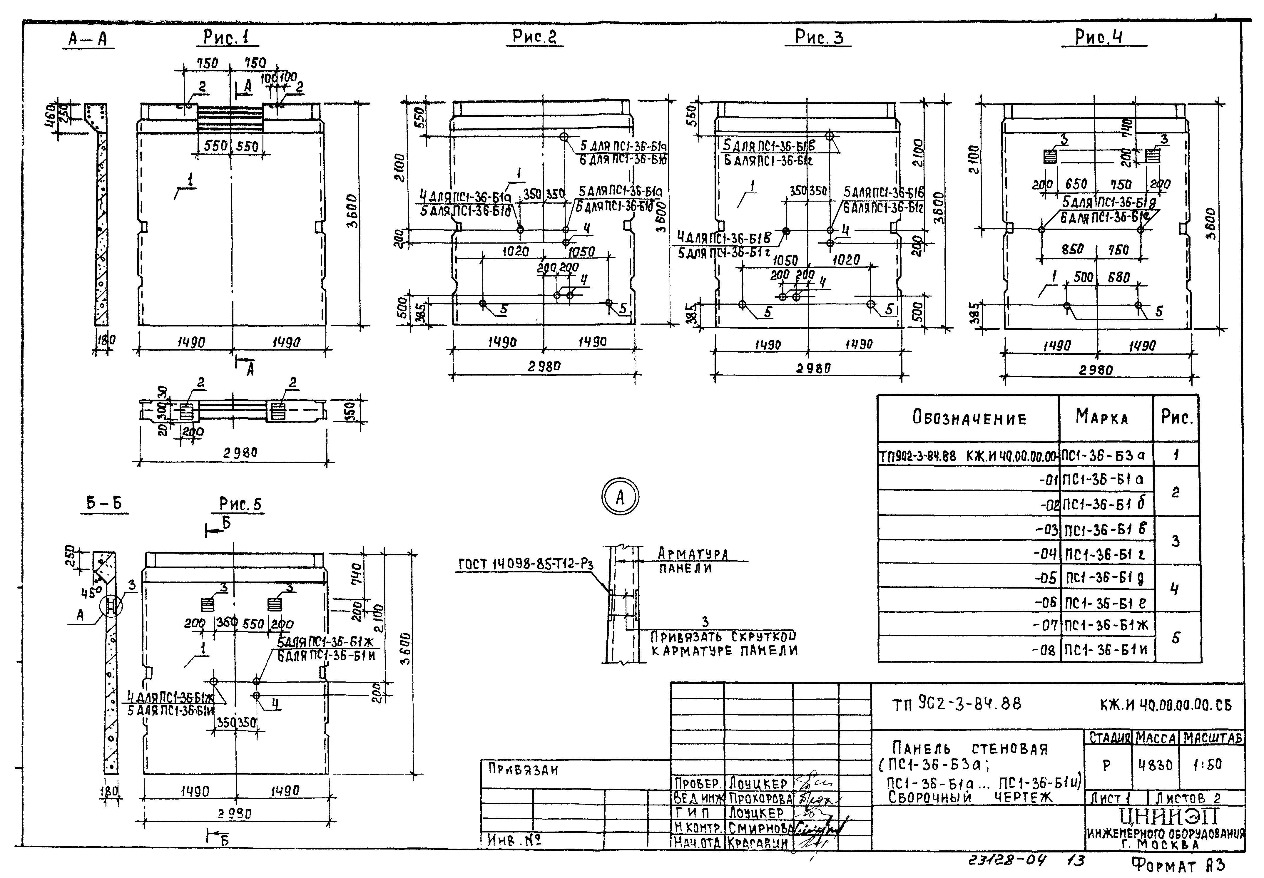
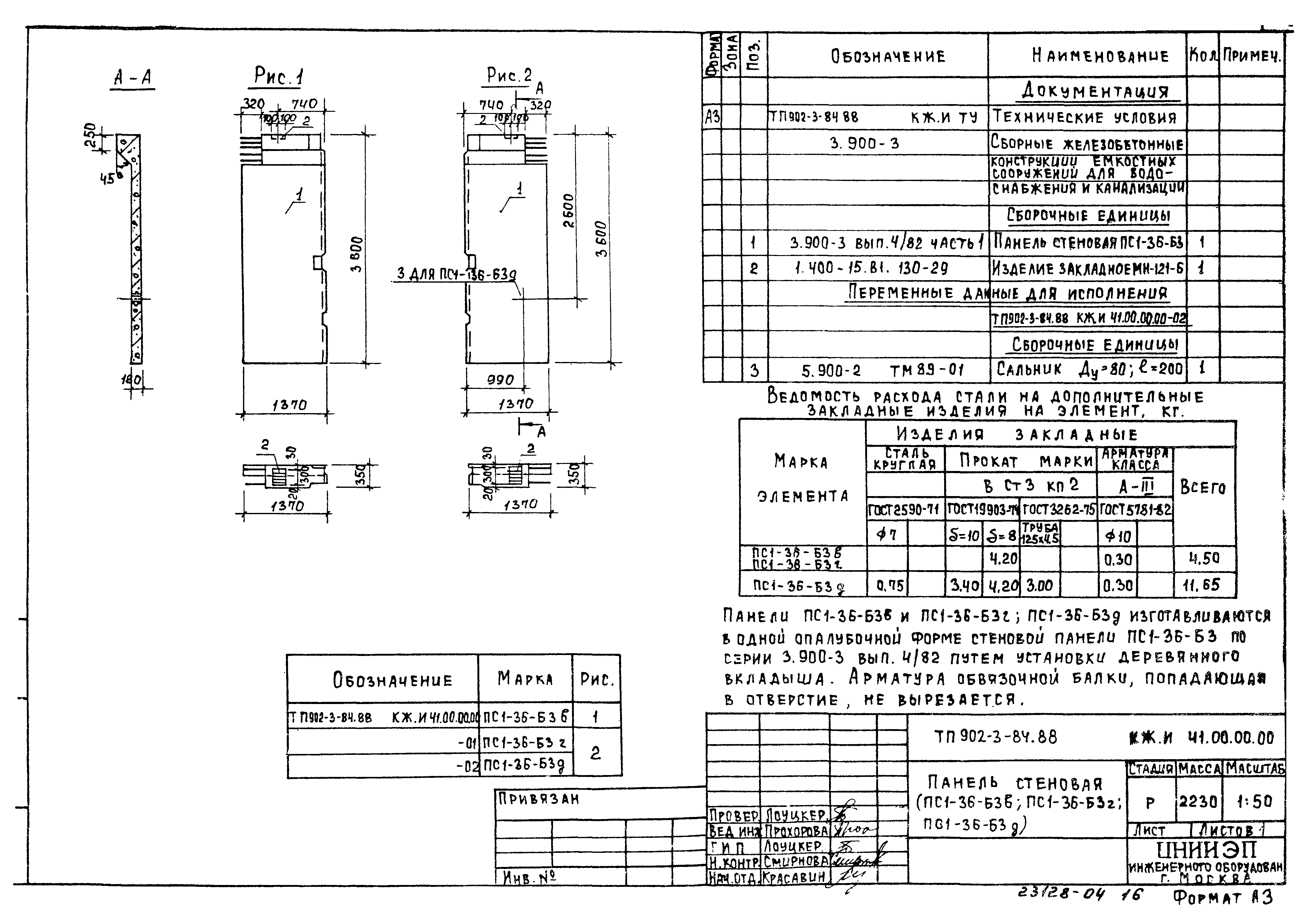
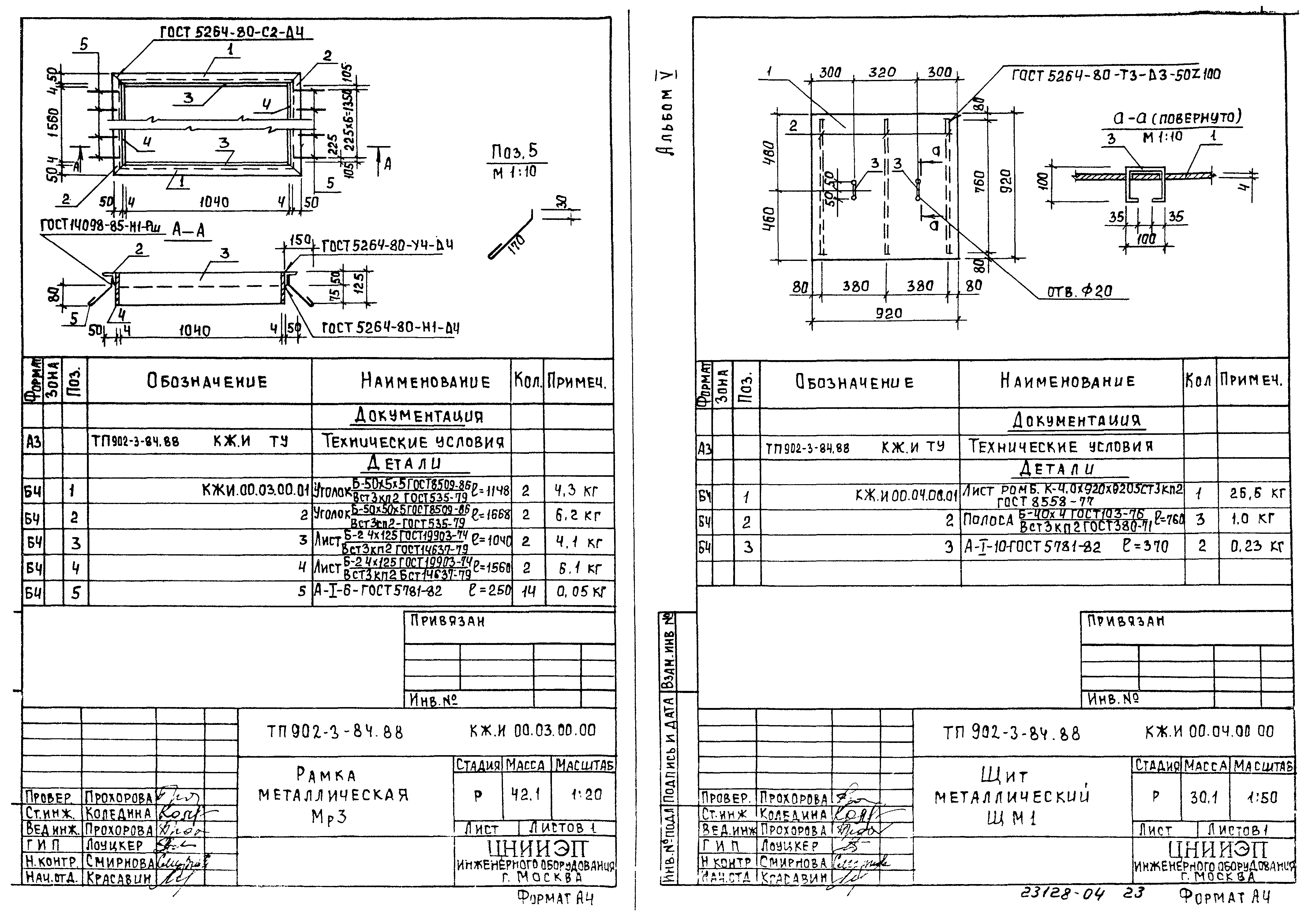
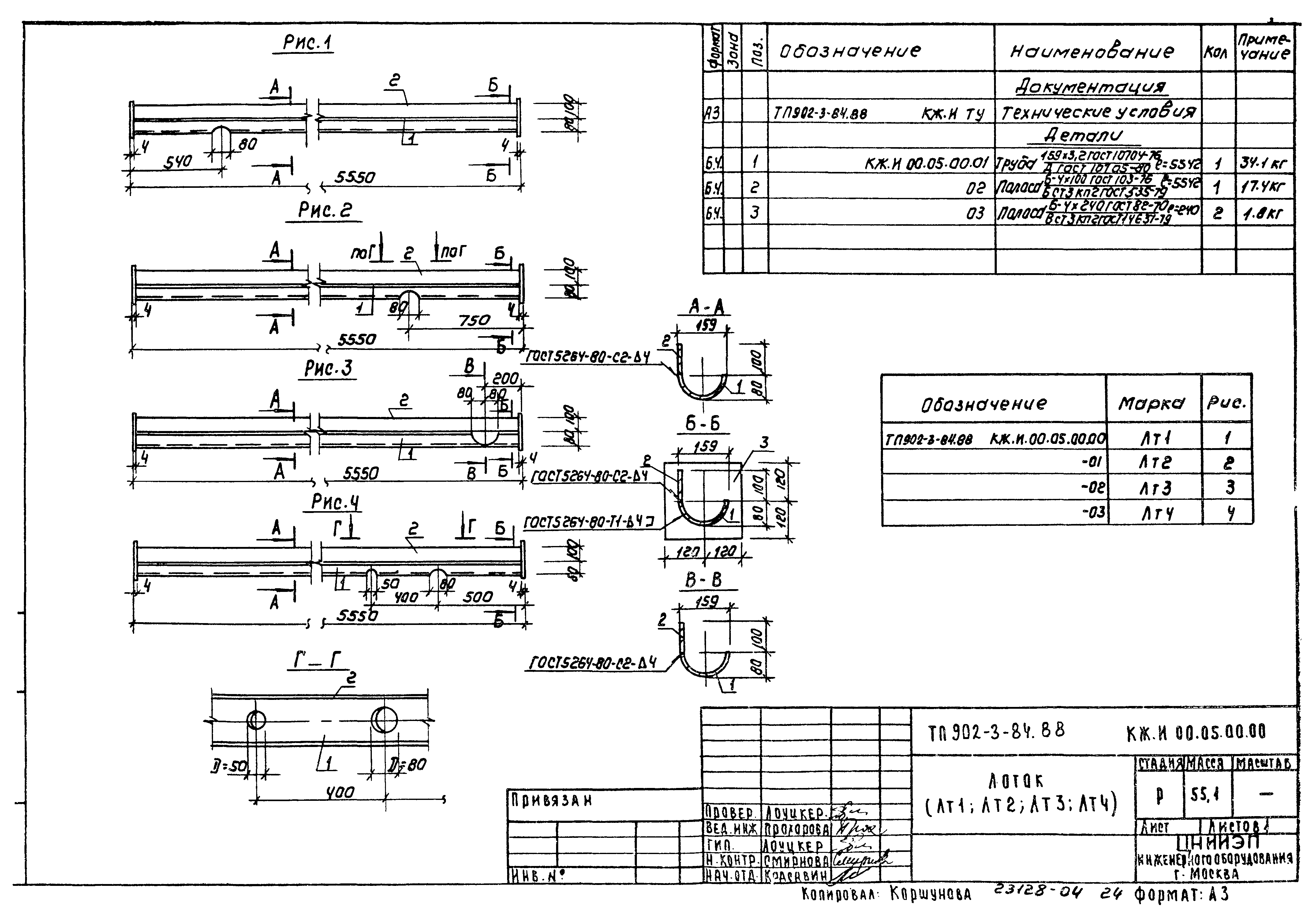
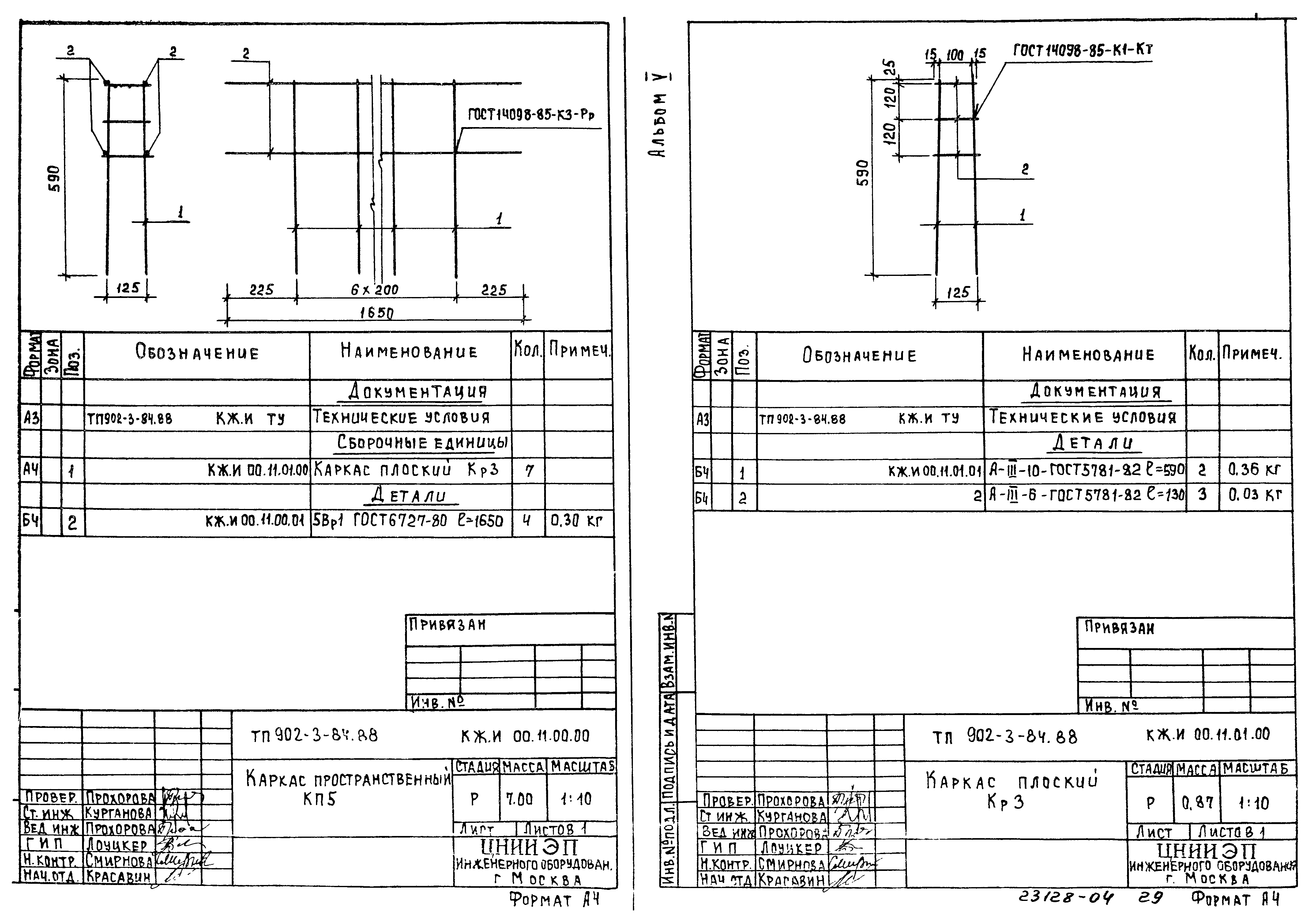
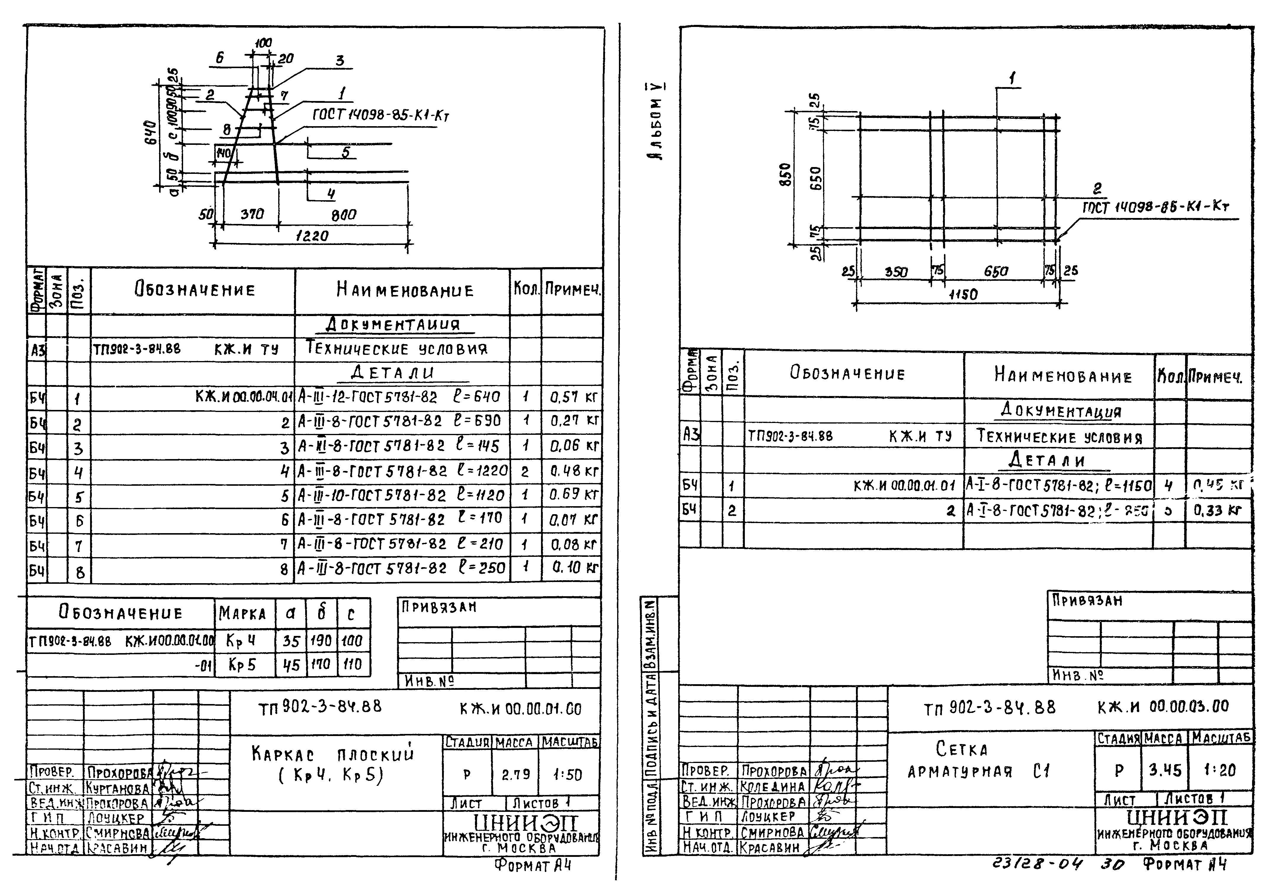
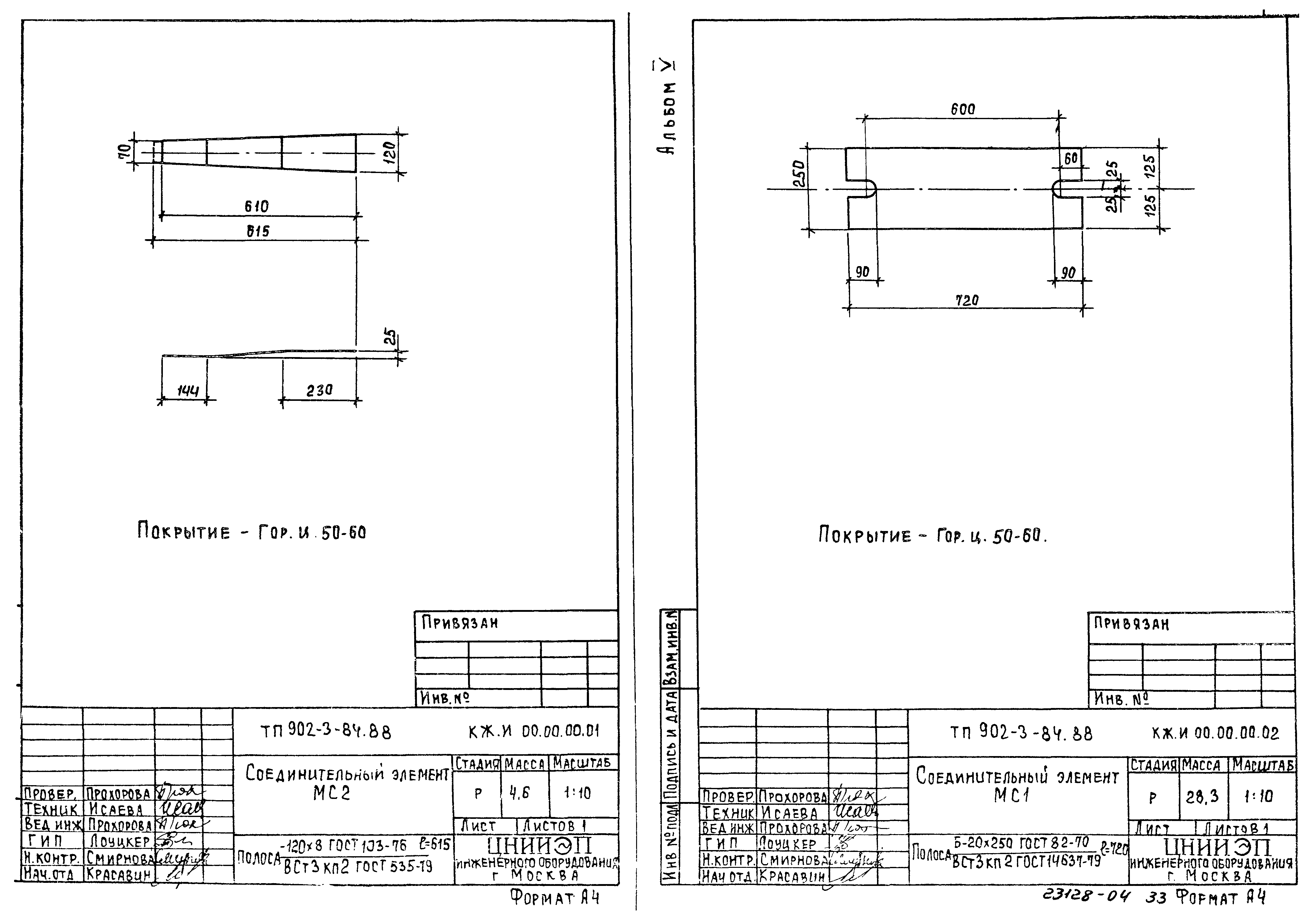
| Оглавление: | КЖИ.ТУ Технические условия КЖИ01.00.00.00 Колонна (К30-1а; К30-1б, К30-1в) КЖИ02.00.00.00 Колонна (1КФ37-1-Н1-1) КЖИ03.00.00.00 Колонна КФ1 КЖИ10.00.00.00 Балка стропильная (1БСД-9-4АIV-Т-а; 1БСД-9-4АIV-Т-б) КЖИ30.00.00.00 Плита покрытия (ПГ-2АIVТ-1; ПГ-2АIVТ-2; ПГ-2АIVТ-3) КЖИ31.00.00.00 Плита покрытия ПВ10-3АIVТ-1 КЖИ40.00.00.00 Панель стеновая (ПС1-36-Б10…ПС1-36-Б1П; ПС1-36-Б3а; ПС1-36-Б3б) КЖИ40.00.00.00СБ Панель стеновая (ПС1-36-Б10…ПС1-36-Б1П; ПС1-36-Б3а; ПС1-36-Б3б) КЖИ40.00.00.00ВМС Ведомость расхода стали на дополнительные закладные изделия на элемент, кг КЖИ41.00.00.00 Панель стеновая (ПС1-36-Б3в; ПС1-36-Б3г; ПС1-36-Б3д) КЖИ42.00.00.00 Панель стеновая (ПС1-36-Б1р; ПС1-36-Б1с; ПС1-36-Б1т) КЖИ43.00.00.00 Панель стеновая ПС1-36-Б1ф КЖИ44.00.00.00 Панель перегородочная ПГ-36-1а КЖИ45.00.00.00 Панель перегородочная ПГ-36-1б КЖИ03.02.00.00 Изделие закладное МД1 КЖИ40.01.00.00 Изделие закладное МН1 КЖИ00.01.00.00 Рамка металлическая Мр1 КЖИ00.02.00.00 Рамка металлическая Мр2 КЖИ00.03.00.00 Рамка металлическая Мр3 КЖИ00.04.00.00 Щит металлический ЩМ1 КЖИ00.05.00.00 Лоток (ЛТ1, ЛТ2, ЛТ3, ЛТ4) КЖИ00.06.00.00 Щит струенаправляющий (Щ1, Щ2) КЖИ03.01.00.00 Каркас пространственный КПК1 КЖИ03.01.01.00 Каркас плоский КрК1 КЖИ00.09.00.00 Каркас пространственный (КП1, КП2) КЖИ00.09.01.00 Каркас плоский Кр1 КЖИ00.10.00.00 Каркас пространственный (КП3, КП4) КЖИ00.10.01.00 Каркас плоский Кр2 КЖИ00.11.00.00 Каркас пространственный КП5 КЖИ00.11.01.00 Каркас плоский Кр3 КЖИ00.00.01.00 Каркас плоский (Кр4, Кр5) КЖИ00.00.03.00 Сетка арматурная С1 КЖИ00.00.04.00 Сетка арматурная С2 КЖИ00.00.05.00 Сетка арматурная С3 КЖИ00.00.06.00 Сетка арматурная С4 КЖИ00.00.07.00 Сетка арматурная С5 КЖИ00.00.00.01 Соединительный элемент МС2 КЖИ00.00.00.02 Соединительный элемент МС1 КЖИ00.12.00.00 Жалюзийная решетка ЖР1 КЖИ00.00.08.00 Сетка арматурная С6 |
| Разработан: | ЦНИИЭП инженерного оборудования |
| Утверждён: | 10.02.1988 Госкомархитектура (38) |



































