Скачать Типовой проект 902-3-84.88 Альбом III. Электротехнические решенияДата актуализации: 01.01.2021
|
| Обозначение: | Типовой проект 902-3-84.88 |
| Обозначение англ: | 902-3-84.88 |
| Статус: | не определен законодательством |
| Название рус.: | Альбом III. Электротехнические решения |
| Дата добавления в базу: | 01.10.2014 |
| Дата актуализации: | 01.01.2021 |
| Дата введения: | 01.09.1988 |
| Дата окончания срока действия: | 30.06.2003 |
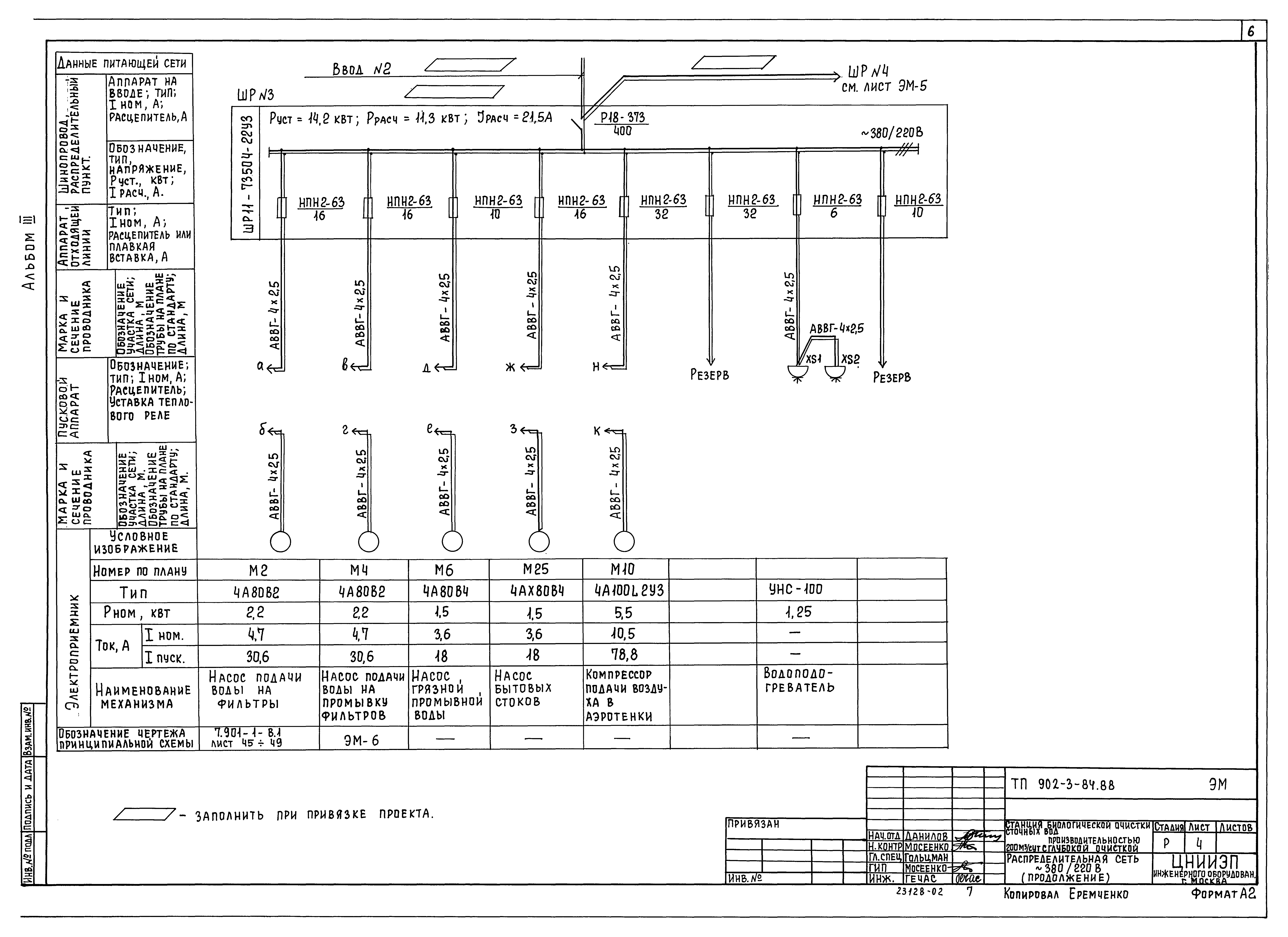
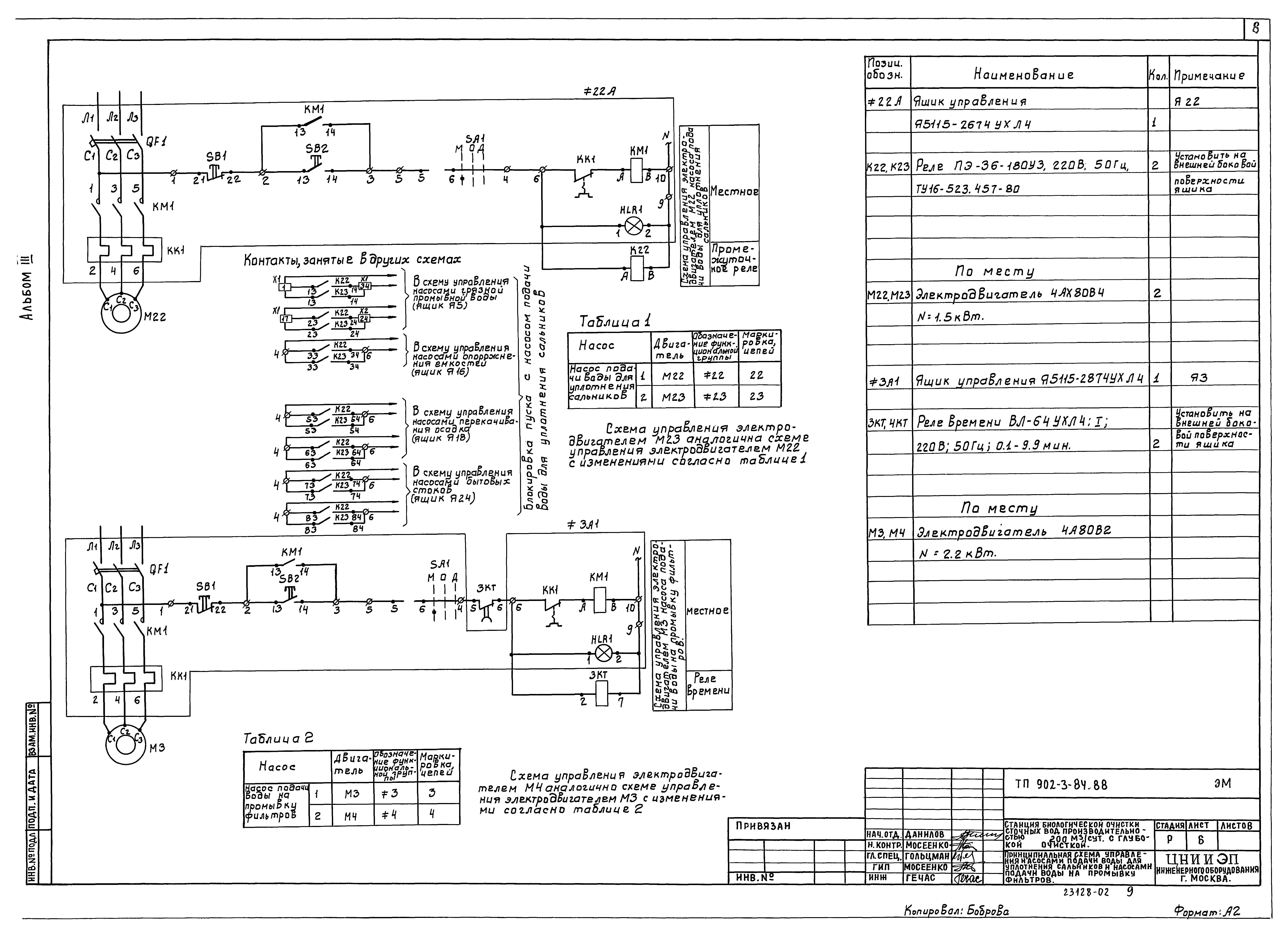
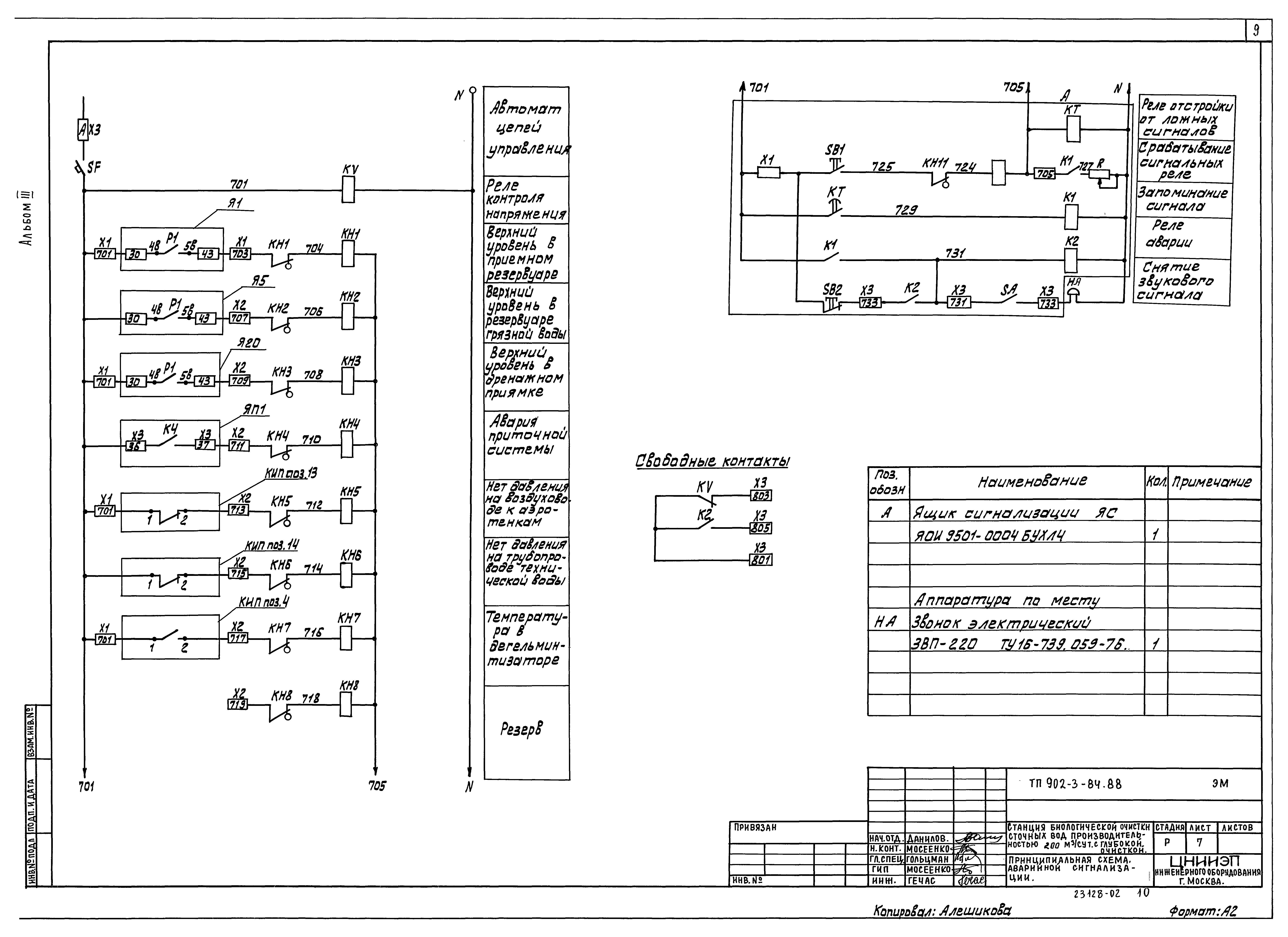
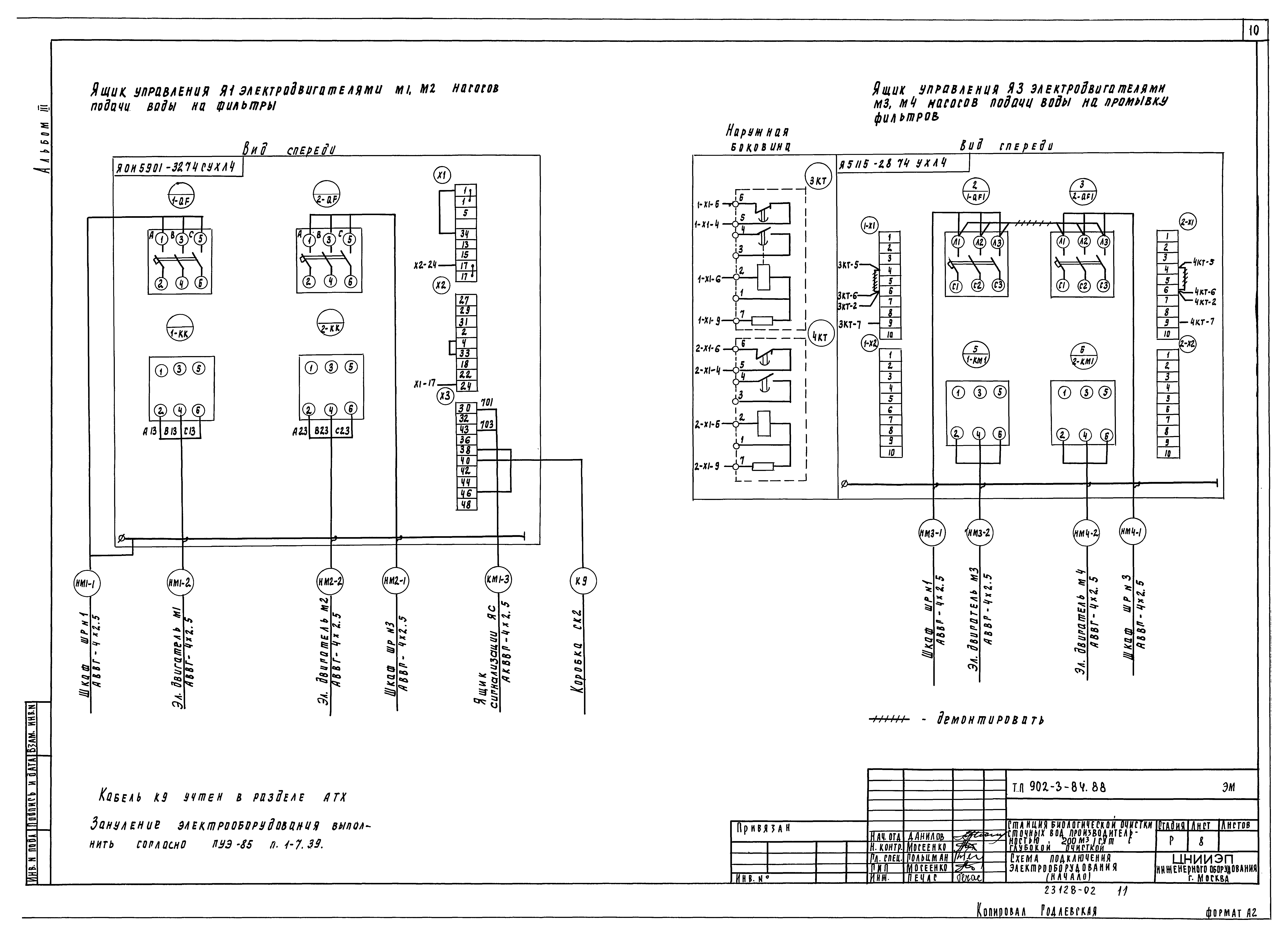
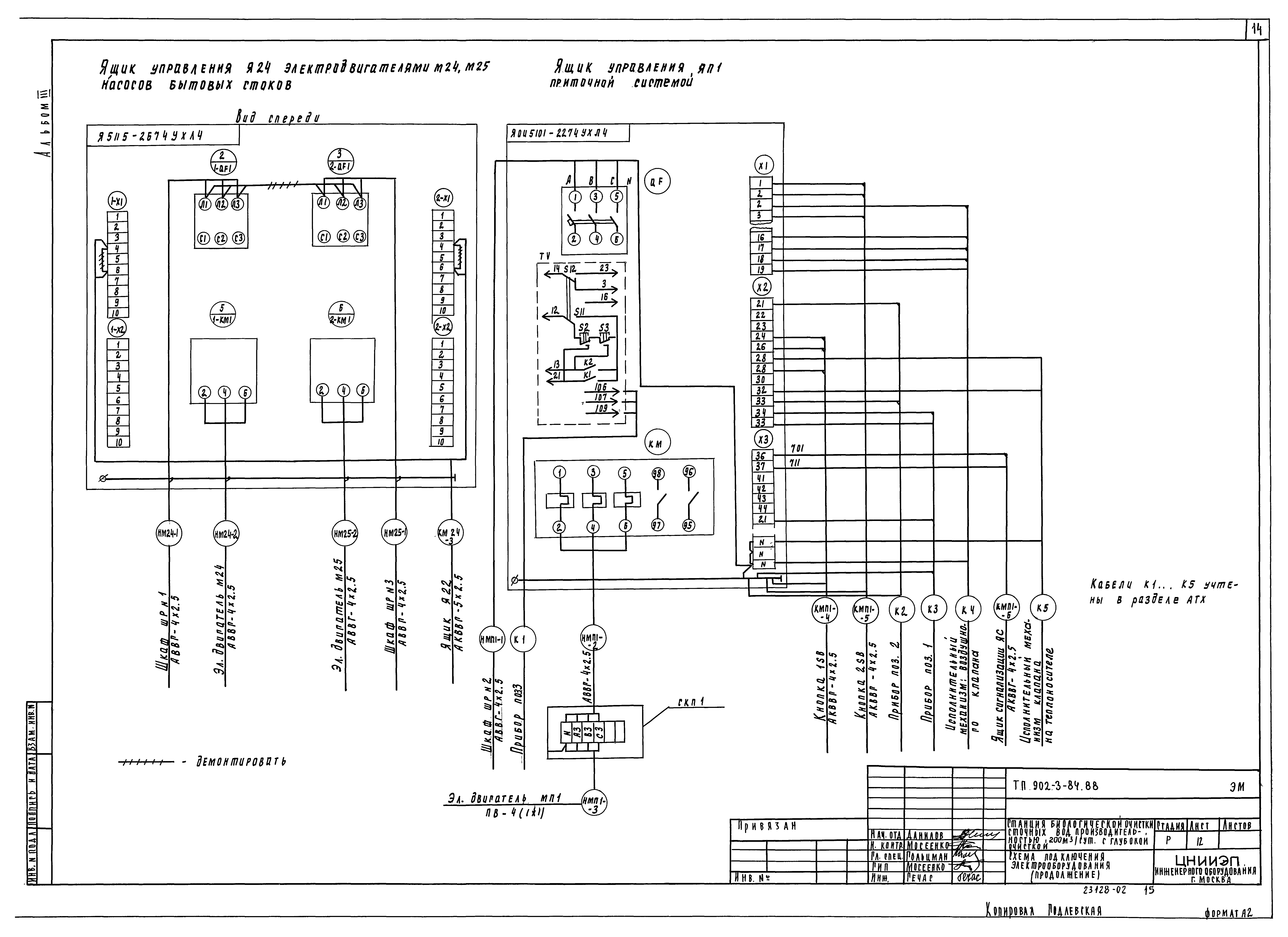
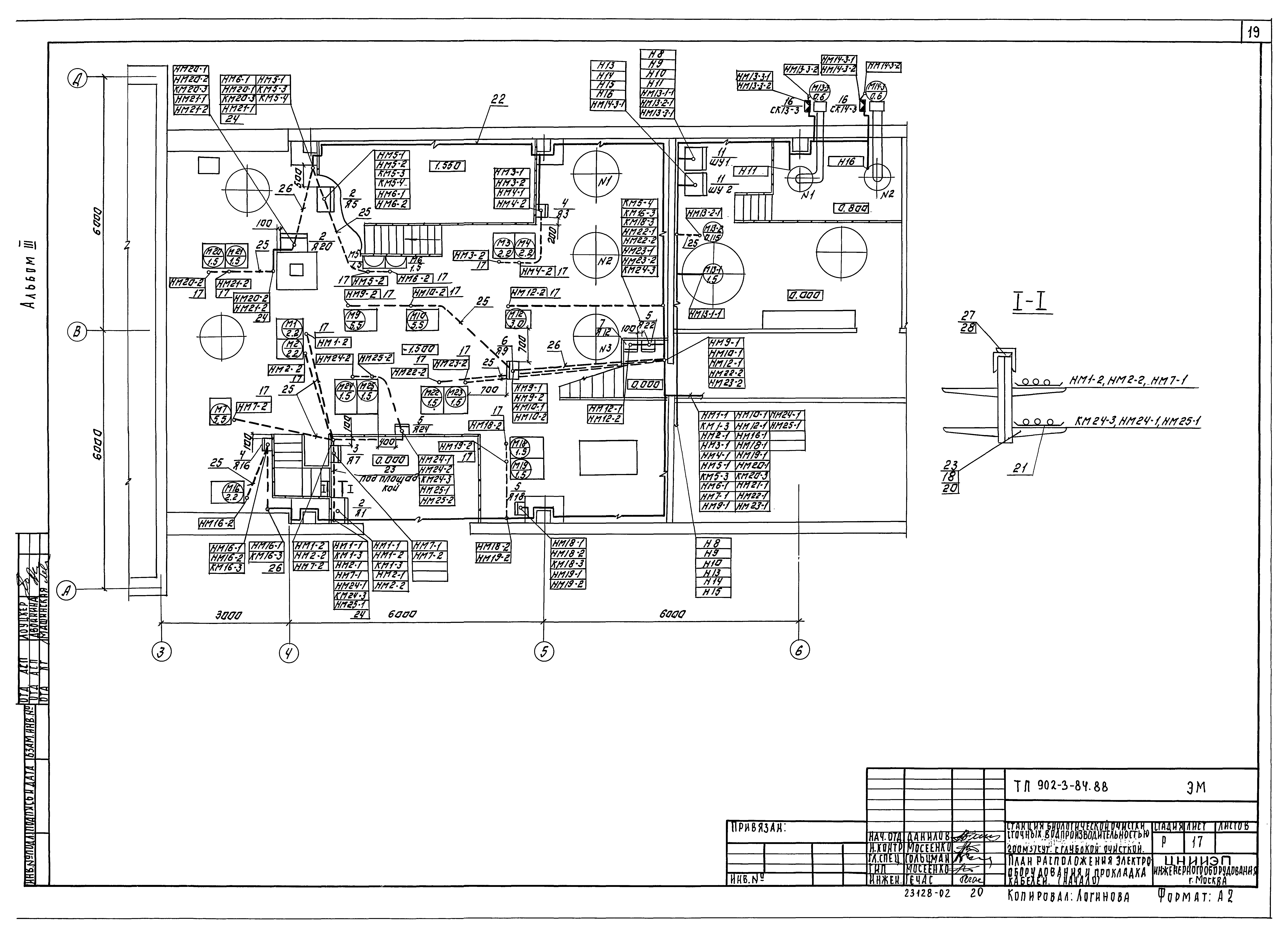
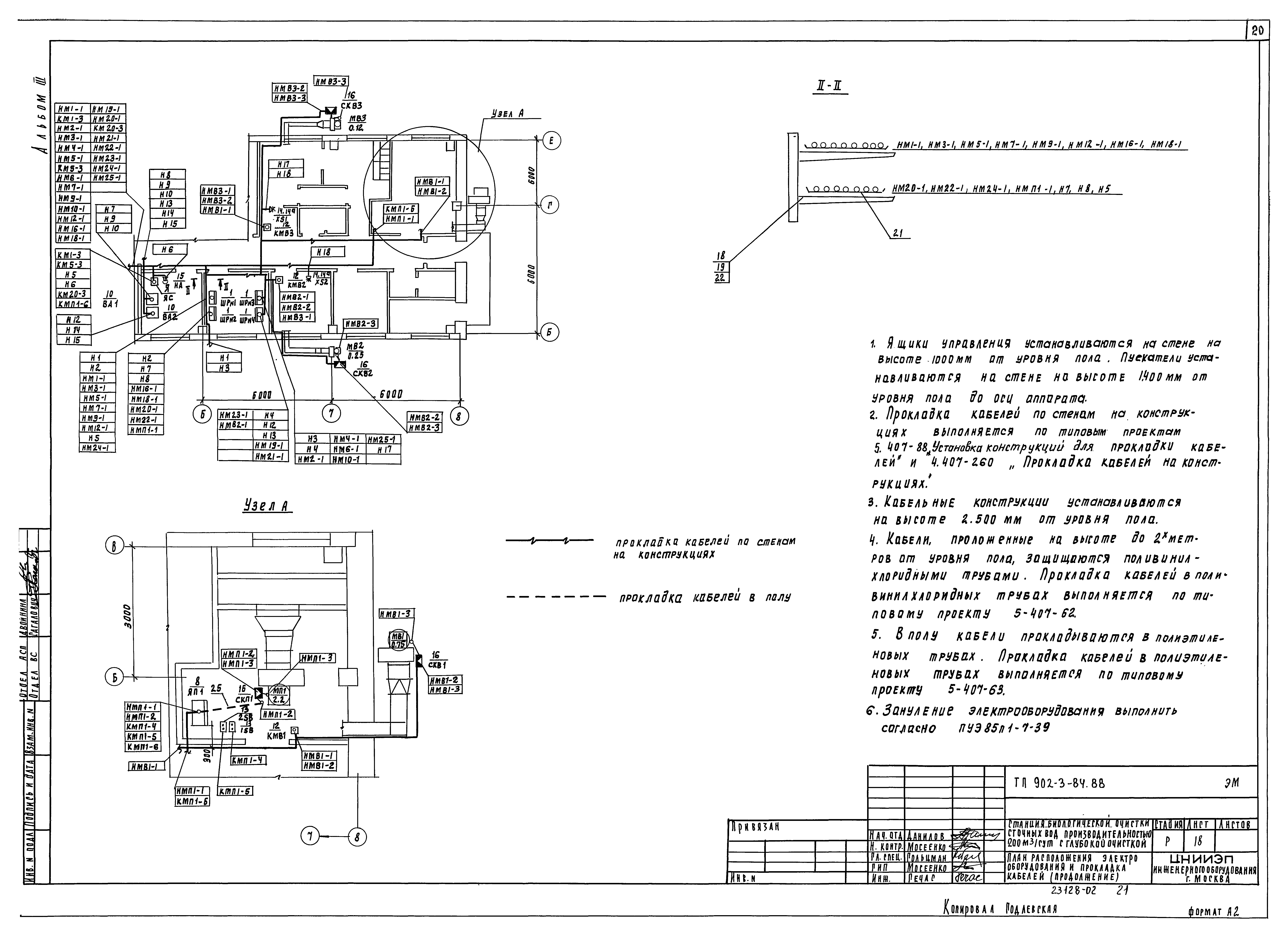
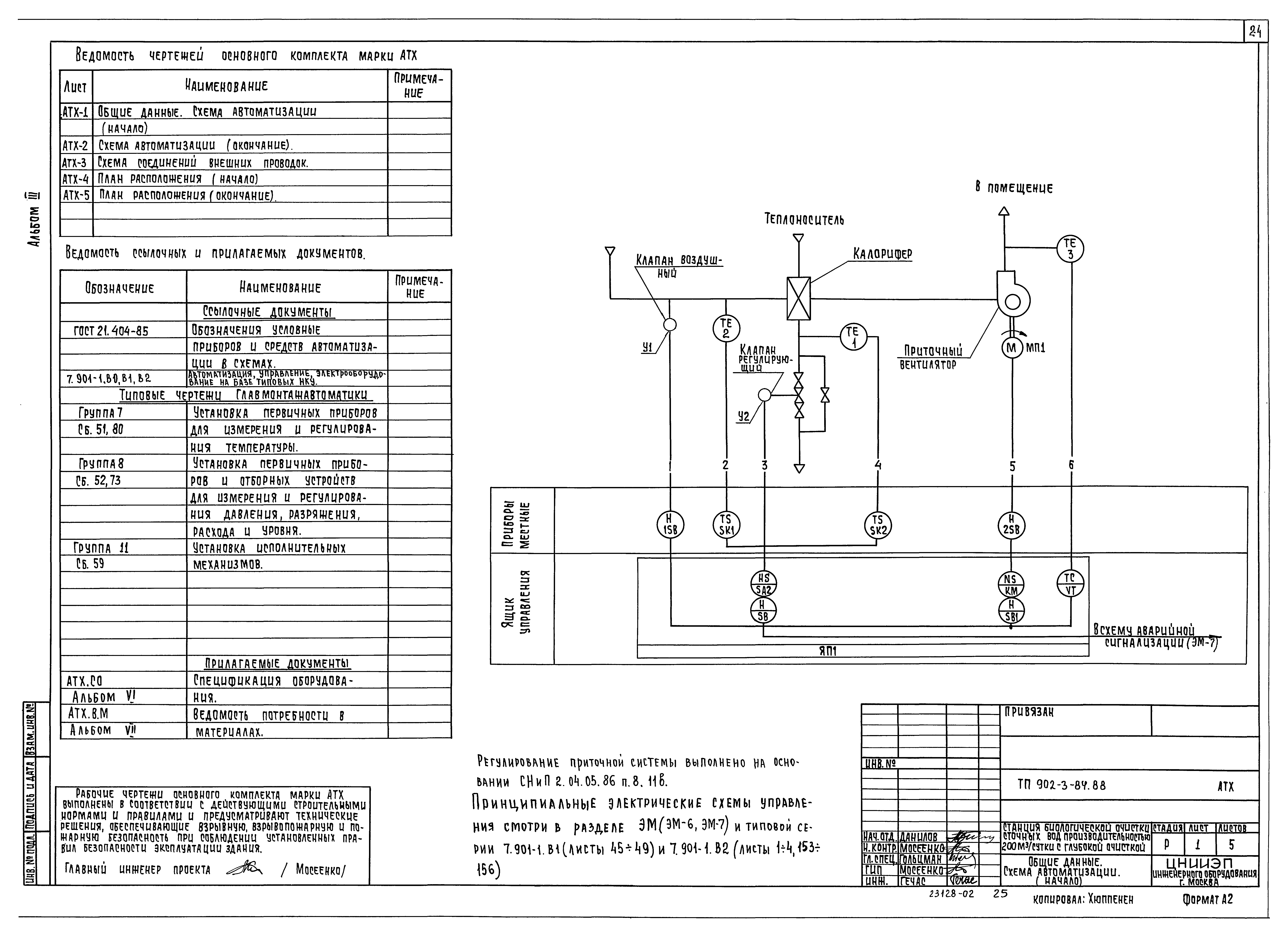
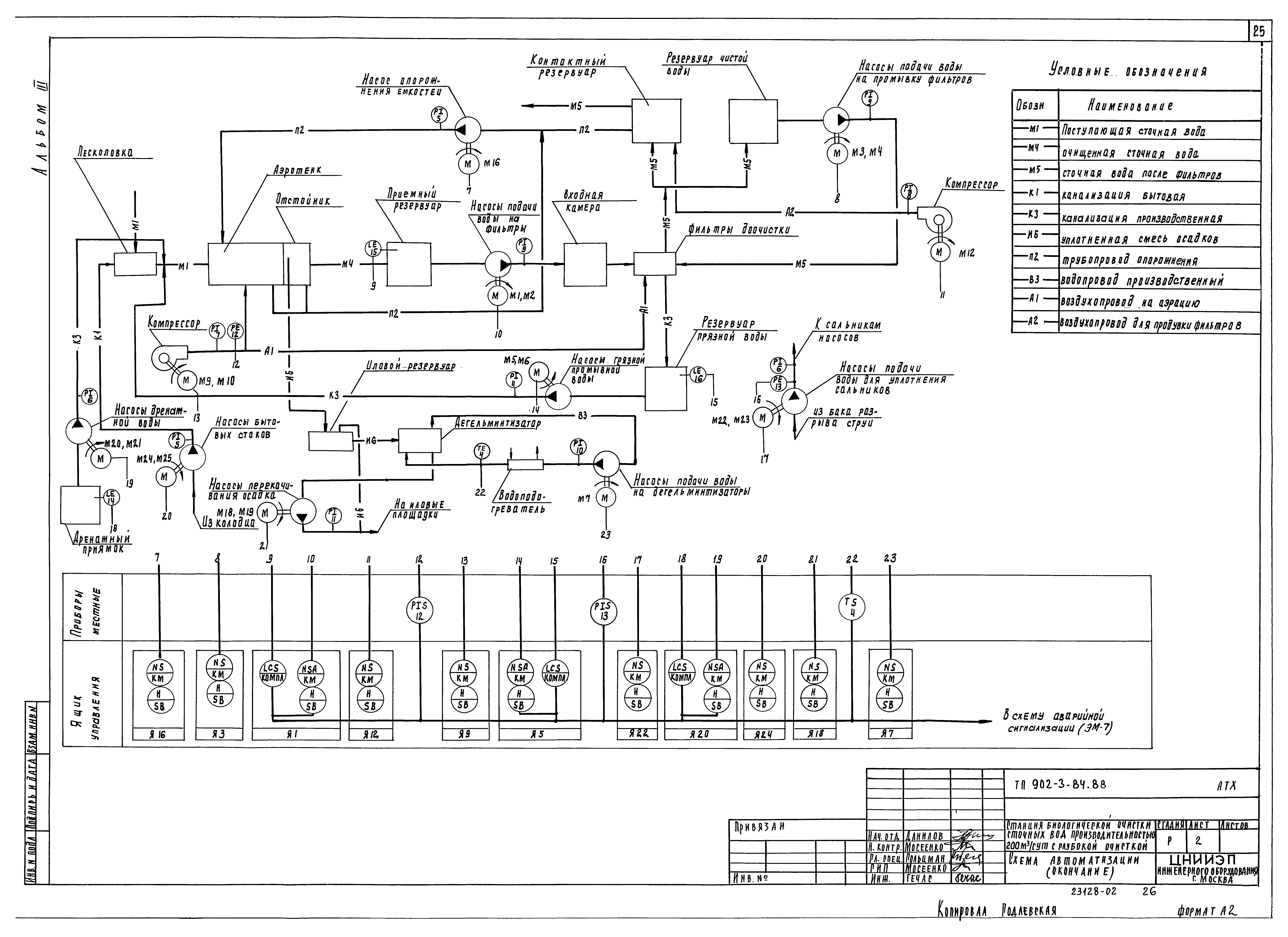
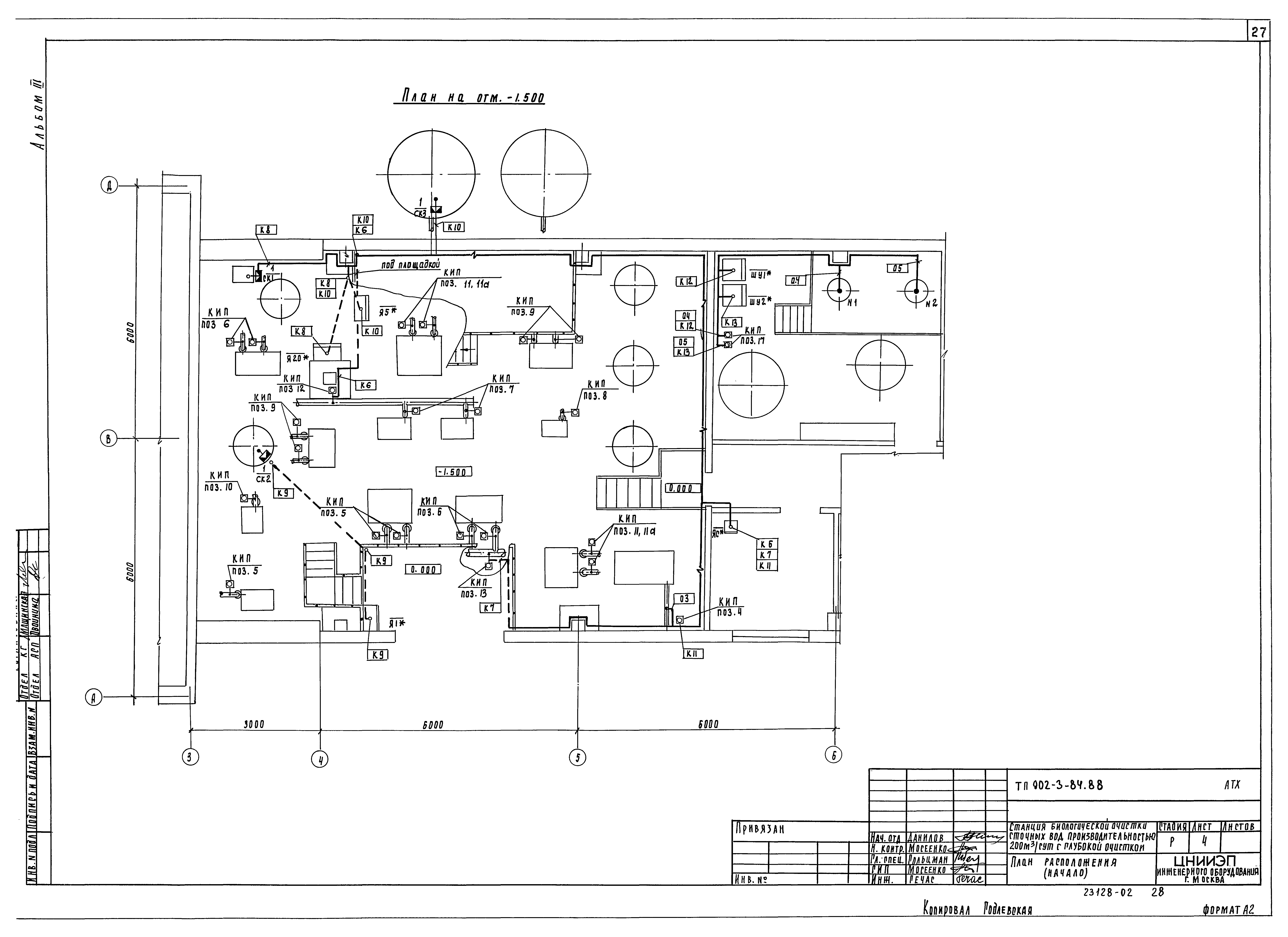
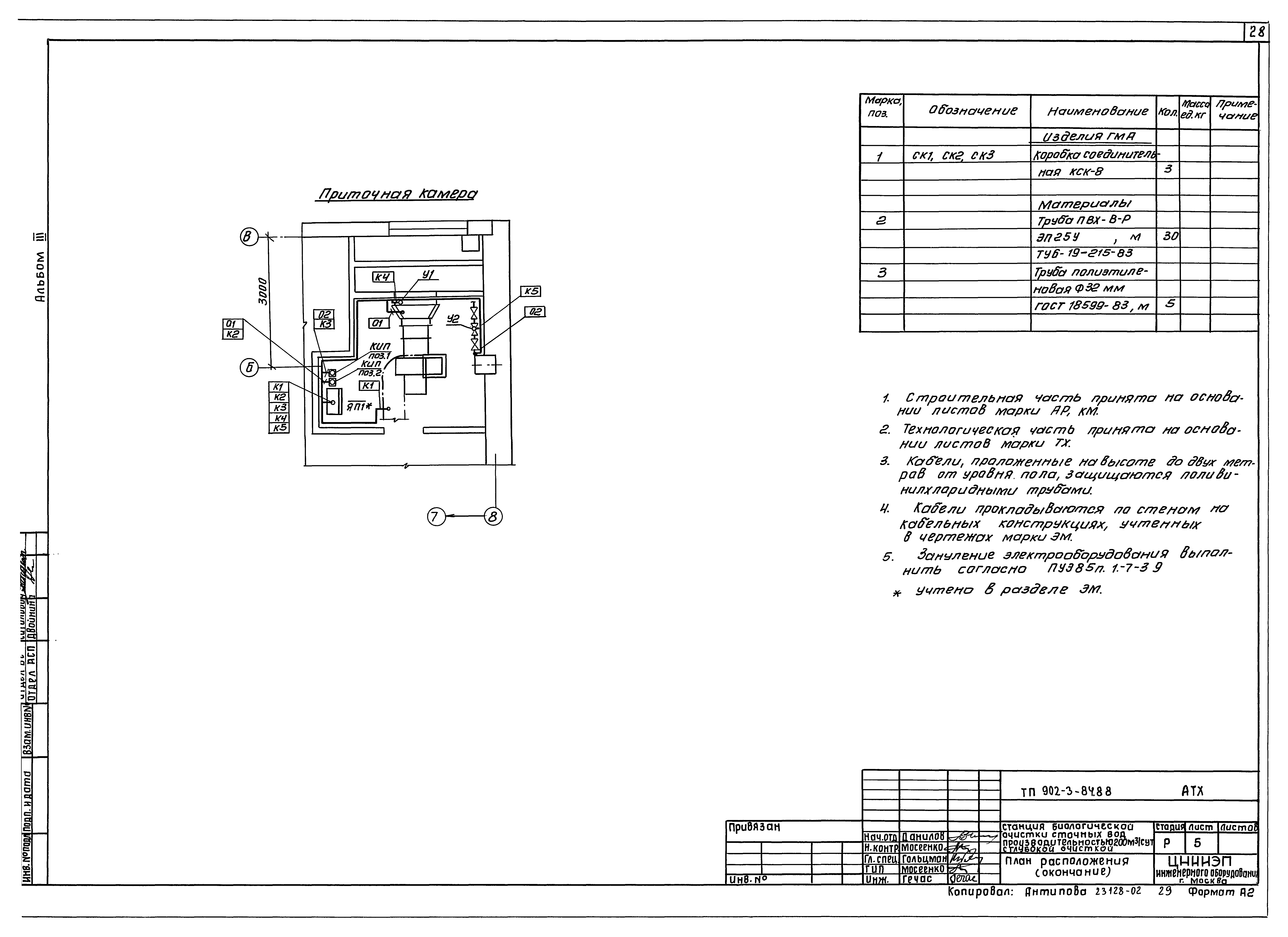
| Оглавление: | Силовое электрооборудование Общие данные Распределительная сеть 380/220 В Принципиальная схема управления насосами подачи воды для уплотнения сальников и насосами подачи воды на промывку фильтров Принципиальная схема аварийной сигнализации Схема подключения электрооборудования Кабельный журнал План расположения электрооборудования и прокладка кабелей Электрическое освещение Общие данные Электрическое освещение. План на отм. 0.000 Автоматизация Общие данные. Схема автоматизации Схема соединений внешних проводок План расположения Связь и сигнализация Общие данные. План на отм. 0.000 с сетями связи и сигнализации |
| Разработан: | ЦНИИЭП инженерного оборудования |
| Утверждён: | 10.02.1988 Госкомархитектура (38) |
| Издан: | ЦИТП Госстроя СССР (CITP, Gosstroy (USSR) 1988 г. ) |





























