Скачать Типовой проект 902-3-85.88 Альбом V. Строительные изделия (из ТП 902-3-86.88)Дата актуализации: 01.01.2021
|
| Обозначение: | Типовой проект 902-3-85.88 |
| Обозначение англ: | 902-3-85.88 |
| Статус: | не определен законодательством |
| Название рус.: | Альбом V. Строительные изделия (из ТП 902-3-86.88) |
| Дата добавления в базу: | 01.10.2014 |
| Дата актуализации: | 01.01.2021 |
| Дата введения: | 01.09.1988 |
| Дата окончания срока действия: | 30.06.2003 |
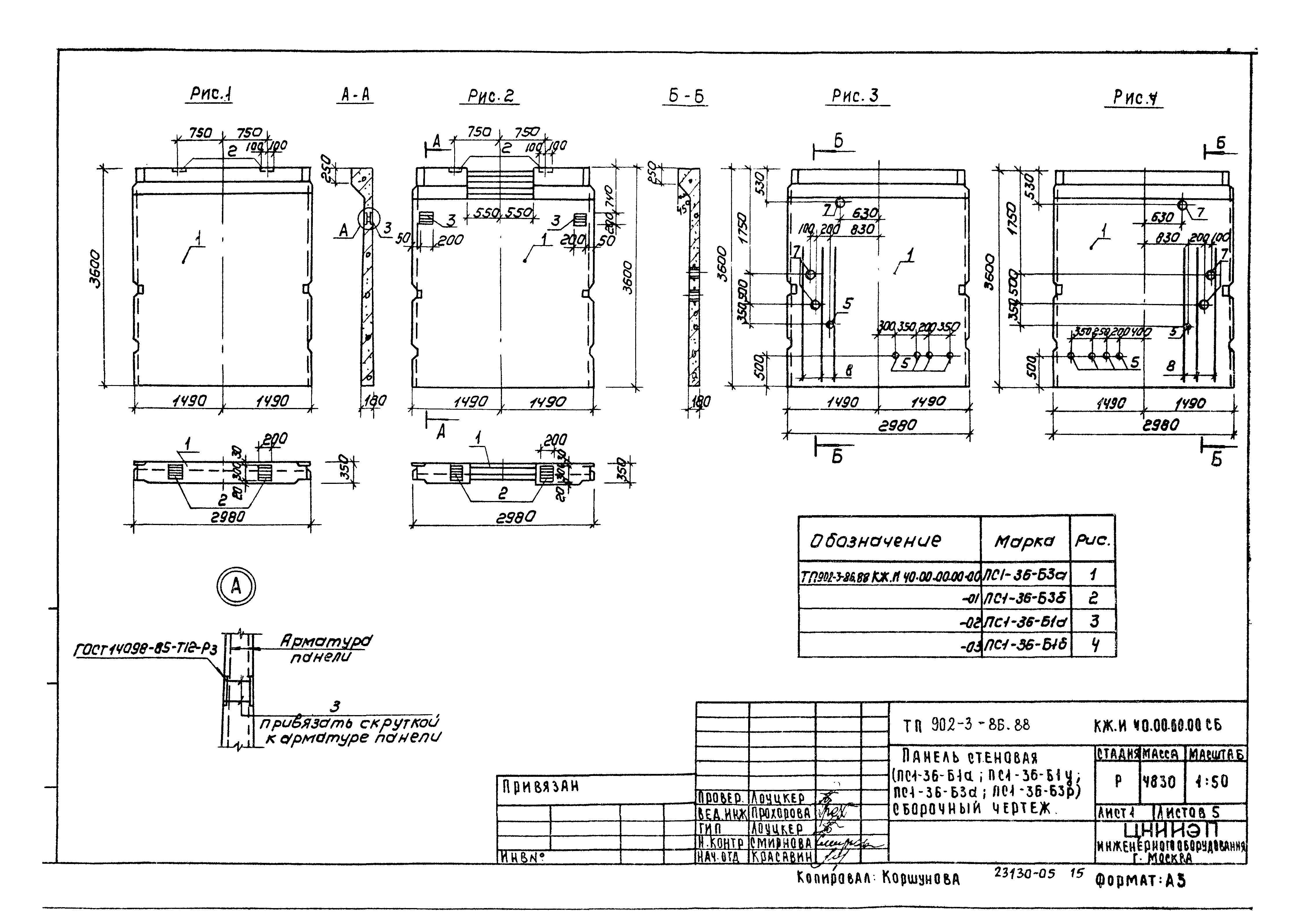
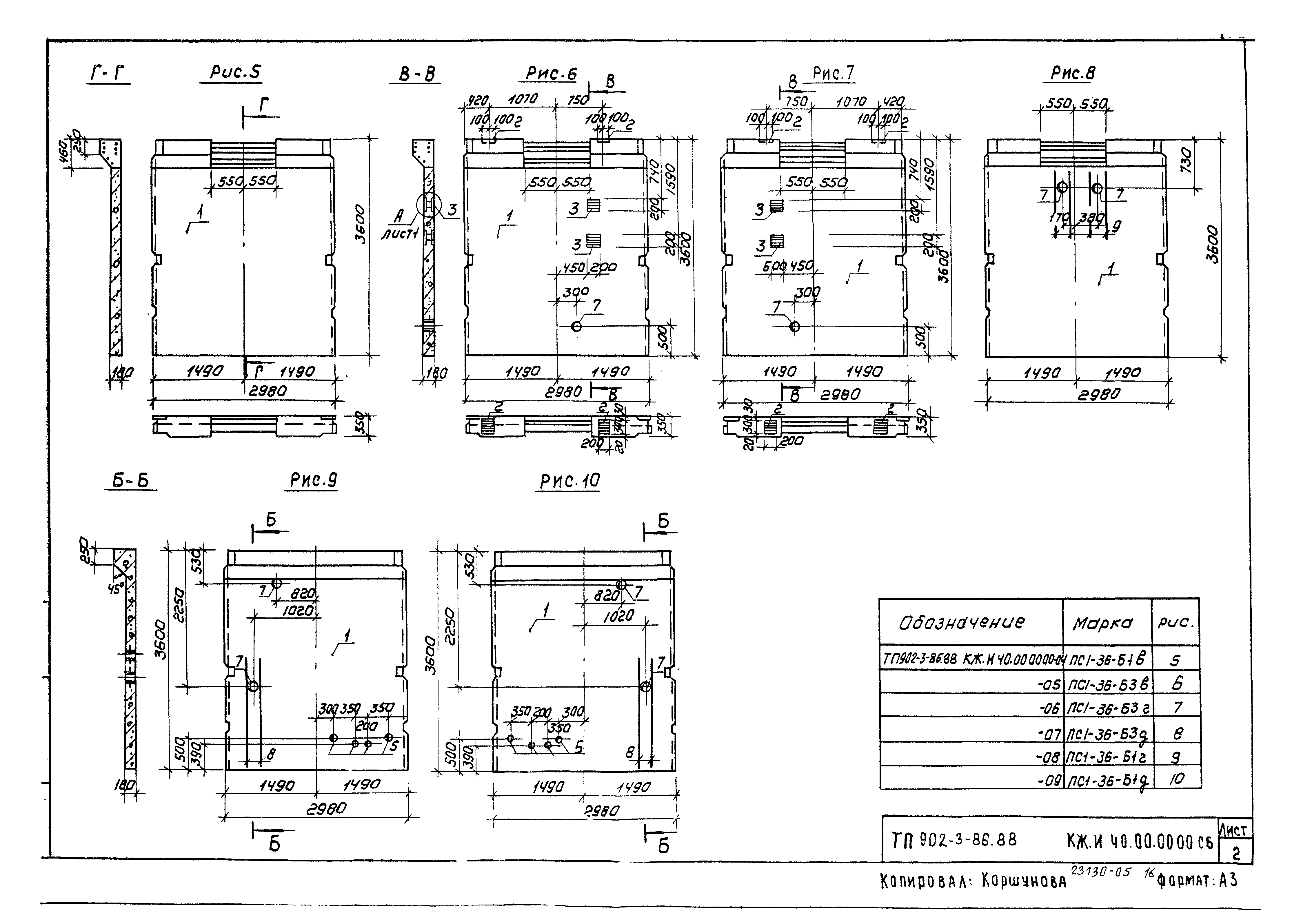
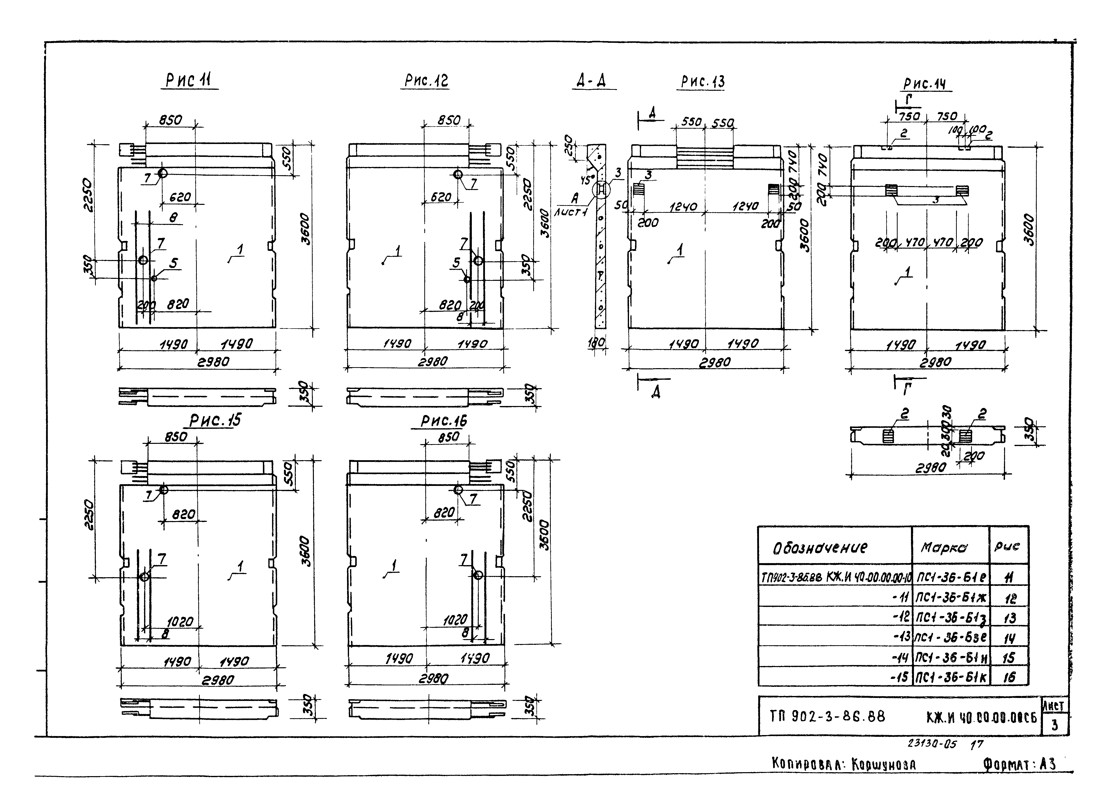
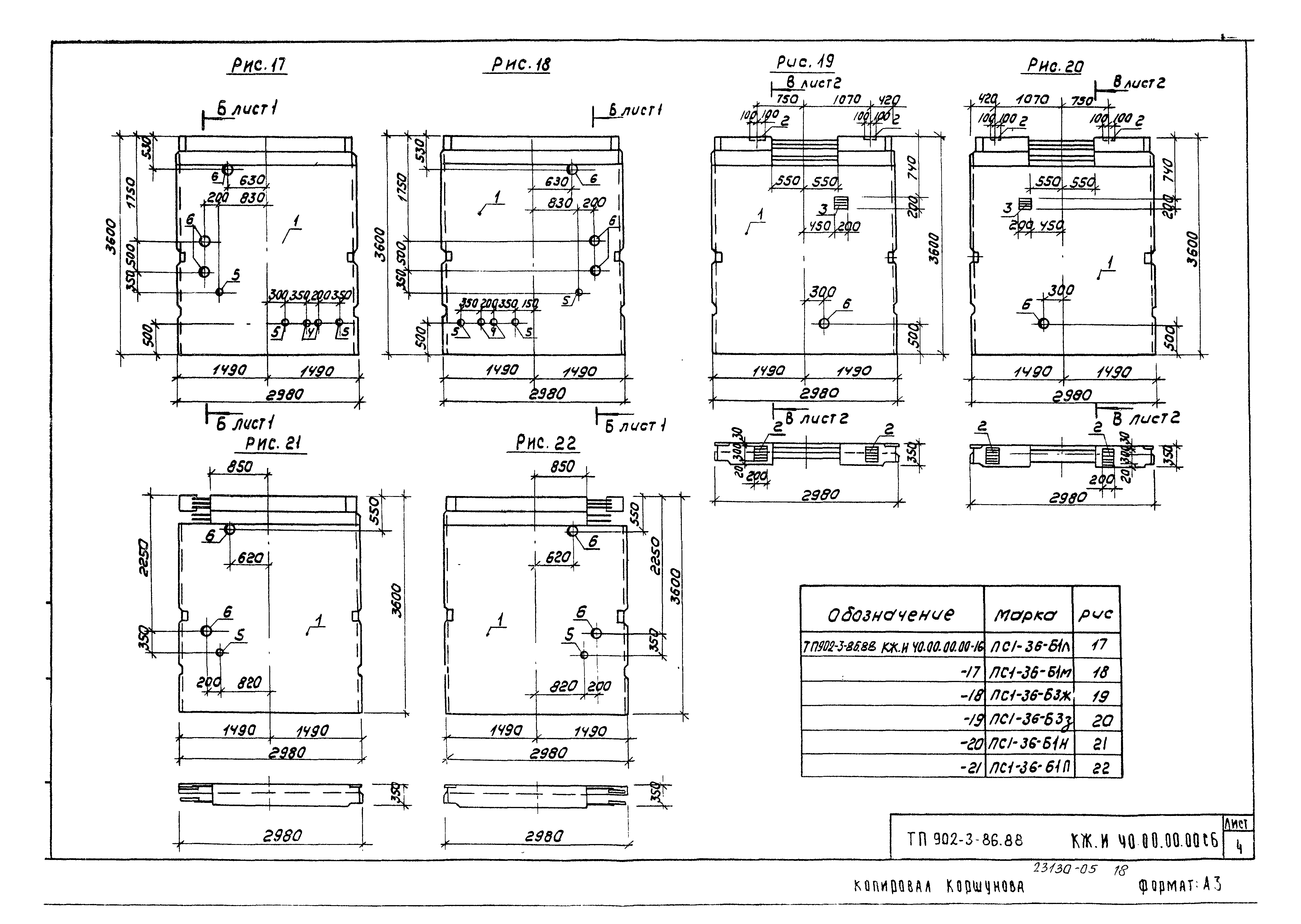
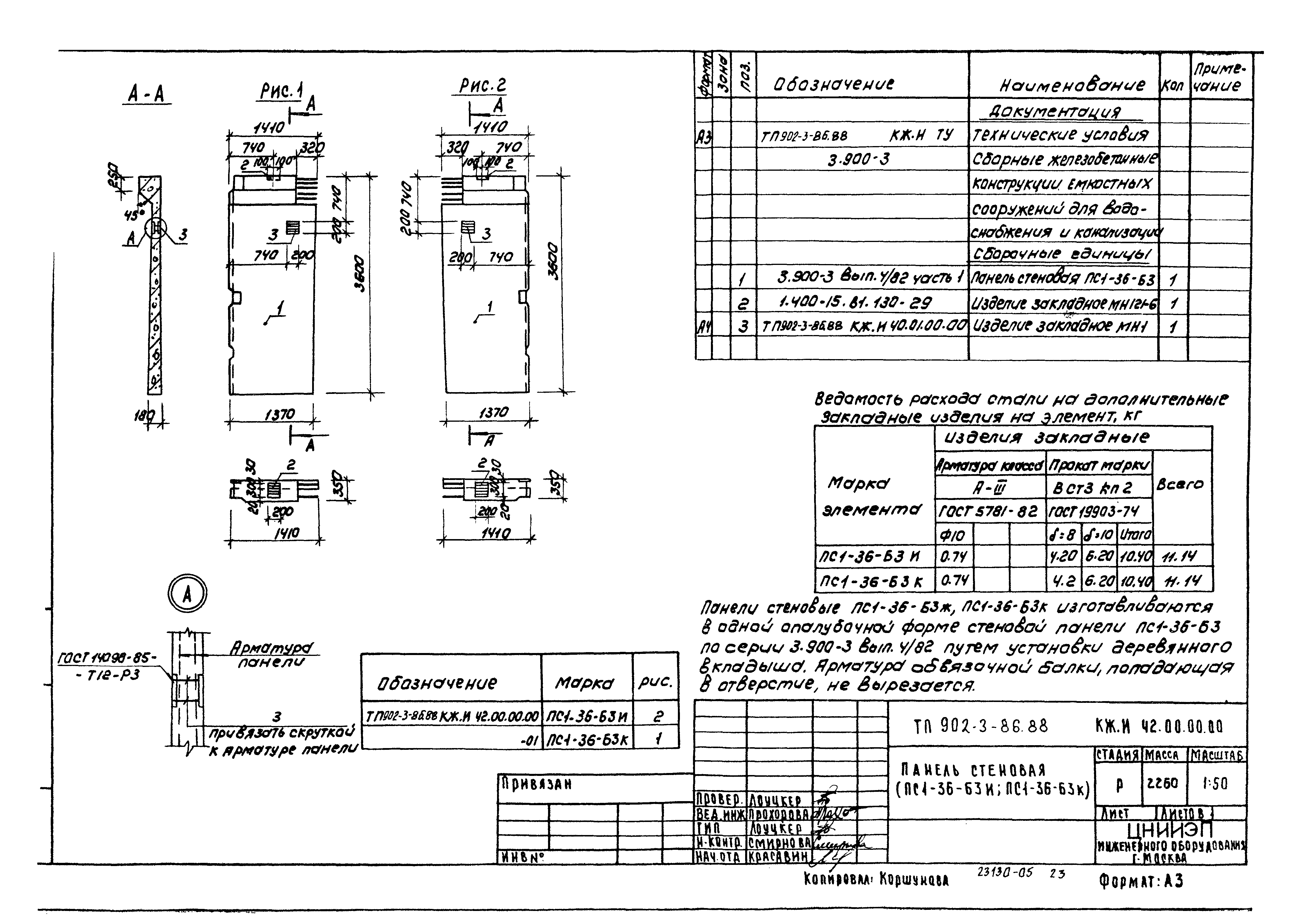
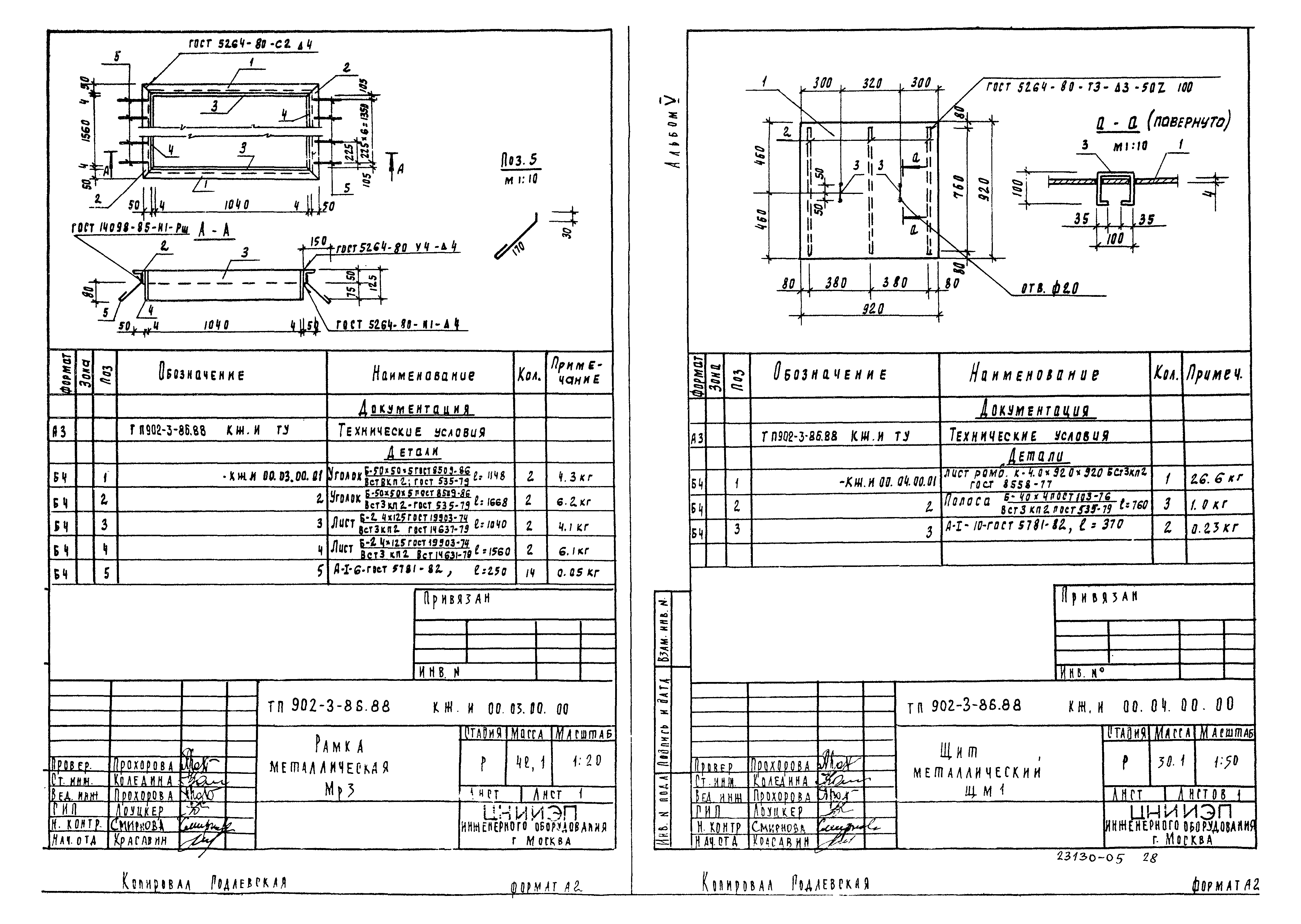
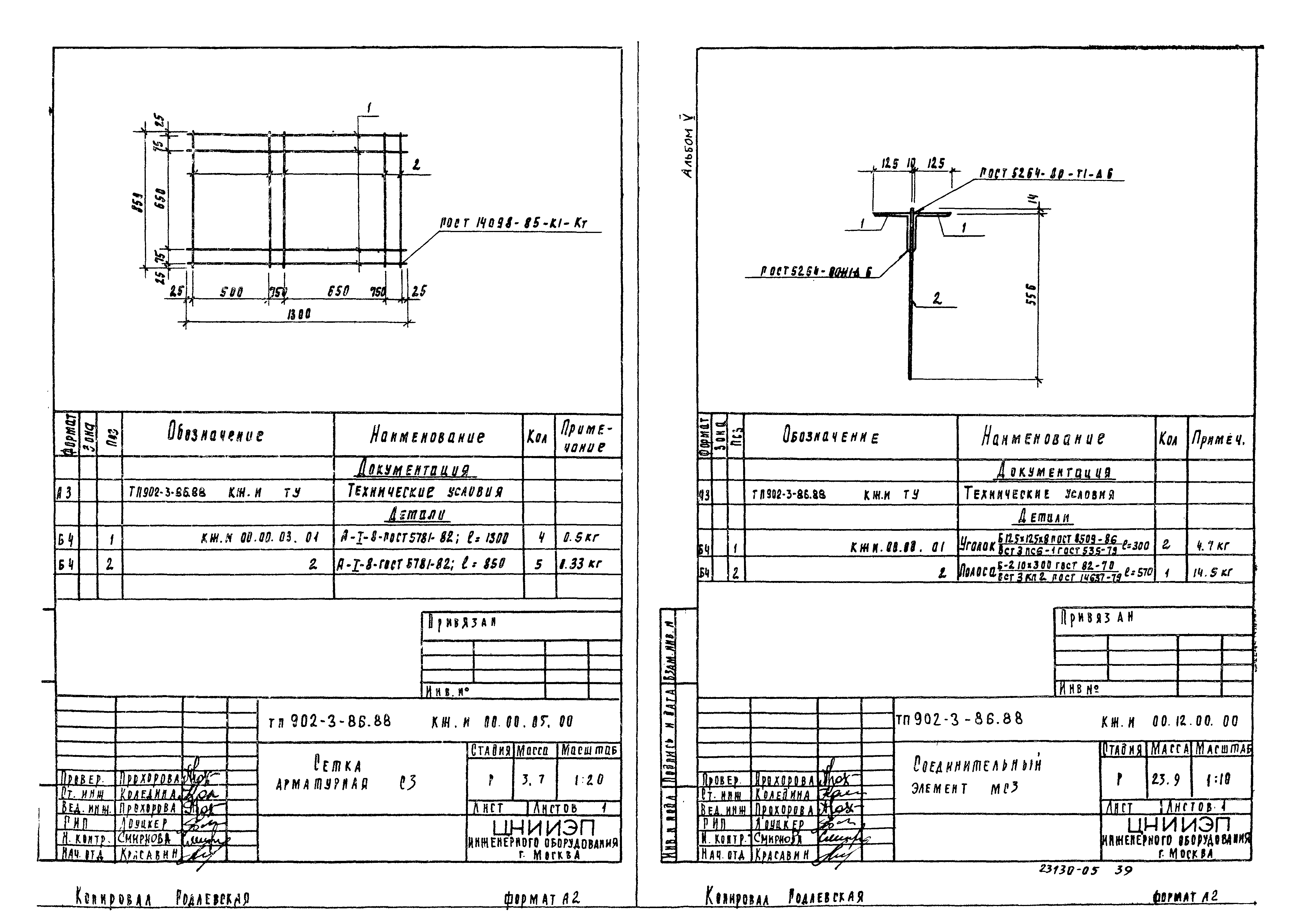
| Оглавление: | КЖИ ТУ Технические условия КЖИ.01.00.00.00 Колонна (К30-1а; К30-1б; К30-1в) КЖИ.02.00.00.00 Колонна (1КФ37-1-Н1-1) КЖИ.03.00.00.00 Колонна КФ1 КЖИ.10.00.00.00 Балка стропильная (1БСП12-3АIVт-а; 1БСП12-3АIVт-б) КЖИ.20.00.00.00 Балка обвязочная БОП-2П-а КЖИ.30.00.00.00 Плита покрытия (ПГ-2АIVт-1; ПГ-2АIVт-2; ПГ-2АIVт-3) КЖИ.31.00.00.00 Плита покрытия ПВ10-3АIVт-1 КЖИ.40.00.00.00 Панель стеновая (ПС1-36-61а…ПС1-36-Б1у; ПС1-36-630…ПС1-36-Б3р) КЖИ.40.00.00.00СБ Панель стеновая (ПС1-36-61а…ПС1-36-Б1у; ПС1-36-630…ПС1-36-Б3р). Сборочный чертеж КЖИ.40.00.00.00ВМС Ведомость расхода стали на дополнительные закладные изделия на элемент КЖИ.41.00.00.00 Панель стеновая (ПС1-36-Б1ф - ПС1-36-Б1r) КЖИ.42.00.00.00 Панель стеновая (ПС1-36-Б3и; ПС1-36-Б3к) КЖИ.43.00.00.00 Панель стеновая (ПС1-36-Б3л - ПС1-36-Б3с) КЖИ.44.00.00.00 Панель перегородочная (ПГ-36-1а; ПГ-36-1б) КЖИ.03.02.00.00 Изделие закладное МД1 КЖИ.40.01.00.00 Изделие закладное МН1 КЖИ.00.01.00.00 Рамка металлическая МР1 КЖИ.00.02.00.00 Рамка металлическая МР2 КЖИ.00.03.00.00 Рамка металлическая МР3 КЖИ.00.04.00.00 Щит металлический ЩМ1 КЖИ.00.05.00.00 Лоток (Лт1, Лт2, Лт3, Лт4) КЖИ.00.06.00.00 Лоток (Лт5, Лт6, Лт7, Лт8) КЖИ.00.07.00.00 Щит струенаправляющий Щ1 КЖИ.00.12.00.00 Жалюзийная решетка ЖР1 КЖИ.03.01.00.00 Каркас пространственный КПК1 КЖИ.03.01.01.00 Каркас плоский КрК1 КЖИ.00.09.00.00 Каркас пространственный (КП1, КП2) КЖИ.00.09.01.00 Каркас плоский Кр1 КЖИ.00.10.00.00 Каркас пространственный (КП3, КП4) КЖИ.00.10.01.00 Каркас плоский Кр2 КЖИ.00.11.00.00 Каркас пространственный КП5 КЖИ.00.11.01.00 Каркас плоский Кр3 КЖИ.00.00.01.00 Каркас плоский (Кр4, Кр5) КЖИ.00.00.02.00 Каркас плоский Кр6 КЖИ.00.00.03.00 Сетка арматурная С1 КЖИ.00.00.04.00 Сетка арматурная С2 КЖИ.00.00.05.00 Сетка арматурная С3 КЖИ.00.13.00.00 Соединительный элемент МС3 КЖИ.00.00.06.00 Сетка арматурная С4 КЖИ.00.00.07.00 Сетка арматурная С5 КЖИ.00.00.08.00 Сетка арматурная С6 КЖИ.00.00.09.00 Сетка арматурная С7 КЖИ.00.00.00.01 Соединительный элемент МС2 КЖИ.00.00.00.02 Соединительный элемент МС1 КЖИ.00.14.00.00 Соединительный элемент МС4 |
| Разработан: | ЦНИИЭП инженерного оборудования |
| Утверждён: | 10.02.1988 Госкомархитектура (38) |











































