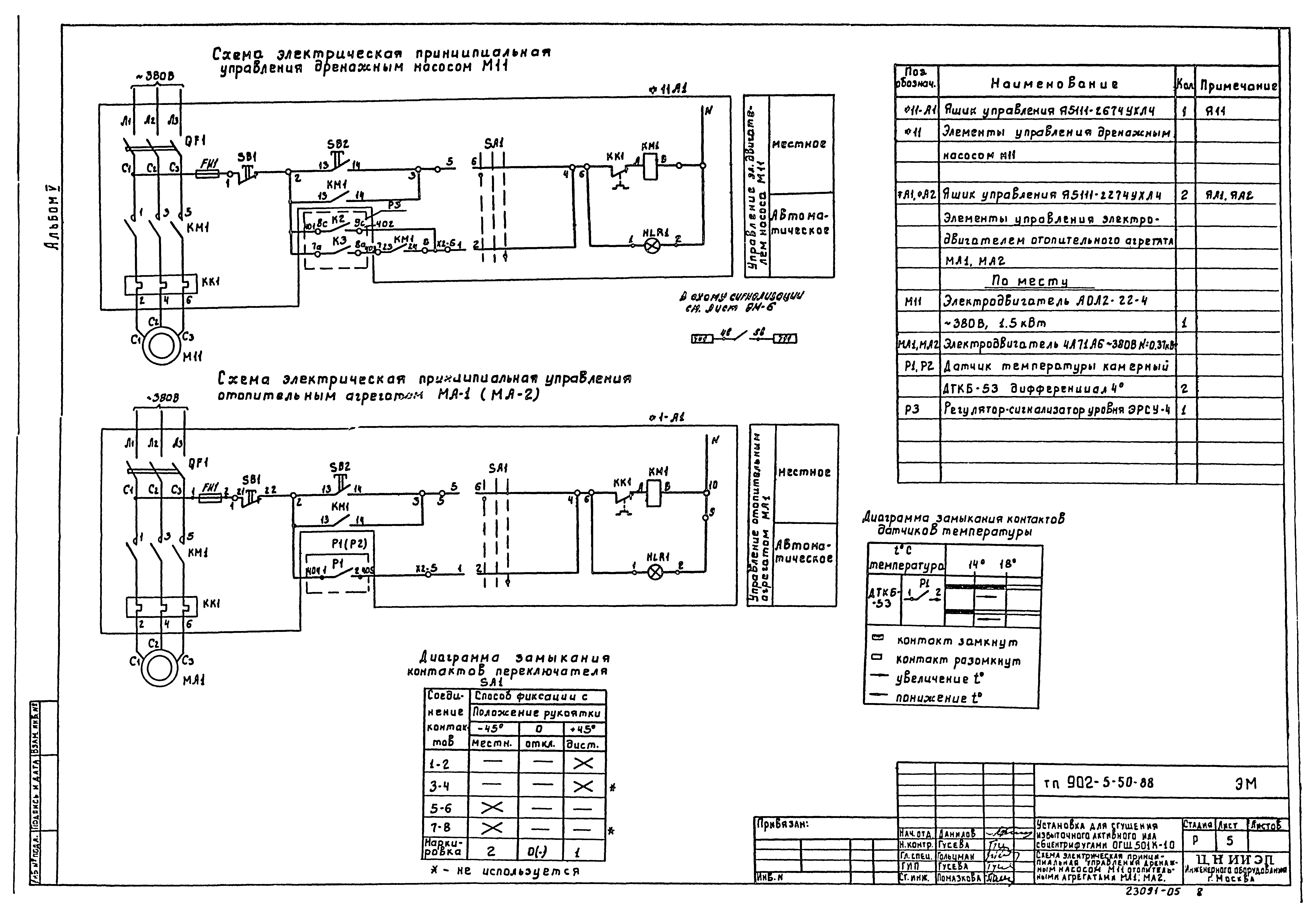
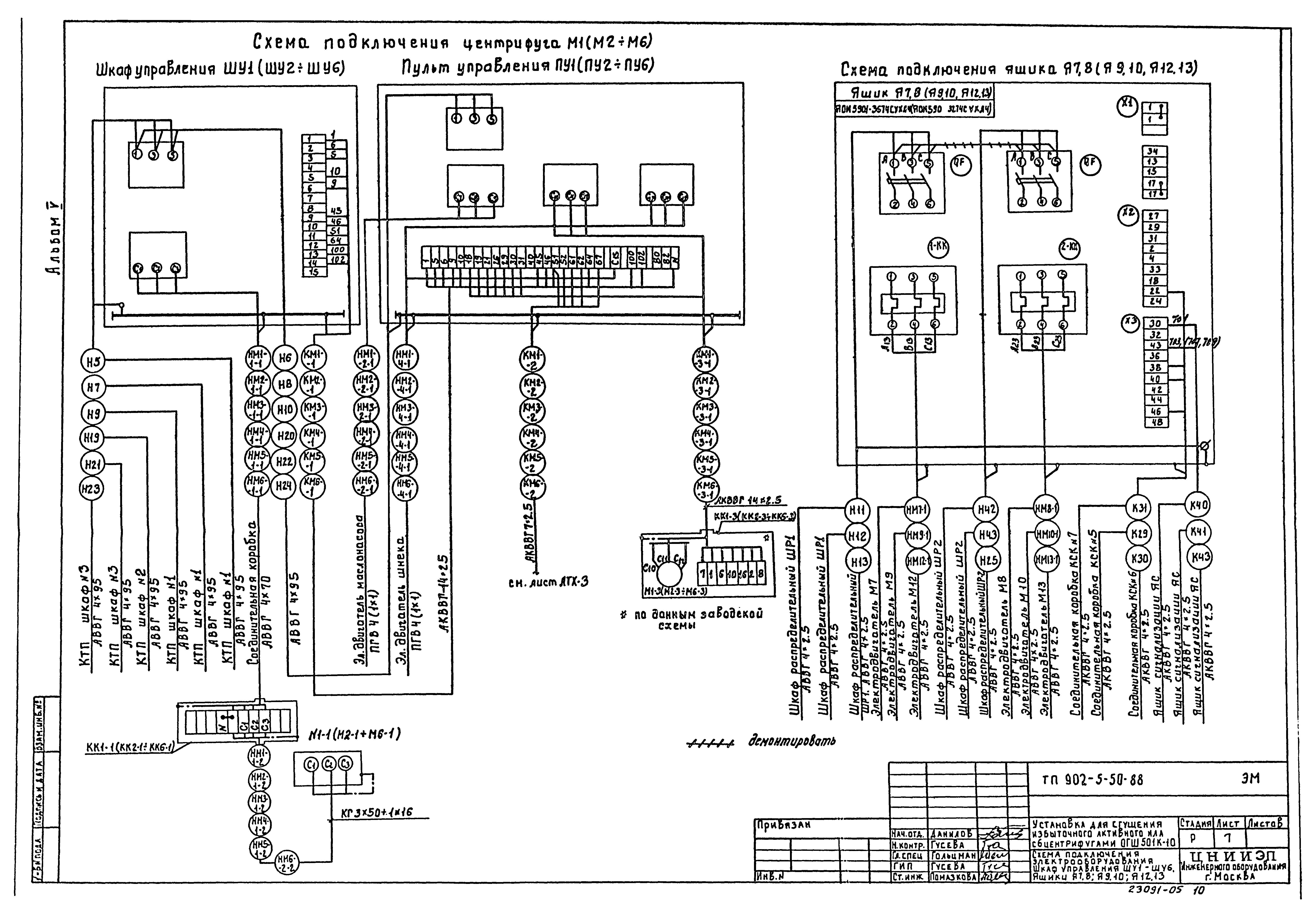
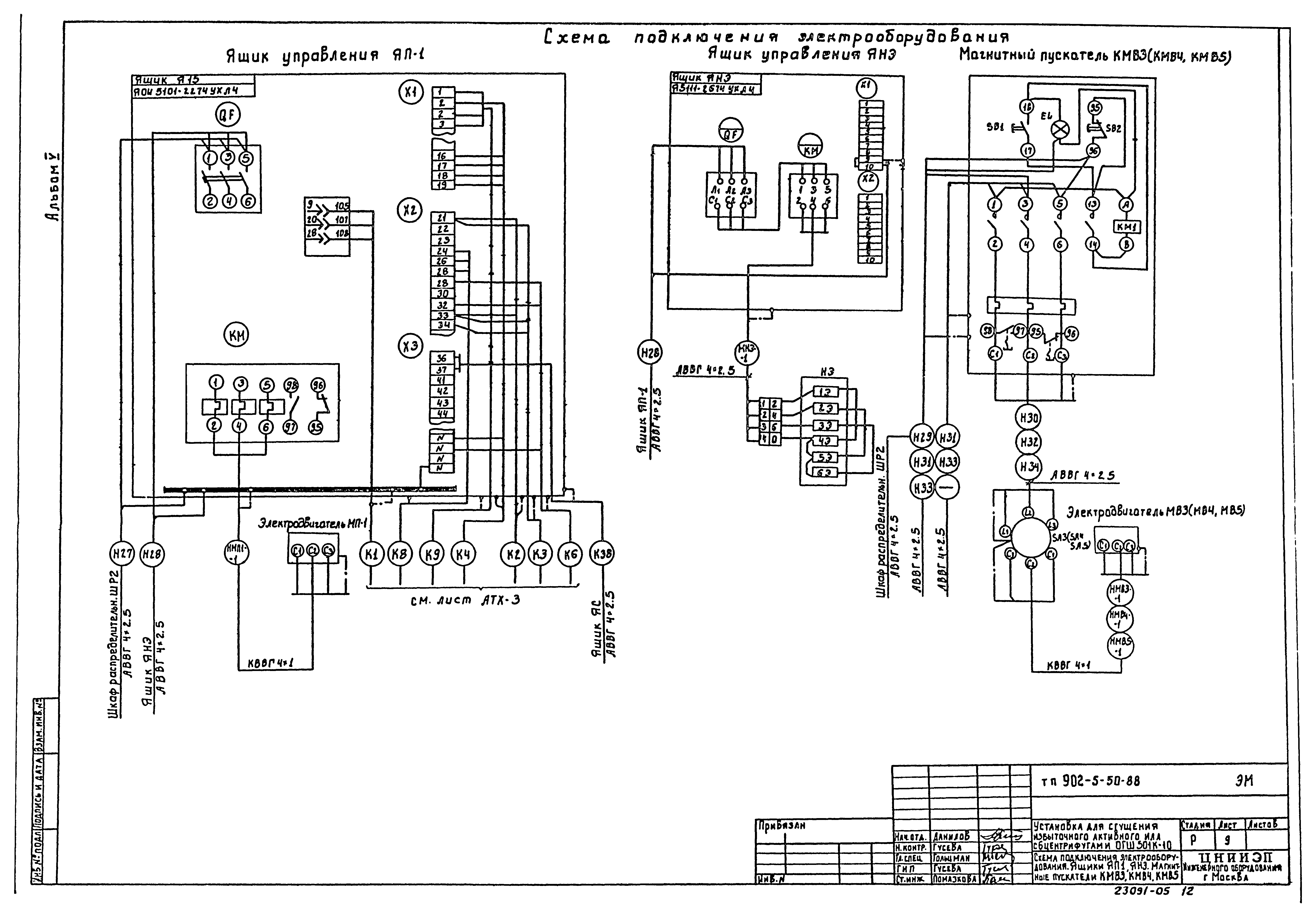
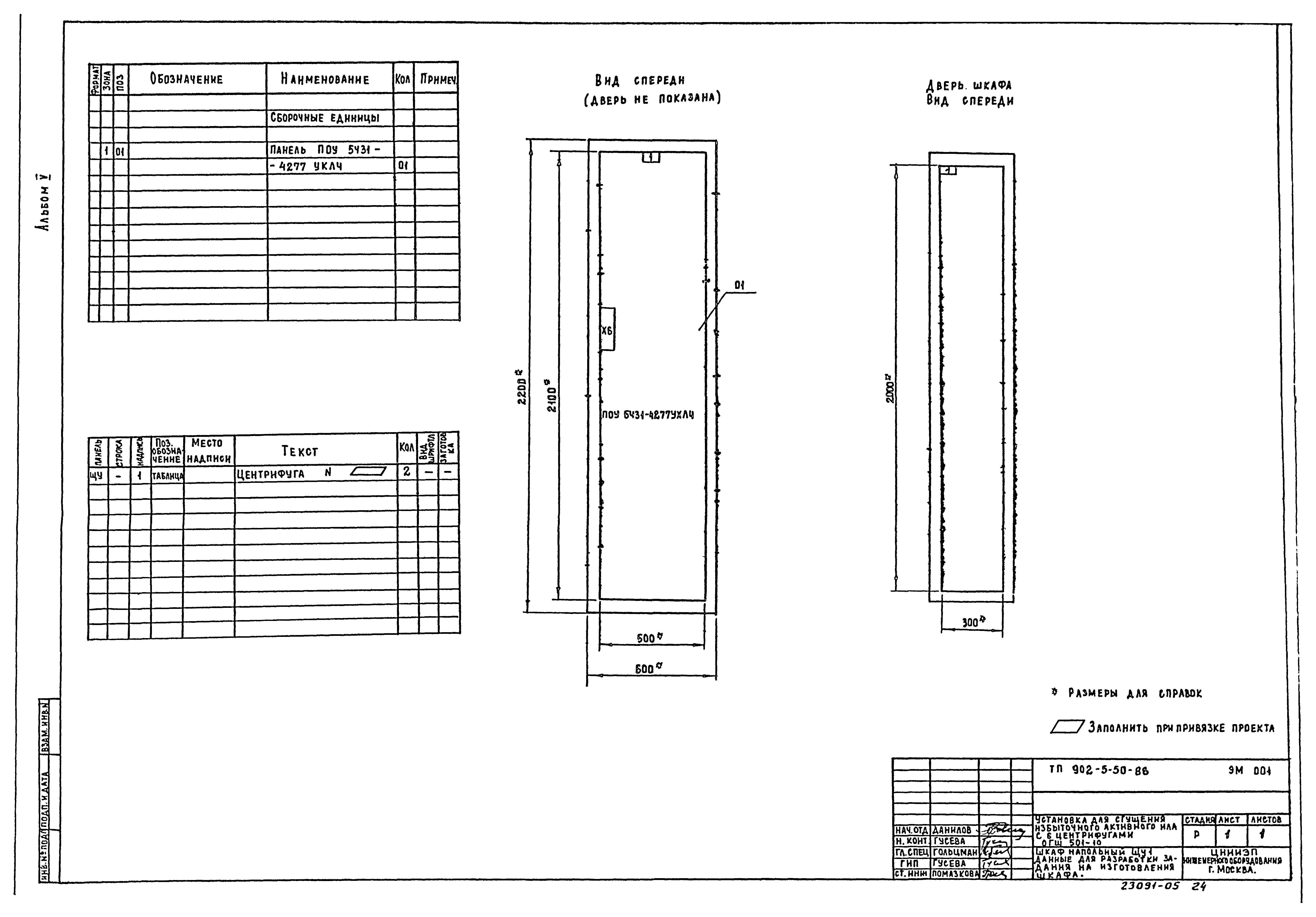
Скачать Типовой проект 902-5-50.88 Альбом V. Электротехническая часть. Автоматизация. Связь и сигнализацияДата актуализации: 01.01.2021
|
| Обозначение: | Типовой проект 902-5-50.88 |
| Обозначение англ: | 902-5-50.88 |
| Статус: | не определен законодательством |
| Название рус.: | Альбом V. Электротехническая часть. Автоматизация. Связь и сигнализация |
| Дата добавления в базу: | 21.05.2015 |
| Дата актуализации: | 01.01.2021 |
| Дата введения: | 01.09.1988 |
| Дата окончания срока действия: | 30.06.2003 |
| Разработан: | ЦНИИЭП инженерного оборудования |
| Утверждён: | 15.03.1988 Госкомархитектура (63) |
| Издан: | ЦИТП Госстроя СССР (CITP, Gosstroy (USSR) 1989 г. ) |
| Нормативные ссылки: |
































