Скачать Типовой проект 704-2-49.88 Альбом 1. Часть 2. Пояснительная записка. Строительные решения (вариант в блоках)Дата актуализации: 01.01.2021
|
| Обозначение: | Типовой проект 704-2-49.88 |
| Обозначение англ: | 704-2-49.88 |
| Статус: | не определен законодательством |
| Название рус.: | Альбом 1. Часть 2. Пояснительная записка. Строительные решения (вариант в блоках) |
| Дата добавления в базу: | 01.09.2013 |
| Дата актуализации: | 01.01.2021 |
| Дата введения: | 30.08.1988 |
| Дата окончания срока действия: | 30.06.2003 |
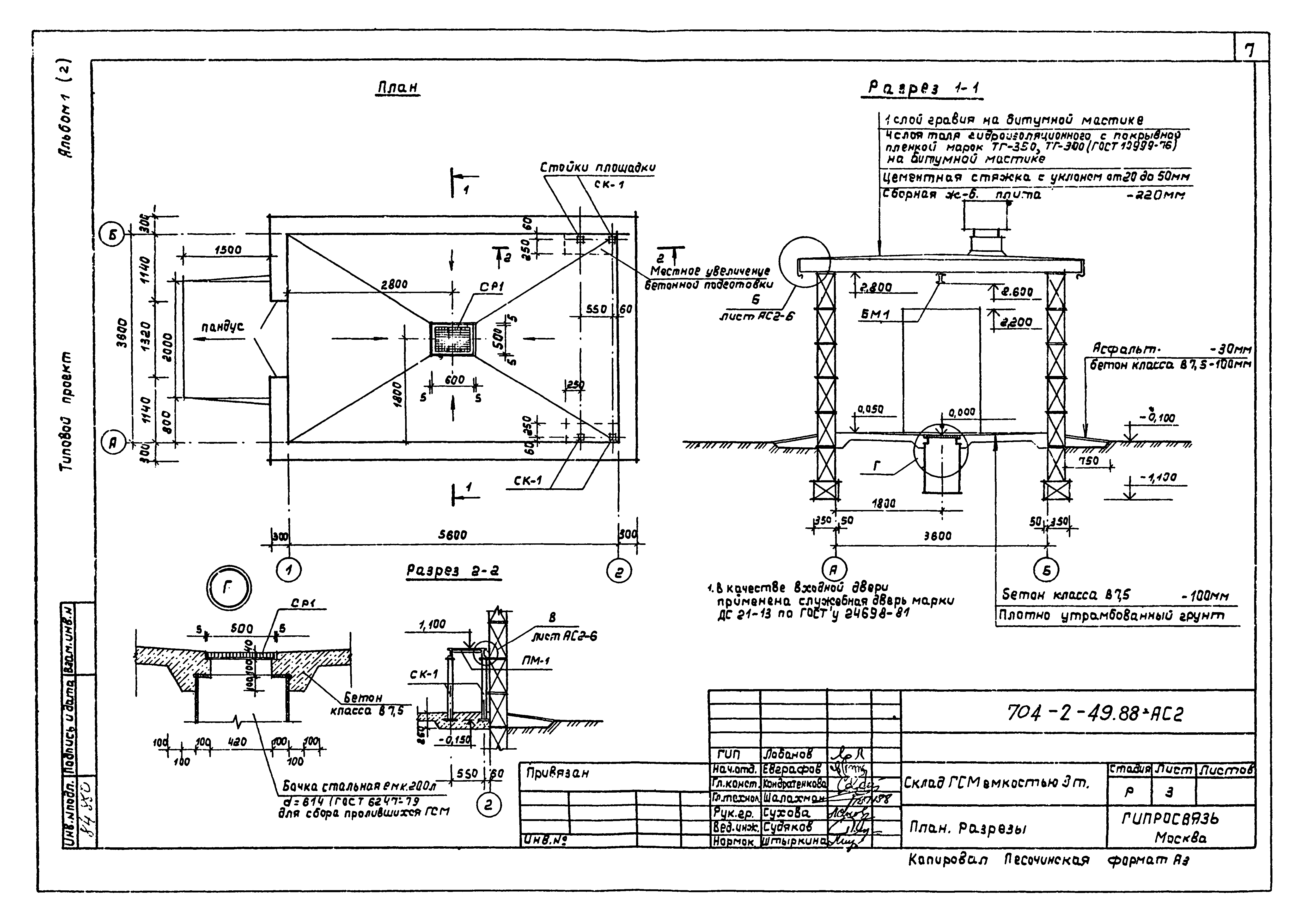
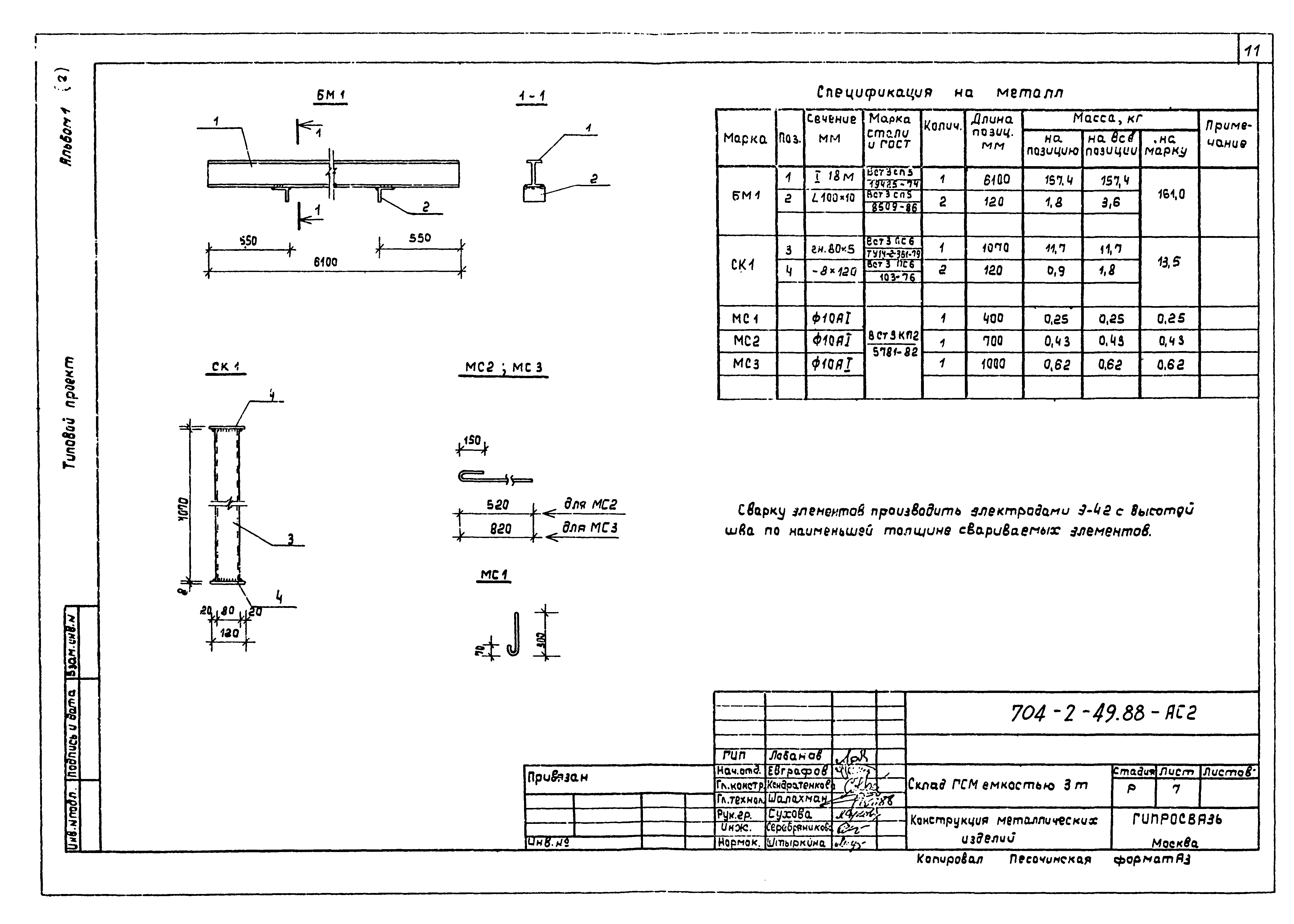
| Оглавление: | Пояснительная записка Общие данные План. Разрезы Фасады Схемы расположения элементов фундаментов и стен Схемы расположения элементов покрытия, план кровли, узлы, сечения Конструкции металлических изделий Вентиляция. План на отм. 0.000. Схема системы В-1 План расположения и схема включения извещателей РИД-6м План. Электроосвещение Ведомость потребности в материалах Спецификация оборудования |
| Разработан: | Гипросвязь |
| Утверждён: | 22.08.1988 Министерство связи СССР |





















