Скачать Типовые проектные решения 903-9-019.88 Альбом I. Защитные конструкции баков-аккумуляторов по типовым проектам 903-9-12сп.86 - 903-9-17сп.86Дата актуализации: 01.01.2021
|
| Обозначение: | Типовые проектные решения 903-9-019.88 |
| Обозначение англ: | 903-9-019.88 |
| Статус: | справочные материалы, мп, тпр |
| Название рус.: | Альбом I. Защитные конструкции баков-аккумуляторов по типовым проектам 903-9-12сп.86 - 903-9-17сп.86 |
| Дата добавления в базу: | 01.09.2013 |
| Дата актуализации: | 01.01.2021 |
| Дата введения: | 01.08.1988 |
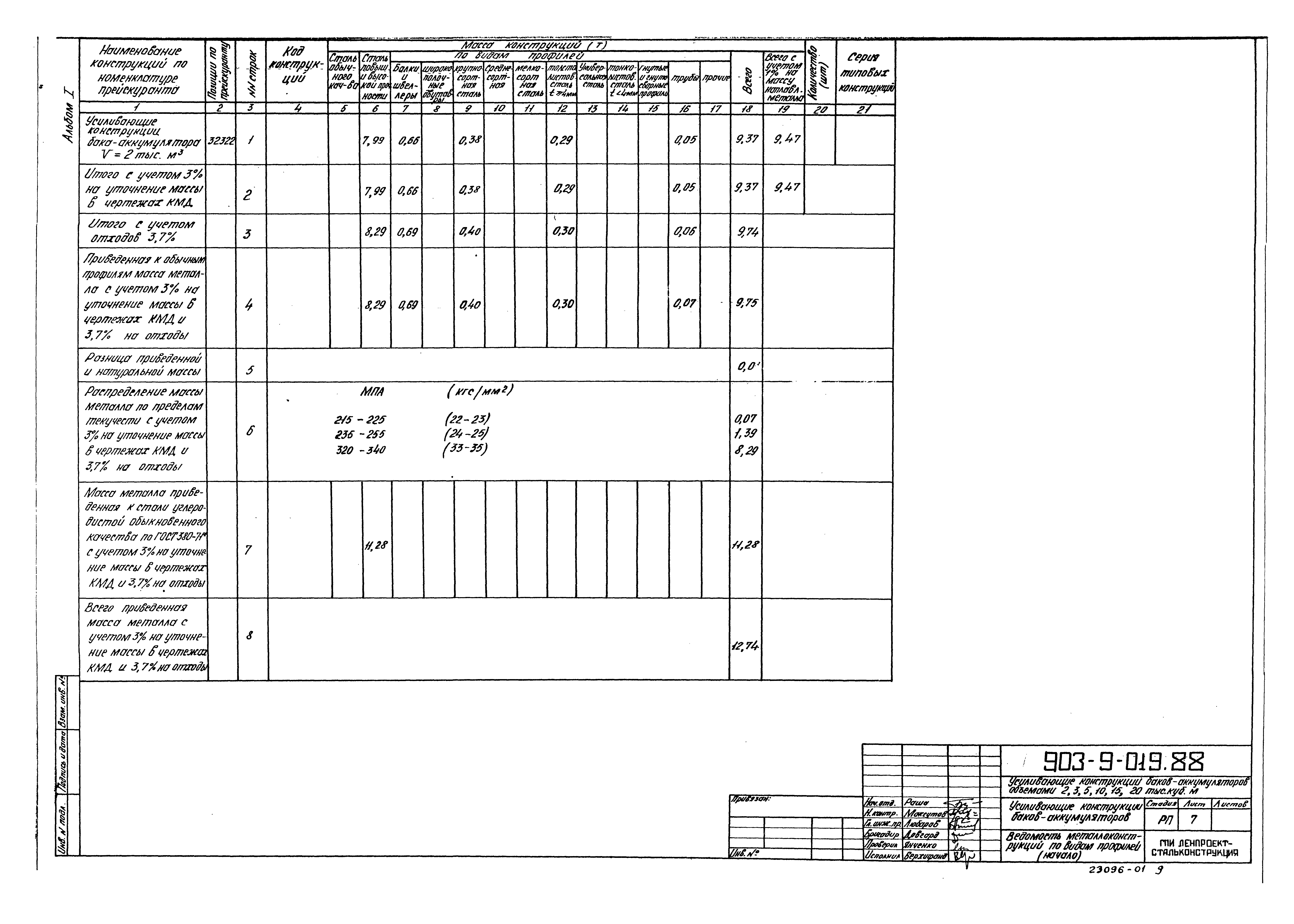
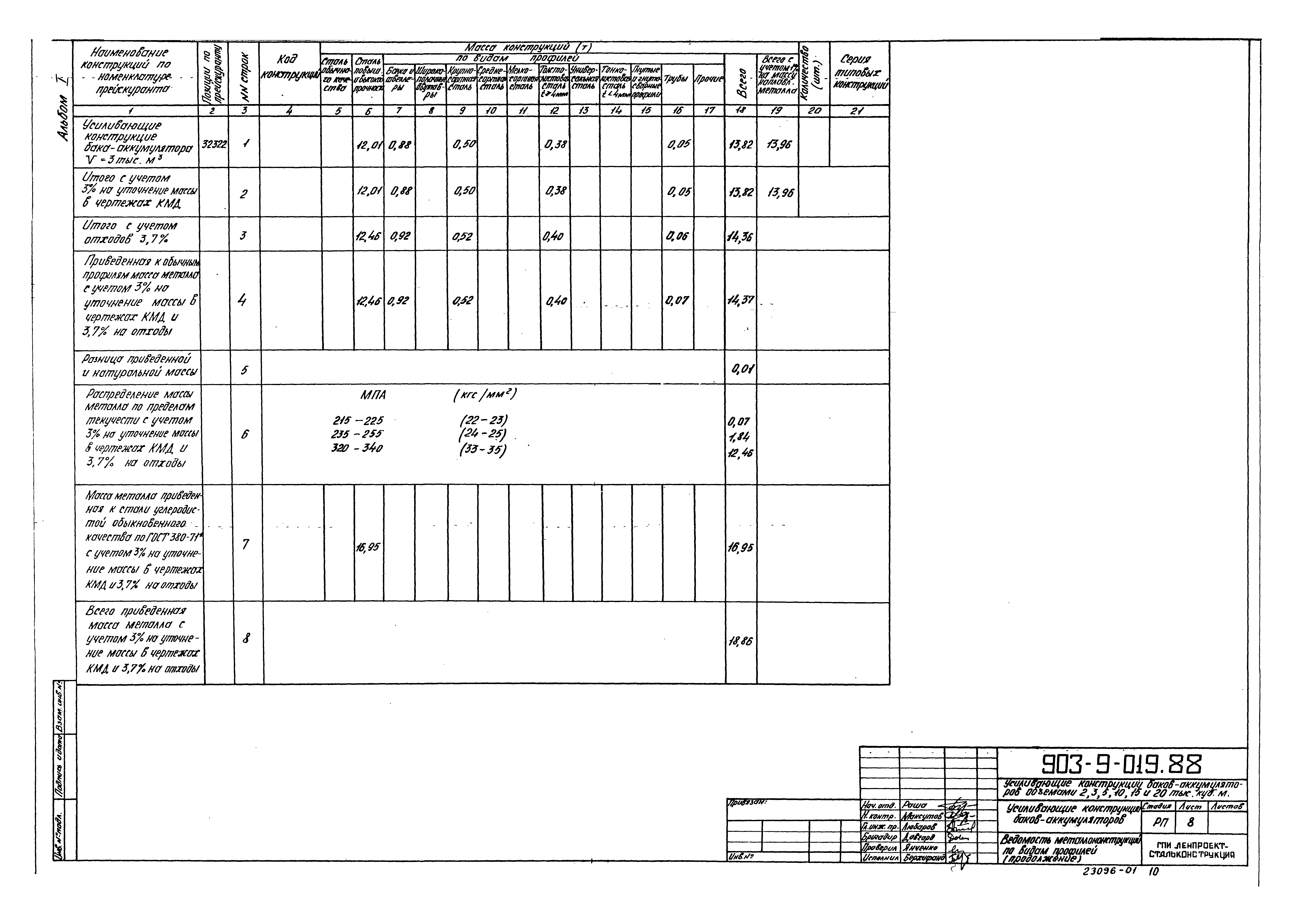
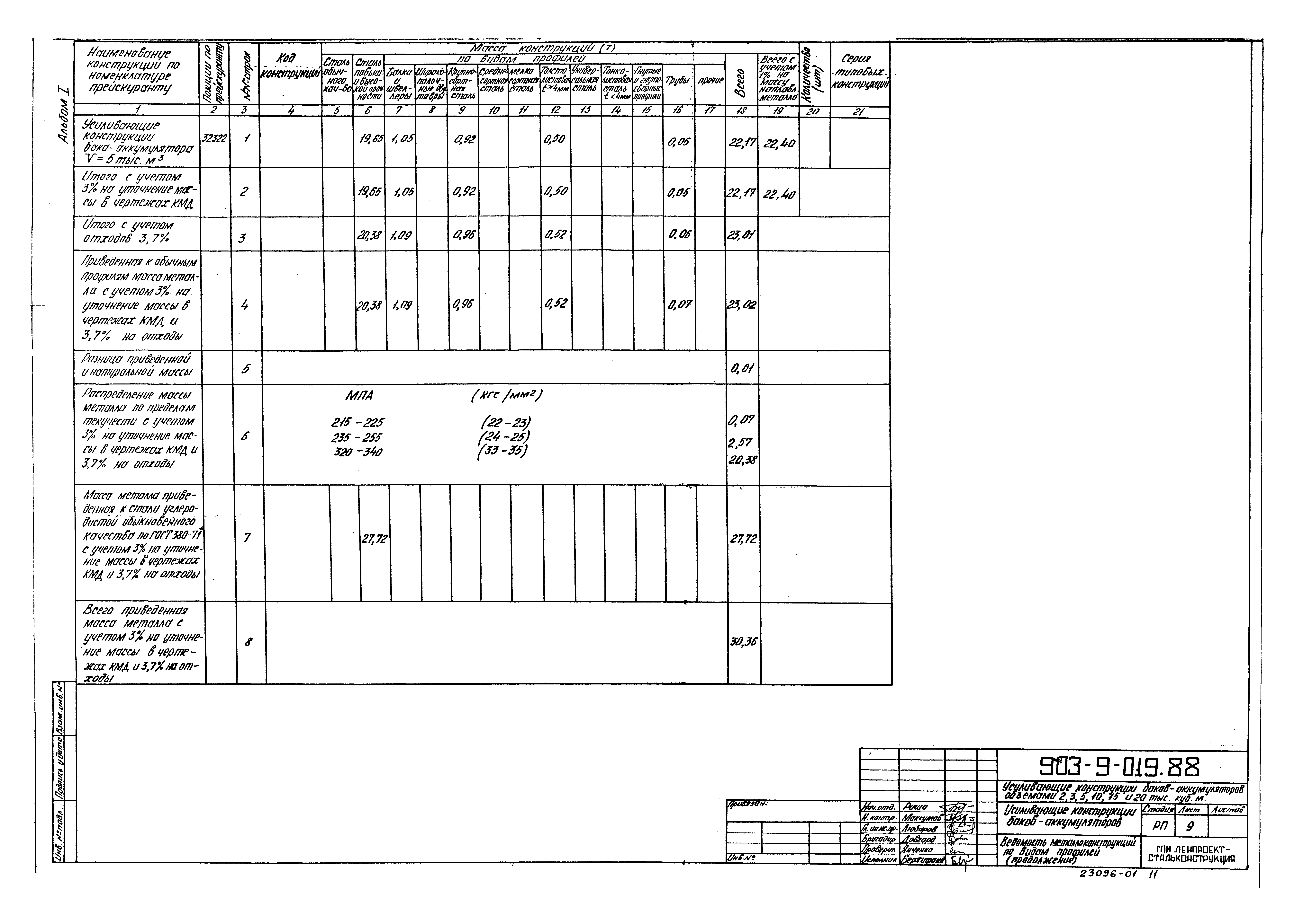
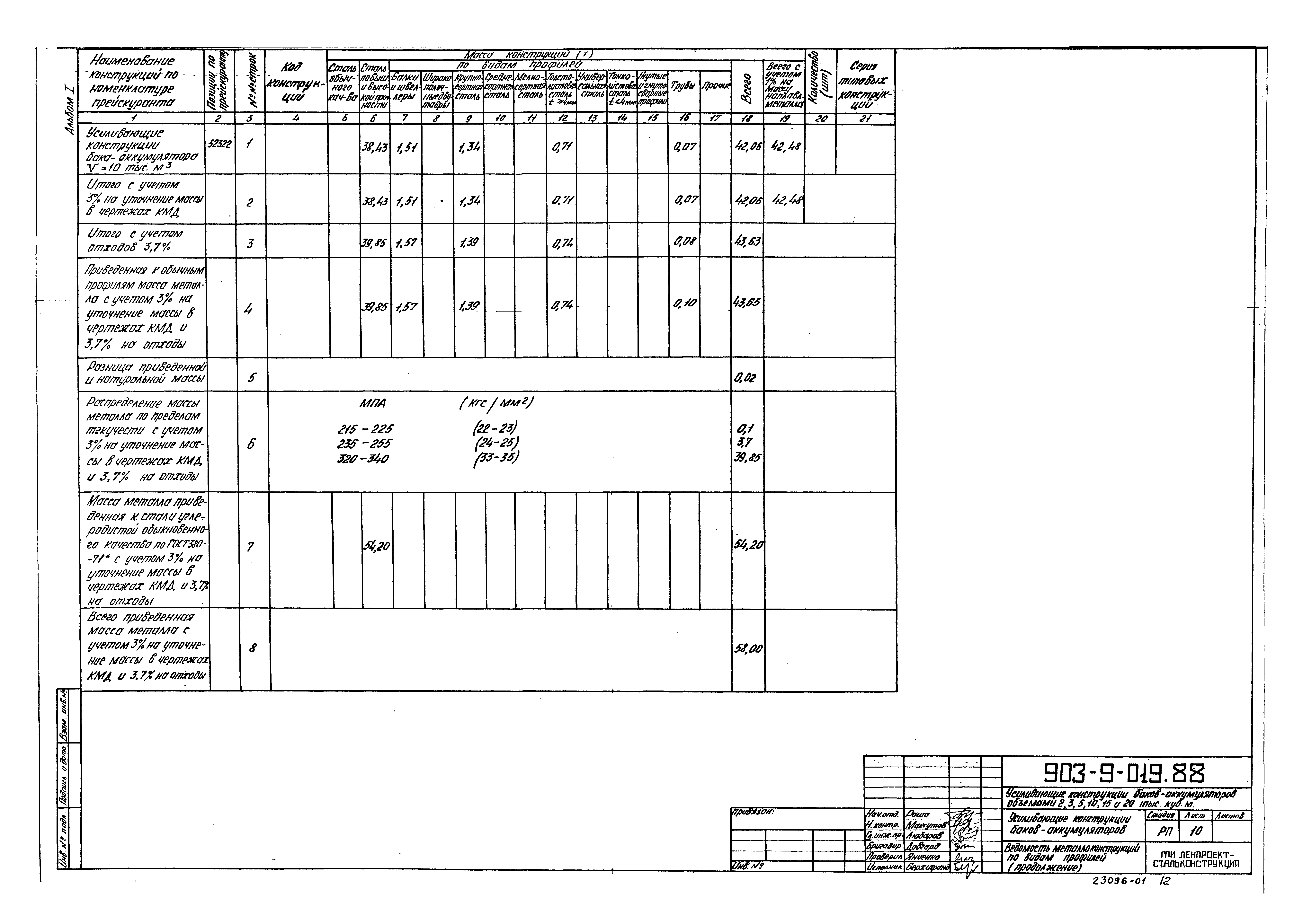
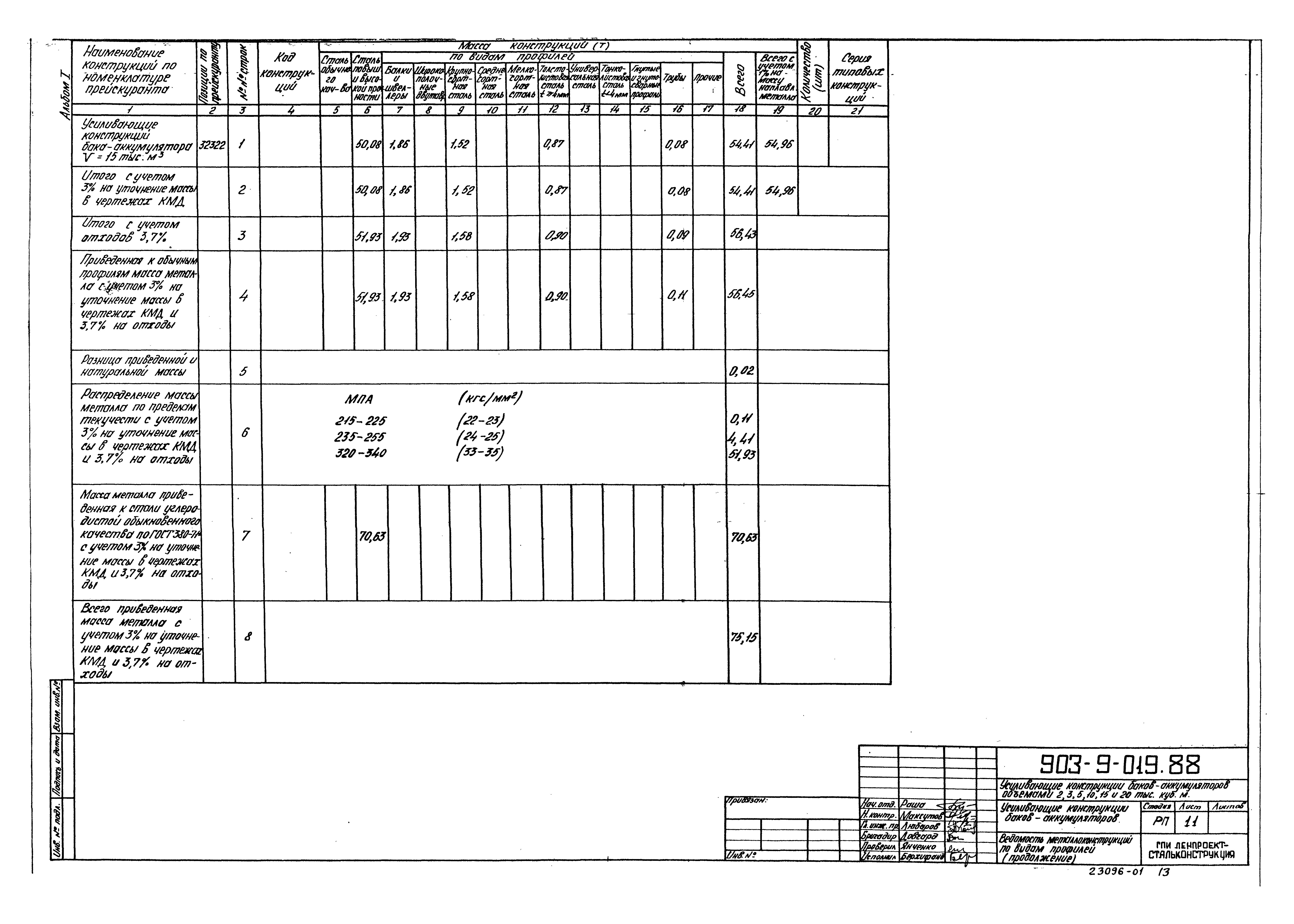
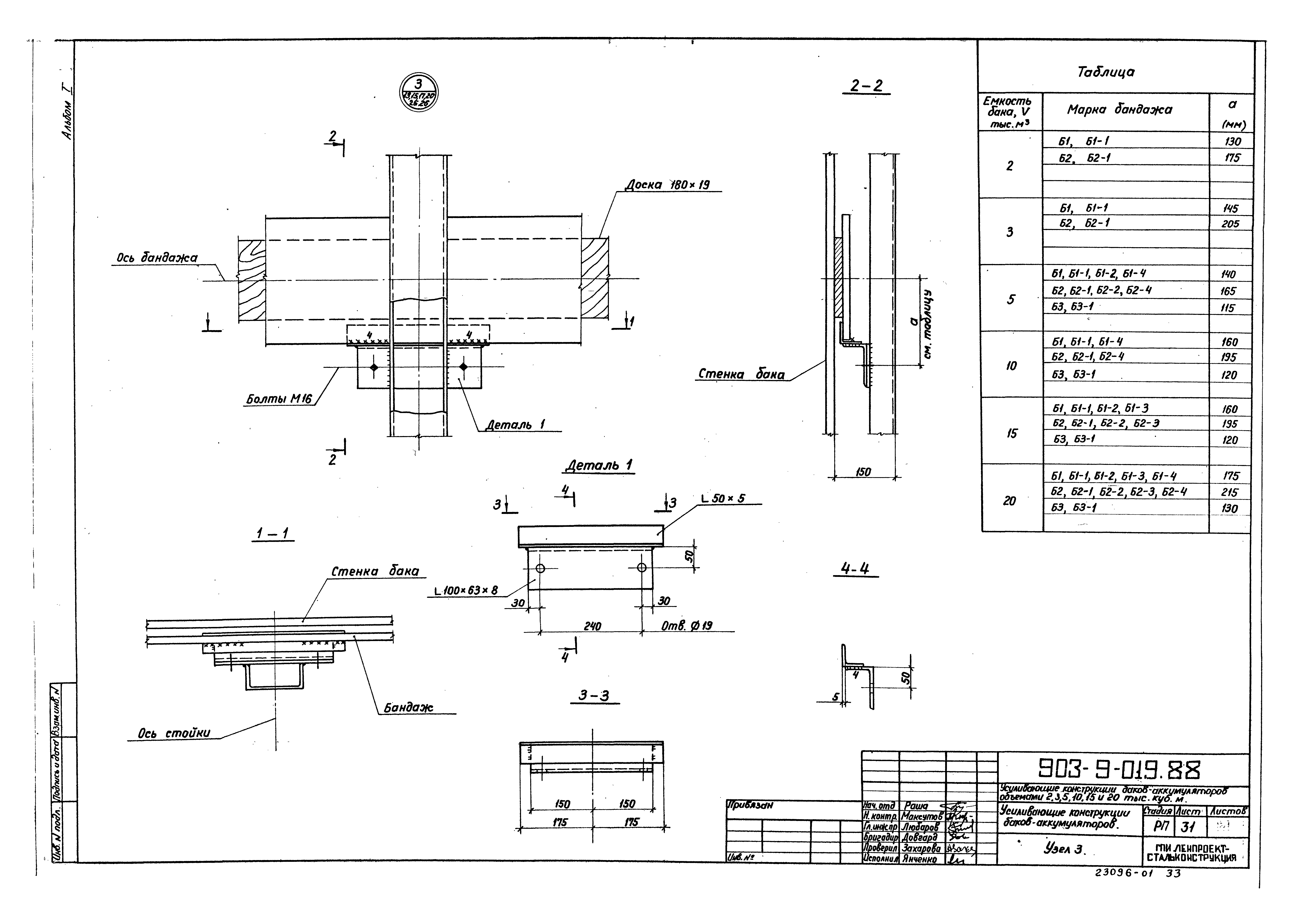
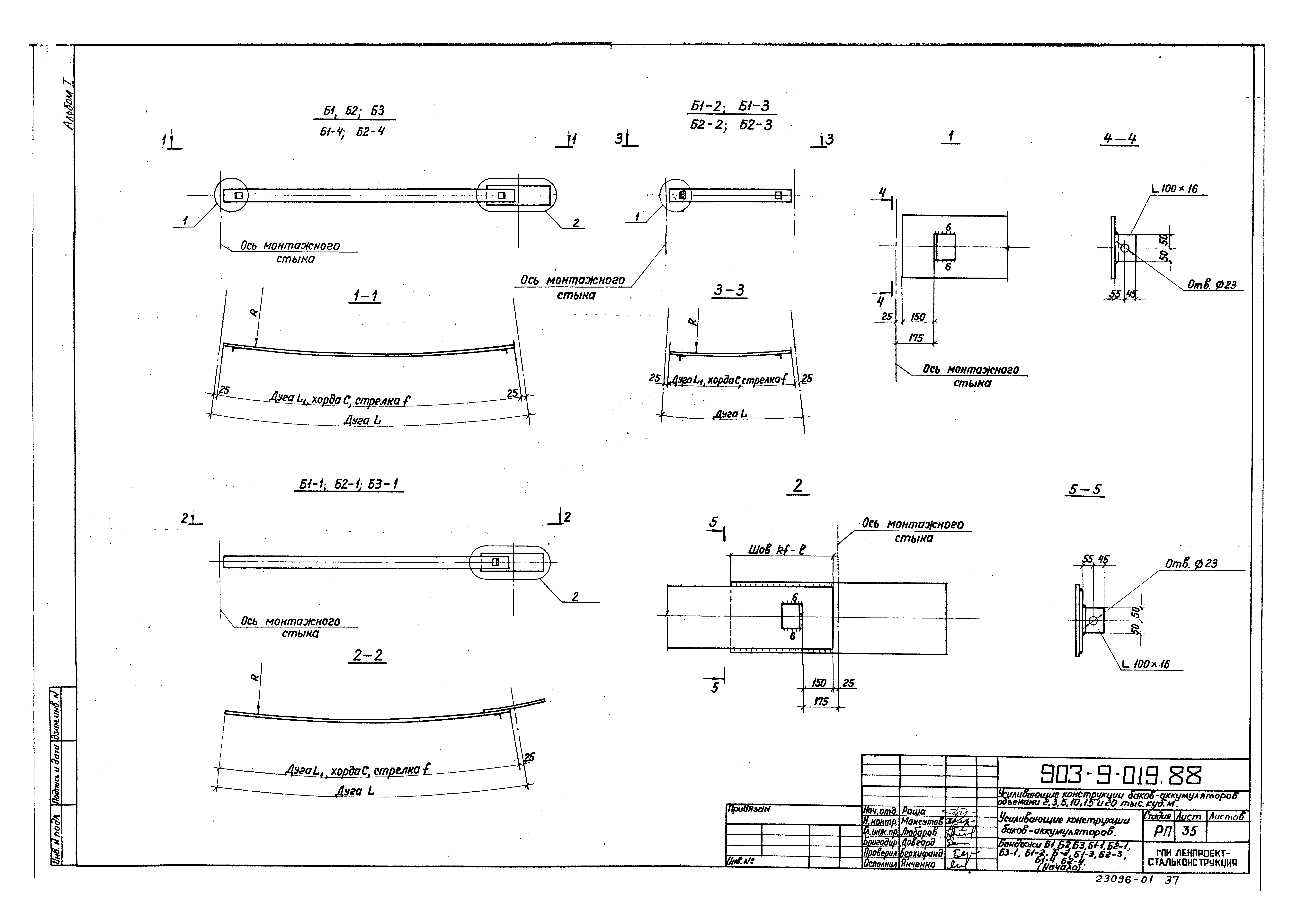
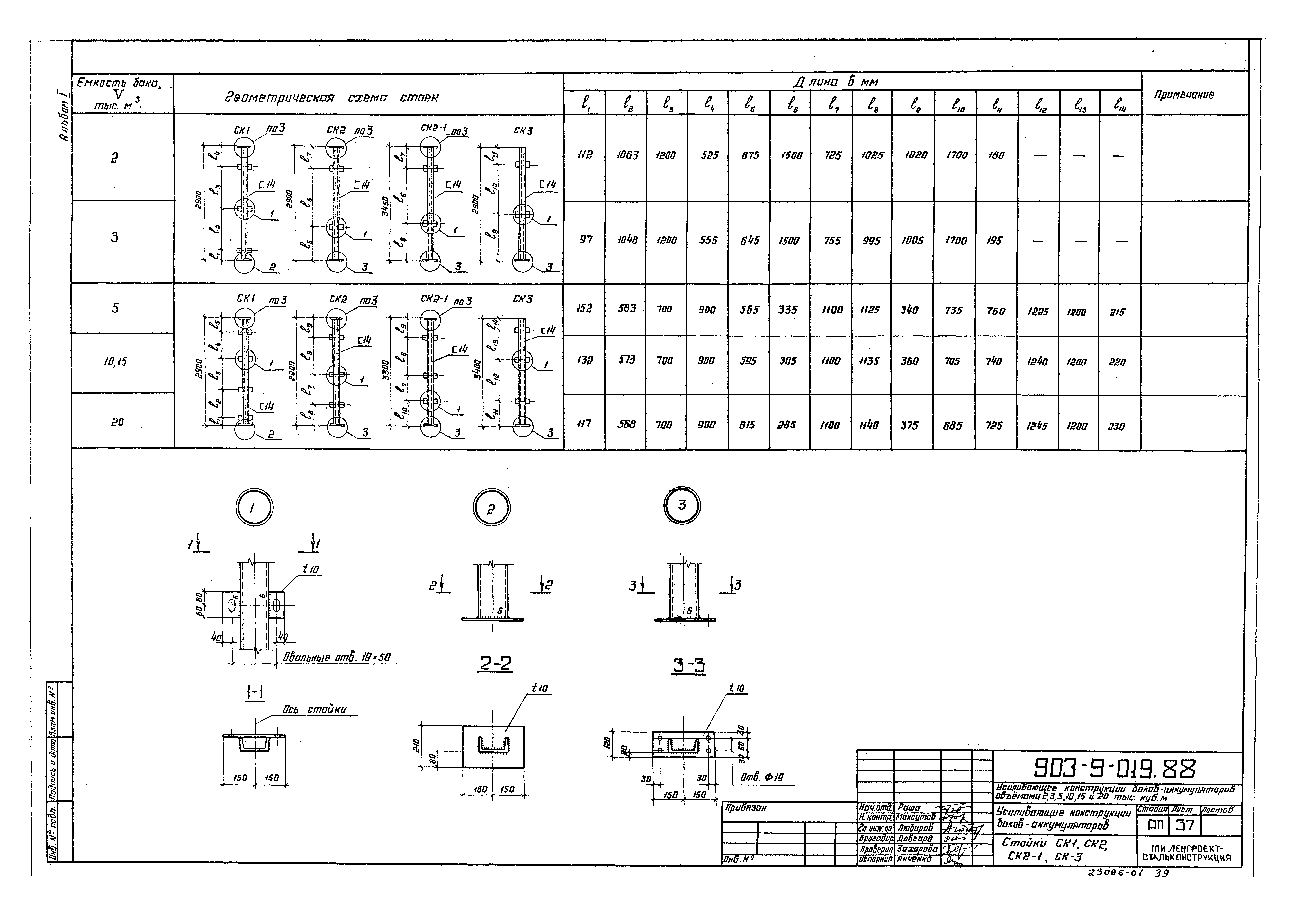
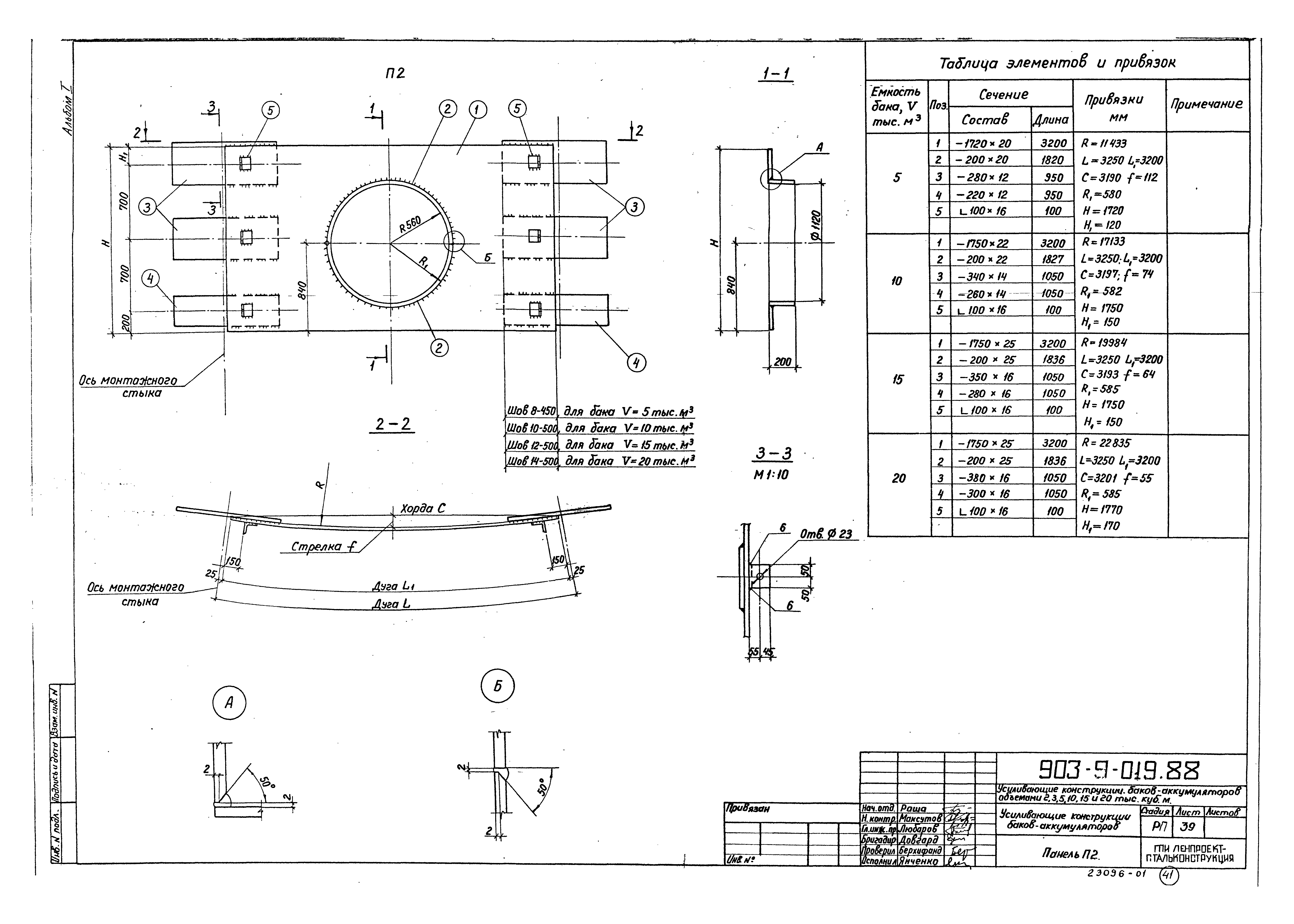
| Оглавление: | Общие данные Техническая спецификация стали Ведомость металлоконструкций по видам профилей Бак объемом 2 тыс. куб. м. Общий вид. Фрагмент фасада Бак объемом 2 тыс. куб. м. Разрезы 1-1, 2-2, 3-3 Бак объемом 3 тыс. куб. м. Общий вид. Бак объемом 3 тыс. куб. м. Разрезы 1-1, 2-2, 3-3 Бак объемом 5 тыс. куб. м. Общий вид. Фрагмент фасада Бак объемом 5 тыс. куб. м. Разрезы 1-1, 2-2, 6-6 Бак объемом 5 тыс. куб. м. Разрезы 3-3, 4-4, 5-5 Бак объемом 10 тыс. куб. м. Общий вид. Бак объемом 10 тыс. куб. м. Разрезы 1-1, 2-2, 6-6 Бак объемом 10 тыс. куб. м. Разрезы 3-3, 4-4, 5-5 Бак объемом 15 тыс. куб. м. Общий вид. Бак объемом 15 тыс. куб. м. Разрезы 1-1, 2-2, 6-6 Бак объемом 15 тыс. куб. м. Разрезы 3-3, 4-4, 5-5 Бак объемом 20 тыс. куб. м. Общий вид. Бак объемом 20 тыс. куб. м. Разрезы 1-1, 2-2, 6-6 Бак объемом 20 тыс. куб. м. Разрезы 3-3, 4-4, 5-5 Узел 1. Крепление досок к бандажам Узел 2 Узел 3 Узлы 4, 5 Узел 6 Узел 7 Бандажи Б1, Б2, Б3, Б1-1, Б2-1, Б3-1, Б1-2, Б2-2, Б1-3, Б2-3, Б1-4, Б2-4 Стойки СК1, СК2, СК2-1, СК3 Панель П1 Панель П2 |
| Разработан: | Ленпроектстальконструкция |
| Утверждён: | 15.09.1987 Минэнерго СССР (USSR Minenergo ) |
| Издан: | ЦИТП Госстроя СССР (CITP, Gosstroy (USSR) 1988 г. ) |









































