Скачать Серия 3.820.2-57 Выпуск 2. Затвор поверхностный колесный В-Н=4-2,5мДата актуализации: 01.01.2021
|
| Обозначение: | Серия 3.820.2-57 |
| Обозначение англ: | Series 3.820.2-57 |
| Статус: | действует |
| Название рус.: | Выпуск 2. Затвор поверхностный колесный В-Н=4-2,5м |
| Дата добавления в базу: | 01.09.2013 |
| Дата актуализации: | 01.01.2021 |
| Дата введения: | 25.12.1985 |
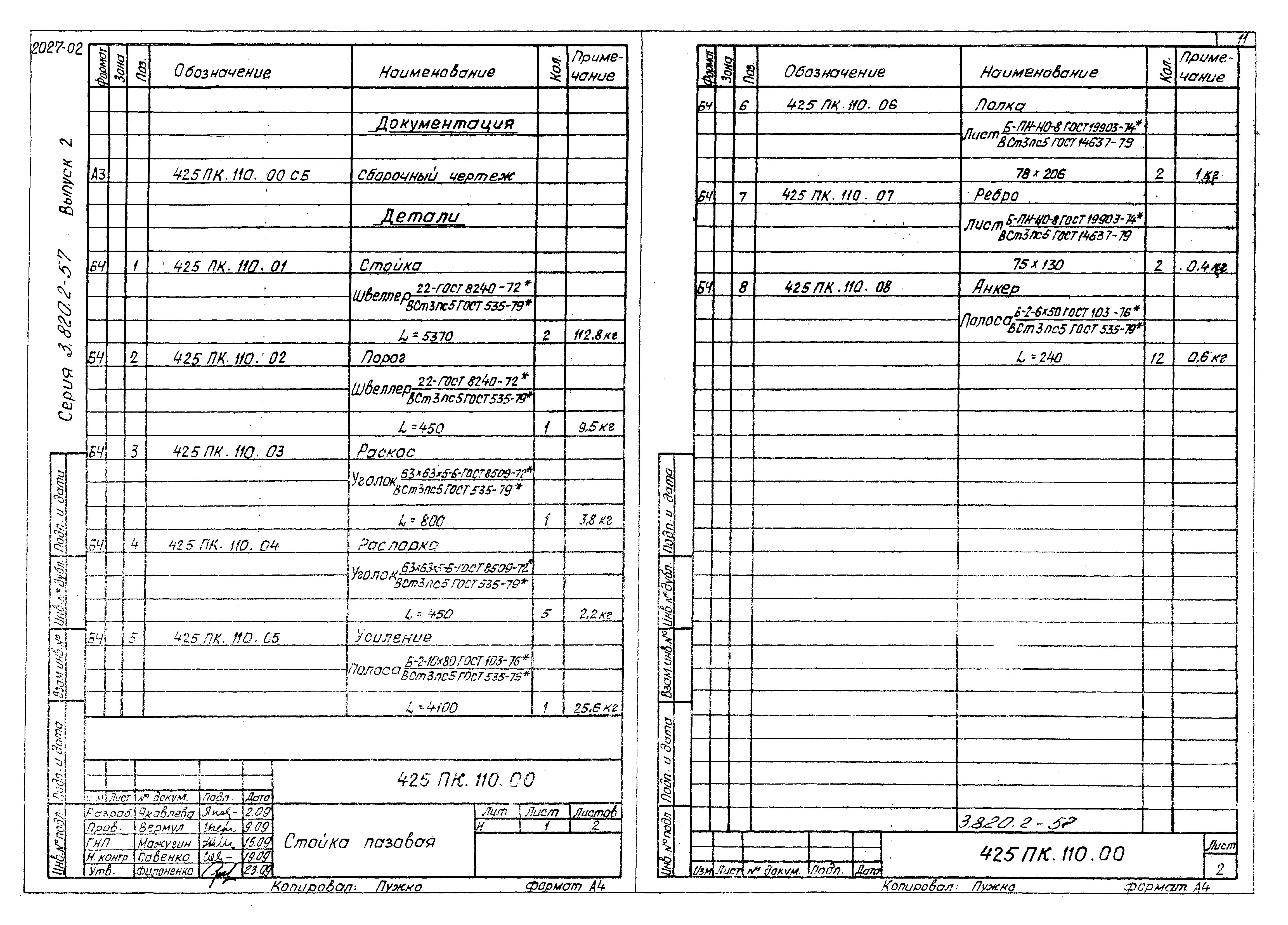
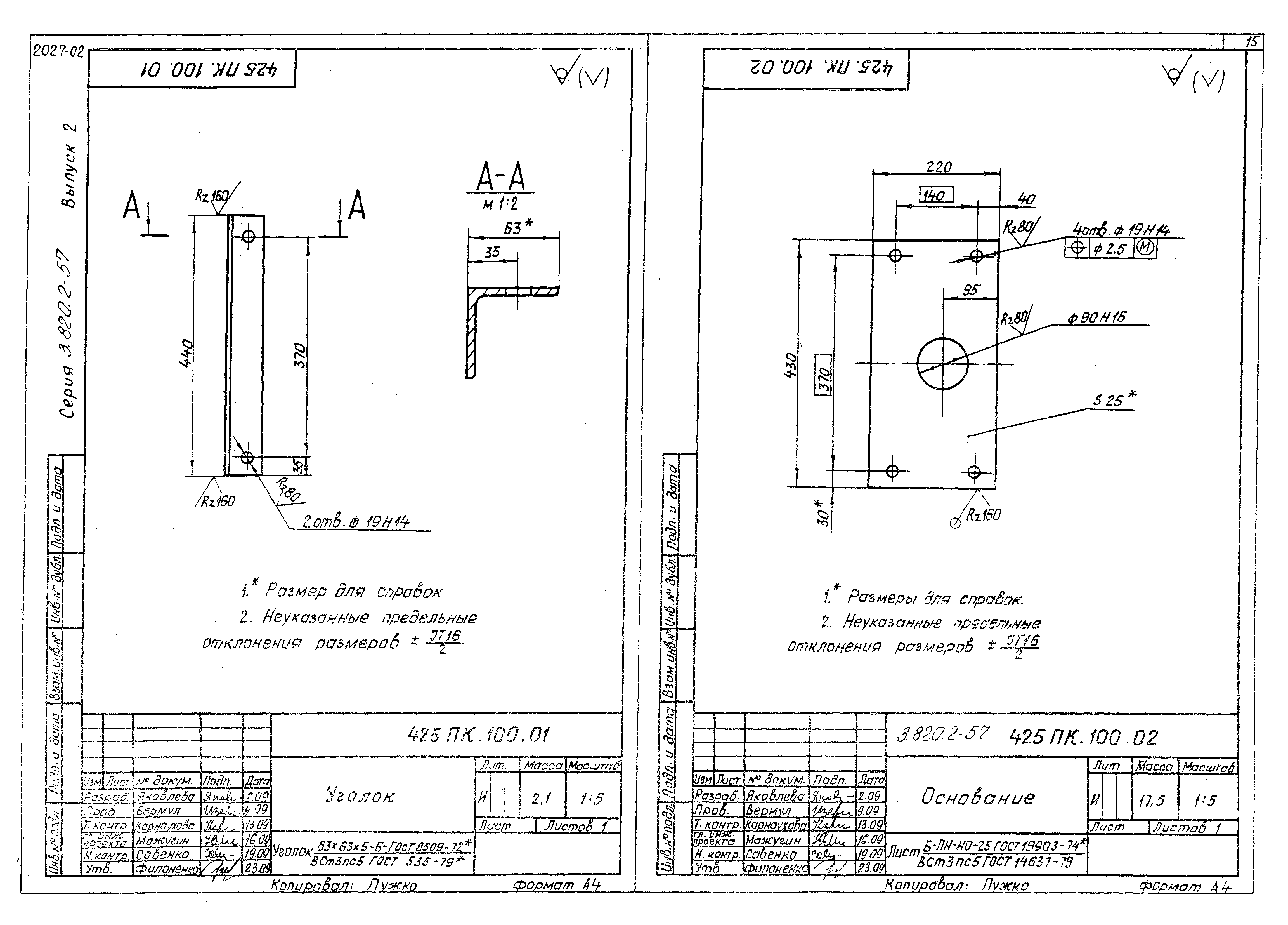
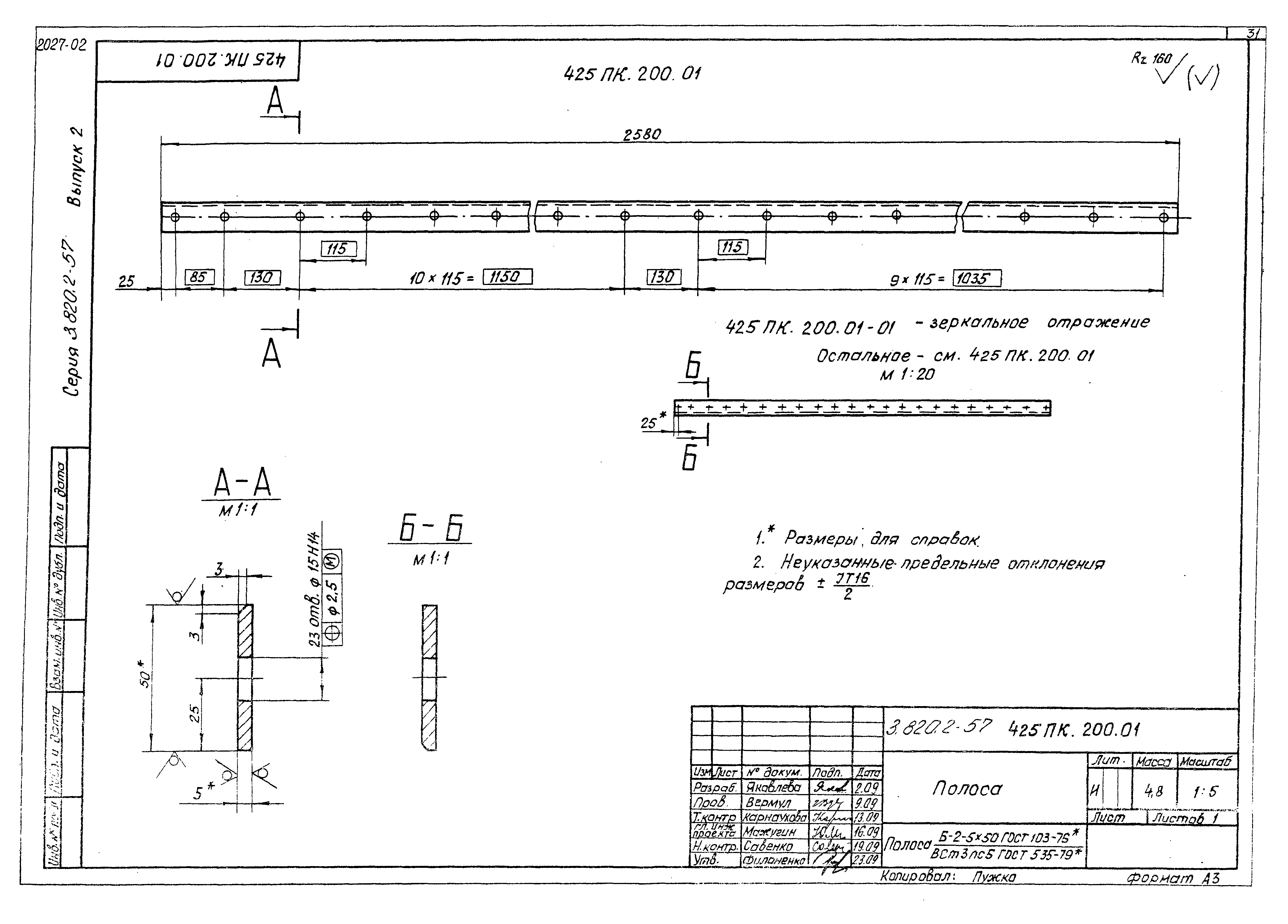
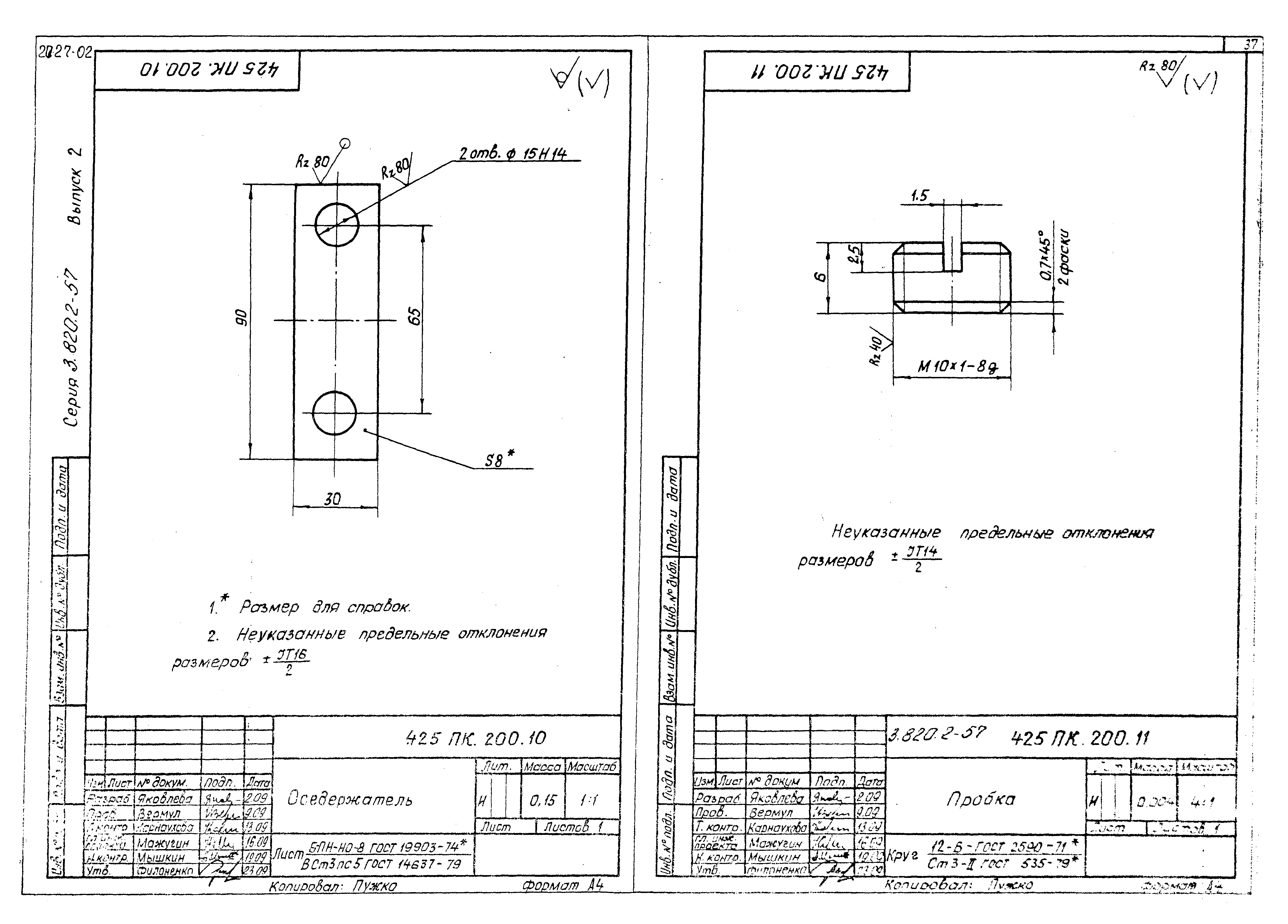
| Оглавление: | 425ПК.000.00 Затвор поверхностный колесный В-Н=4-2,5 м 425ПК.000.00СБ Затвор поверхностный колесный В-Н=4-2,5 м. Сборочный чертеж 425ПК.000.00ВП Затвор поверхностный колесный В-Н=4-2,5 м. Ведомость покупных изделий 425ПК.100.00 Закладные части 425ПК.100.00СБ Закладные части. Сборочный чертеж 425ПК.110.00 Стойка пазовая 425ПК.110.00СБ Стойка пазовая. Сборочный чертеж 425ПК.120.00 Марка донная 425ПК.120.00СБ Марка донная. Сборочный чертеж 425ПК.100.01 Уголок 425ПК.100.02 Основание 425ПК.200.00 Затвор 425ПК.200.00СБ Затвор. Сборочный чертеж 425ПК.210.00 Металлоконструкция 425ПК.210.00СБ Металлоконструкция. Сборочный чертеж 425ПК.210.01 Обшивка 425ПК.210.02 Вертикаль крайняя 425ПК.210.03 Вертикаль 425ПК.210.04 Вертикаль 425ПК.210.05 Вертикаль 425ПК.210.06 Ригель 425ПК.210.07 Полоса 425ПК.210.08 Проушина 425ПК.210.09 Накладка 425ПК.220.00 Отбой торцовый 425ПК.220.00СБ Отбой торцовый. Сборочный чертеж 425ПК.200.01 Полоса 425ПК.200.02 Уголок прижимной 425ПК.200.03 Ось 425ПК.200.04 Колесо 425ПК.200.05 Втулка 425ПК.200.06 Шайба торцовая 425ПК.200.07 Шайба стопорная 425ПК.200.08 Подшипник 425ПК.200.09 Подшипник 425ПК.200.10 Оседержатель 425ПК.200.11 Пробка 26.058.ПВ.110.000ГЧ Подъемник двухвинтовой с электроприводом ГП2х2,5мс марки 5ЭВД. Габаритный чертеж 26.058.ПВ.040.000ГЧ Подъемник двухвинтовой с ручным приводом ГП2х2,5мс марки 5ВД. Габаритный чертеж |
| Разработан: | Средазгипроводхлопок Минводхоза СССР |
| Утверждён: | 10.10.1985 Минводхоз СССР (USSR Minvodkhoz 459) |
| Издан: | ЦИТП Госстроя СССР (CITP, Gosstroy (USSR) 1986 г. ) |








































