Скачать МИ 1604-87 Методические указания. ГСИ. Меры длины концевые плоскопараллельные. Общие требования к методикам поверкиДата актуализации: 01.01.2021
|
| Обозначение: | МИ 1604-87 |
| Обозначение англ: | MI 1604-87 |
| Статус: | действует |
| Название рус.: | Методические указания. ГСИ. Меры длины концевые плоскопараллельные. Общие требования к методикам поверки |
| Дата добавления в базу: | 01.09.2013 |
| Дата актуализации: | 01.01.2021 |
| Дата введения: | 01.07.1988 |
| Область применения: | Методические указания распространяются на плоскопараллельные концевые меры длины по ГОСТ 9038-83. Методические указания устанавливают требования к характеристикам образцовых концевых мер, а также общие положения по поверке образцовых и рабочих концевых мер. Методические указания устанавливают для концевых мер, находящихся в эксплуатации, дополнительные классы точности 4 и 5 и общие положения по их поверке. |
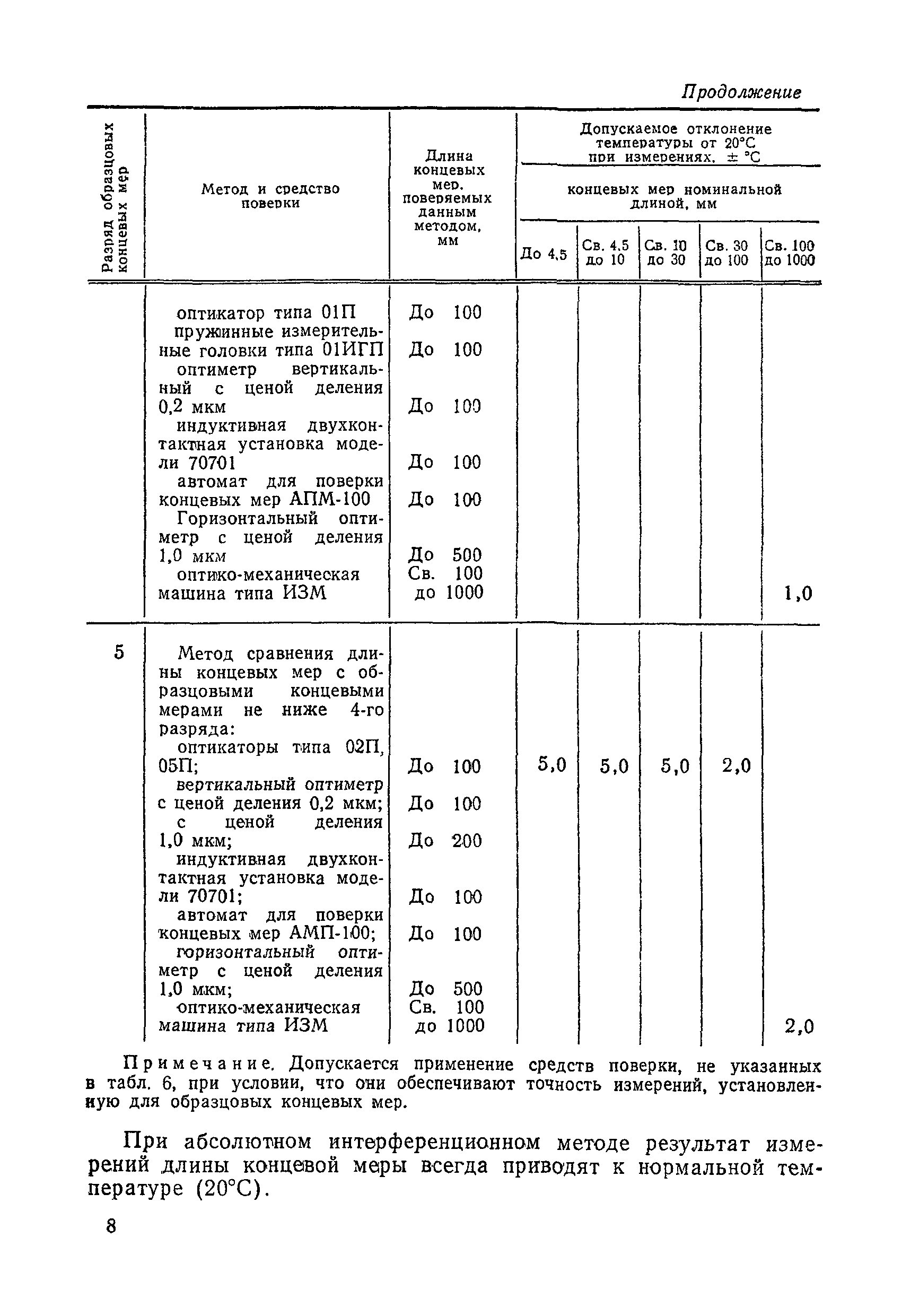
| Оглавление: | 1 Метрологические требования 2 Операции поверки 3 Условия поверки 4 Методы и средства поверки 5 Оформление результатов поверки Термин и определение |
| Разработан: | НПО ВНИИМ им. Д.И. Менделеева |
| Утверждён: | 12.12.1987 НПО ВНИИМ им. Д.И. Менделеева |
| Нормативные ссылки: |














