Скачать Типовой проект 414-2-55.94 Альбом 4. Автоматизация технологии. Автоматизация отопления и вентиляции. Связь и сигнализацияДата актуализации: 01.01.2021
|
| Обозначение: | Типовой проект 414-2-55.94 |
| Обозначение англ: | 414-2-55.94 |
| Статус: | не определен законодательством |
| Название рус.: | Альбом 4. Автоматизация технологии. Автоматизация отопления и вентиляции. Связь и сигнализация |
| Дата добавления в базу: | 01.09.2013 |
| Дата актуализации: | 01.01.2021 |
| Дата введения: | 21.12.1994 |
| Дата окончания срока действия: | 30.06.2003 |
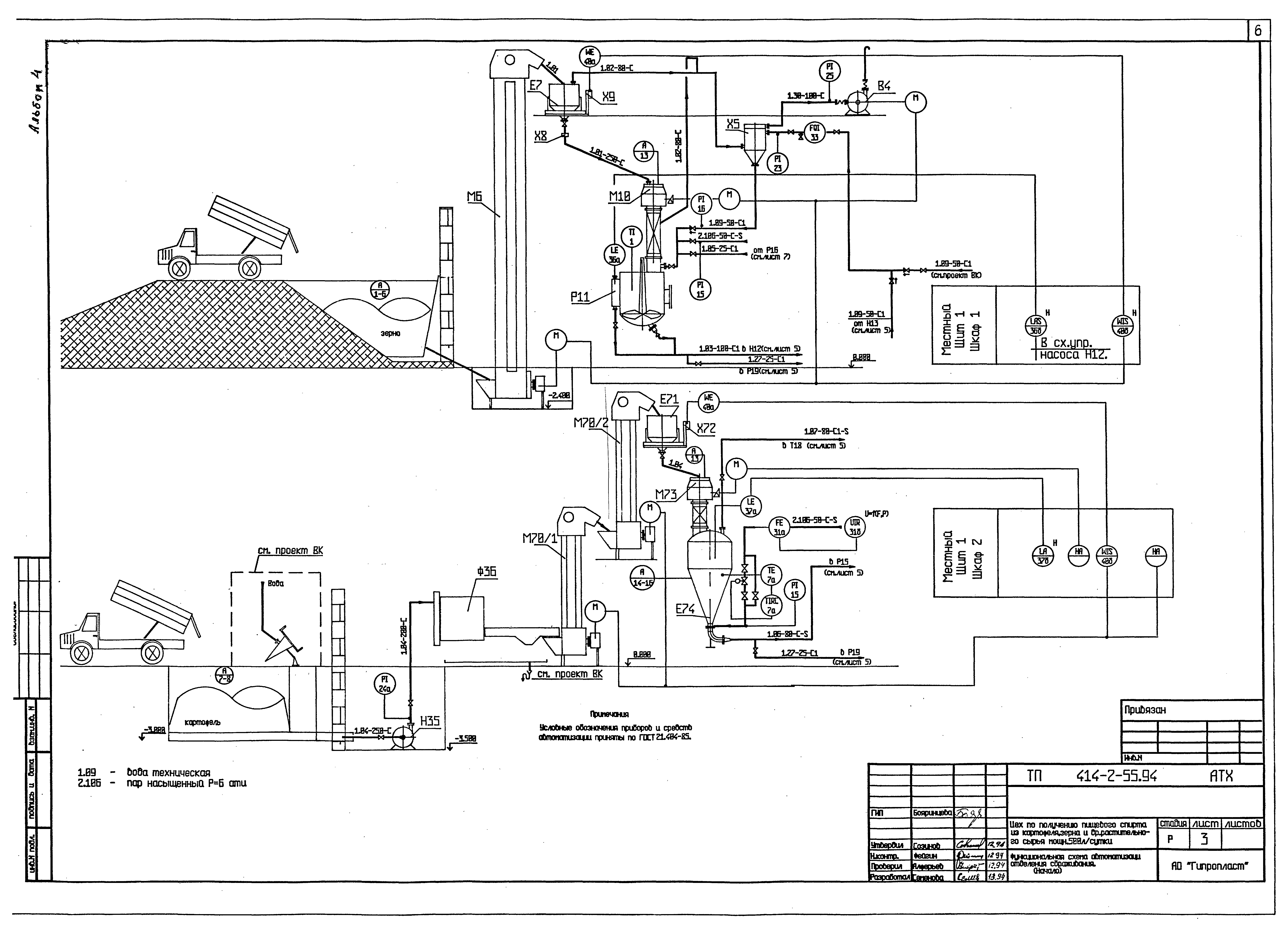
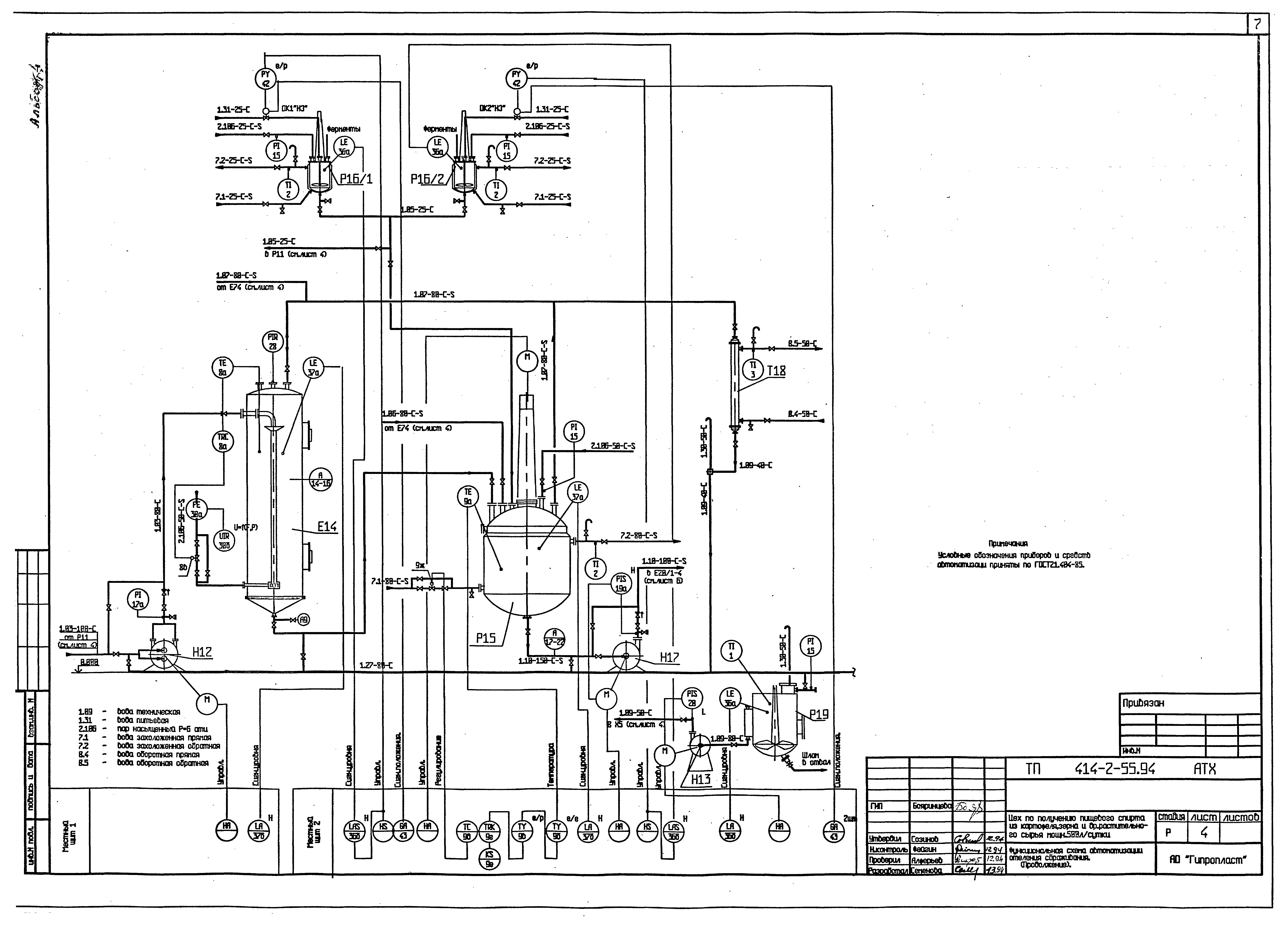
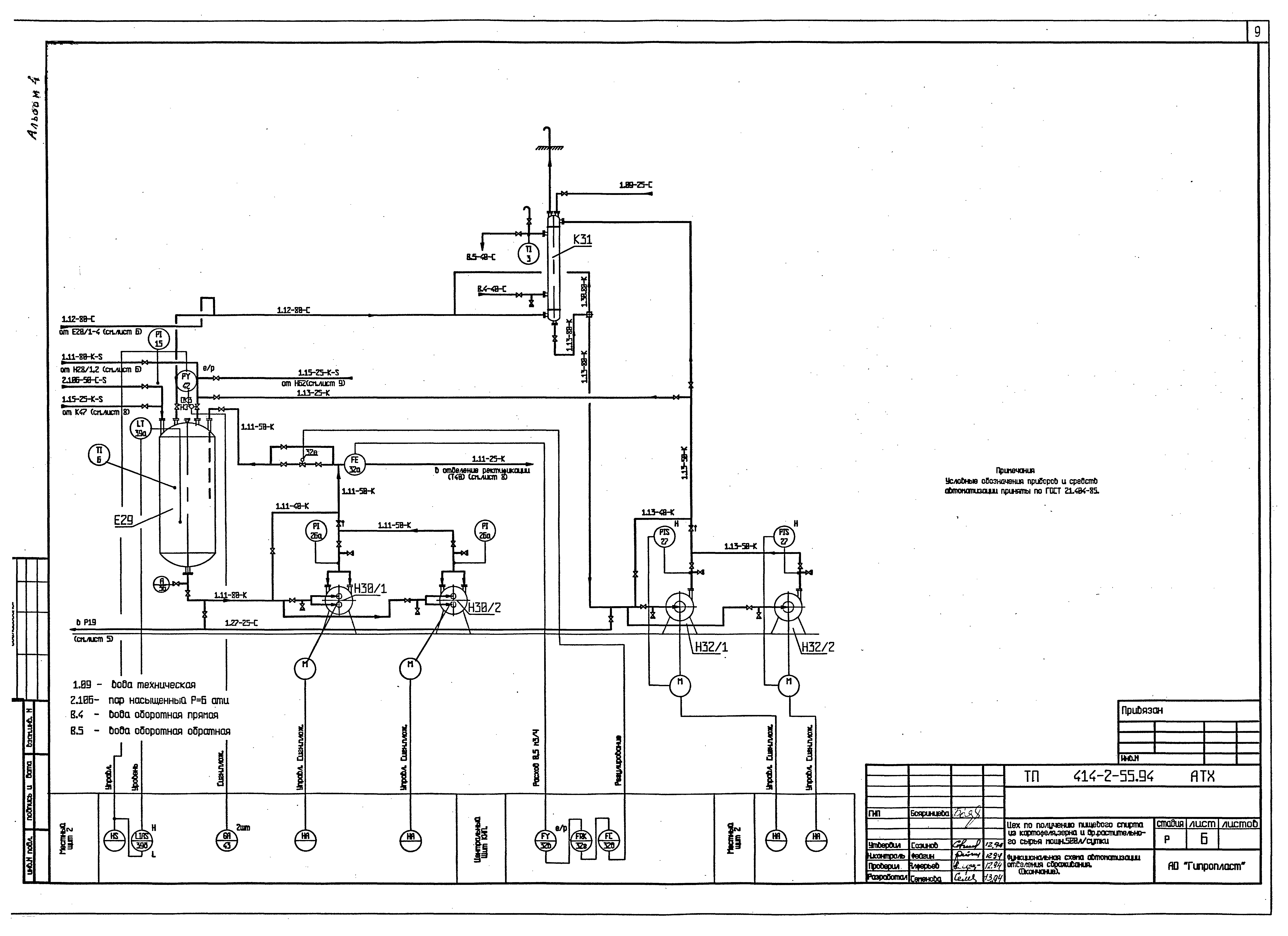
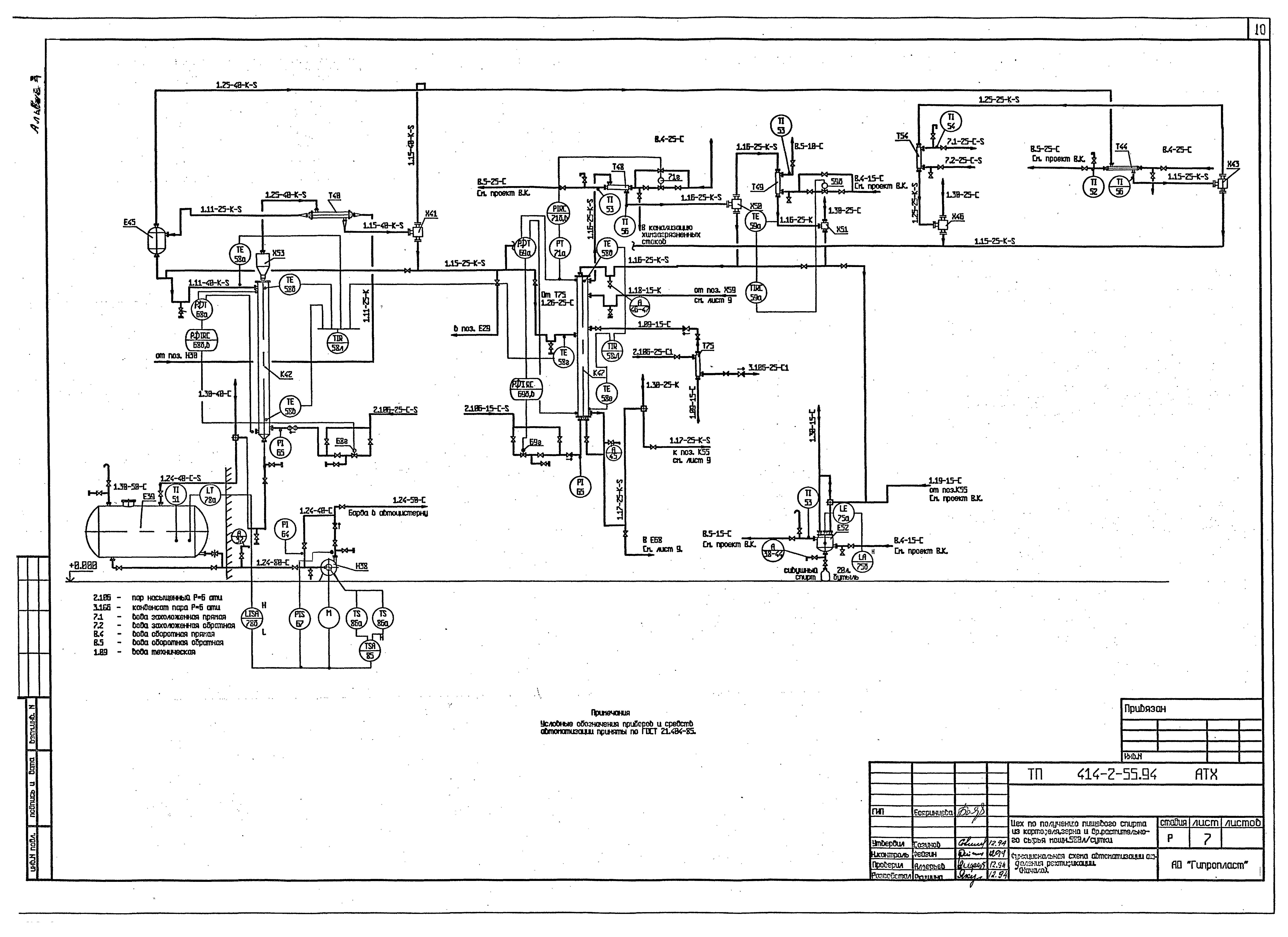
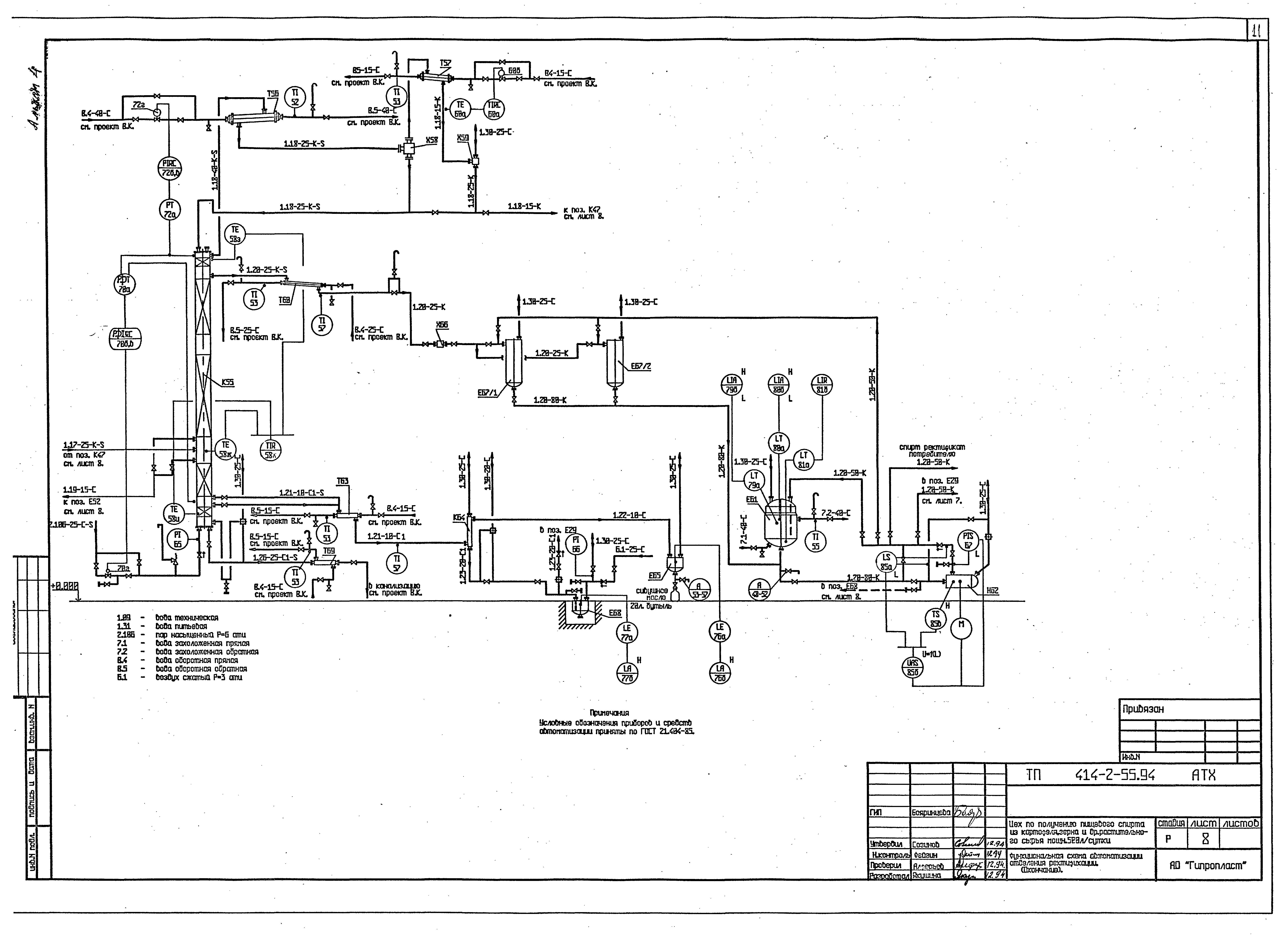
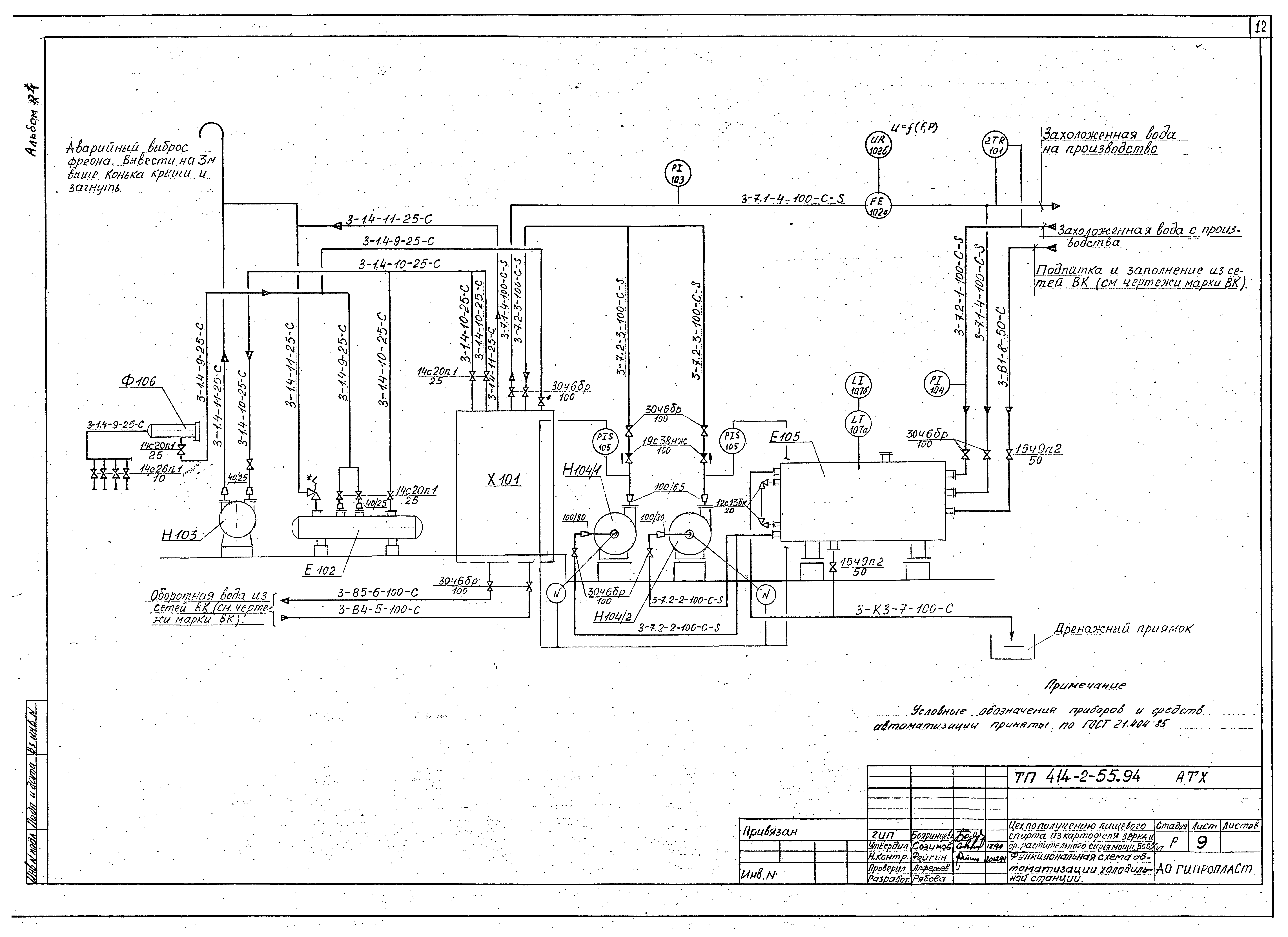
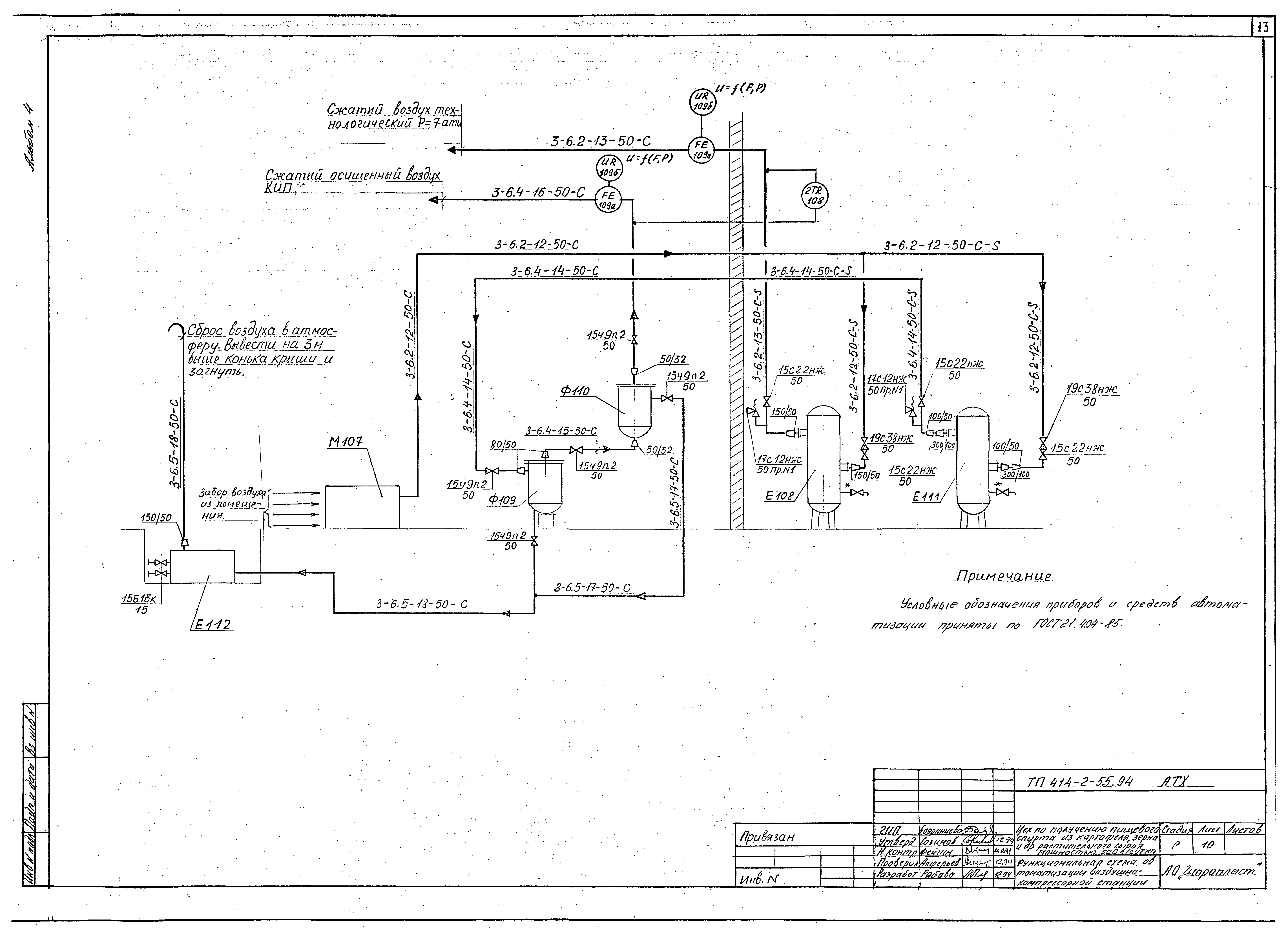
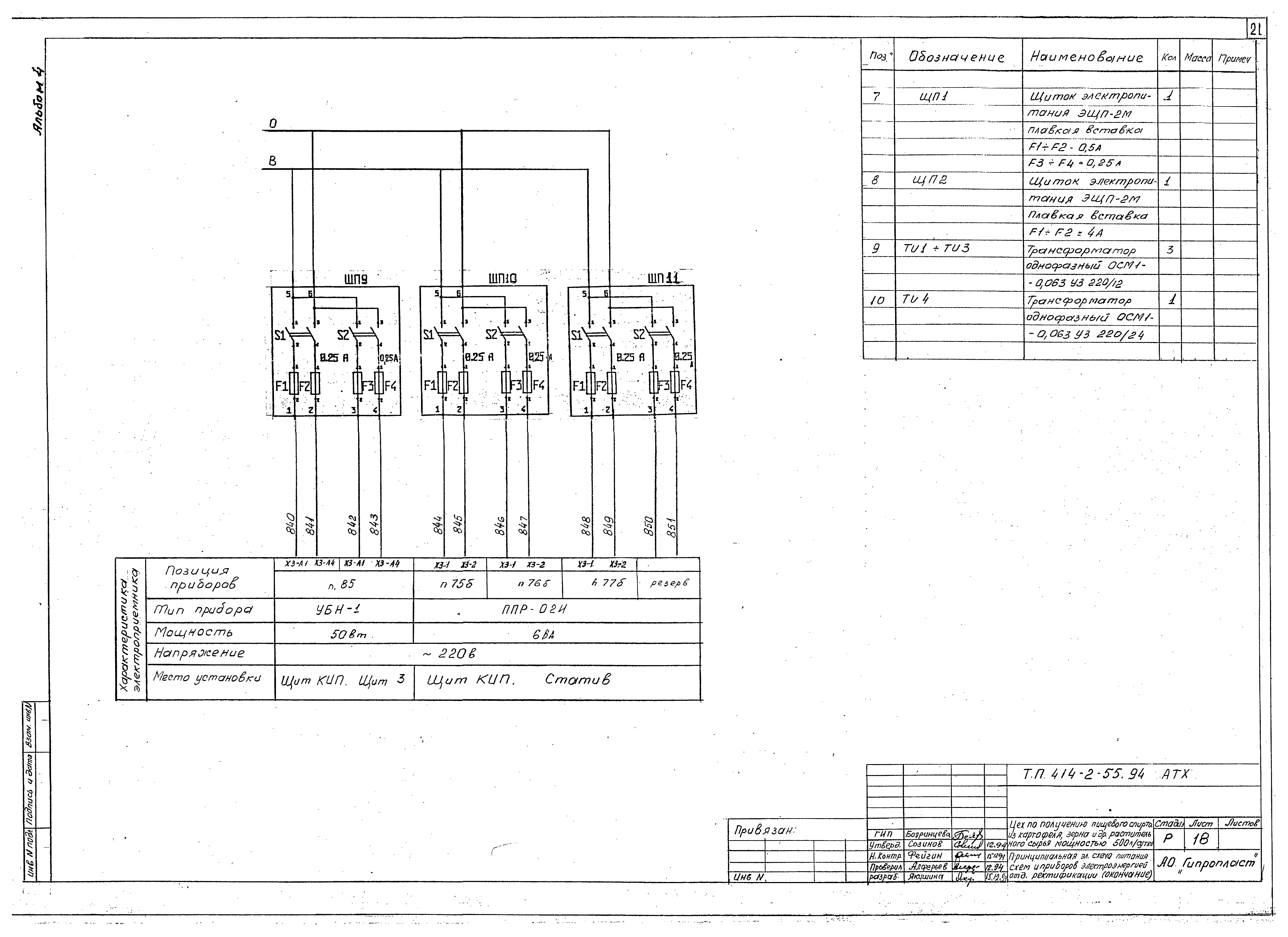
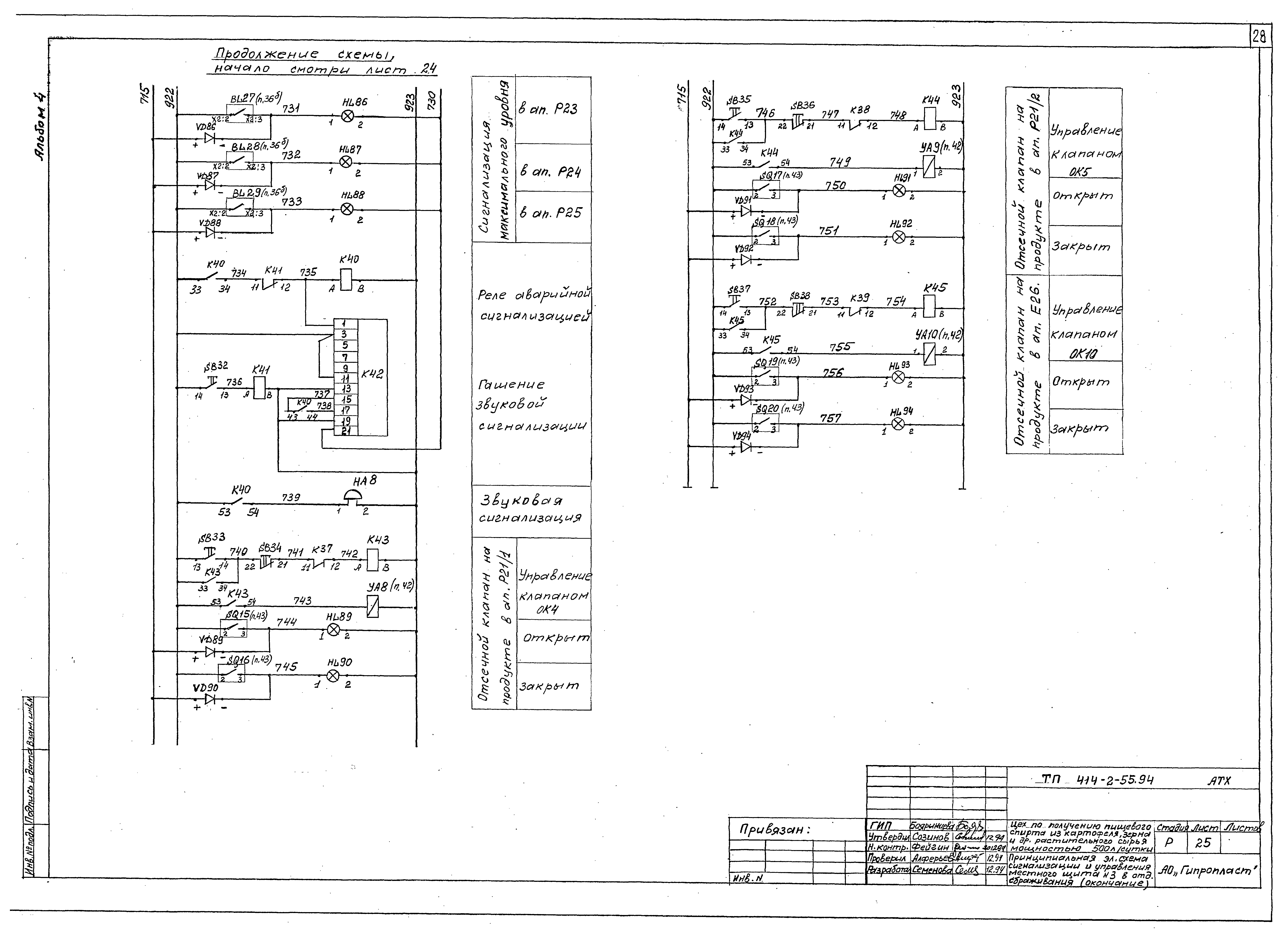
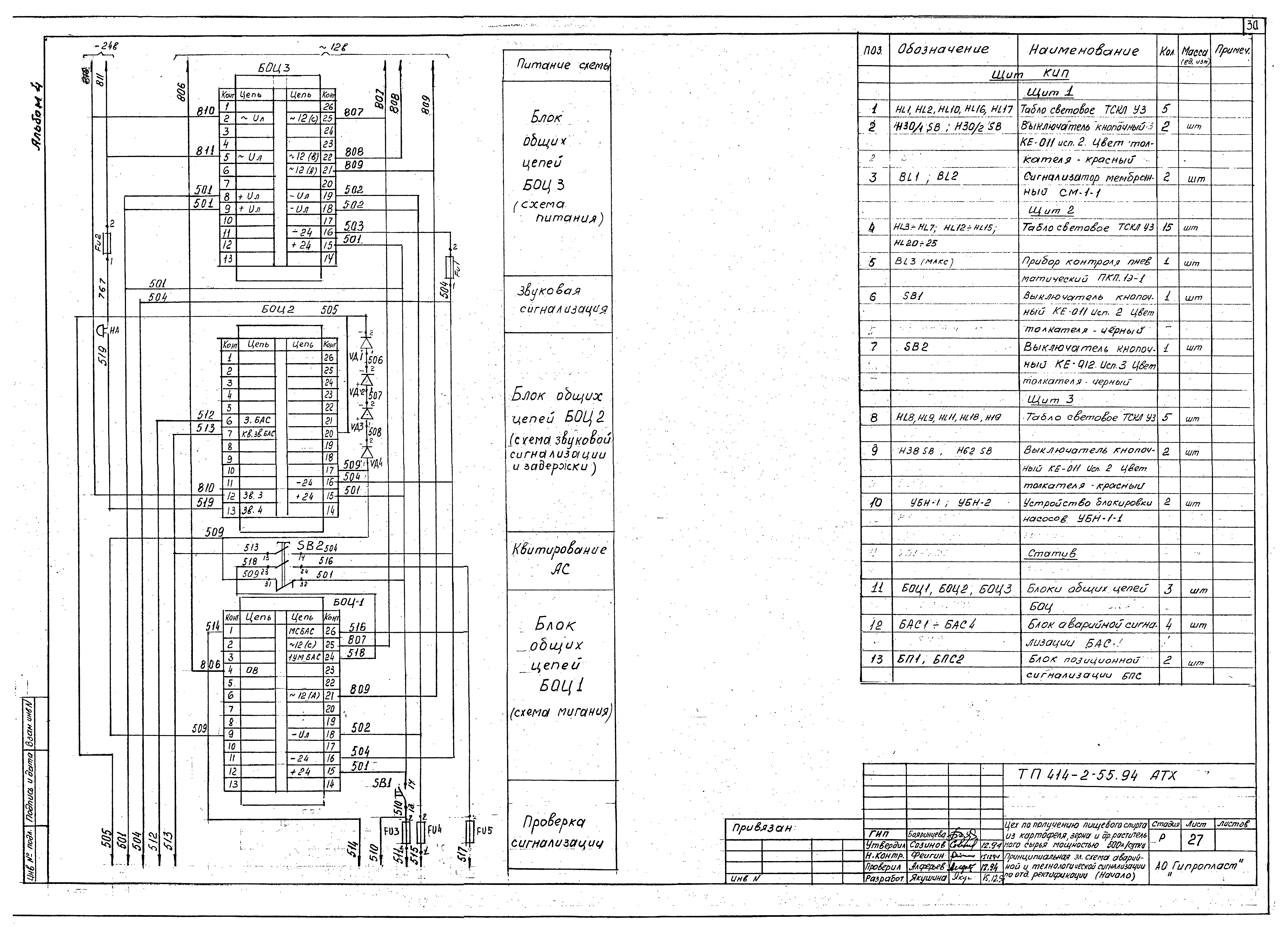
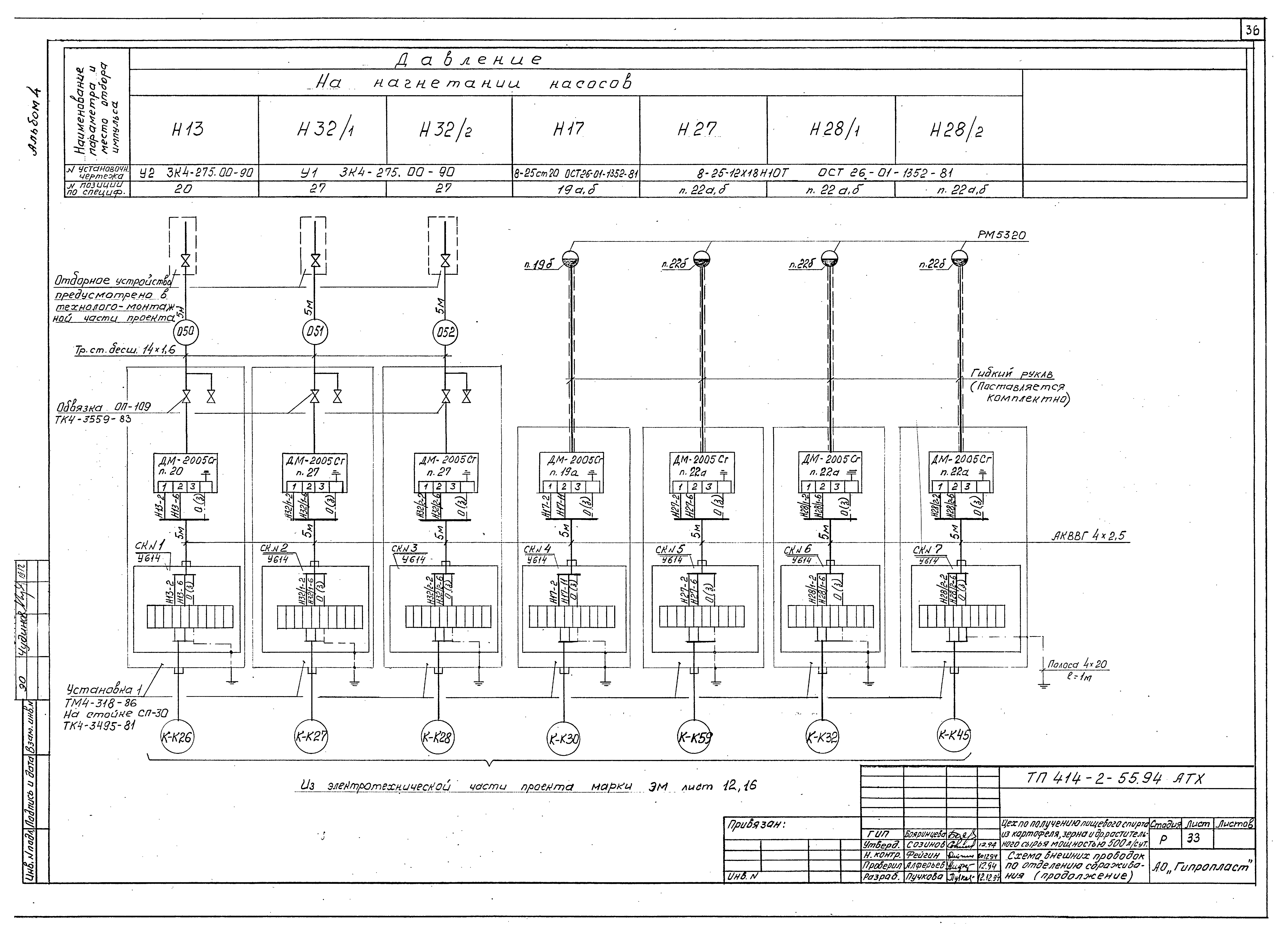
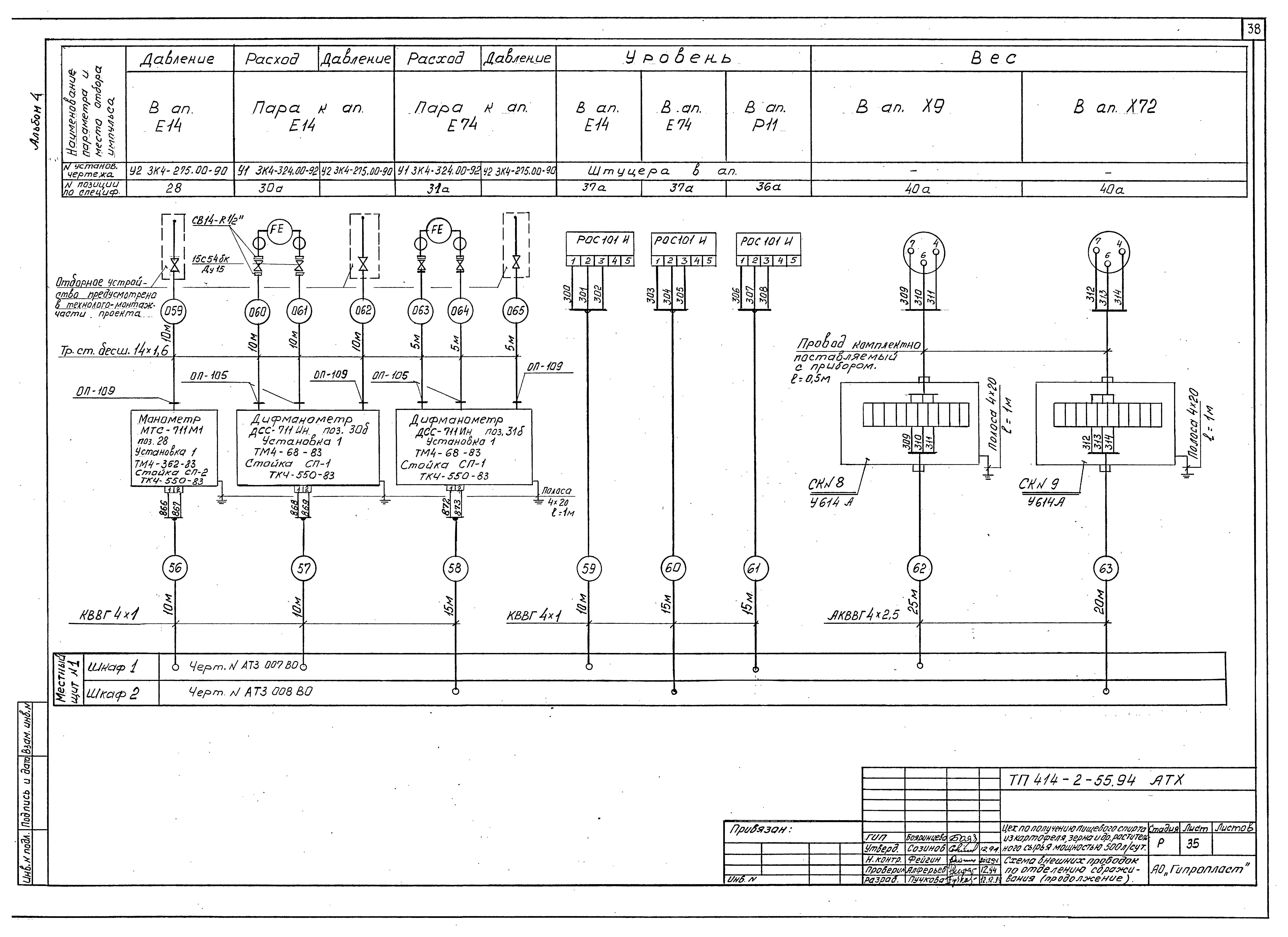
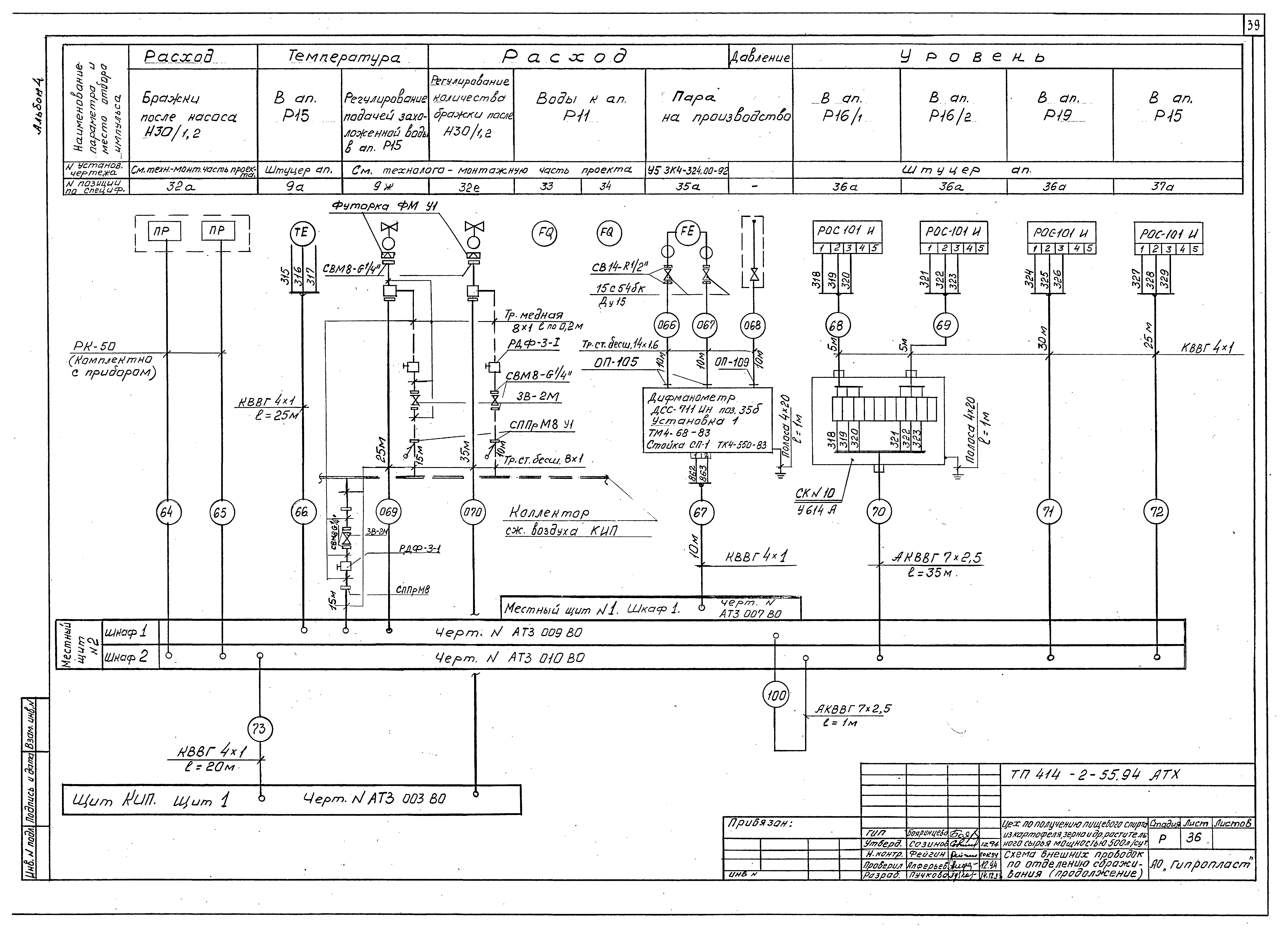
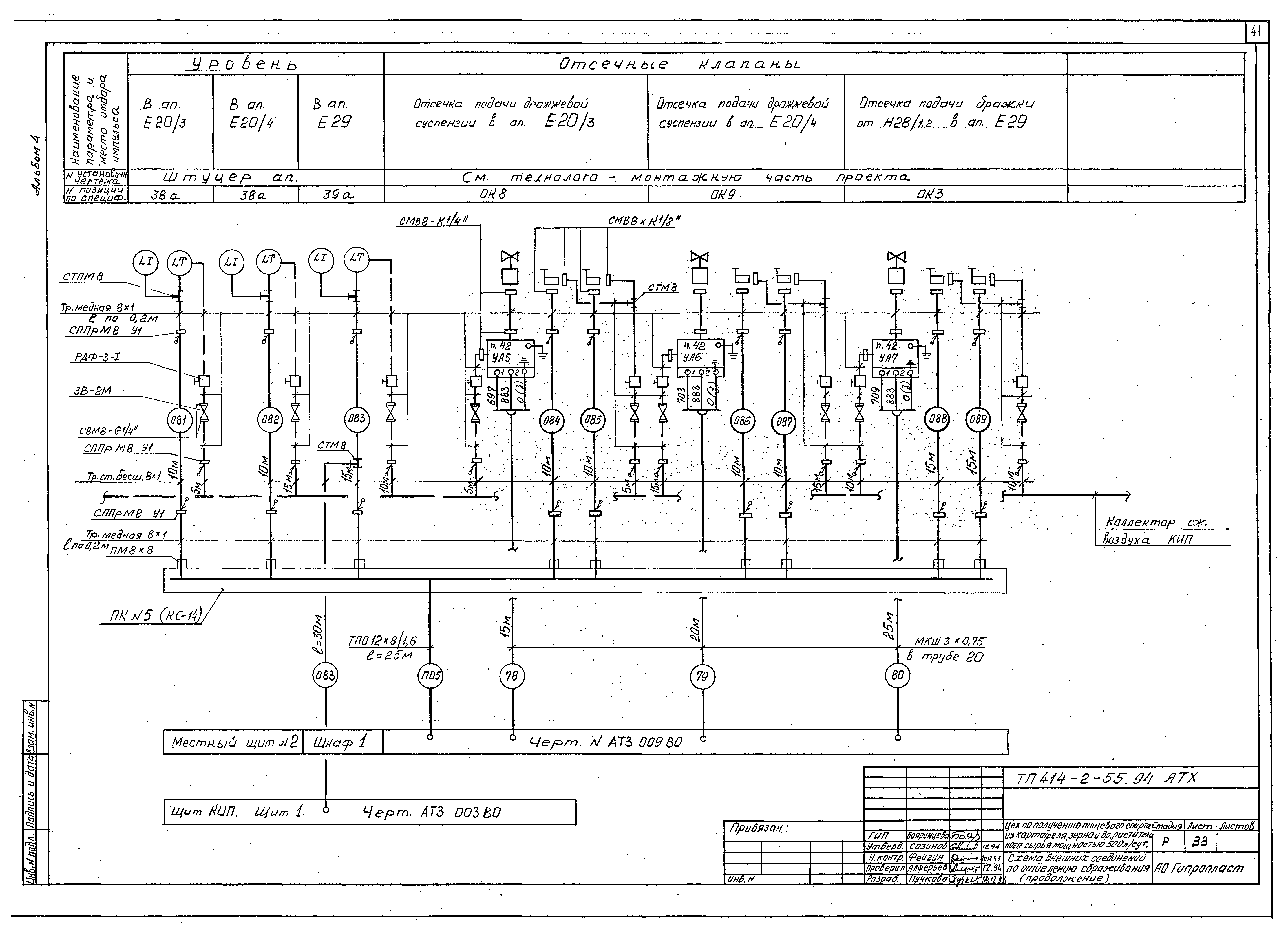
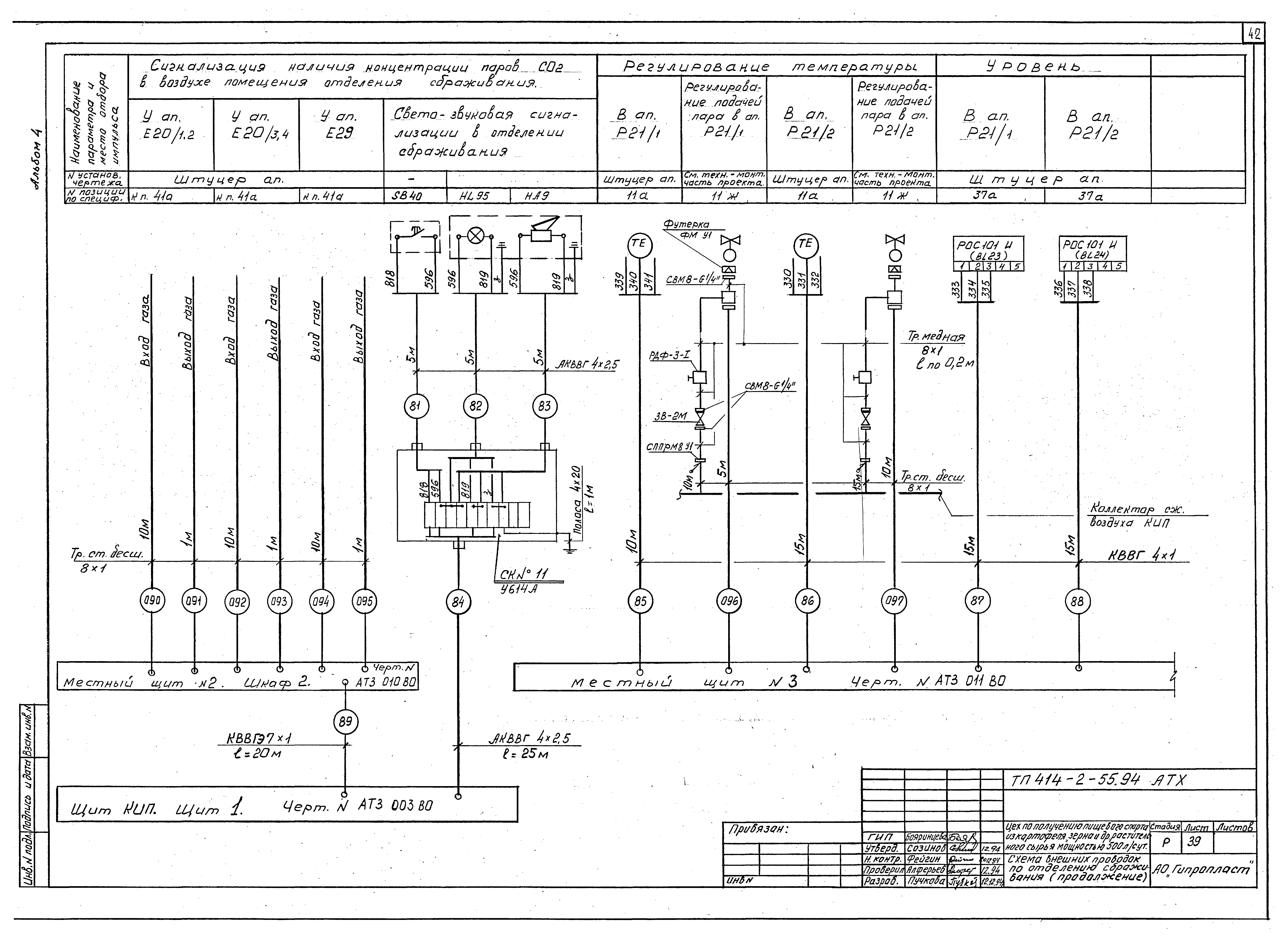
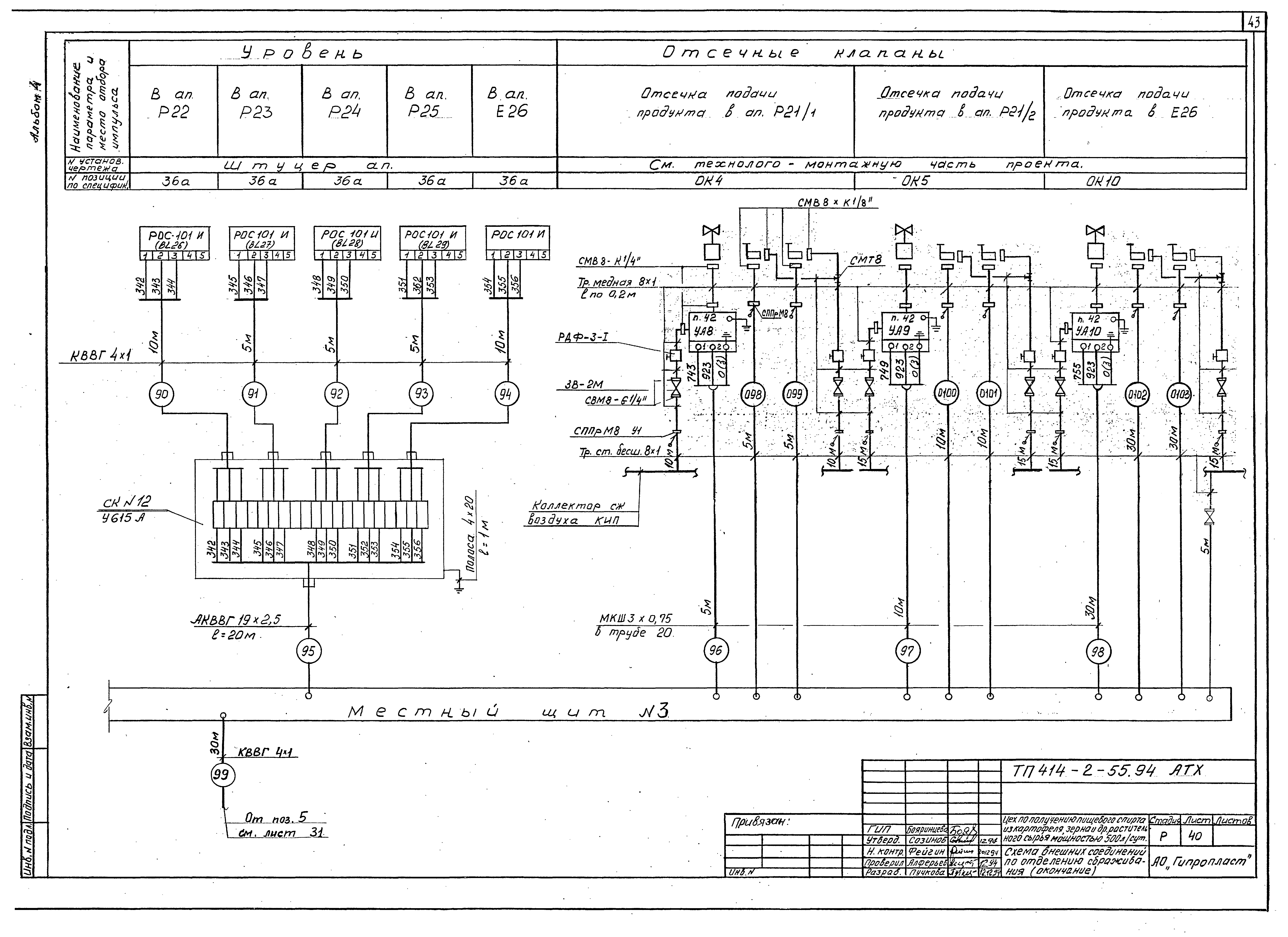
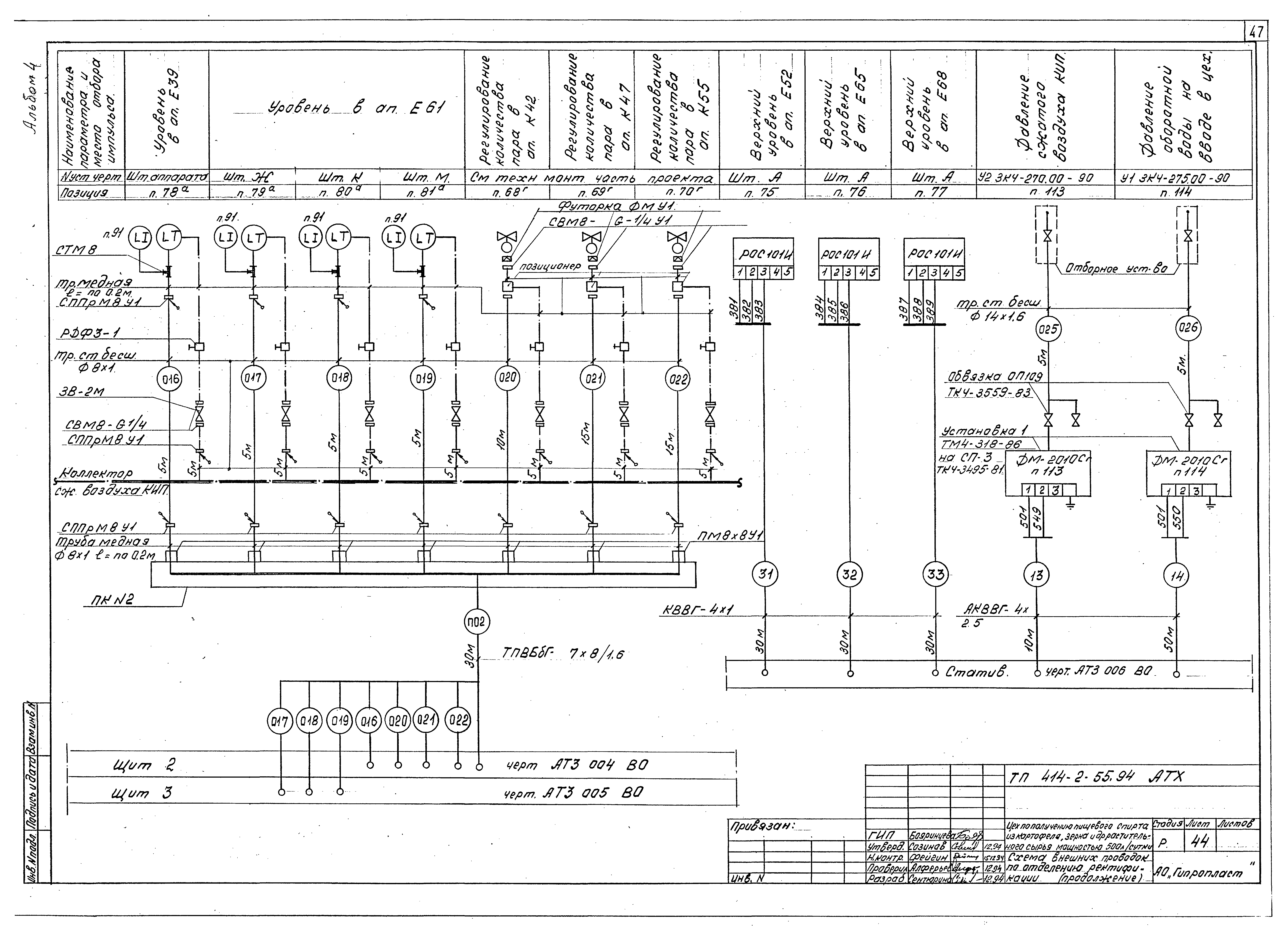
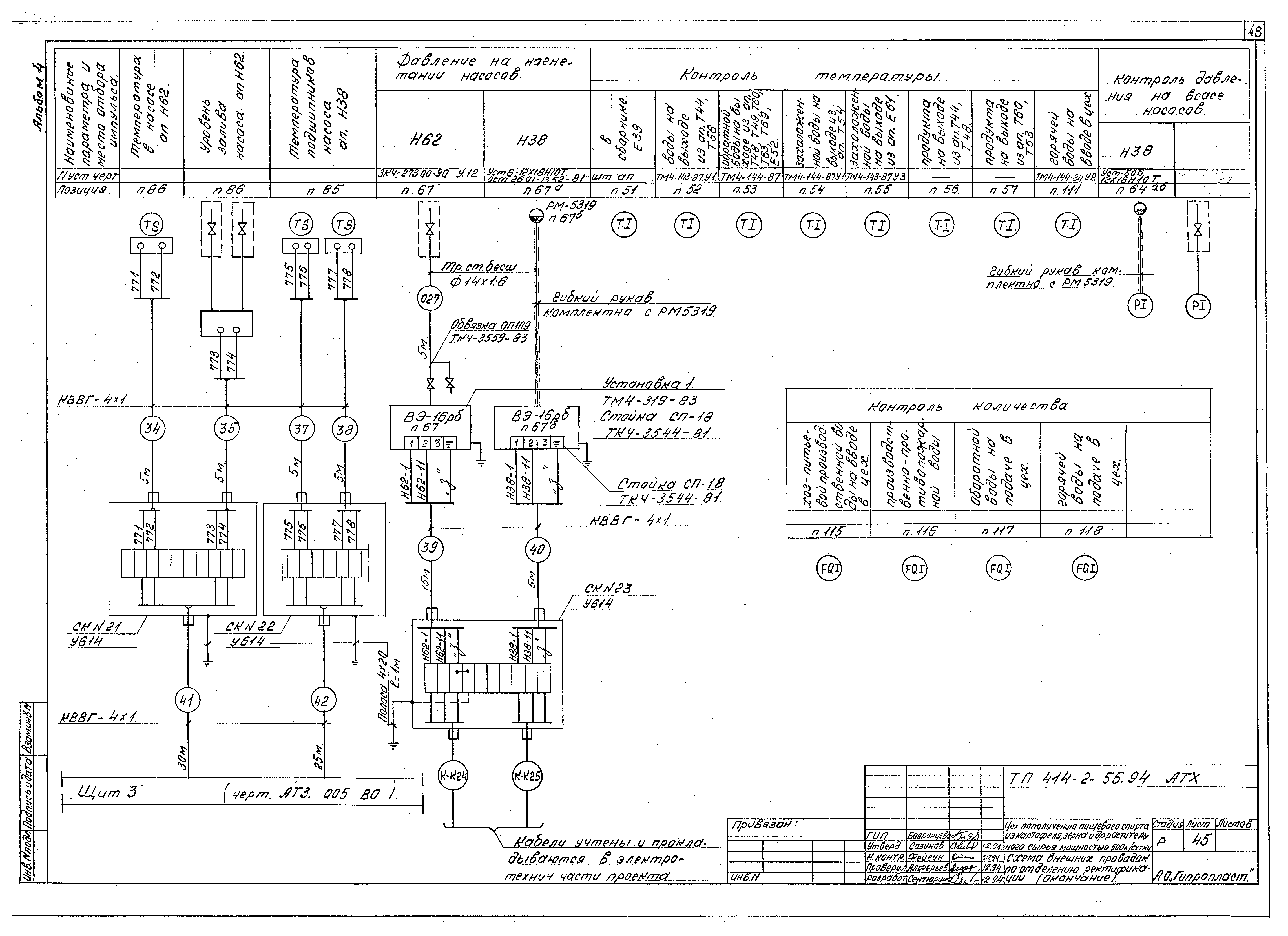
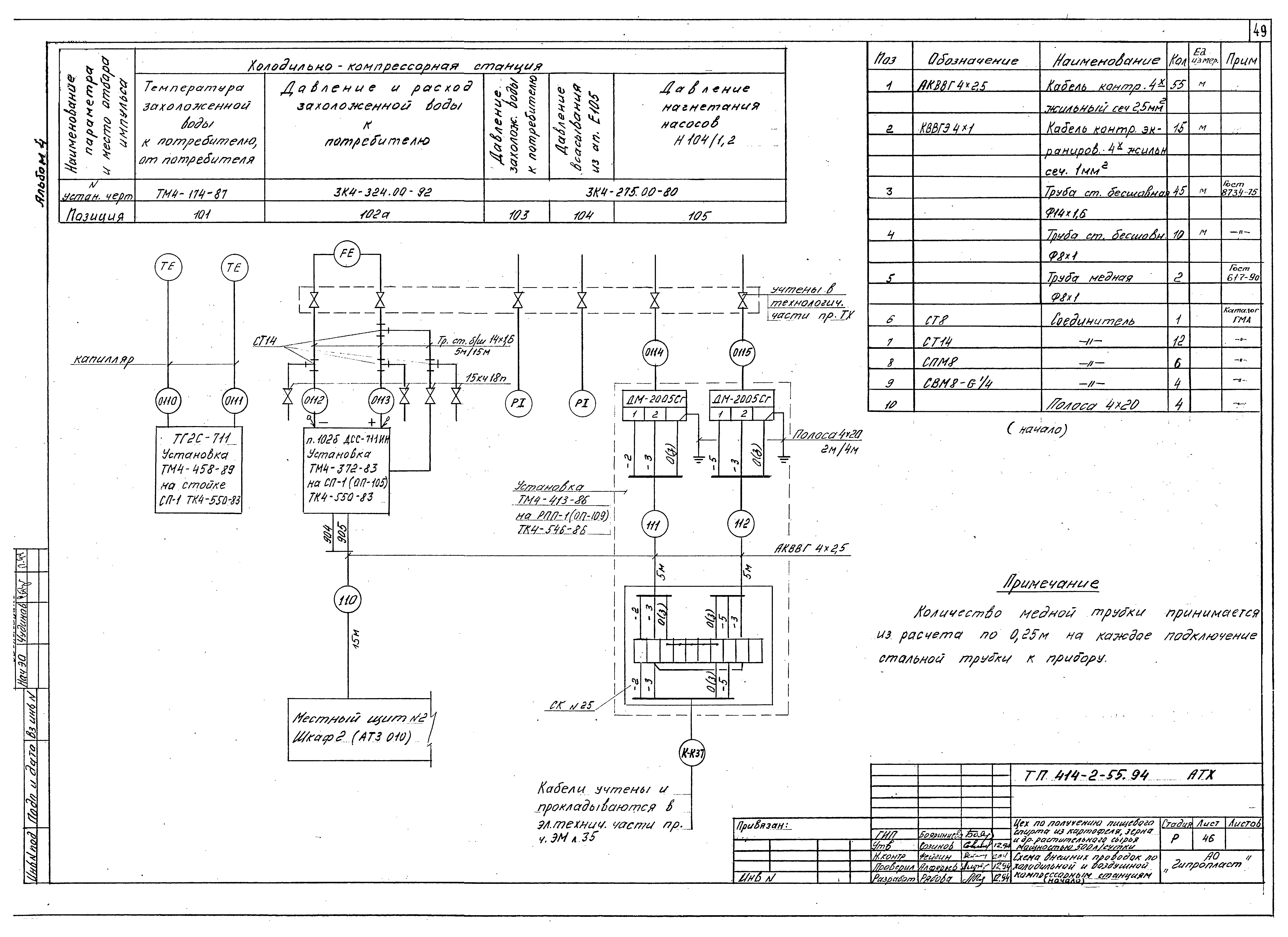
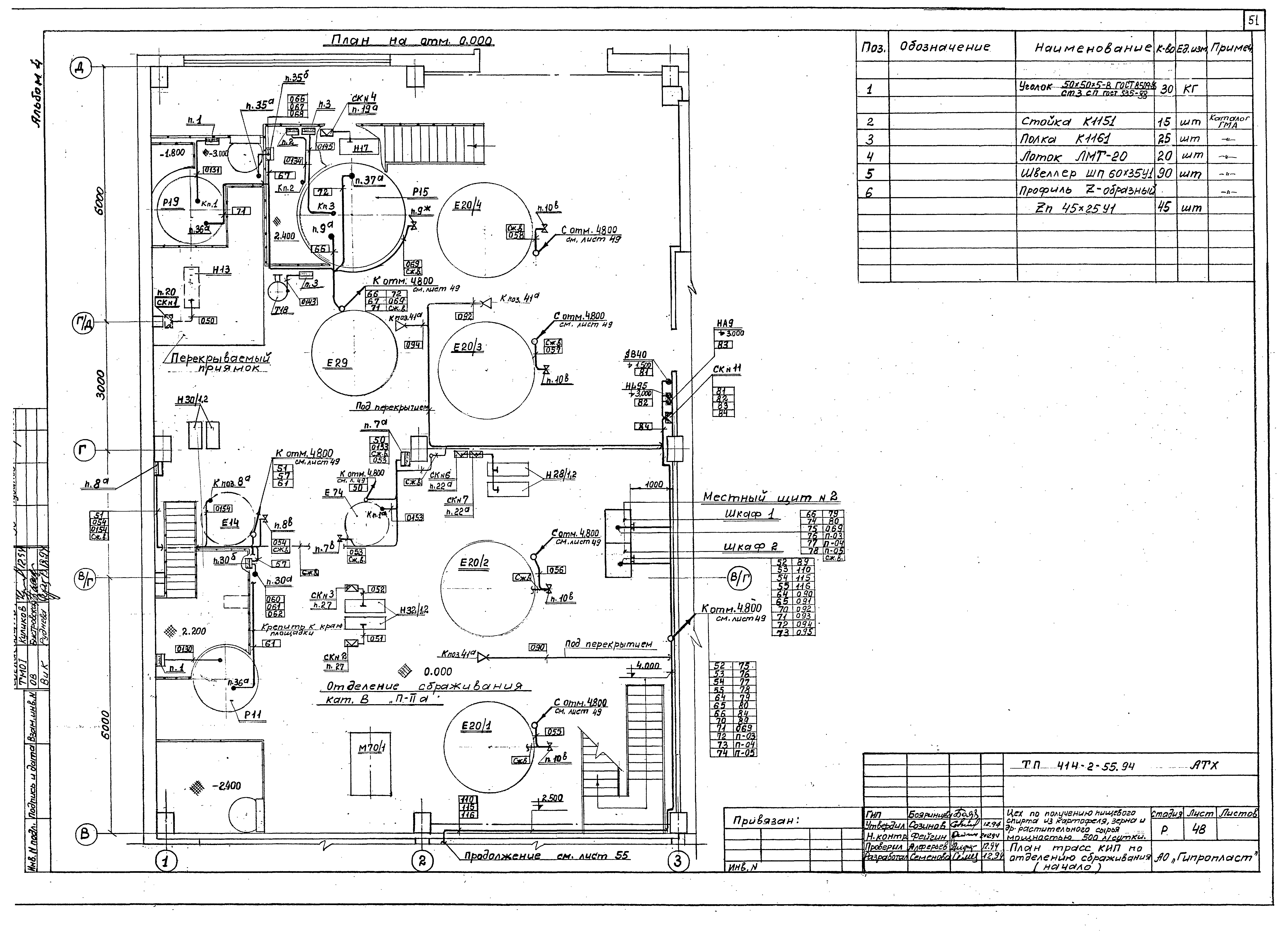
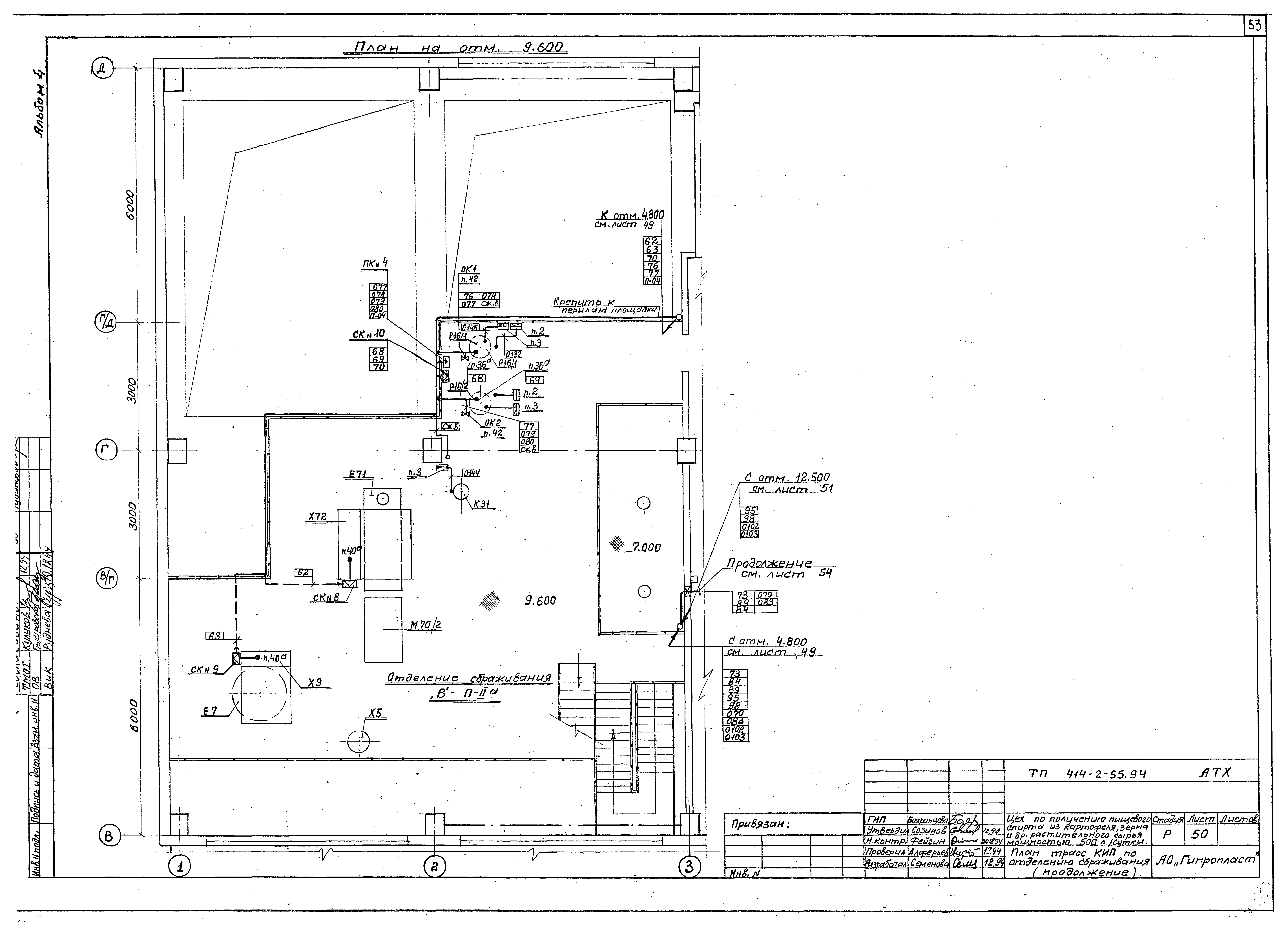
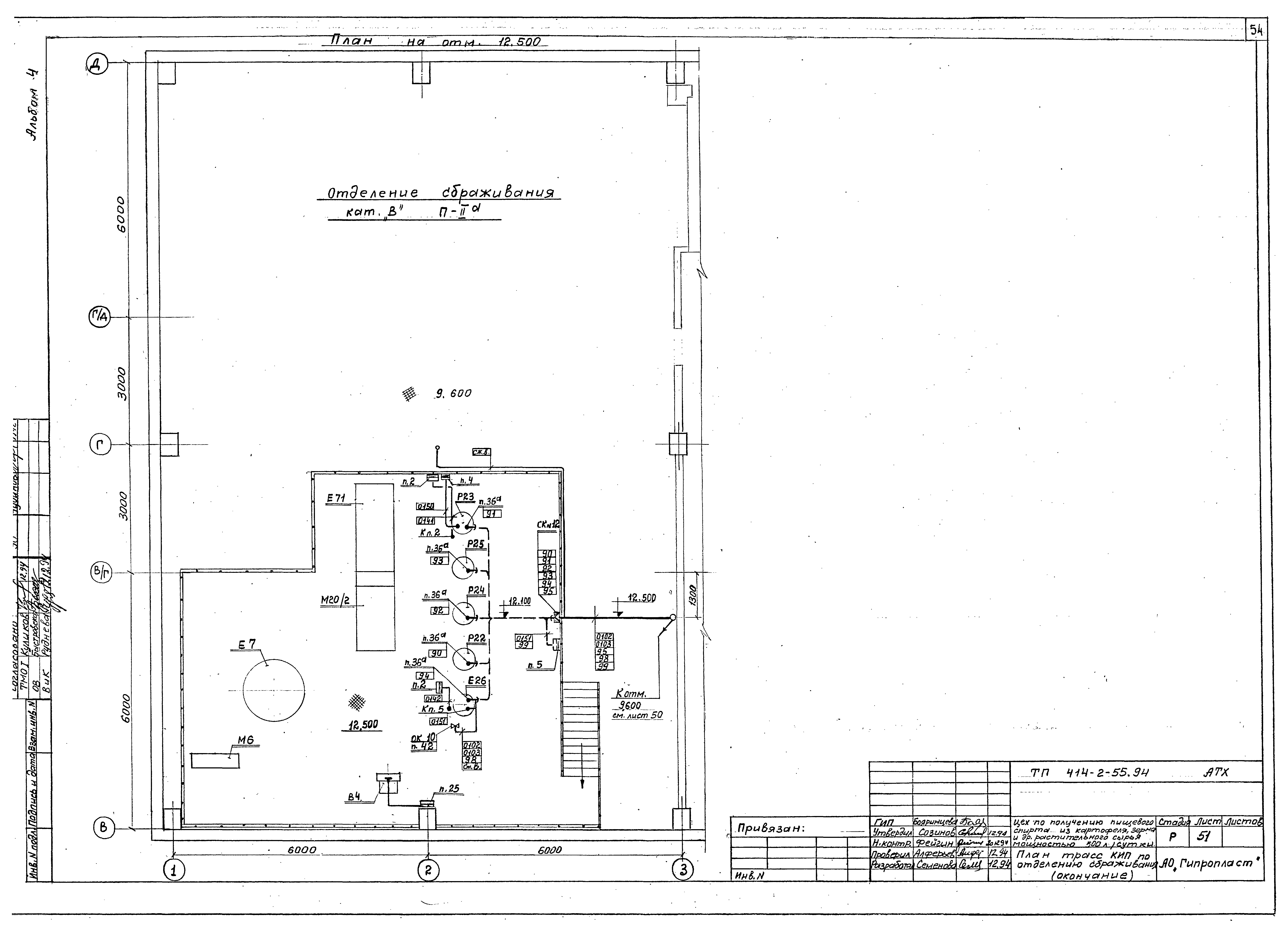
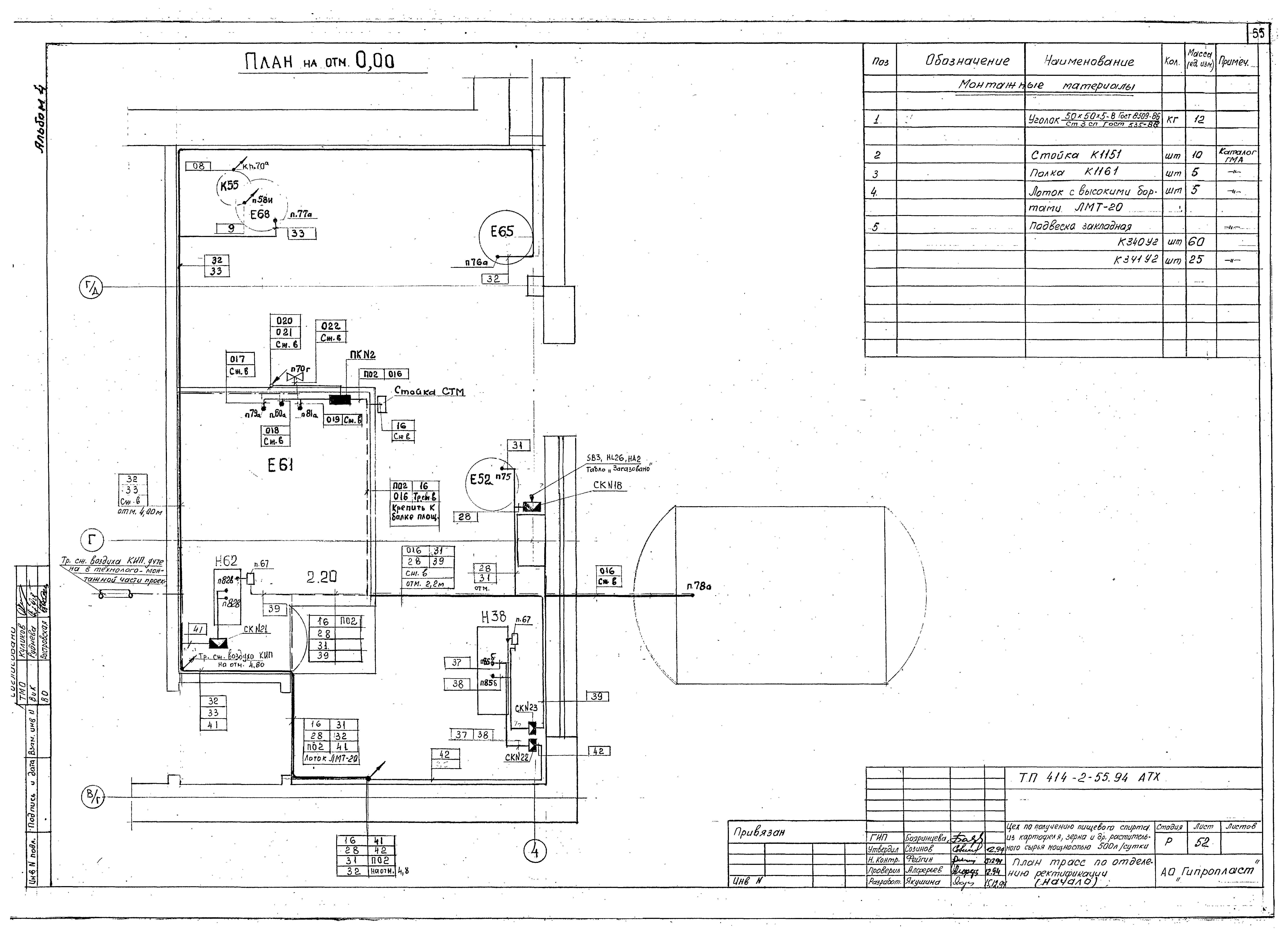
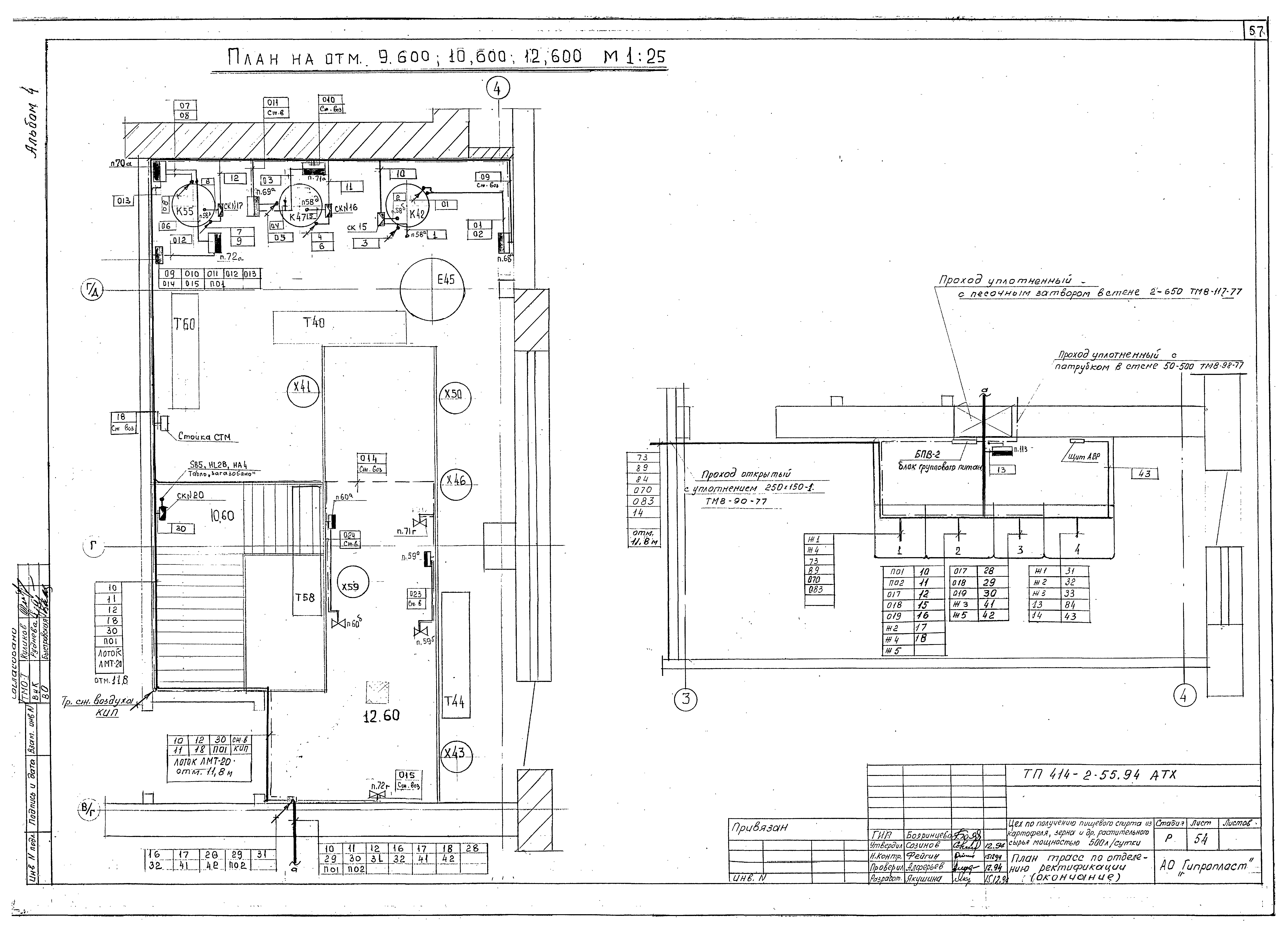
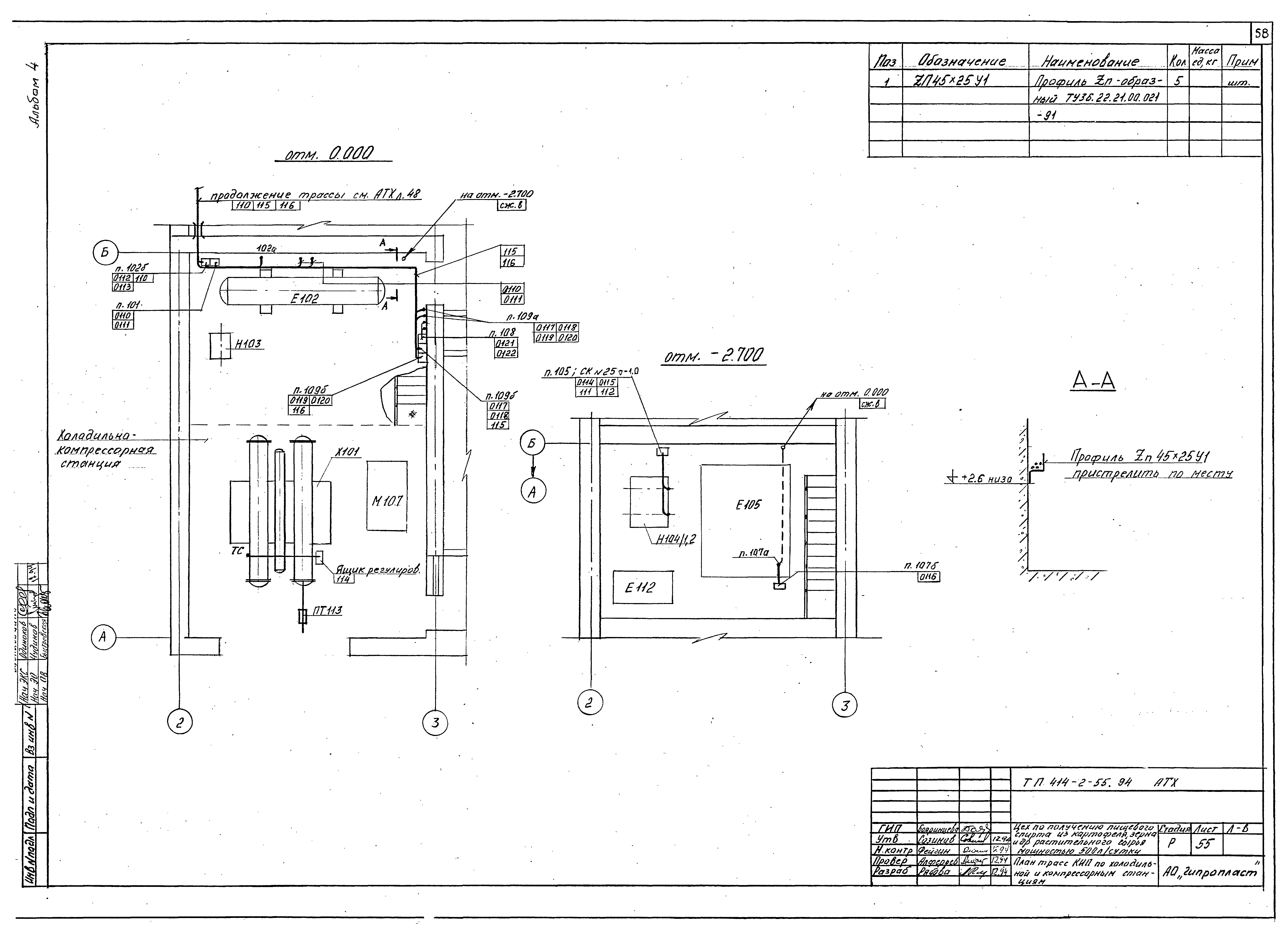
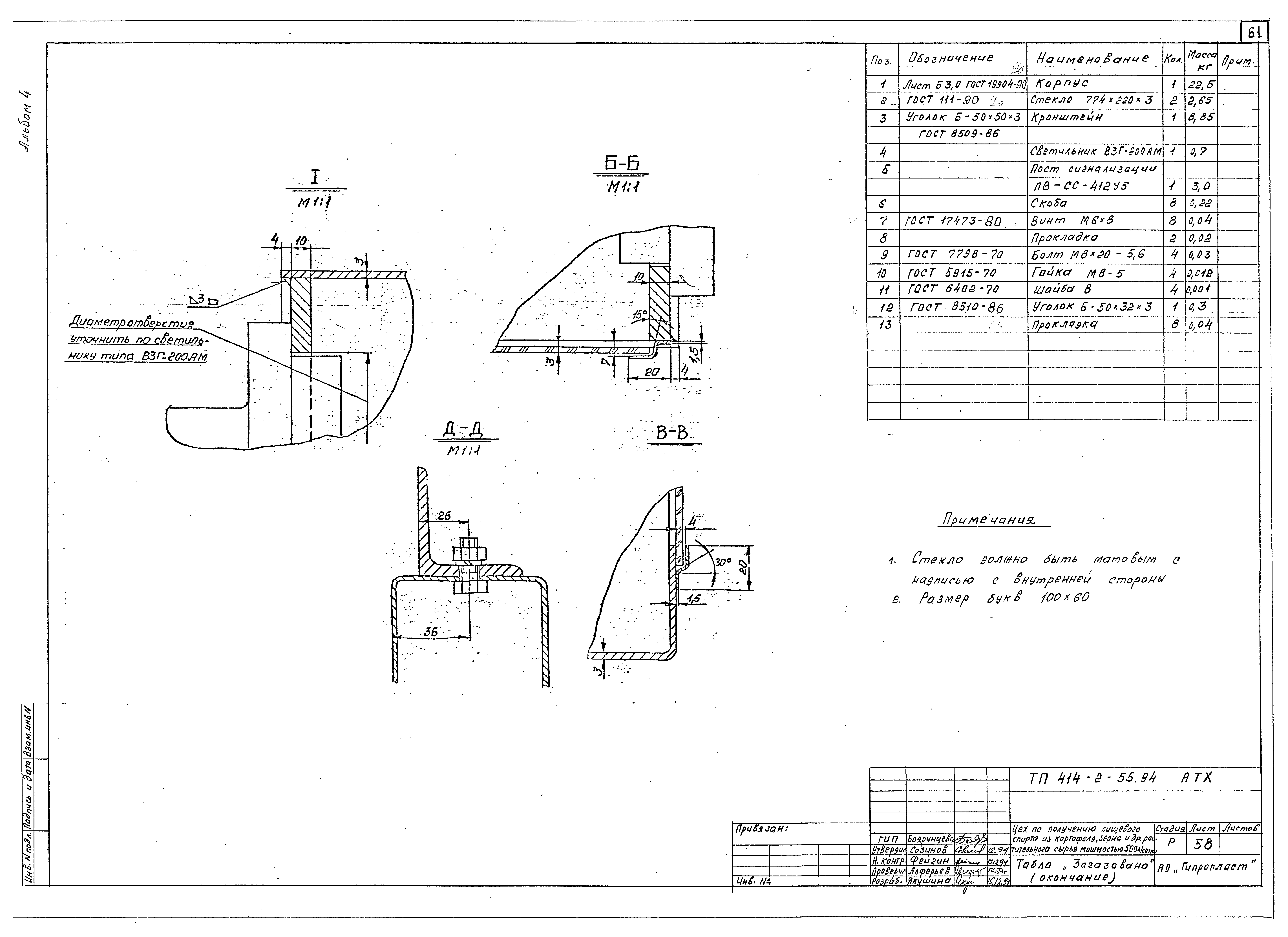
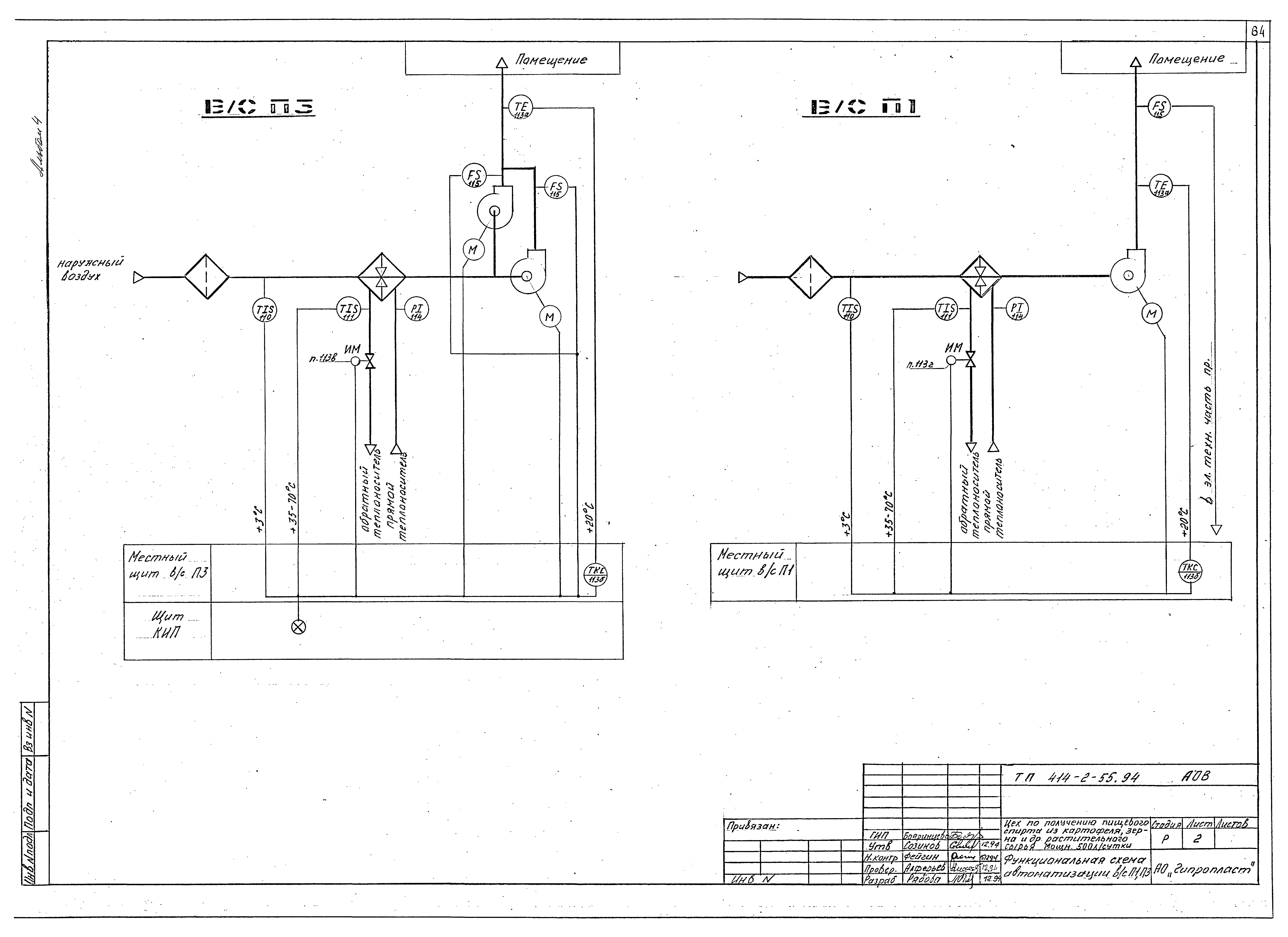
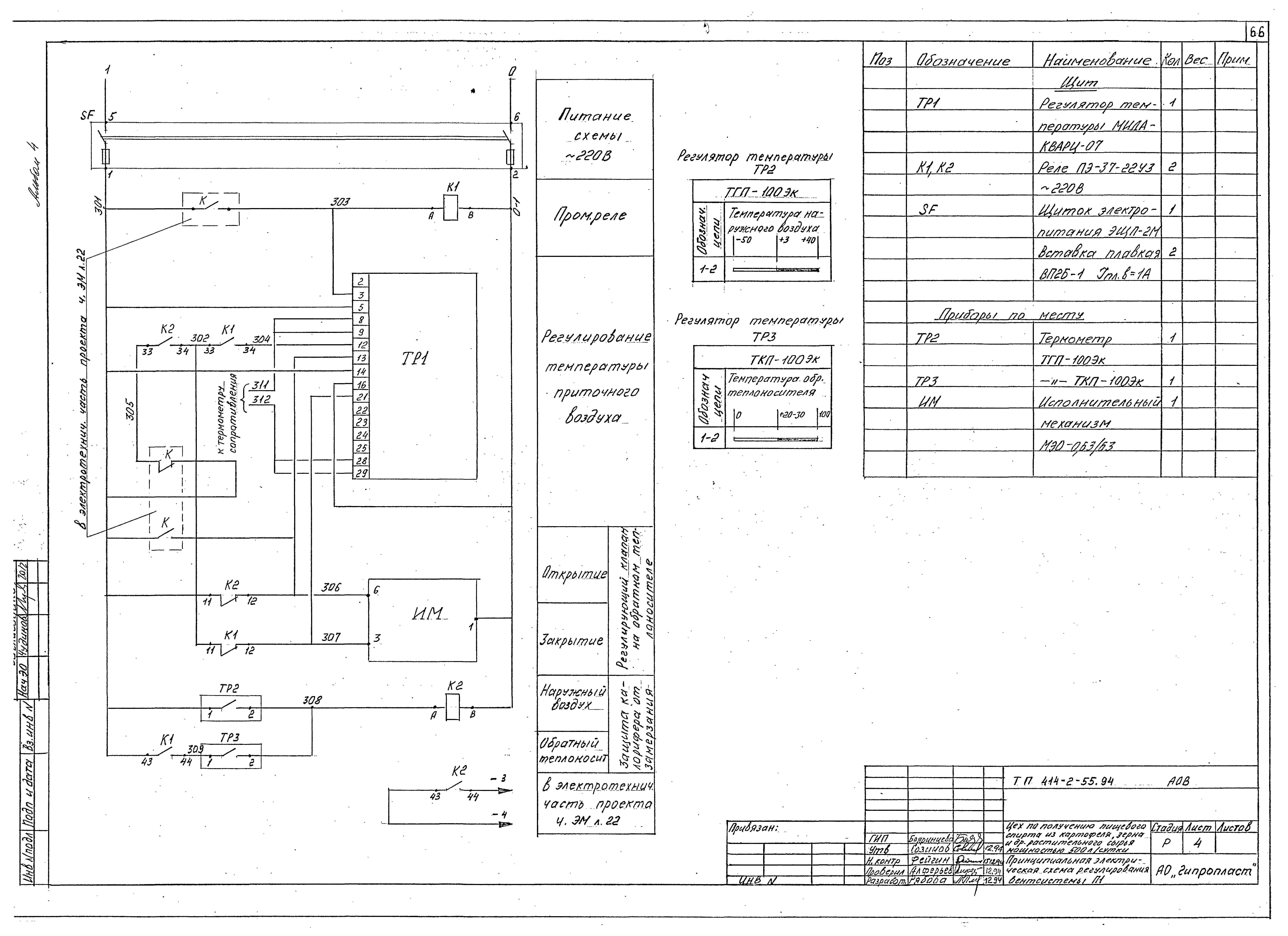
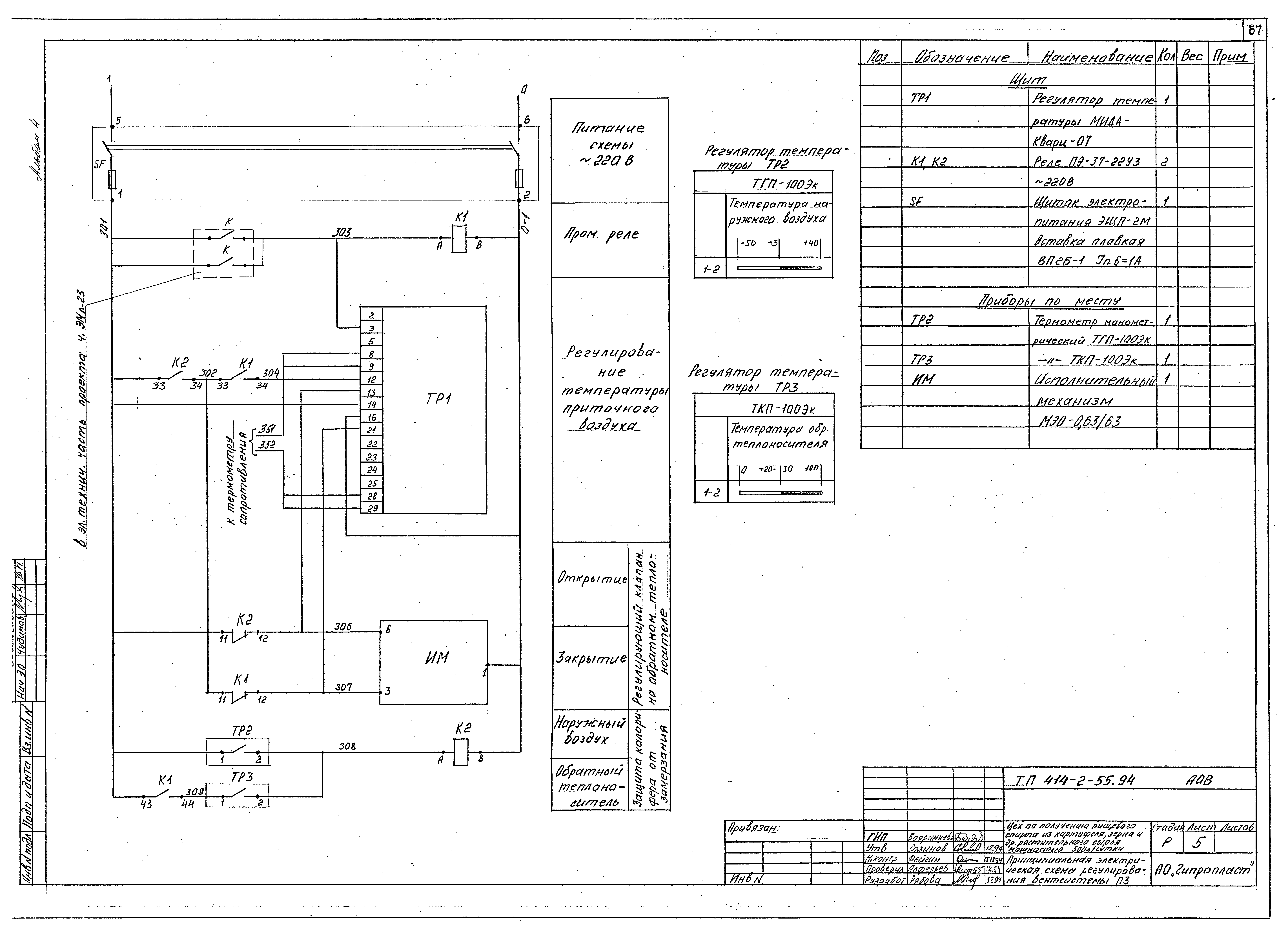
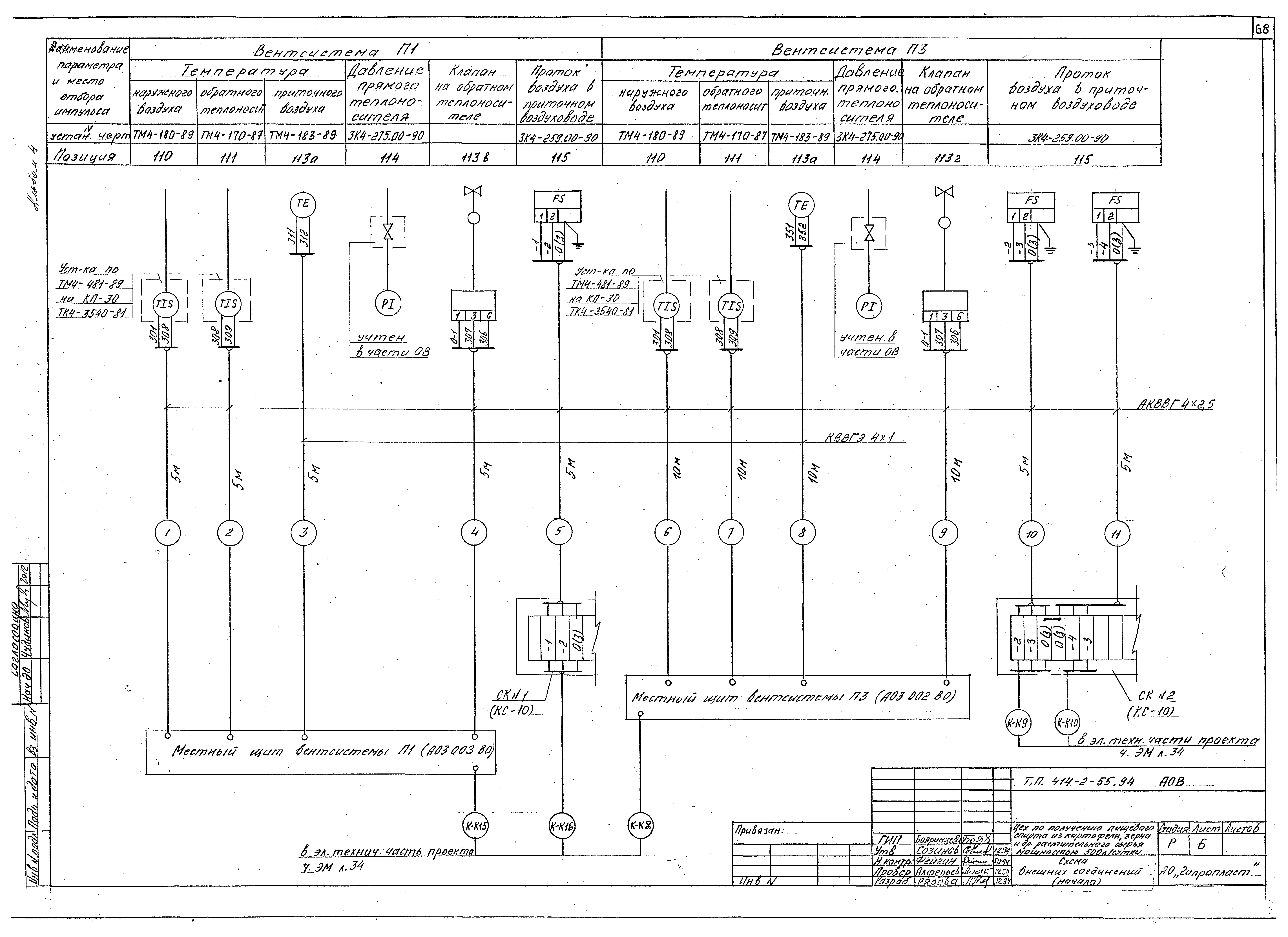
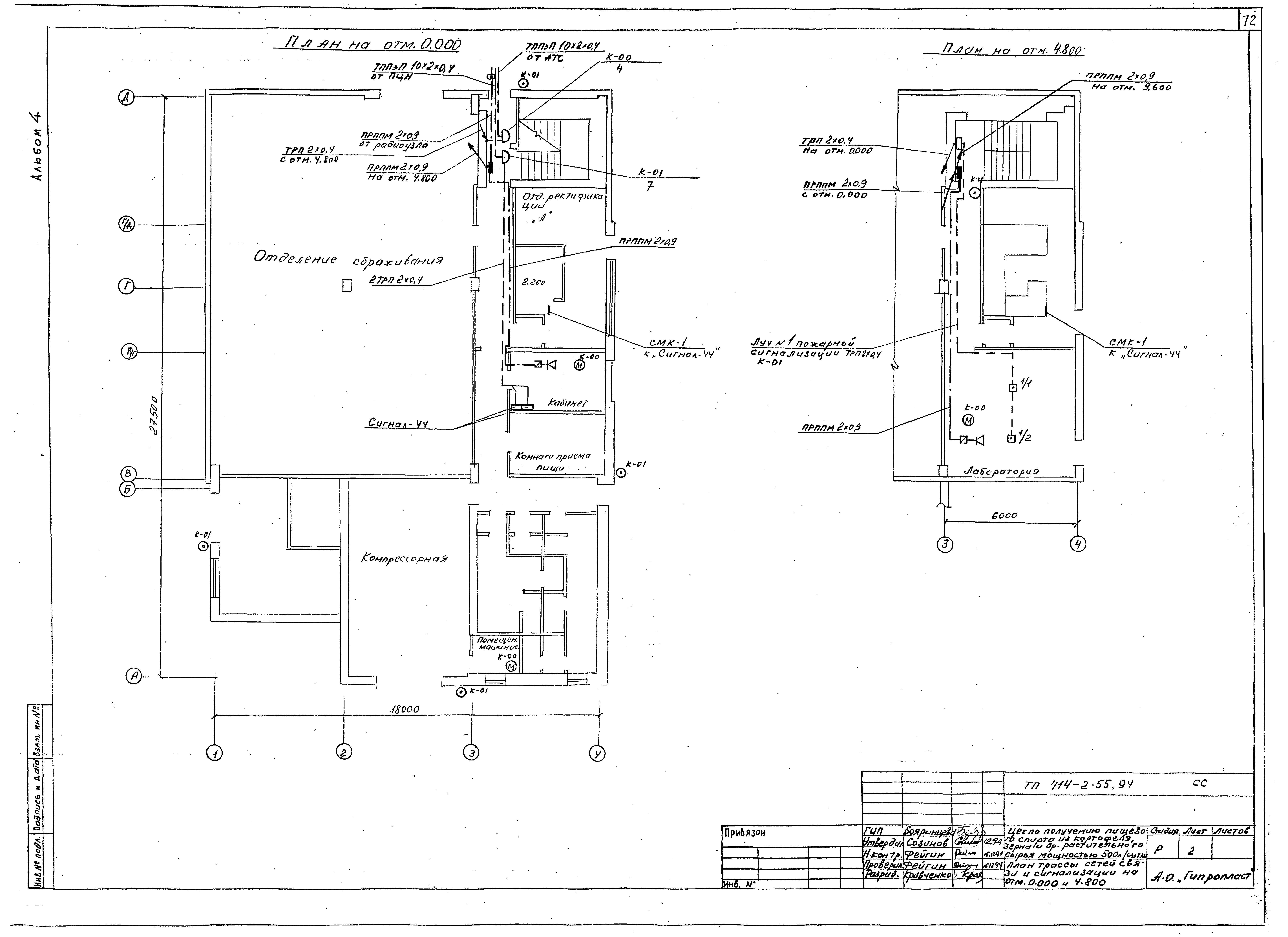
| Оглавление: | Чертежи основного комплекта марки АТХ Общие данные Функциональная схема отделения сбраживания Функциональная схема автоматизации отделения ректификации Функциональная схема автоматизации холодильной станции Функциональная схема автоматизации воздушно-компрессорной станции Принципиальная схема питания электроэнергией приборов и средств автоматизации отделения сбраживания Принципиальная электросхема питания схем и приборов электроэнергией отделения ректификации Принципиальная электросхема сигнализации местного щита №1 в отделении сбраживания Принципиальная электросхема сигнализации и управления местного щита №2 в отделении сбраживания Принципиальная электросхема сигнализации и управления местного щита №3 в отделении сбраживания Принципиальные электросхемы сигнализации ПДК CO2 в отделении сбраживания Принципиальная электросхема аварийной и технологической сигнализации по отделению ректификации Принципиальные электросхемы местной сигнализации и общих цепей по отделению ректификации Схема внешних проводок по отделению сбраживания Схема внешних проводок по отделению ректификации Схема внешних проводок по холодильной и воздушной компрессорным станциям План трасс КИП по отделению сбраживания План трасс КИП по отделению ректификации План трасс КИП по холодильной и воздушной компрессорным станциям Стойка блока датчика СТМ-10 Табло "ЗАГАЗОВАНО" Стойка для установки ПКП.1.2 Чертежи основного комплекта марки АОВ Общие данные Функциональная схема автоматизации в/с П1, П3 Функциональная схема автоматизации узла управления Принципиальная электрическая схема регулирования в/с П1 Принципиальная электрическая схема регулирования в/с П2 Схема внешних соединений План трасс Чертежи основного комплекта марки СС Общие данные План трассы сетей связи и сигнализации на отм. 0.000 и 4.800 План трассы сетей связи и сигнализации на отм. 9.600. Схемы скелетные. Абонентский список |
| Разработан: | Гипропласт Минхимнефтепрома СССР |
| Утверждён: | 16.12.1994 Роскомхимнефтепром (Roskomkhimnefteprom 09/1-11-122) |









































































