Скачать Типовой проект 414-2-55.94 Альбом 5. Архитектурные решения. Конструкции железобетонные. Конструкции металлическиеДата актуализации: 01.01.2021
|
| Обозначение: | Типовой проект 414-2-55.94 |
| Обозначение англ: | 414-2-55.94 |
| Статус: | не определен законодательством |
| Название рус.: | Альбом 5. Архитектурные решения. Конструкции железобетонные. Конструкции металлические |
| Дата добавления в базу: | 01.09.2013 |
| Дата актуализации: | 01.01.2021 |
| Дата введения: | 21.12.1994 |
| Дата окончания срока действия: | 30.06.2003 |
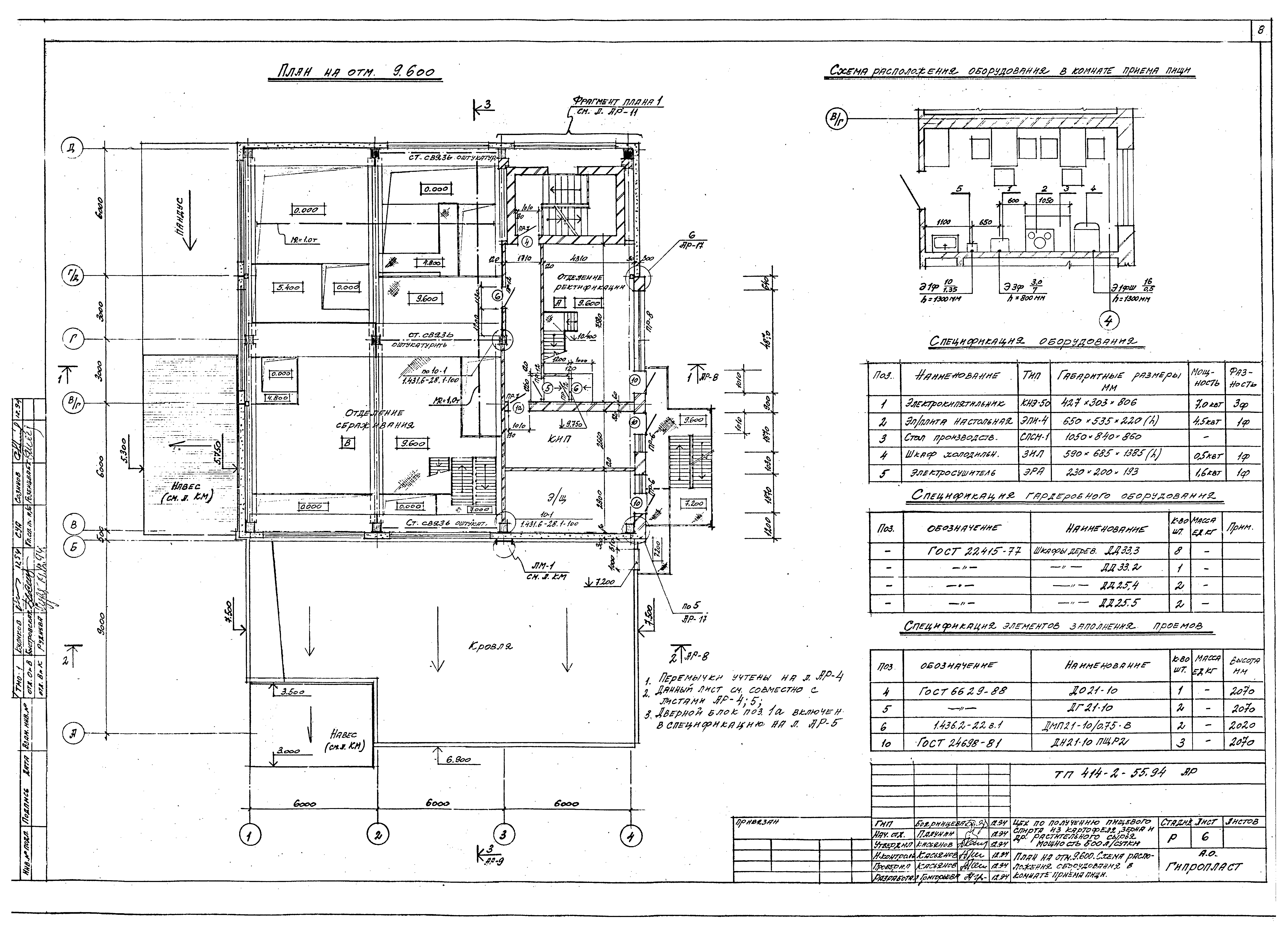
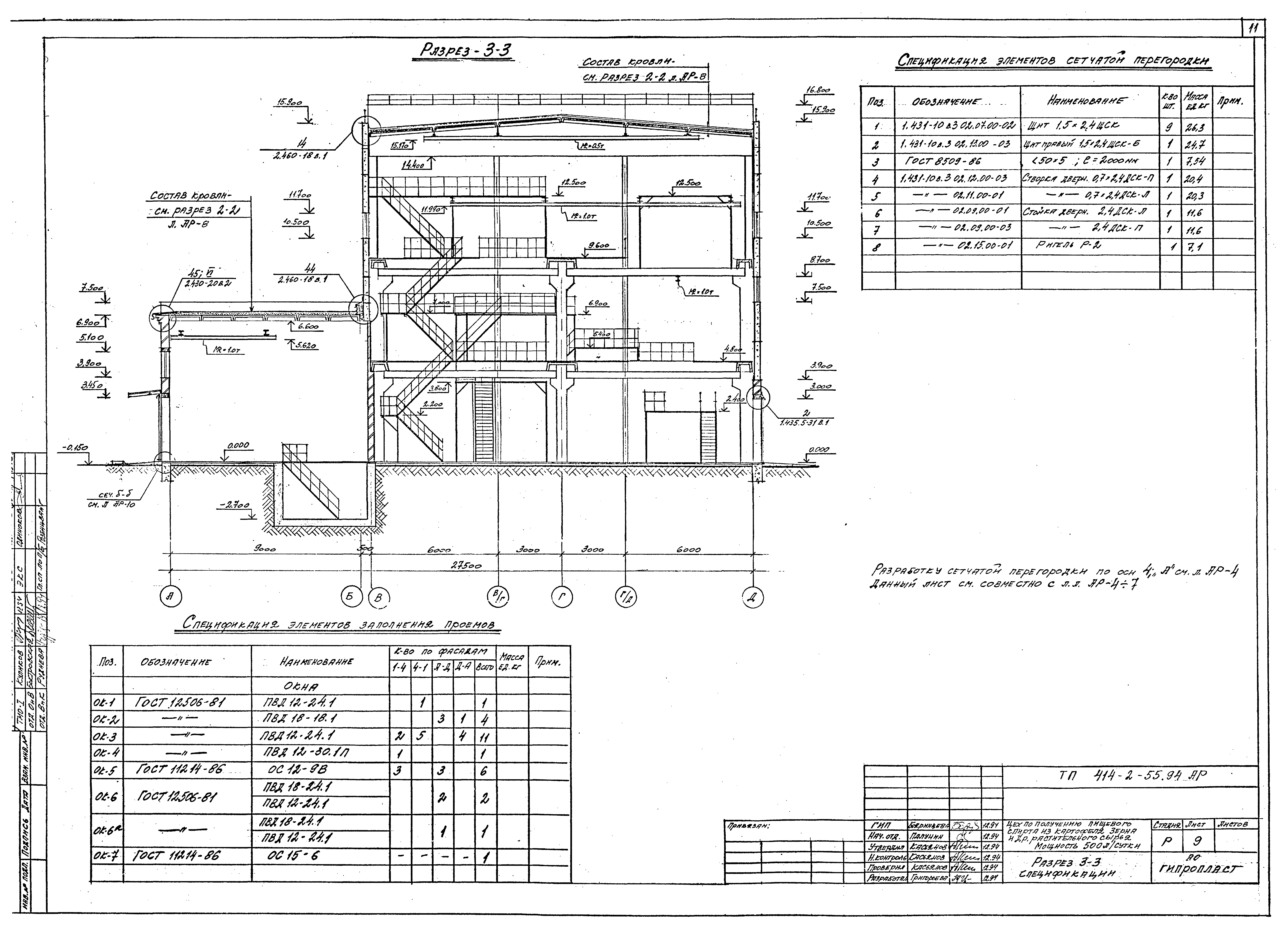
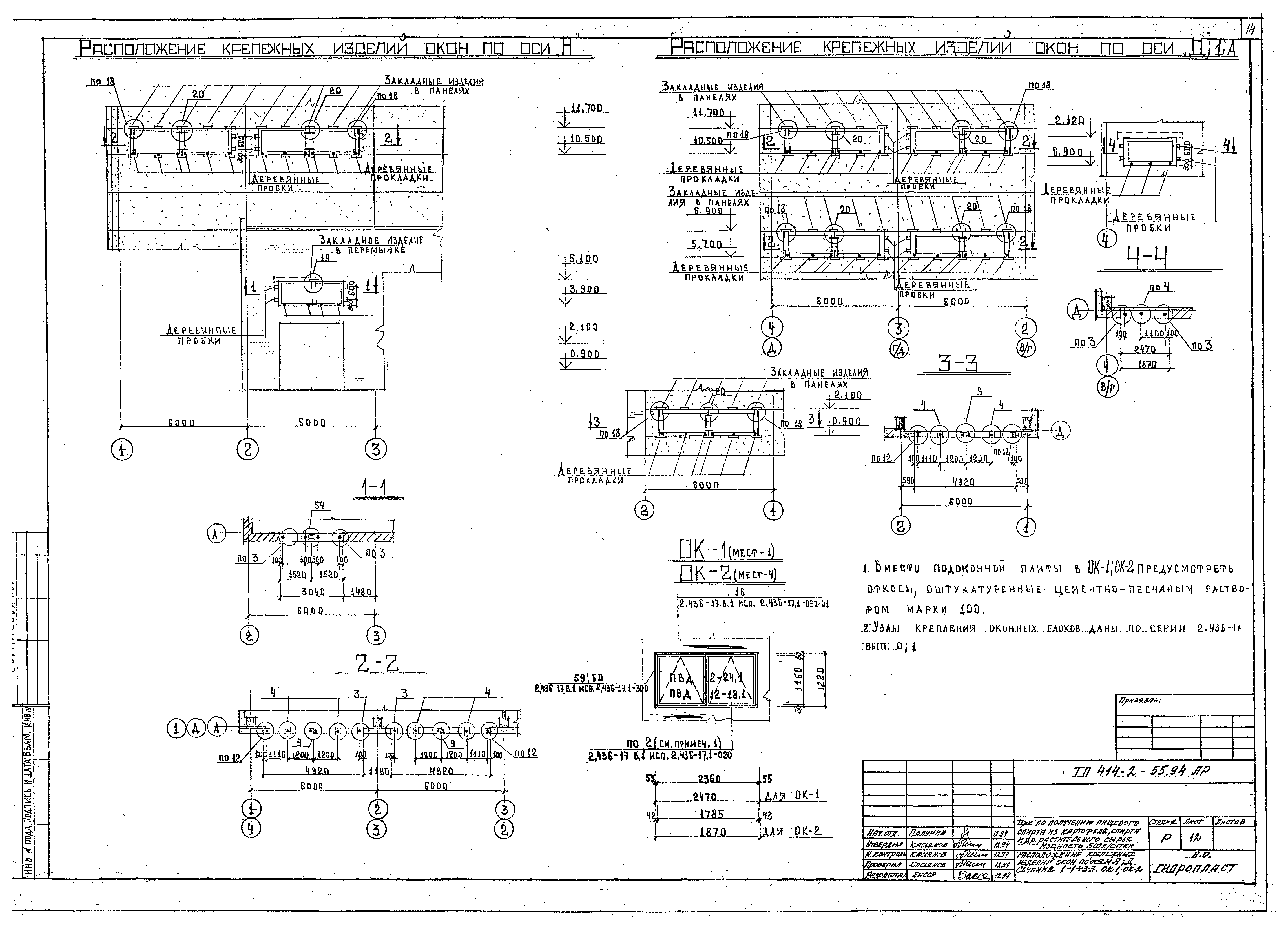
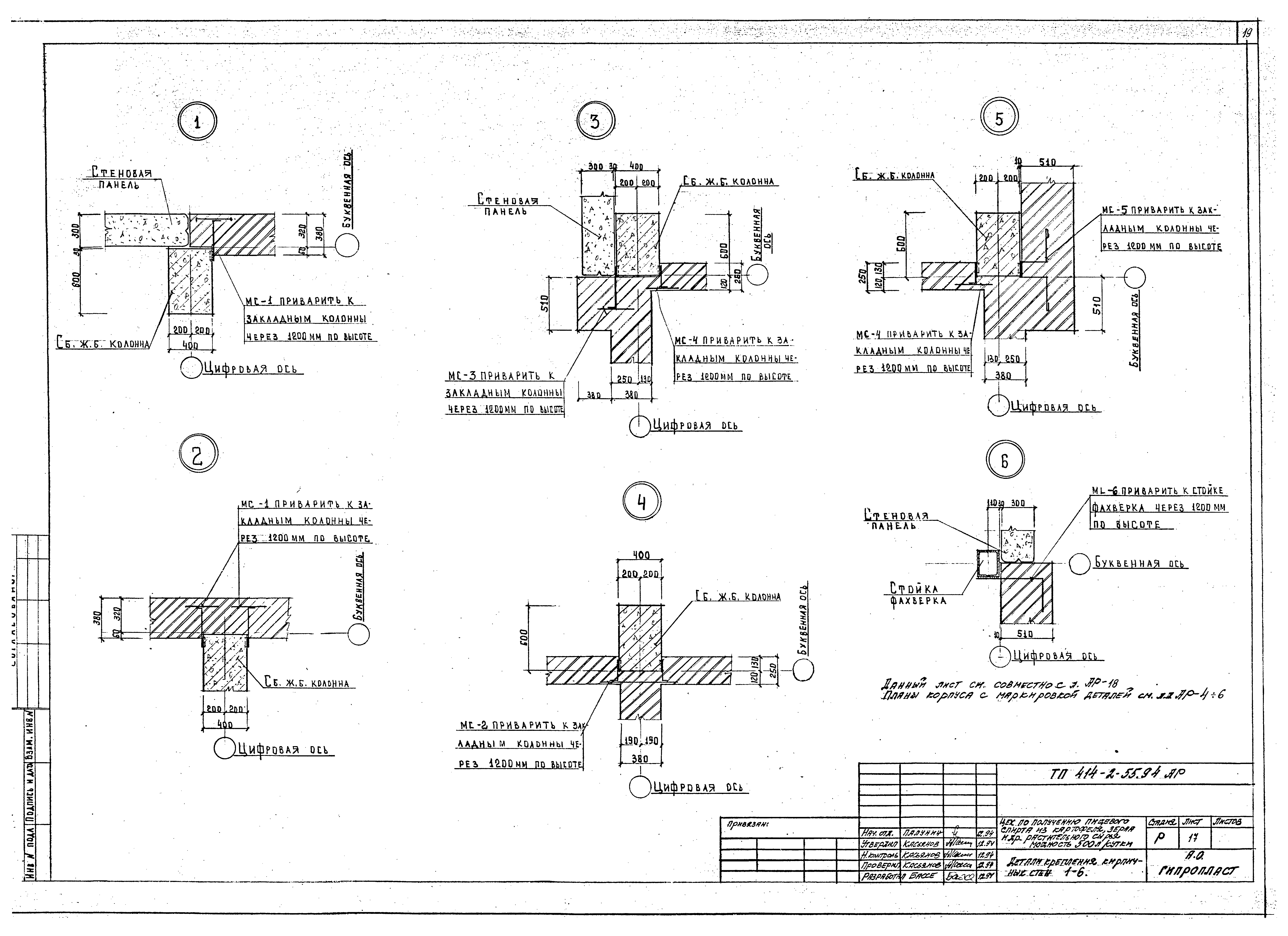
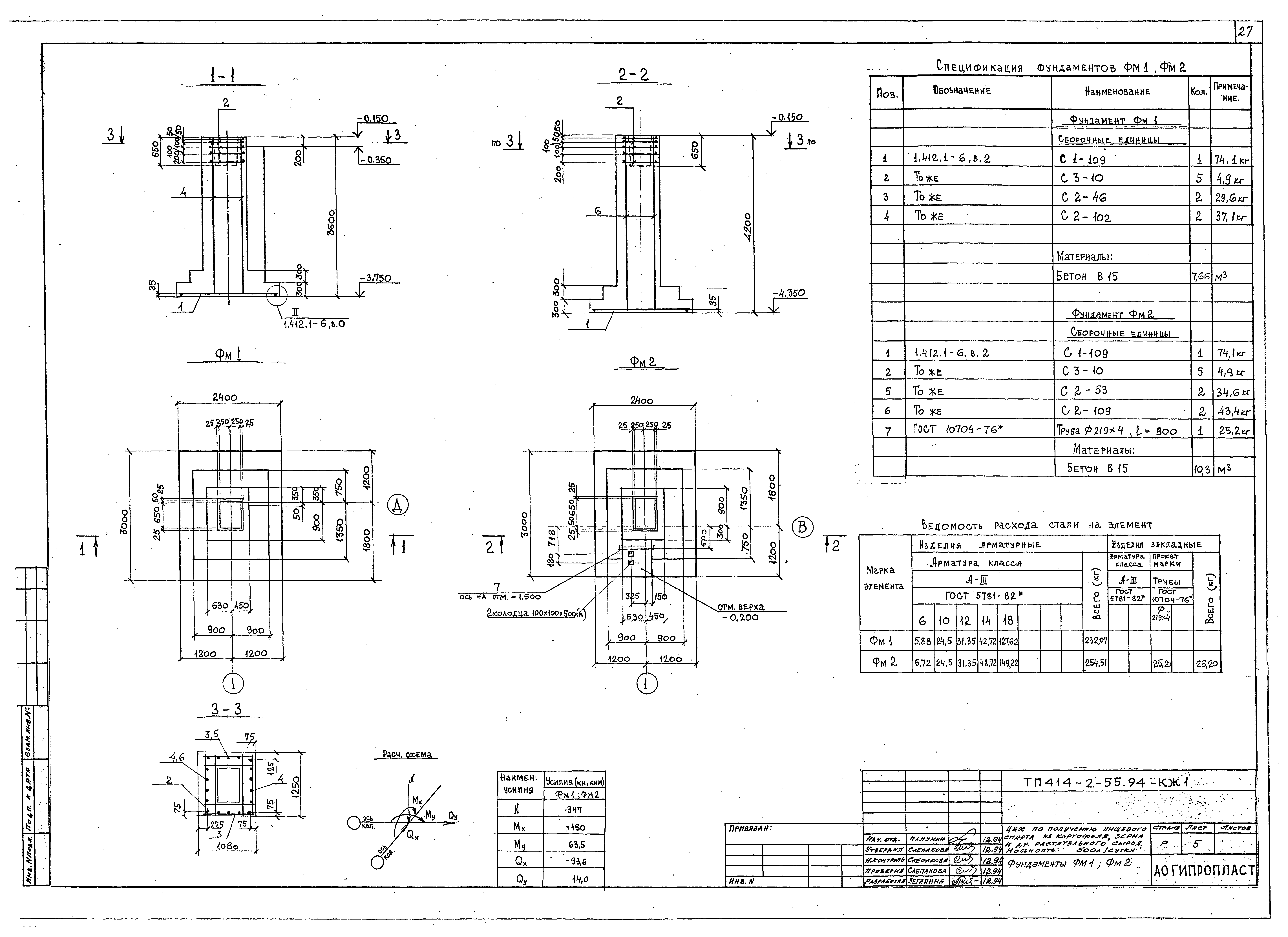
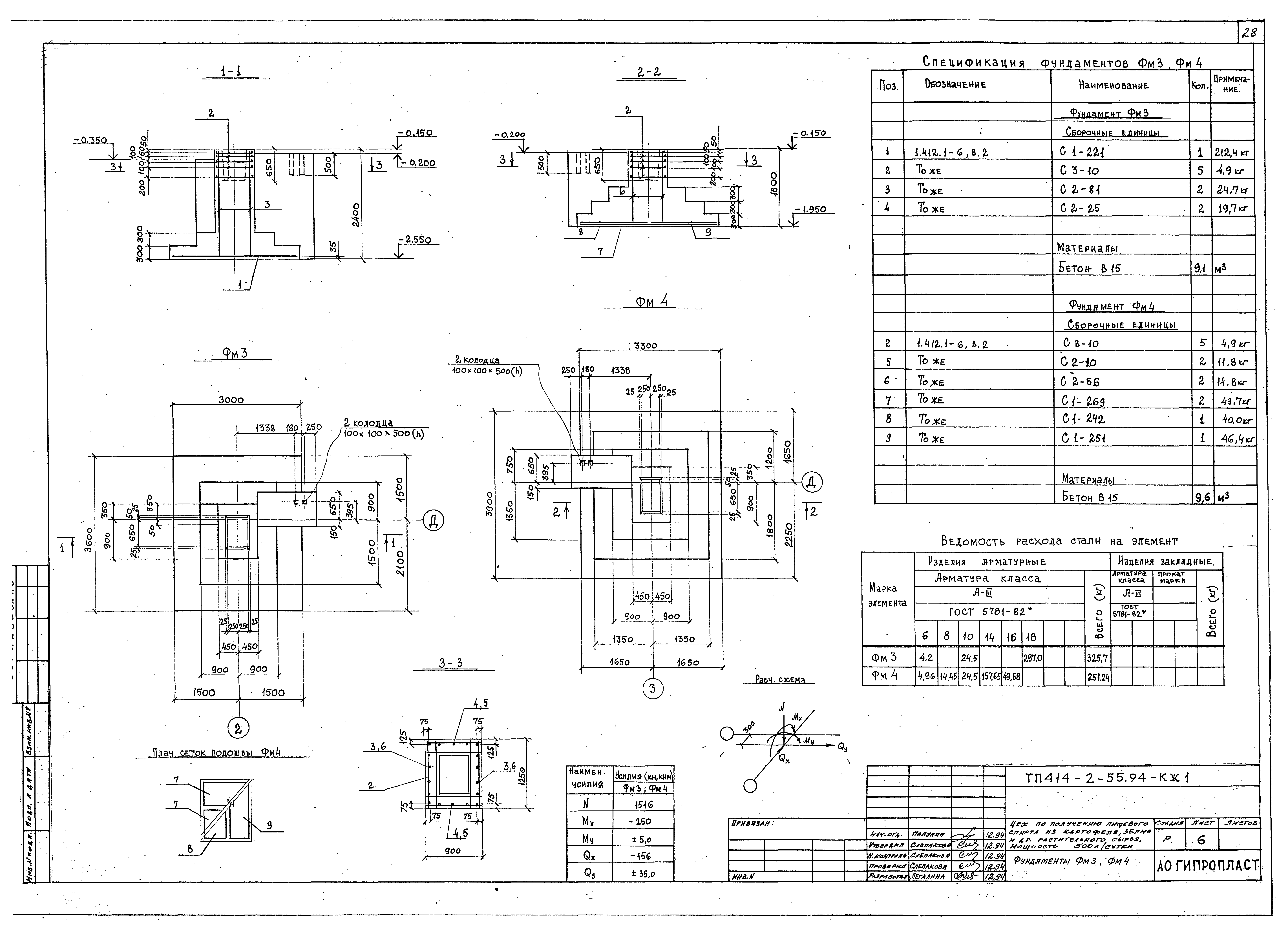
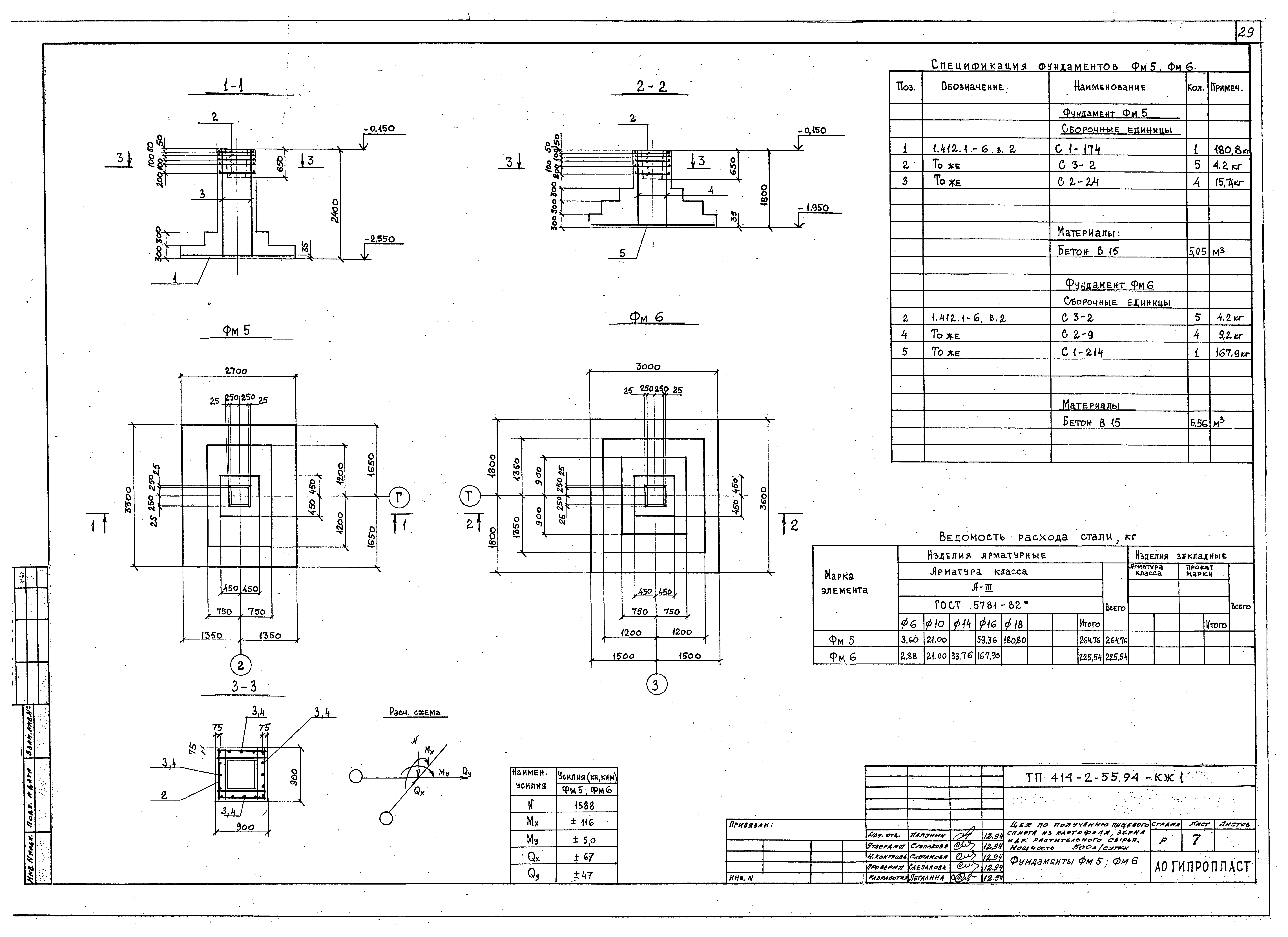
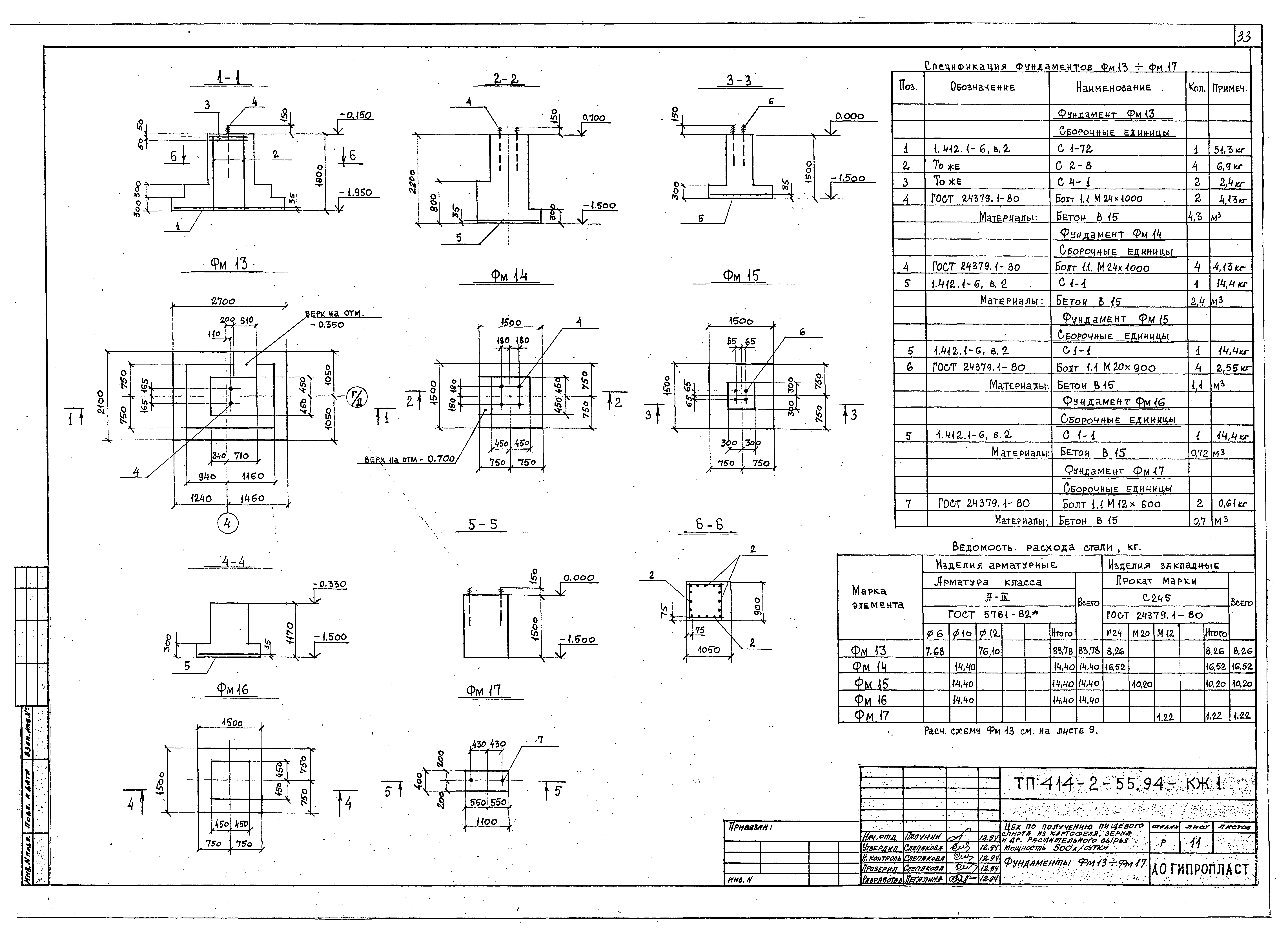
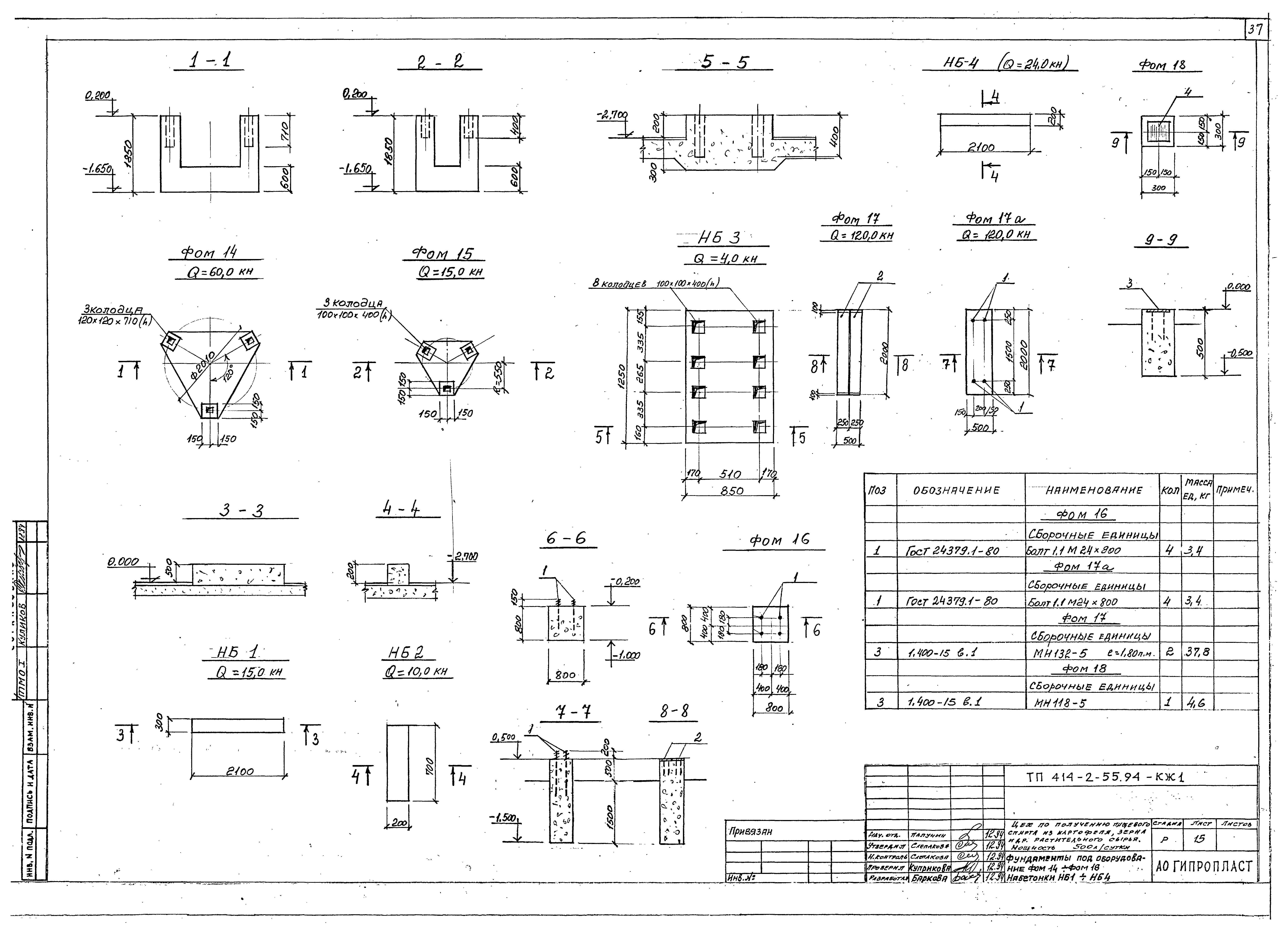
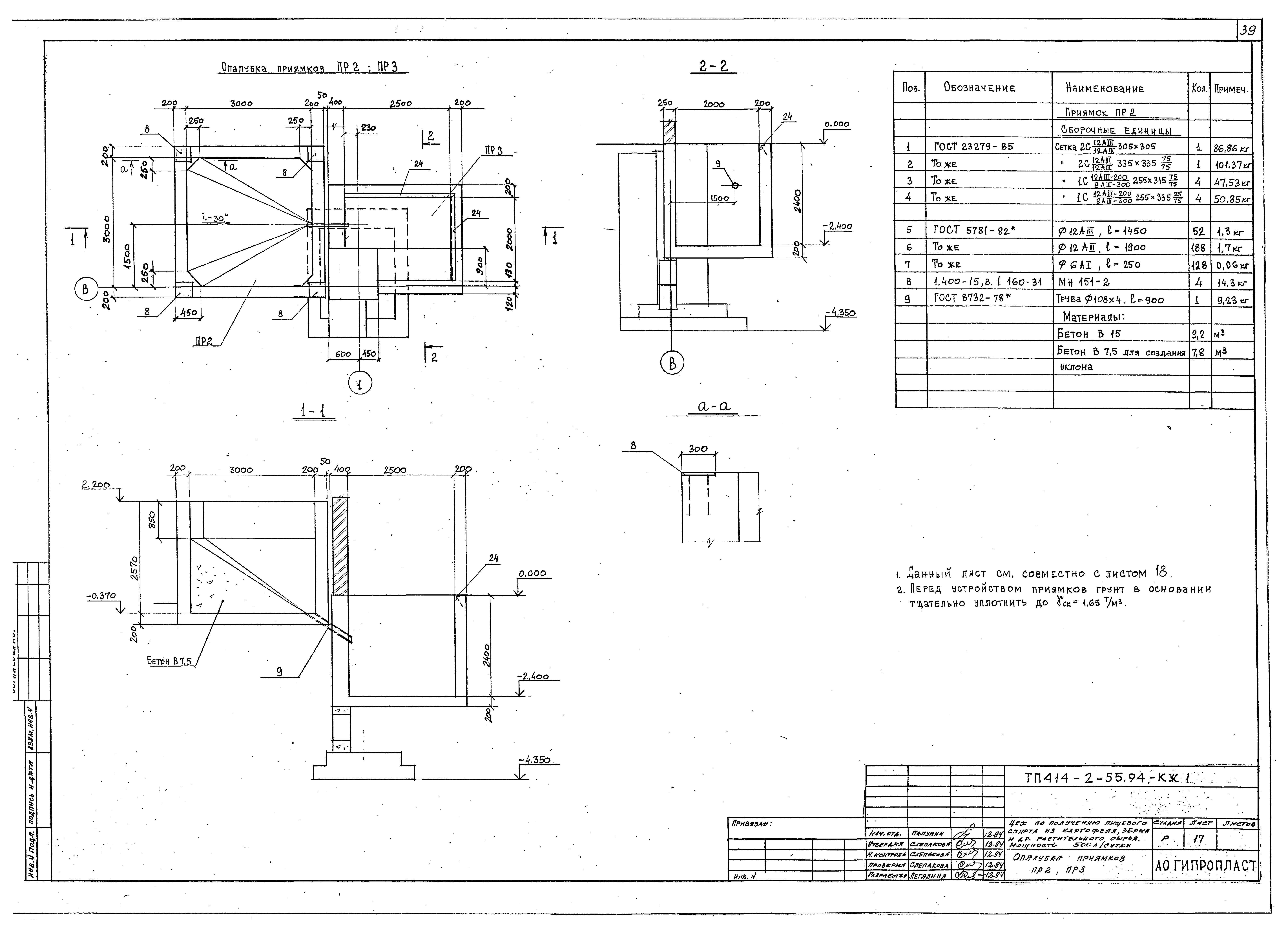
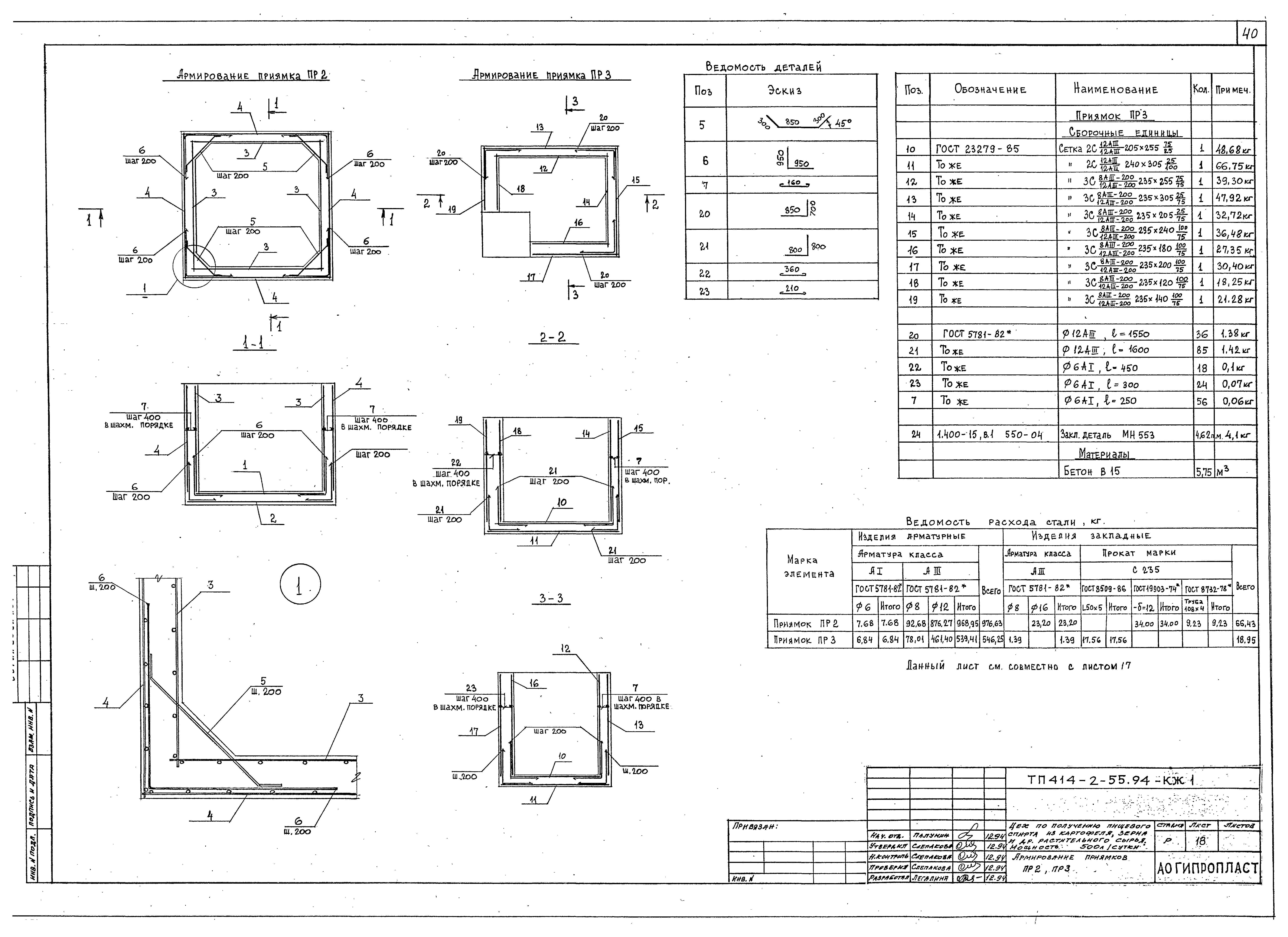
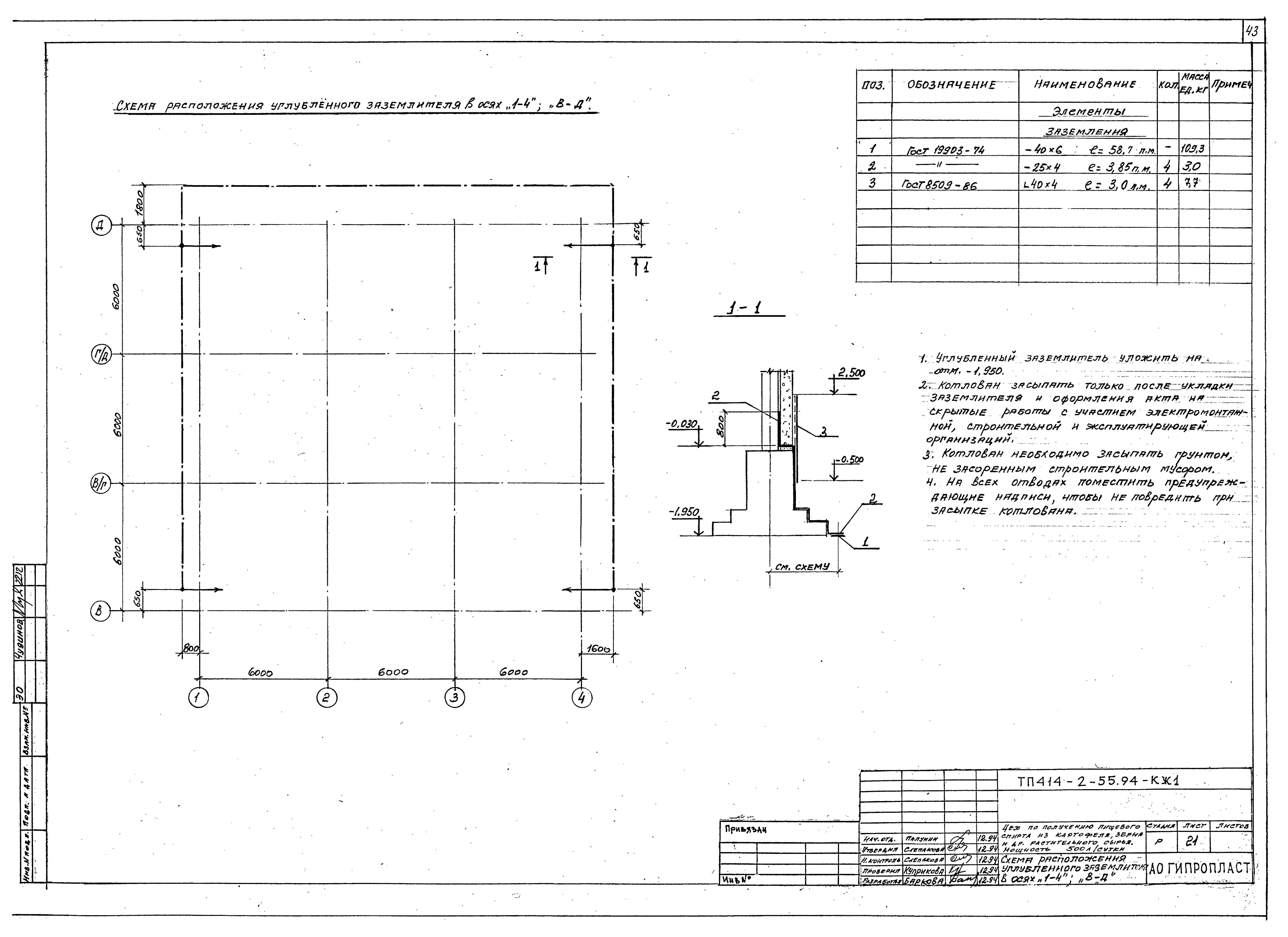
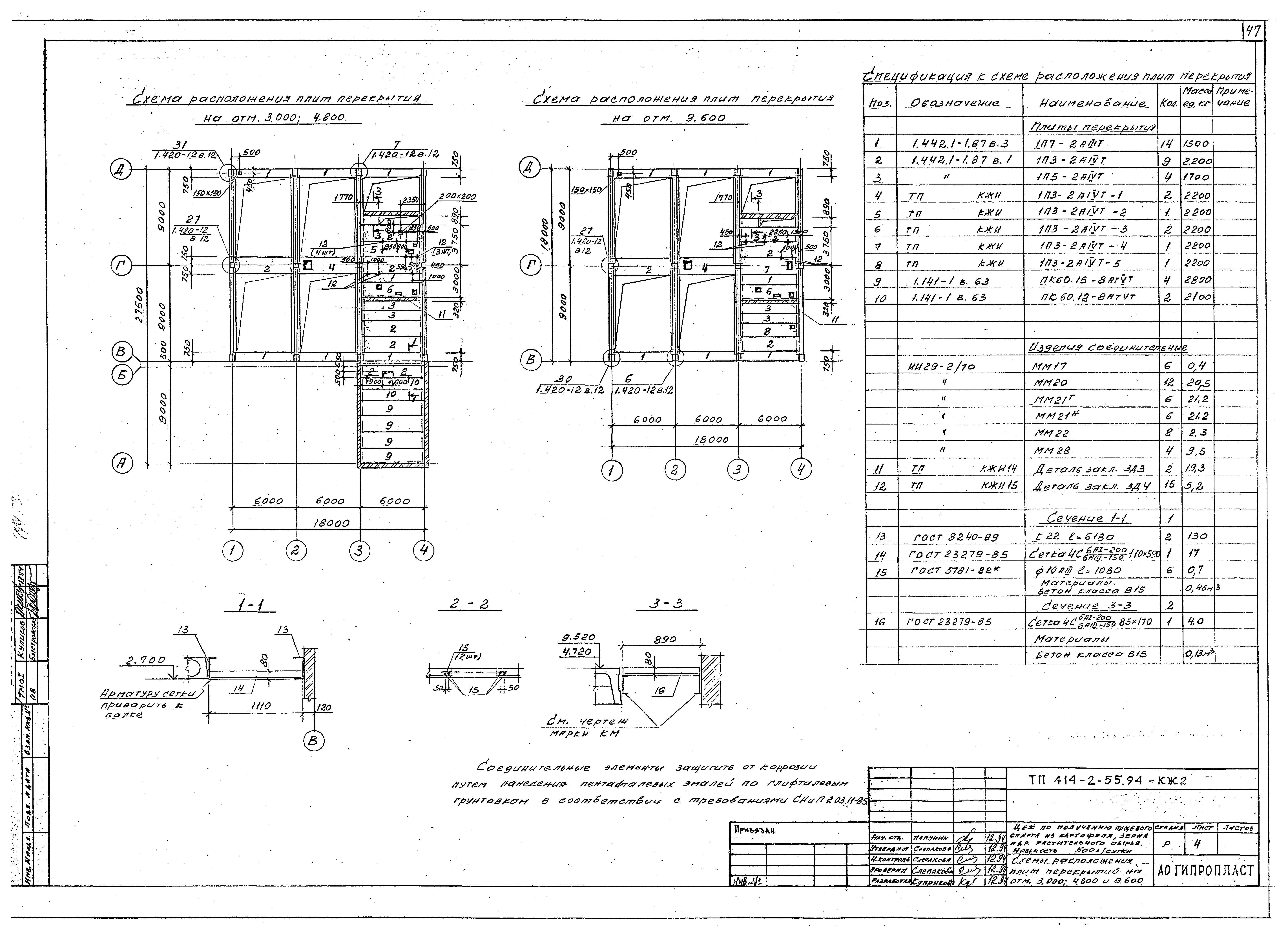
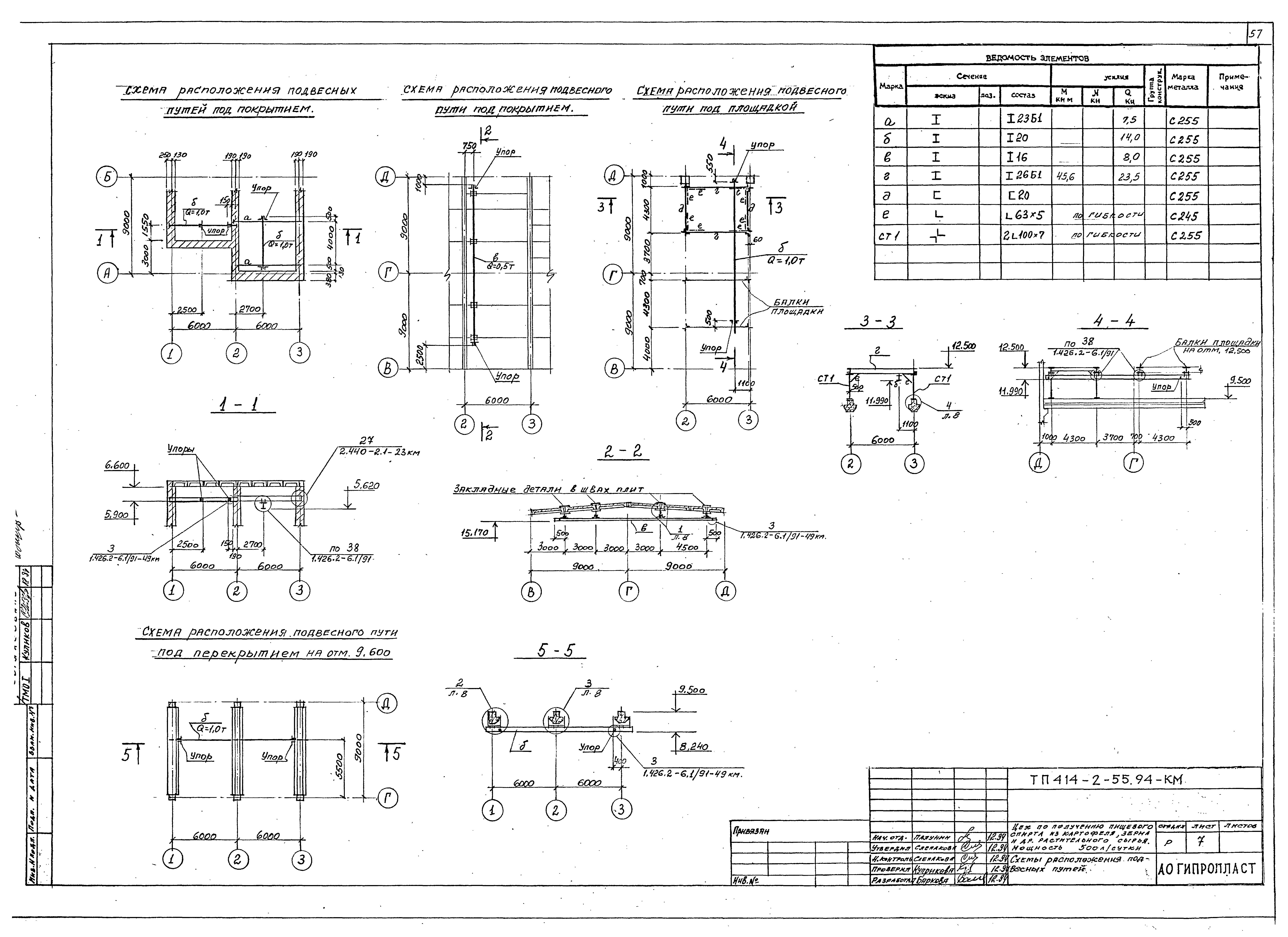
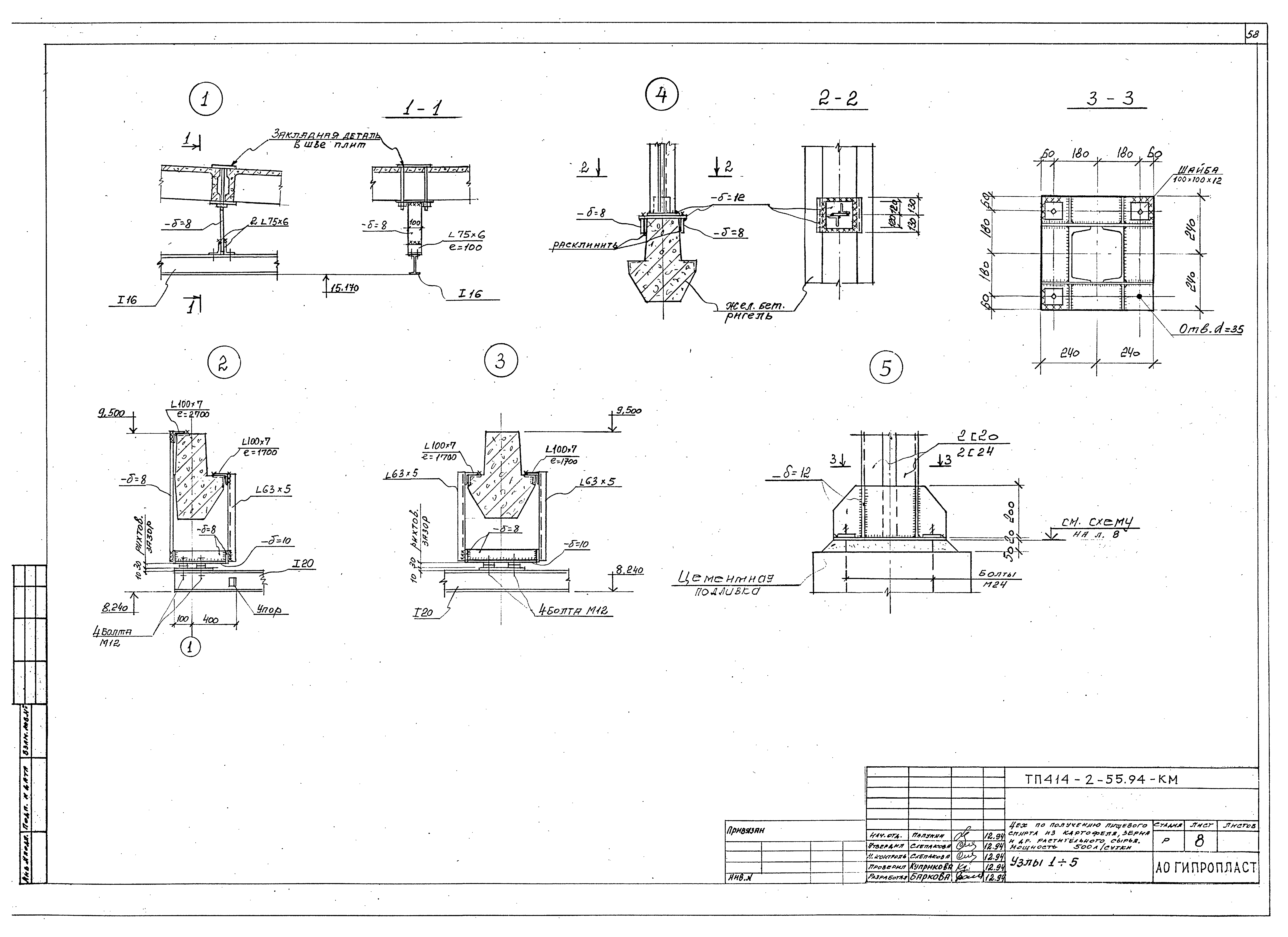
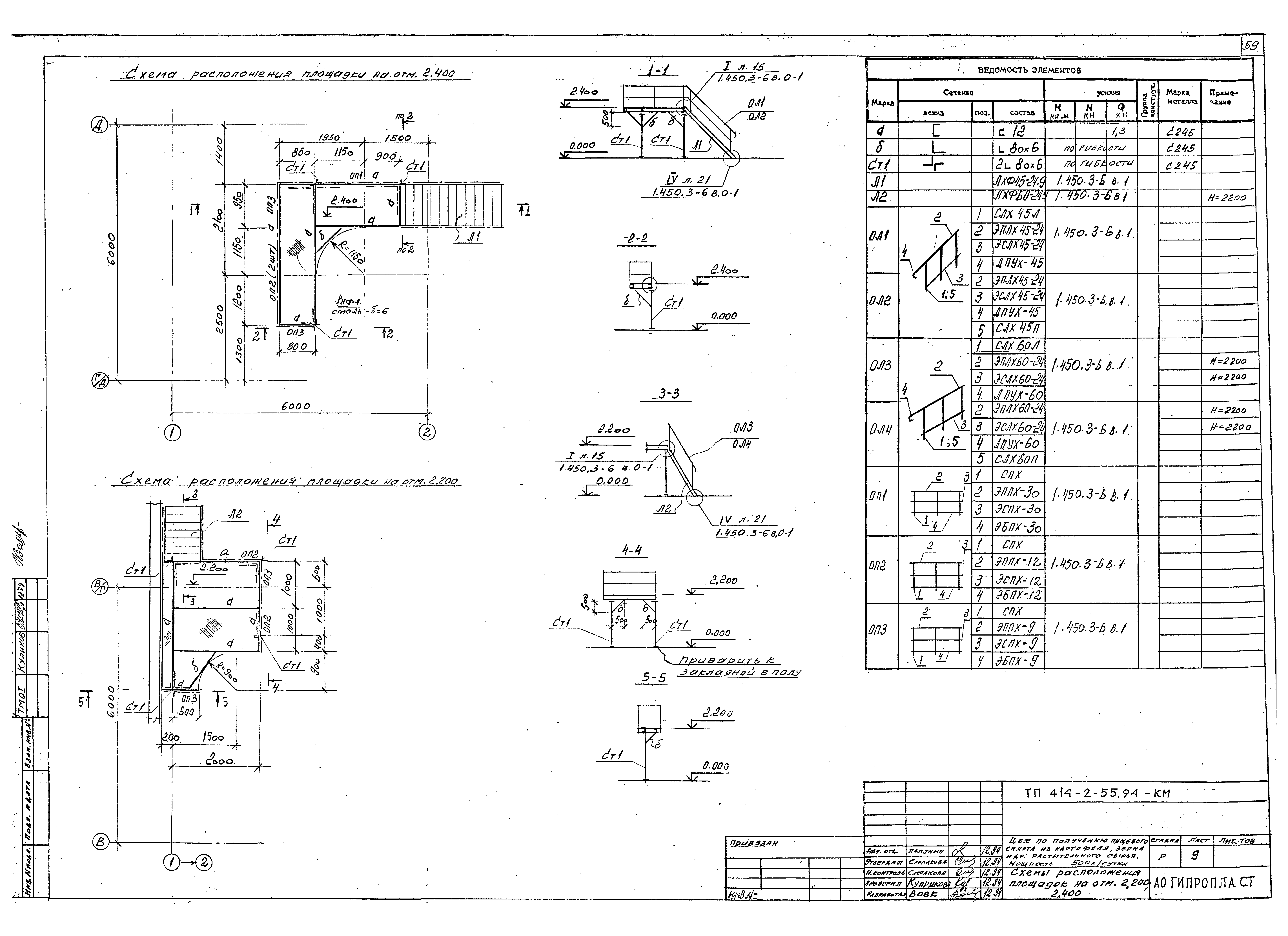
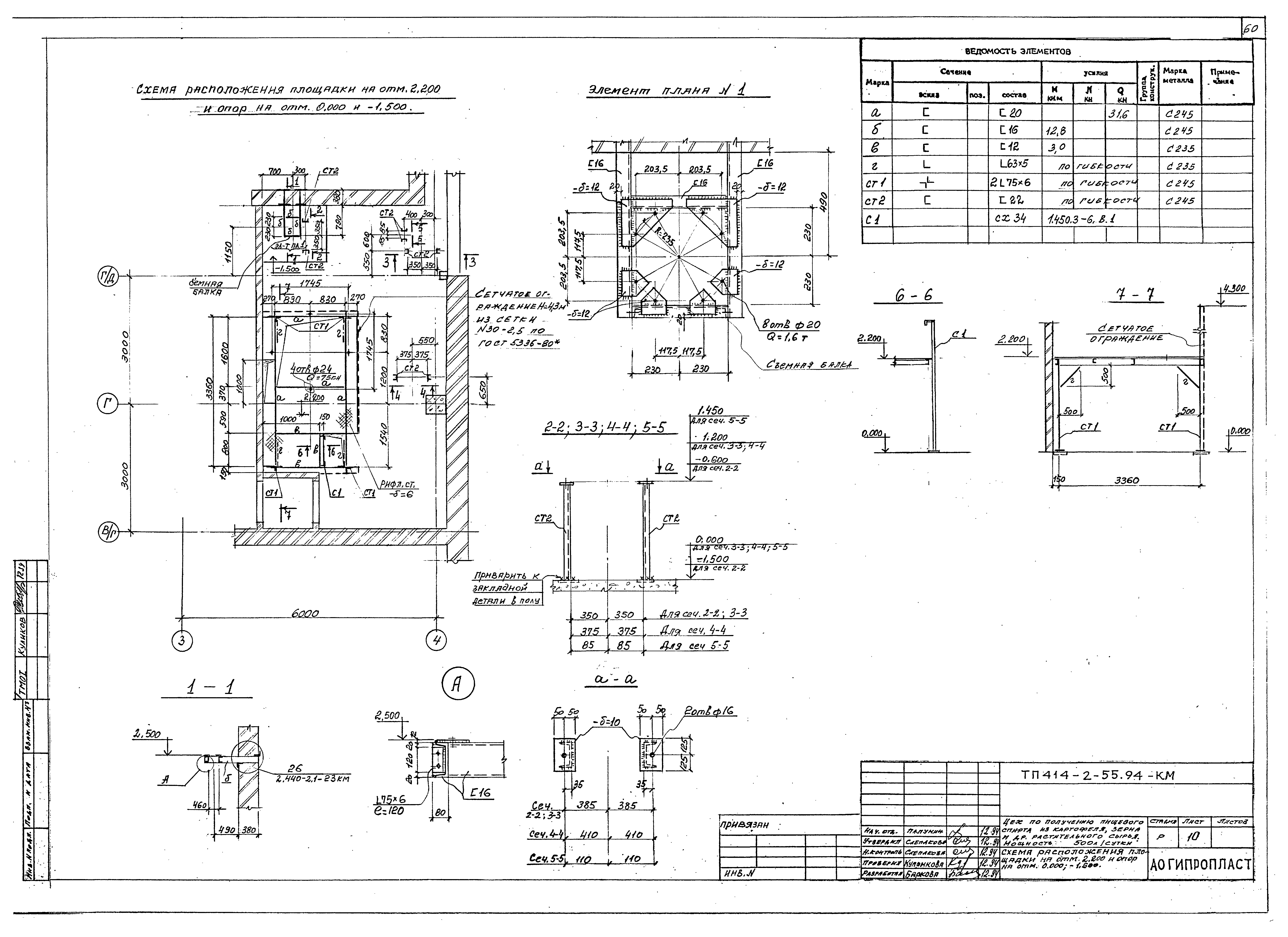
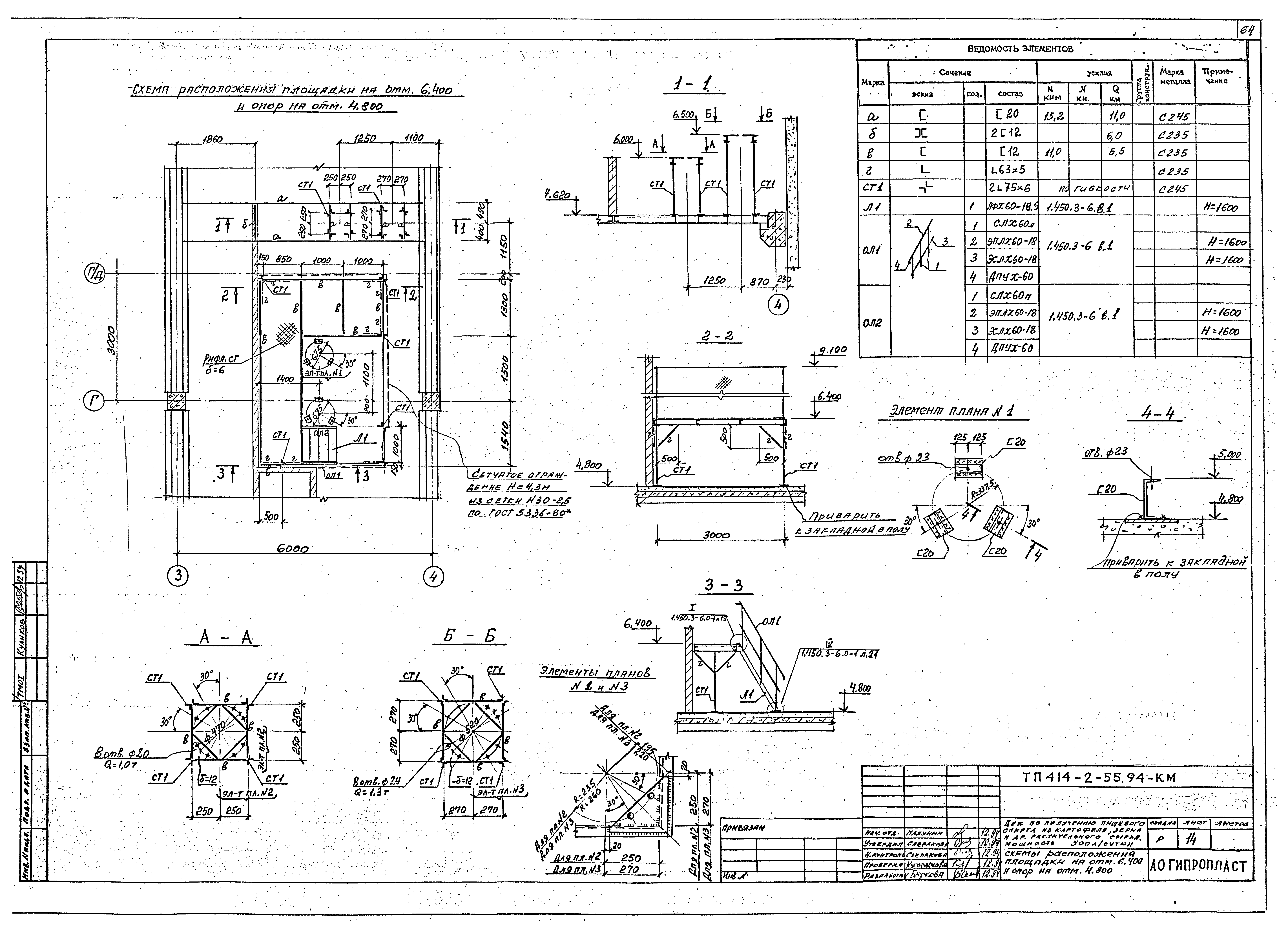
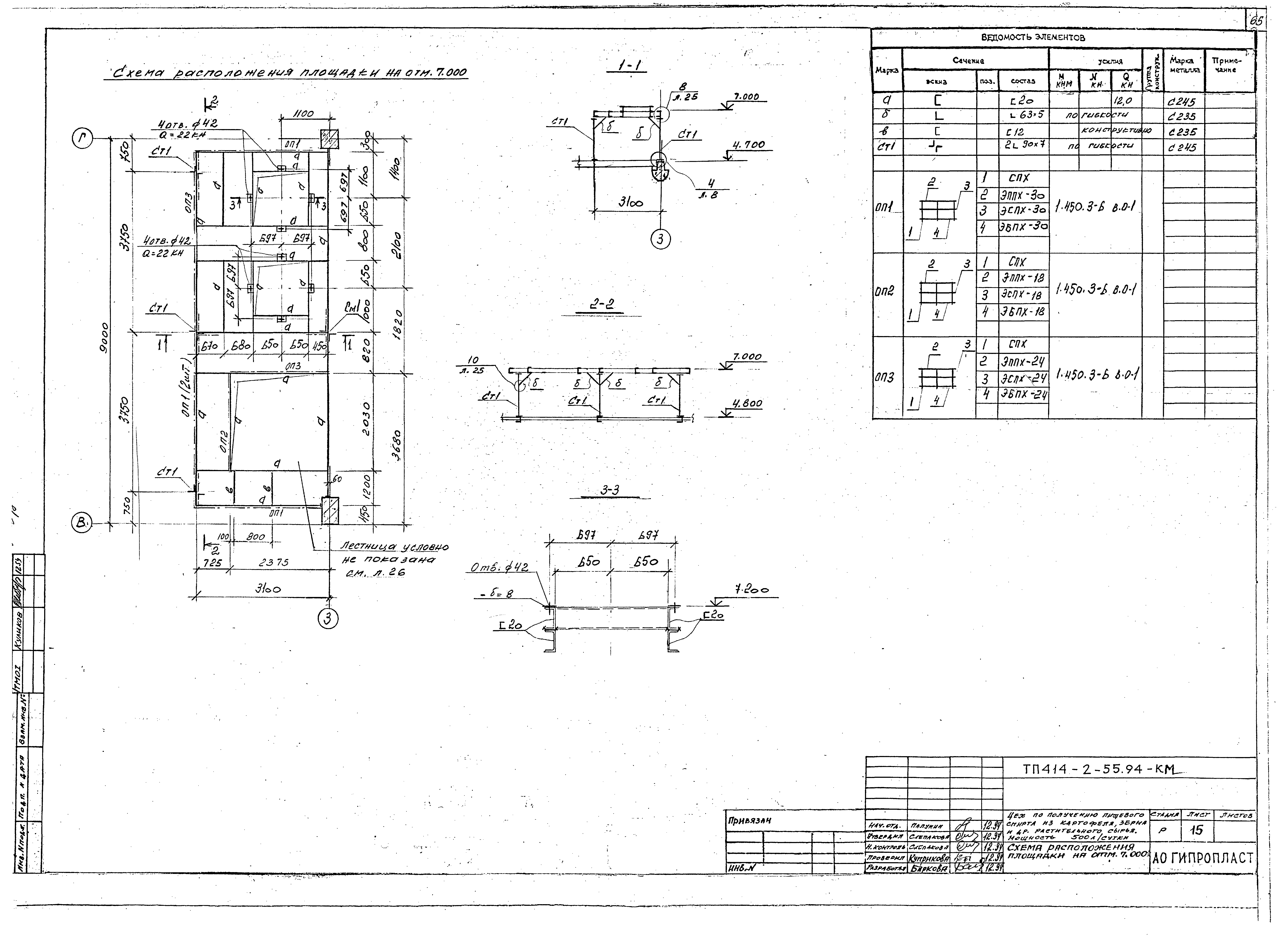
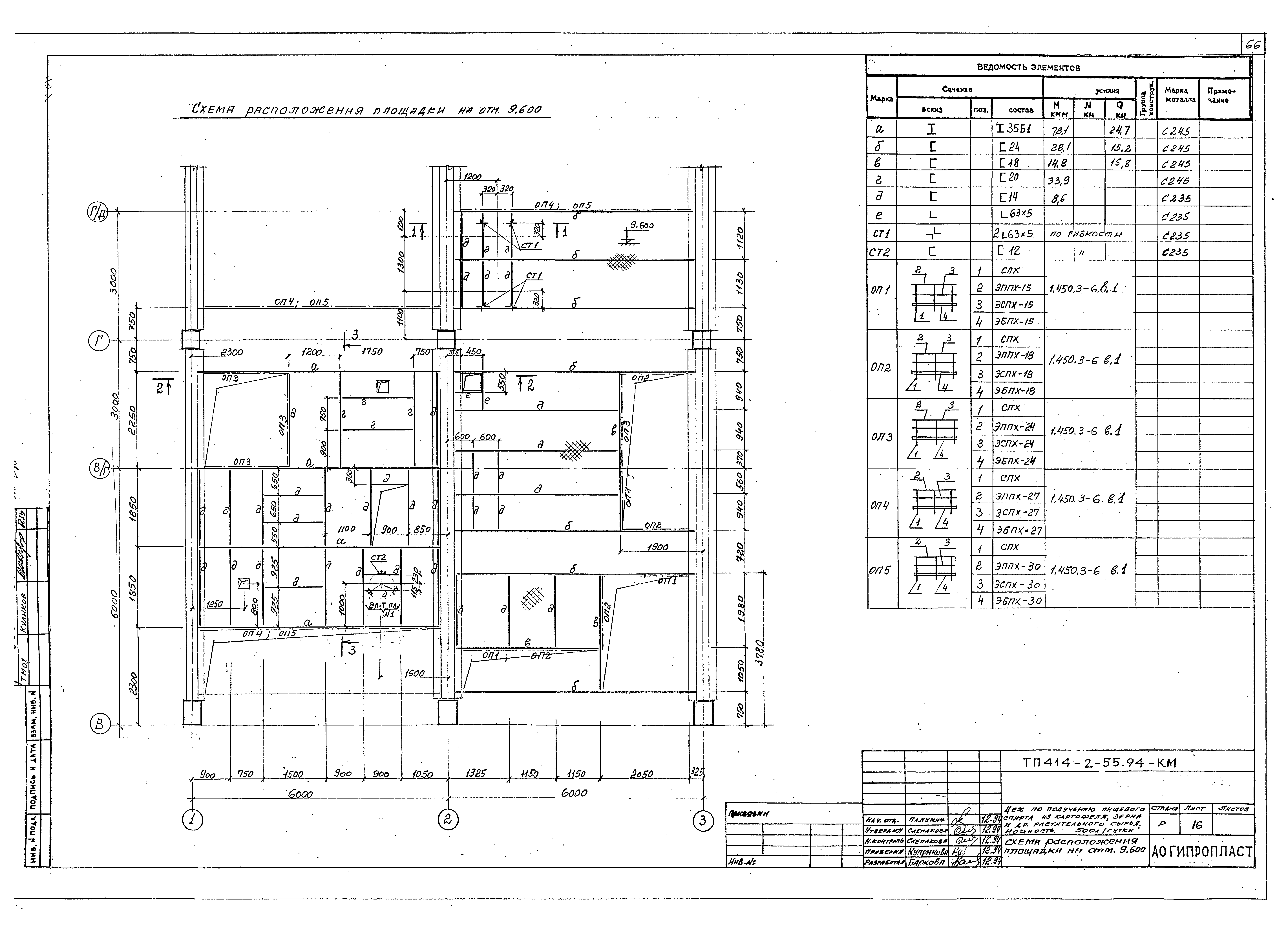
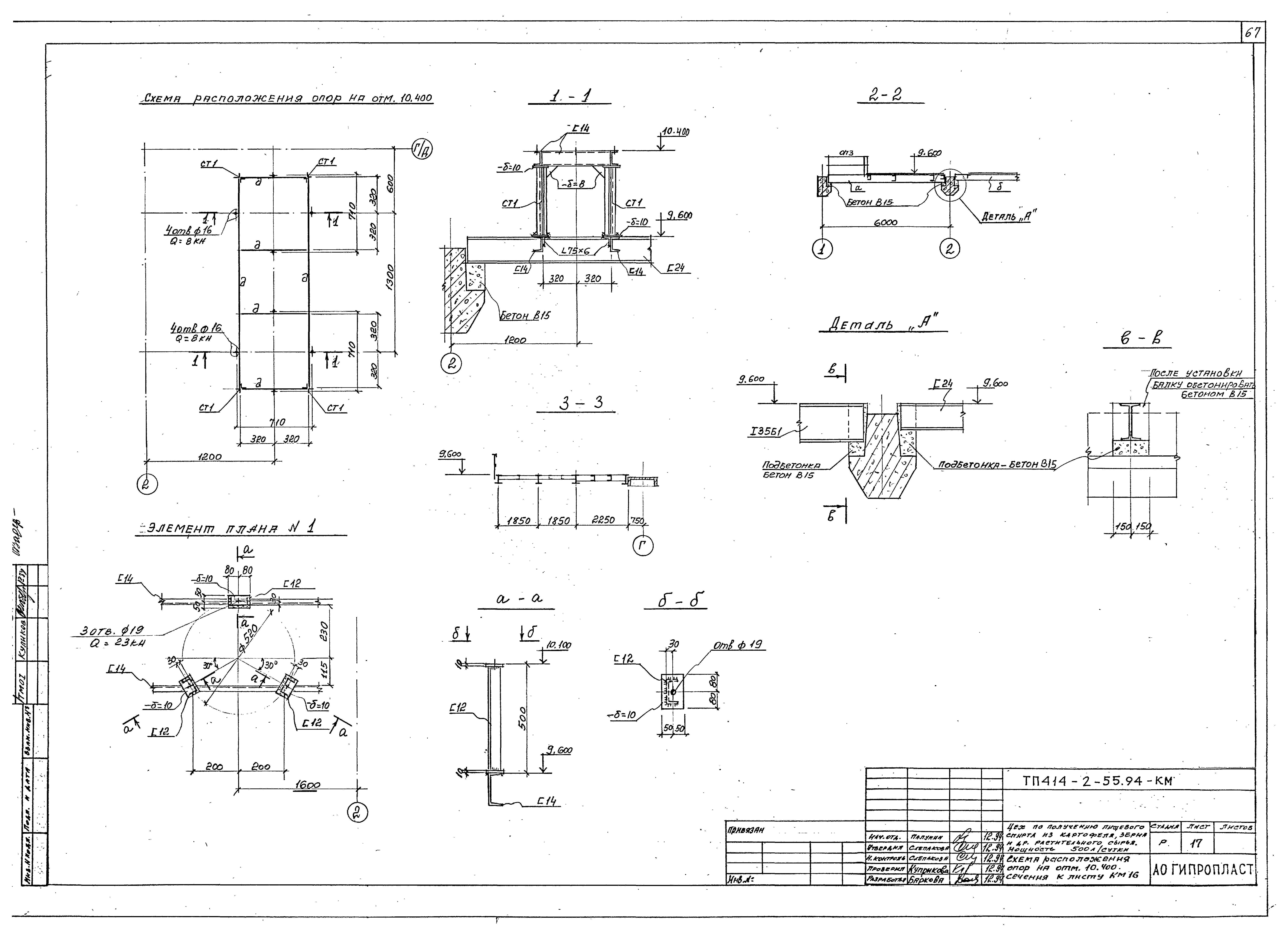
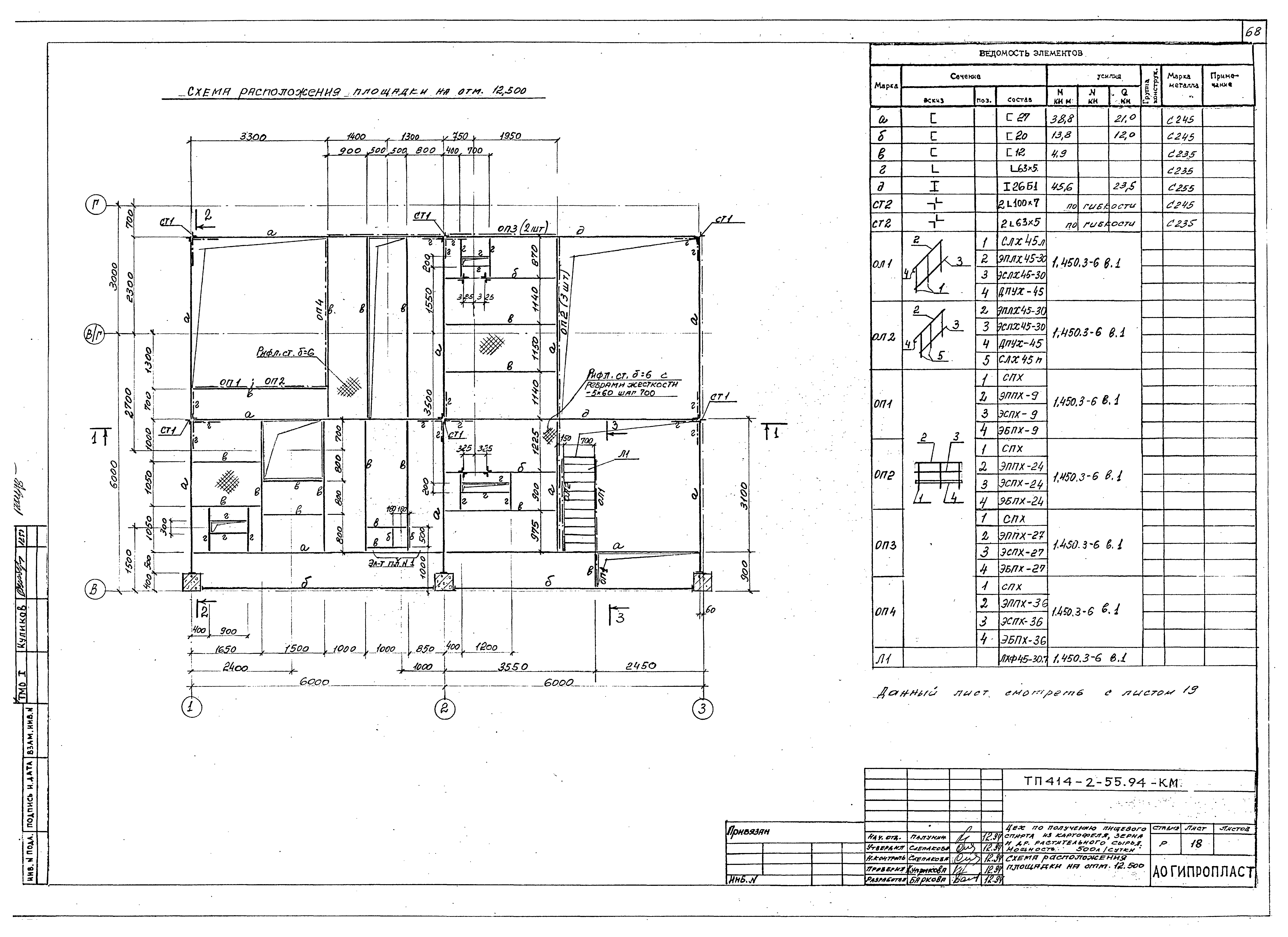
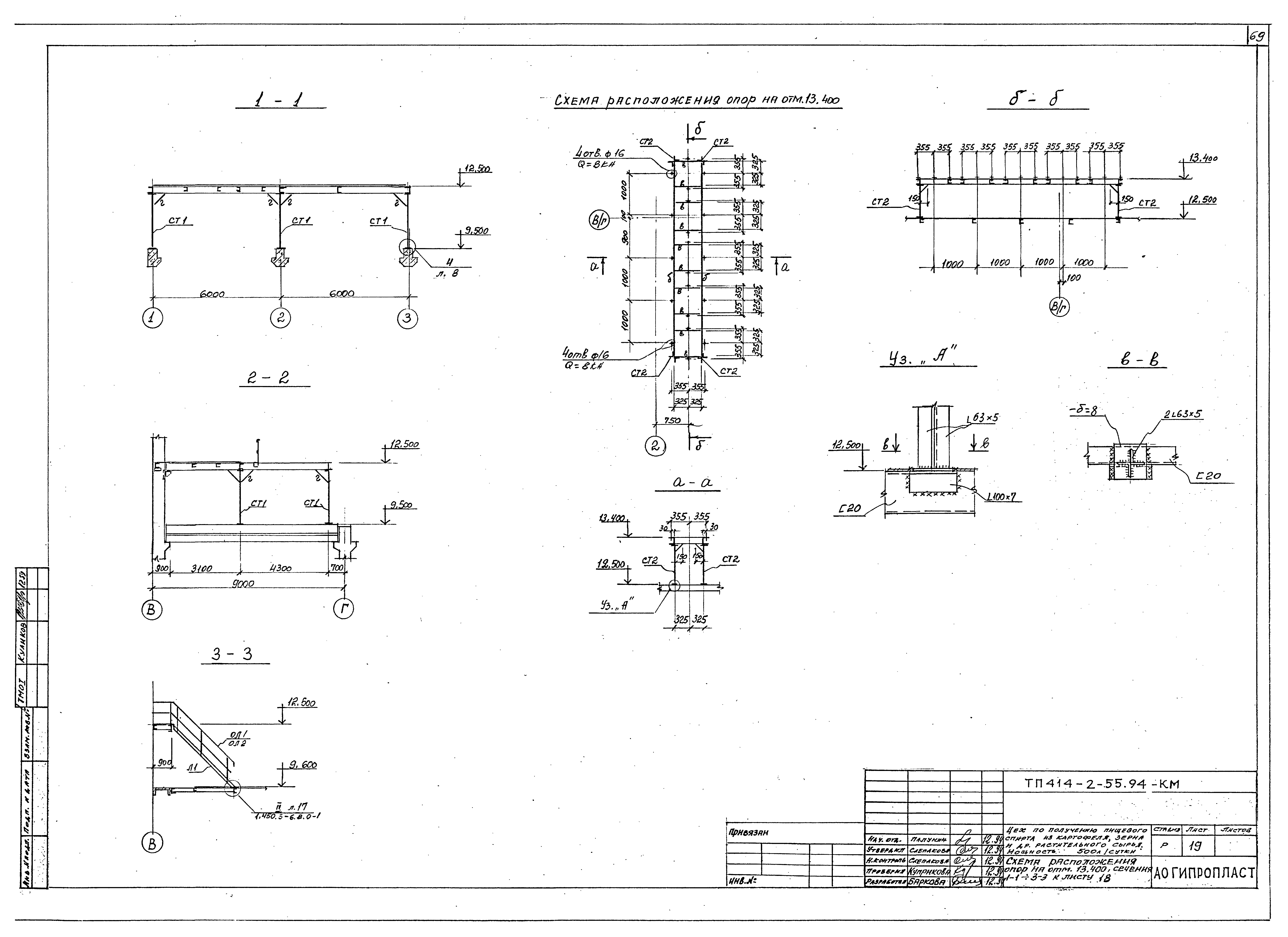
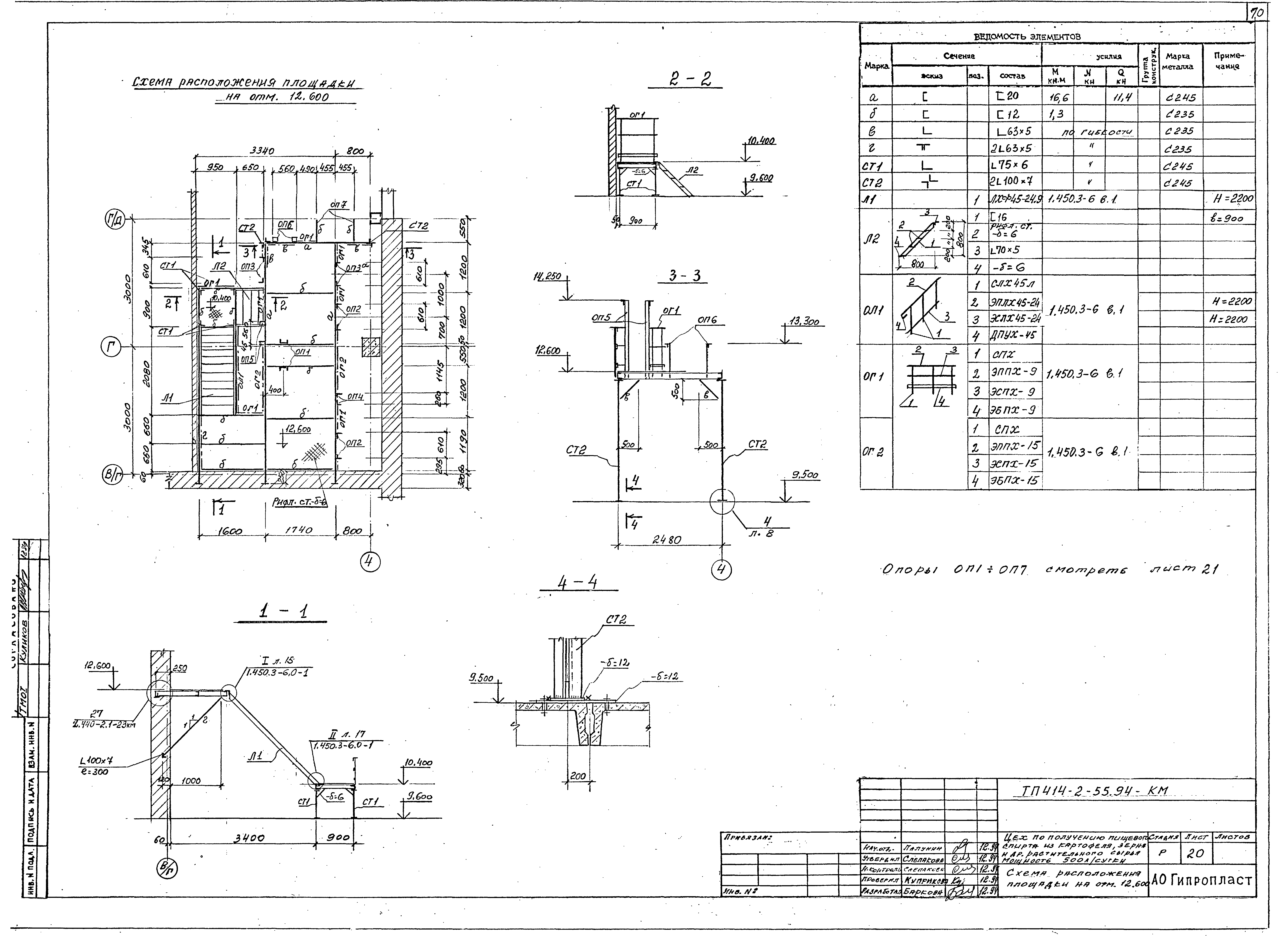
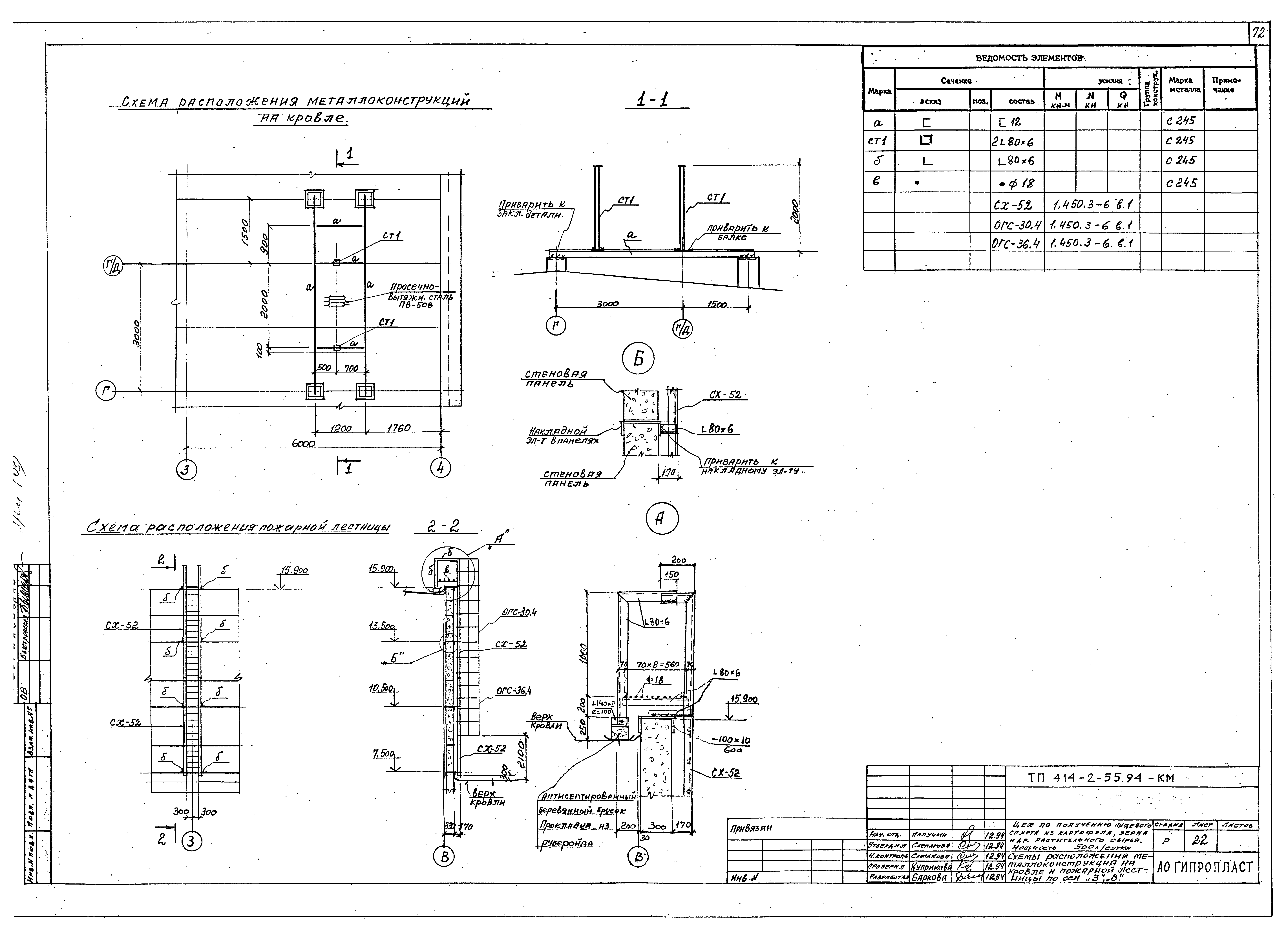
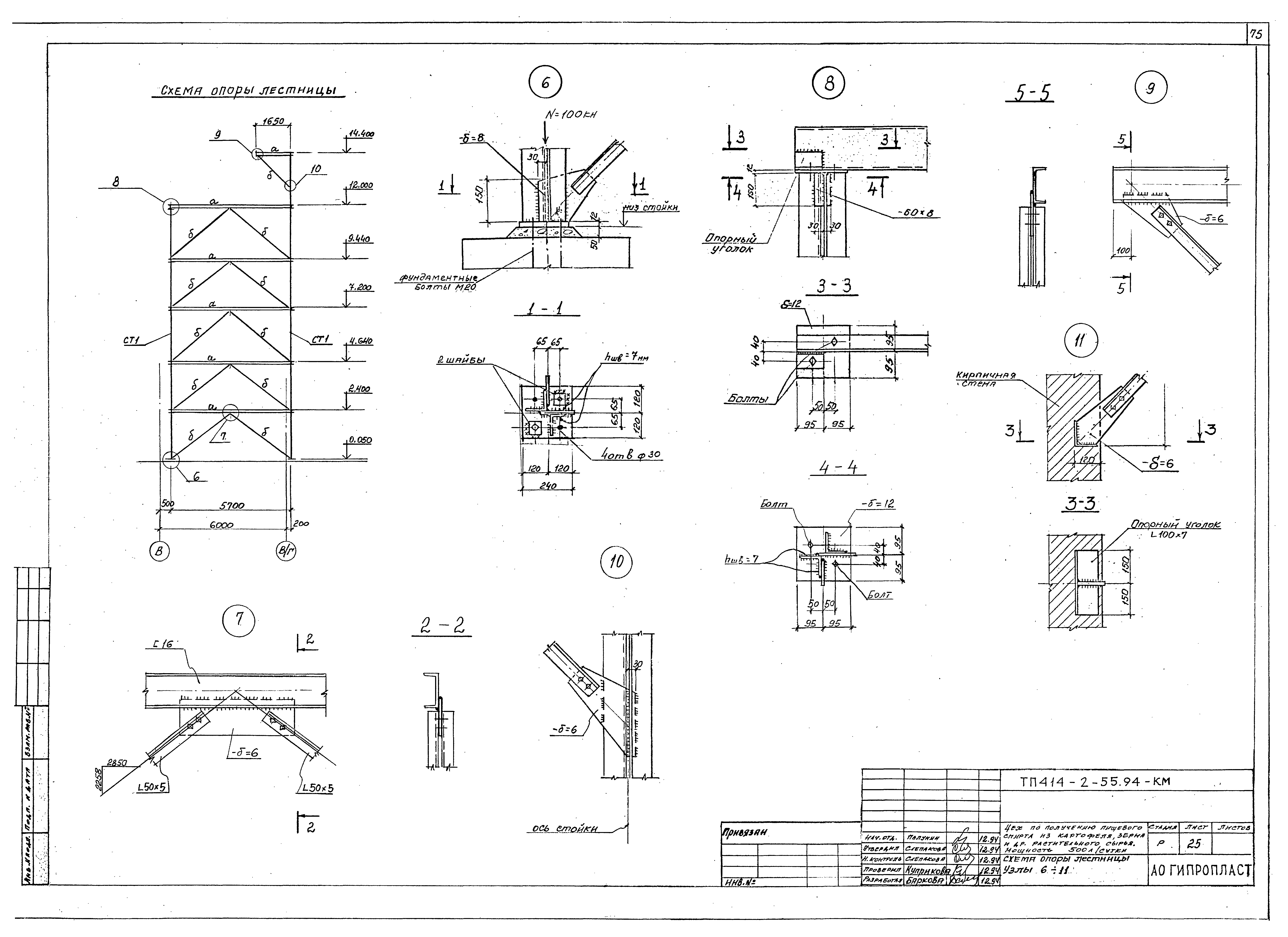
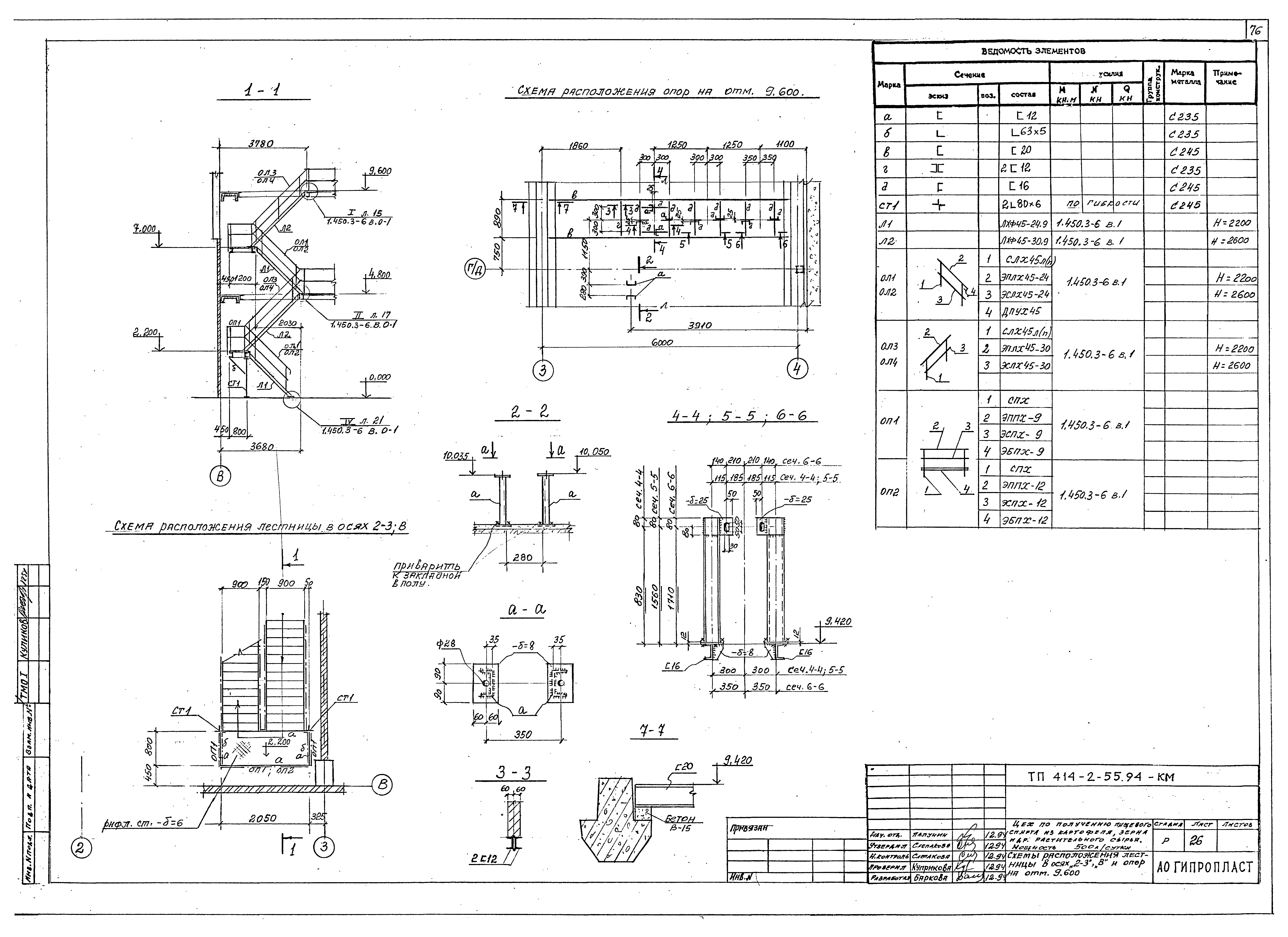
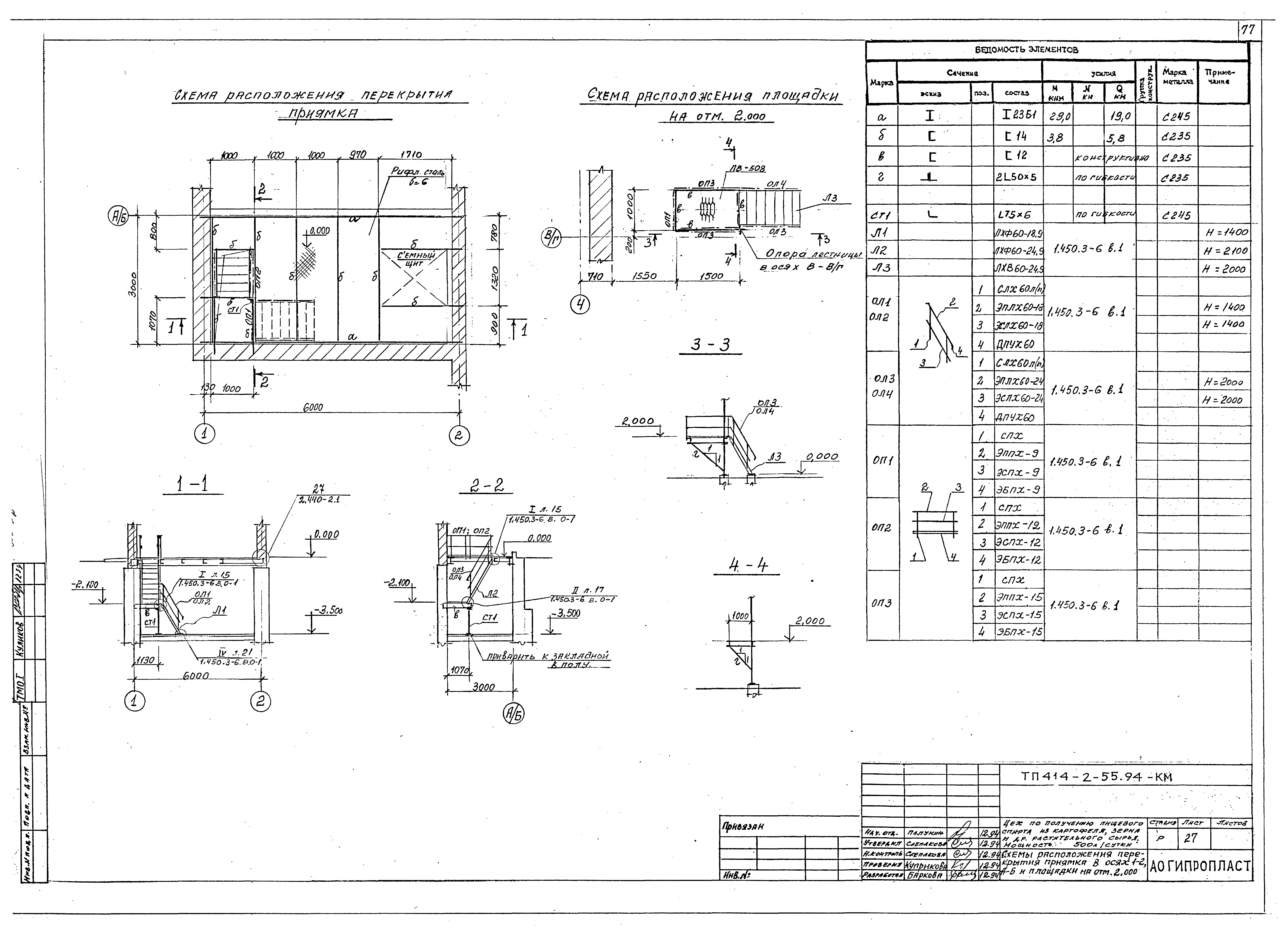
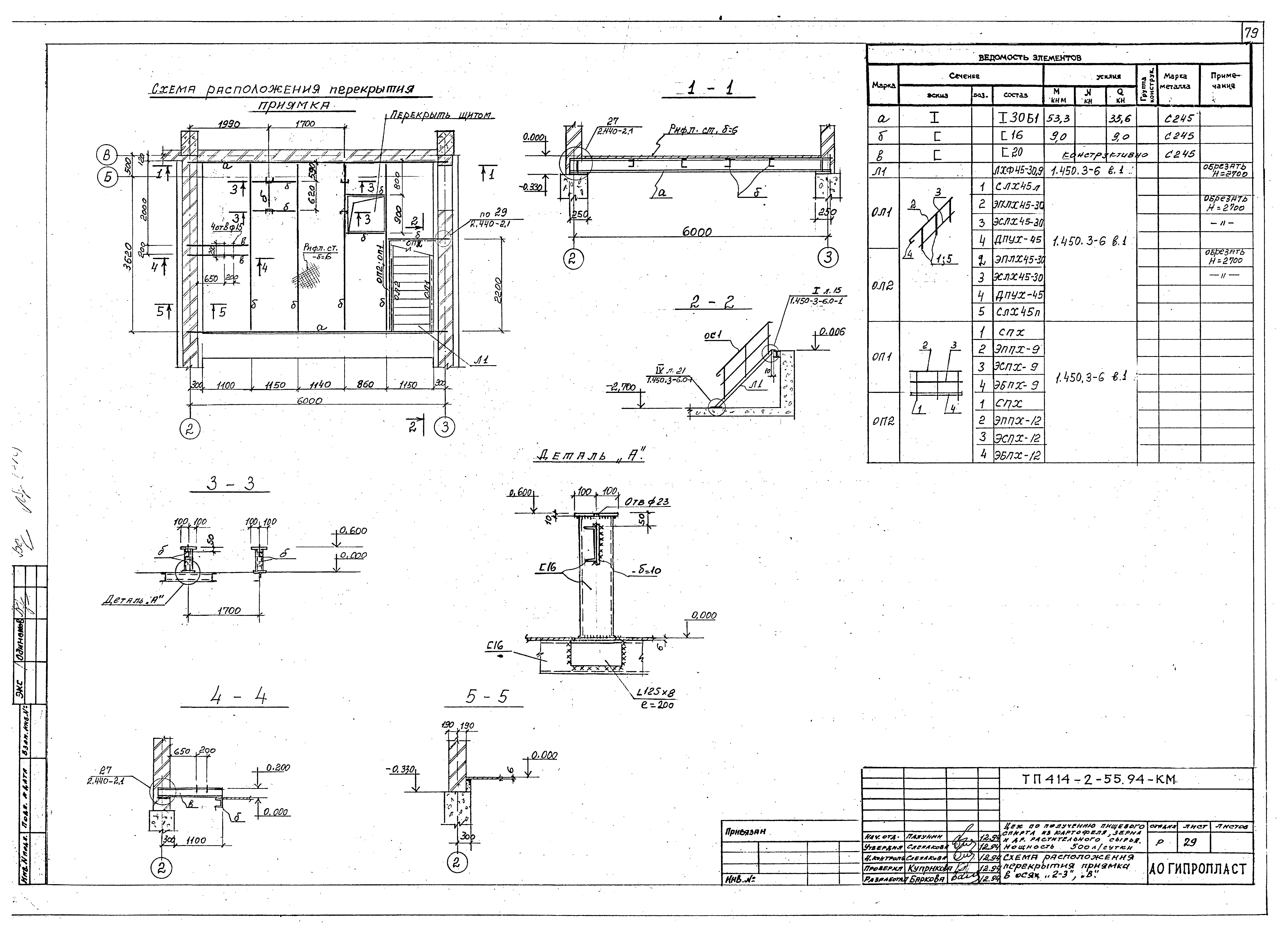
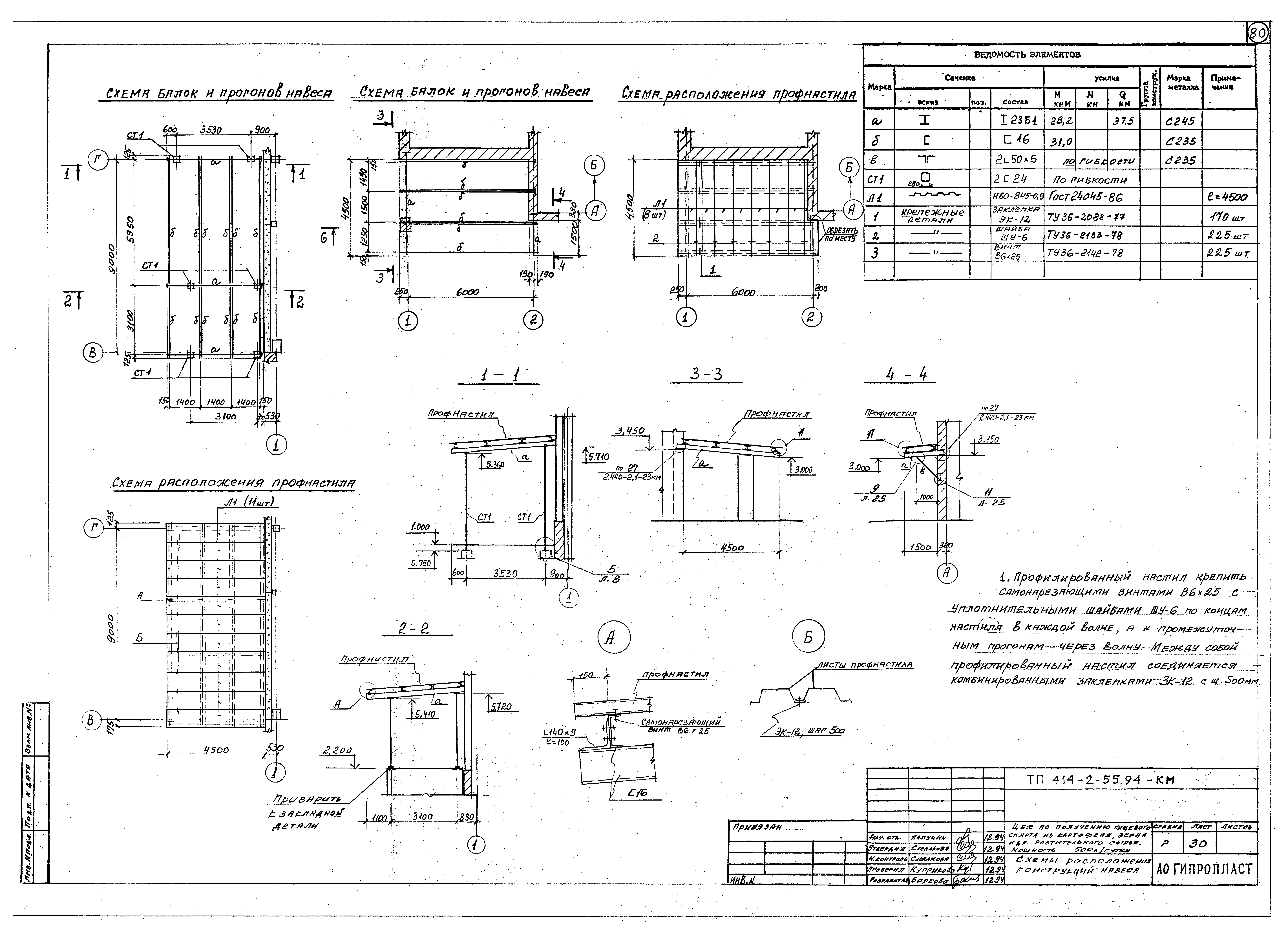
| Оглавление: | Архитектурные решения Общие данные План кровли. Ведомость отделки помещений и схематические планы корпуса к ней Экспликация полов и схематические планы корпуса к ней План на отм. 0.000. Спецификации План на отм. 3.000; 4.800; сечение а-а; вид "А" План на отм. 9.600. Схема расположения оборудования в комнате приема пищи План на отм. 12.500. Разработка авторампы Разрезы 1-1, 2-2 Разрез 3-3. Спецификации Фасады в осях 1 - 4; 4 - 1; "А - Д"; "Д - А". Фрагмент плана 2. Детали. Спецификации Фрагмент плана 1 на отм. 0.000; 4.800; 9.600. Разрезы Расположение крепежных изделий окон по осям А, Д, сечения 1-1 - 3-3. ОК-1, ОК-2 Расположение крепежных изделий окон по оси 4. ОК-3 - ОК-6; ОК-6а ОК-7. Сечения 5-5, 6-6. Спецификация Отверстия в стенах и закладные детали на отм. 0.000; 4.800; 9.600 в осях 3 - 4. Спецификации Отверстия в стенах и закладные детали на отм. 3.000 в осях 1 - 4; "А - Б". Детали Детали крепления кирпичных стен 1 - 6 Деталь 7. Закладные элементы. Спецификации Разработка приточной венткамеры на отм. 3.000 Планы раскладки ступеней на отм. 0.000; 4.800; 7.200; 9.600 Конструкции железобетонные Общие данные Схема расположения фундаментов Развертки по осям 1 - 4. Сечение 1-1 - 4-4 Сечение 5-5 - 16-16 Фундаменты Фм1, Фм2 Фундаменты Фм3, Фм4 Фундаменты Фм5, Фм6 Фундаменты Фм7, Фм8 Фундаменты Фм9, Фм10, Фм10а Фундаменты Фм11, Фм12 Фундаменты Фм13 - Фм17 Схема расположения фундаментов под оборудование и приямков Фундаменты под оборудование ФОм1 - ФОм6 Фундаменты под оборудование ФОм7 - ФОм13, НБ5 Фундаменты под оборудование ФОм14 - ФОм18 и набетонки НБ1 - НБ4 Опалубка и армирование приямка ПР1 Опалубка приямков ПР2, ПР3 Армирование приямков ПР2, ПР3 Опалубка и армирование приямка ПР4 Опалубка и армирование приямка ПР5 Схема расположения углубленного заземлителя в осях 1 - 4; "Б - Д" Конструкции железобетонные Общие данные Схема расположения колонн и ригелей перекрытий на отм. 4.800 и 9.600 и балок покрытия Разрезы 2-2 - 4-4 к листу 2 Схемы расположения плит перекрытий на отм. 3.000; 4.800 и 9.600 Схемы расположения плит покрытия и набетонок на кровле Схемы расположения панелей стен по осям "1", "4", "В", "Д" Схема расположения элементов лестницы в осях 3 - 4; "Д" Конструкции металлические Общие данные Техническая спецификация металла Схемы расположения подвесных путей Узлы 1 - 5 Схемы расположения площадок на отм. 2.200; 2.400 Схемы расположения площадки на отм. 2.200 и опор на отм. 0.000; - 1.500 Схемы расположения площадок на отм. 3.800; 6.900 Схемы расположения площадок на отм. 4.800; 5.400 Сечения 1-1 - 9-9 к листу КМ.12 Схемы расположения площадки на отм. 6.400 и опор на отм. 4.800 Схемы расположения площадки на отм. 7.000 Схемы расположения площадки на отм. 9.600 Схемы расположения опор на отм. 10.400. Сечения к листу 16 Схемы расположения площадки на отм. 12.500 Схемы расположения опор на отм. 13.400. Сечения 1-1 - 3-3 к листу 18 Схемы расположения площадки на отм. 12.600 Опоры ОП1 - ОП7 Схемы расположения металлоконструкции на кровле и пожарной лестницы по оси 3, "В" Схемы расположения ограждения на кровле и приямков ПР4, ПР5 Схема расположения наружной лестницы в осях В-В/Г, 4 Схема опоры лестницы. Узлы 6 - 11 Схема расположения лестницы в осях 2 - 3, "В" и опор на отм. 9.600 Схема расположения перекрытия приямка в осях 1 - 2, А - Б и площадки на отм. 2.000 Схемы расположения перекрытия приямка ПР1, площадки на отм. - 1.800 и ограждения приямка ПР3 Схема расположения перекрытия приямка в осях "2 - 3", "В" Схемы расположения конструкций навеса |
| Разработан: | Гипропласт Минхимнефтепрома СССР |
| Утверждён: | 16.12.1994 Роскомхимнефтепром (Roskomkhimnefteprom 09/1-11-122) |
















































































