Скачать Типовой проект 414-2-55.94 Альбом 6. Строительные изделияДата актуализации: 01.01.2021
|
| Обозначение: | Типовой проект 414-2-55.94 |
| Обозначение англ: | 414-2-55.94 |
| Статус: | не определен законодательством |
| Название рус.: | Альбом 6. Строительные изделия |
| Дата добавления в базу: | 01.09.2013 |
| Дата актуализации: | 01.01.2021 |
| Дата введения: | 21.12.1994 |
| Дата окончания срока действия: | 30.06.2003 |
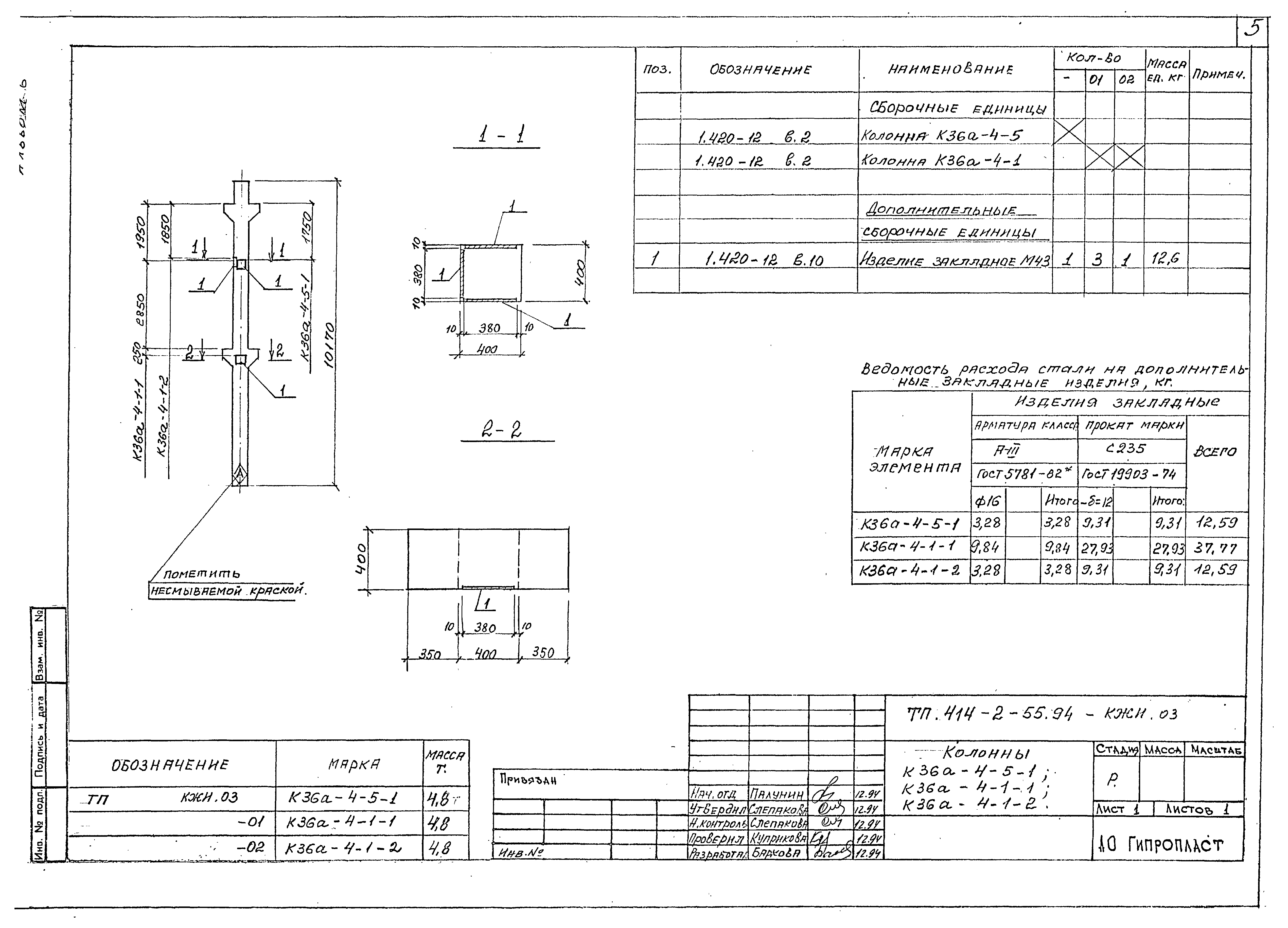
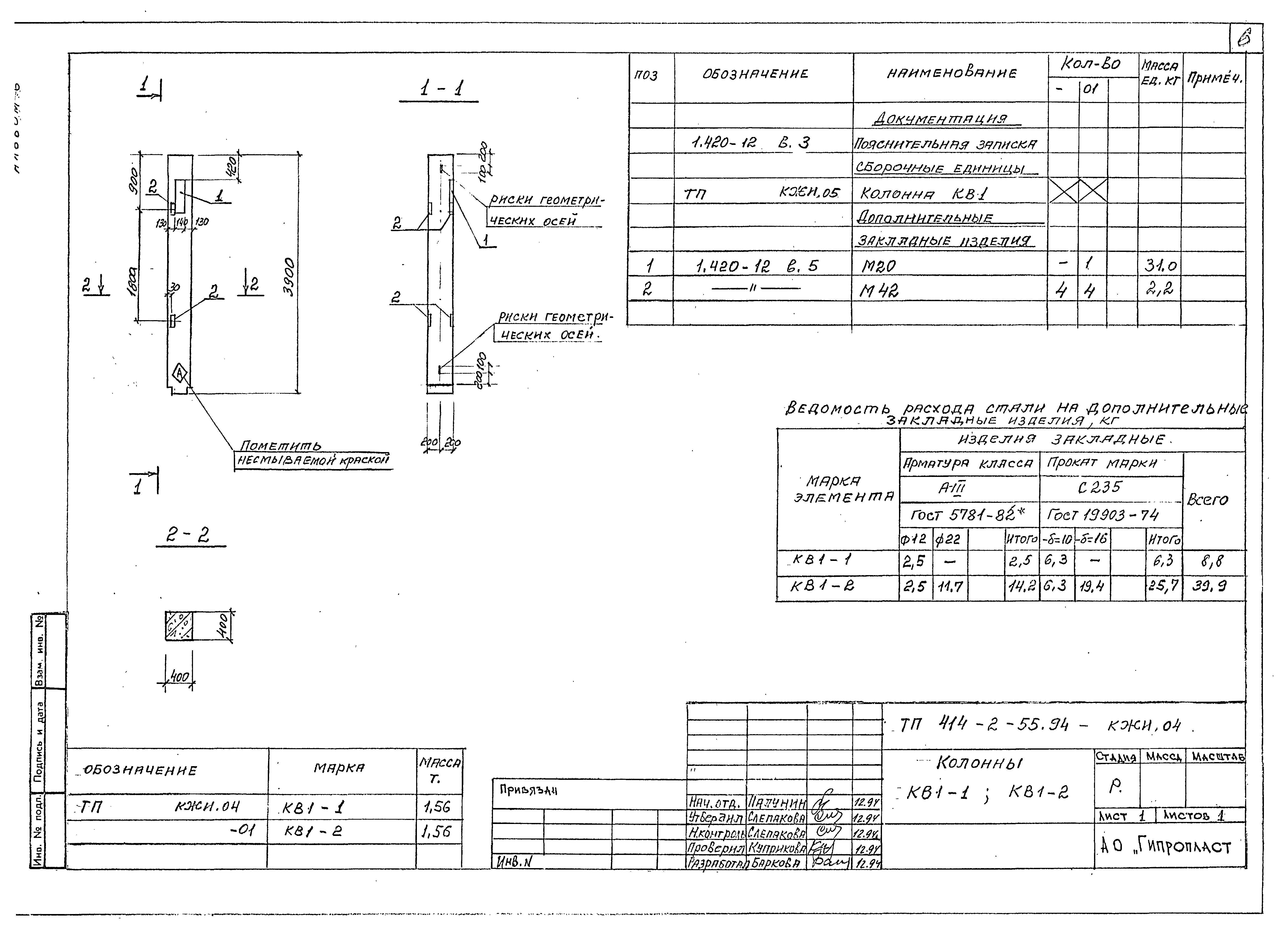
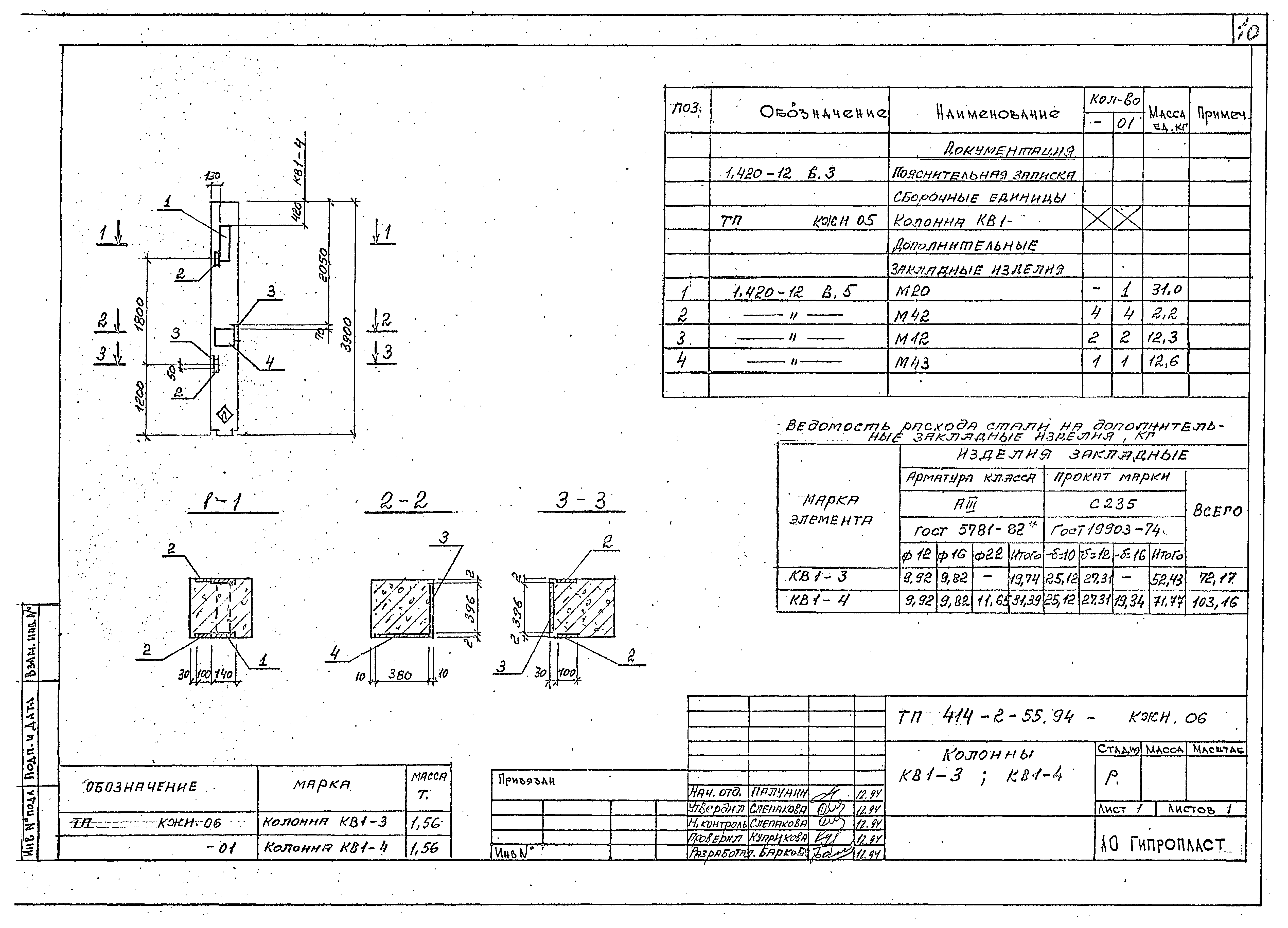
| Оглавление: | Содержание альбома КЖ.И.01 Колонны К17б-5-5-1; К17б-5-1-1 КЖ.И.02 Колонны К17б-5-5-2; К17б-5-1-2 КЖ.И.03 Колонны К36а-4-5-1; К36а-4-1-1; К36а-4-1-2 КЖ.И.04 Колонны КВ1-1, КВ1-2 КЖ.И.05 Колонна КВ1 КЖ.И.06 Колонны КВ1-3, КВ1-4 КЖ.И.07 Балки 1БДР18-4АIVТ-1; 1БДР18-4АIVТ-2 КЖ.И.08 Плиты 1П3-2АIVТ-1; 1П3-2АIVТ-4 КЖ.И.09 Плиты 1П3-2АIVТ-2; 1П3-2АIVТ-5 КЖ.И.10 Плиты 1П3-2АIVТ-3 КЖ.И.11 Стойка Сф-1н КЖ.И.12 Закладные детали ЗД-1, ЗД-6 КЖ.И.13 Закладные детали ЗД-2 КЖ.И.14 Закладные детали ЗД-3 КЖ.И.15 Закладные детали ЗД-4 КЖ.И.16 Закладные детали ЗД-5 КЖ.И.17 Закладные детали ЗД-7, ЗД-8 КЖ.И.18 Сетки С1 - С7 |
| Разработан: | Гипропласт Минхимнефтепрома СССР |
| Утверждён: | 16.12.1994 Роскомхимнефтепром (Roskomkhimnefteprom 09/1-11-122) |



















