Скачать Типовой проект 414-2-55.94 Альбом 7. Электроснабжение. Освещение. Чертежи заданий заводу-изготовителюДата актуализации: 01.01.2021
|
| Обозначение: | Типовой проект 414-2-55.94 |
| Обозначение англ: | 414-2-55.94 |
| Статус: | не определен законодательством |
| Название рус.: | Альбом 7. Электроснабжение. Освещение. Чертежи заданий заводу-изготовителю |
| Дата добавления в базу: | 01.09.2013 |
| Дата актуализации: | 01.01.2021 |
| Дата введения: | 21.12.1994 |
| Дата окончания срока действия: | 30.06.2003 |
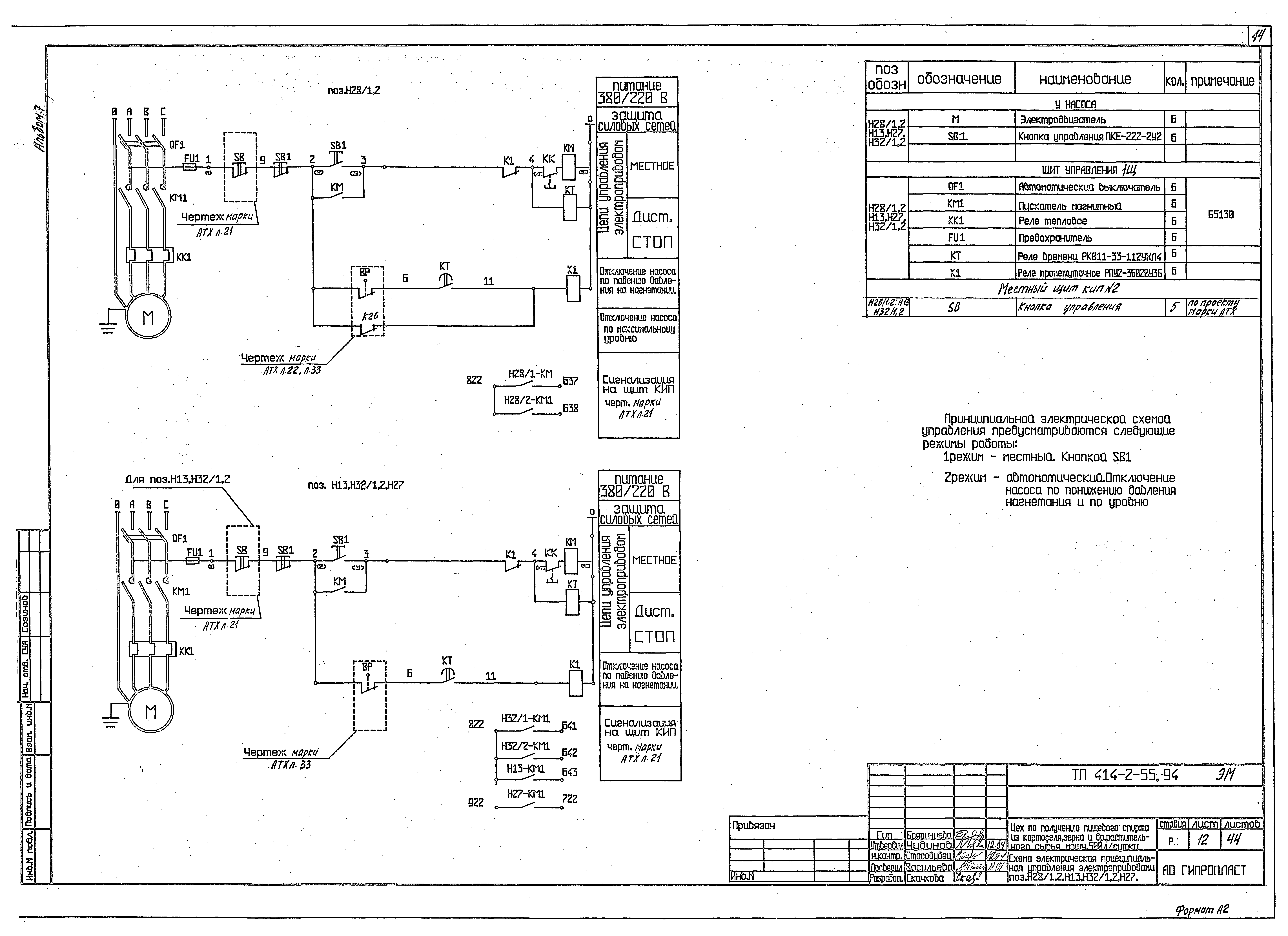
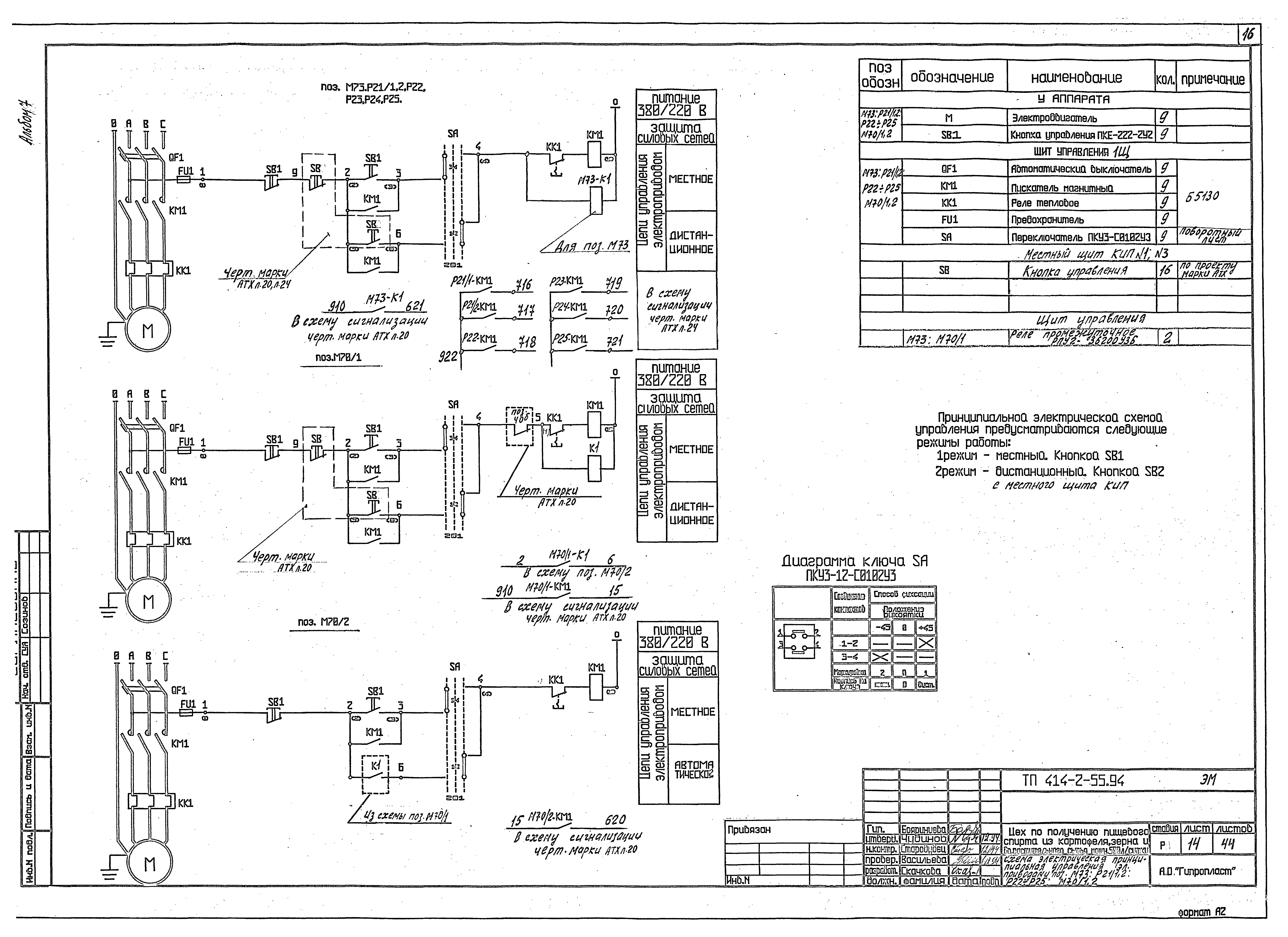
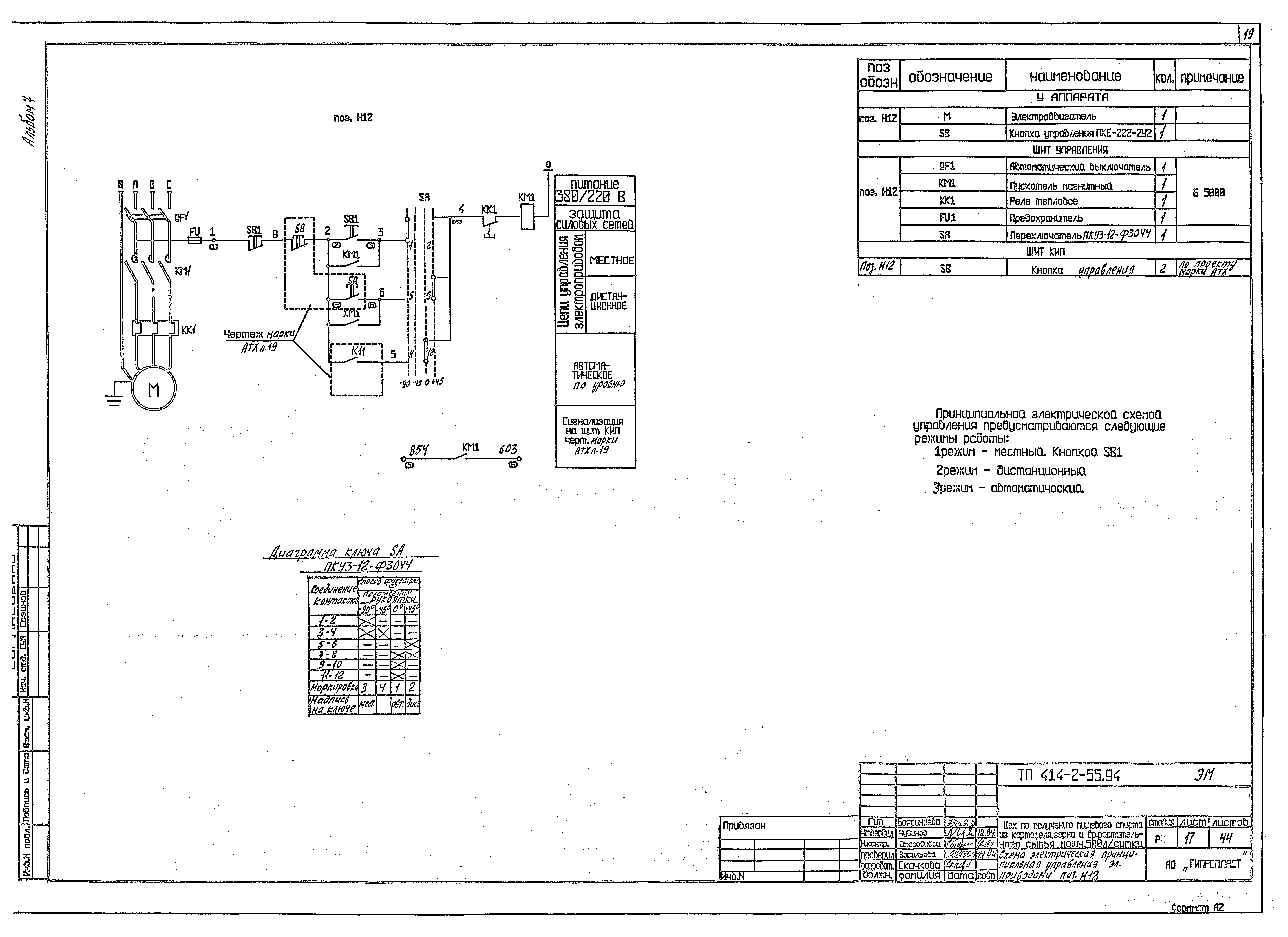
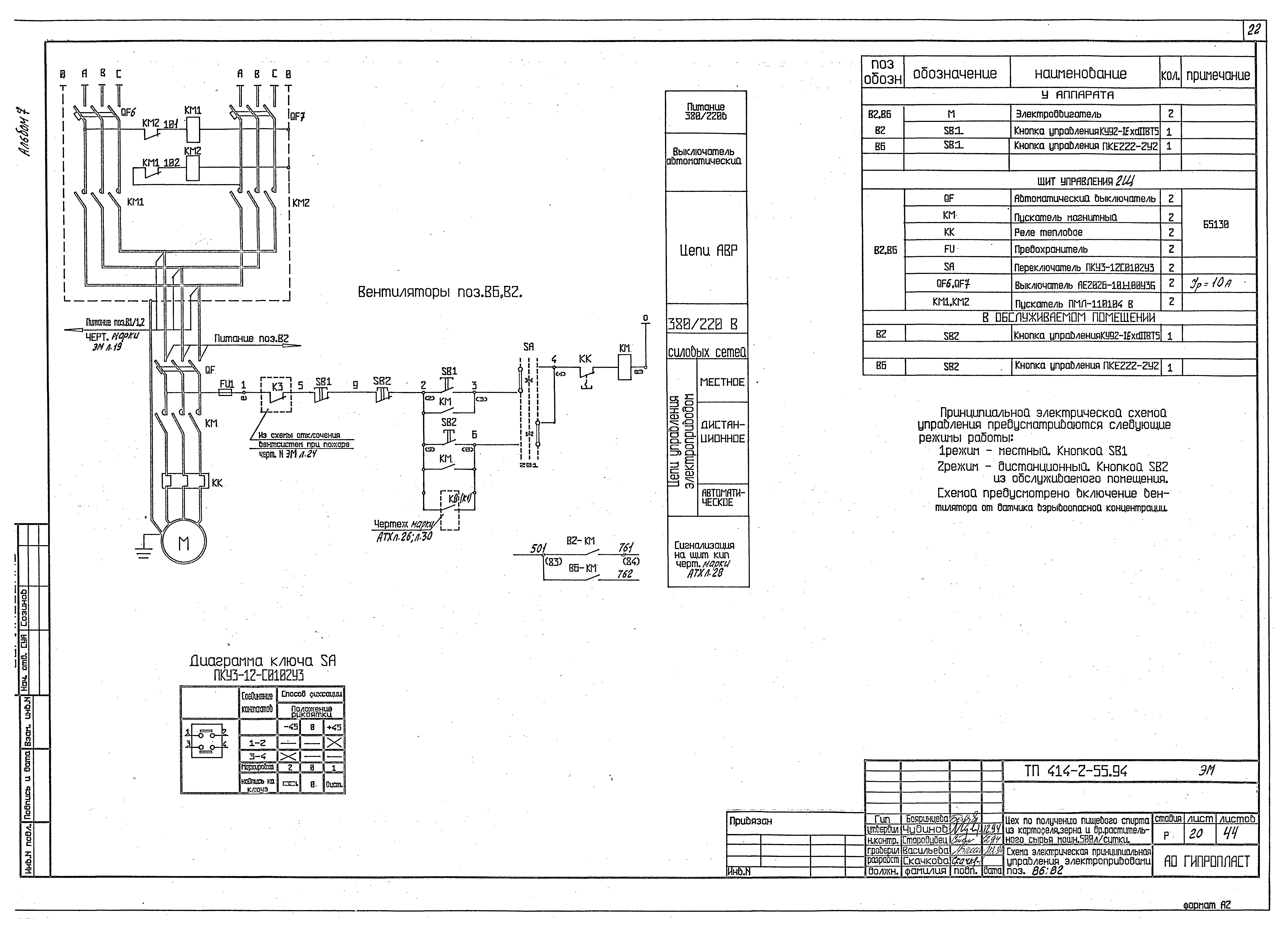
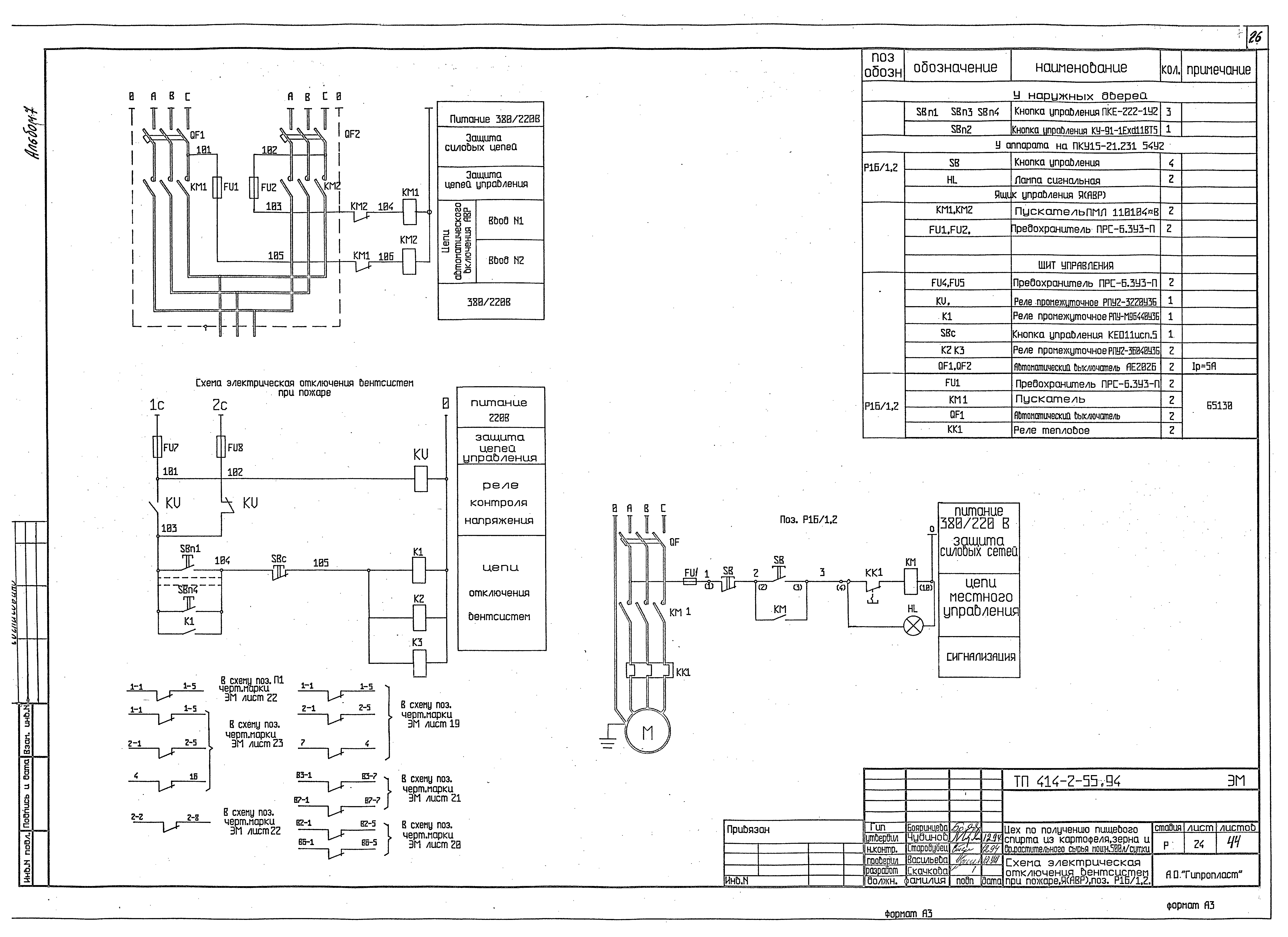
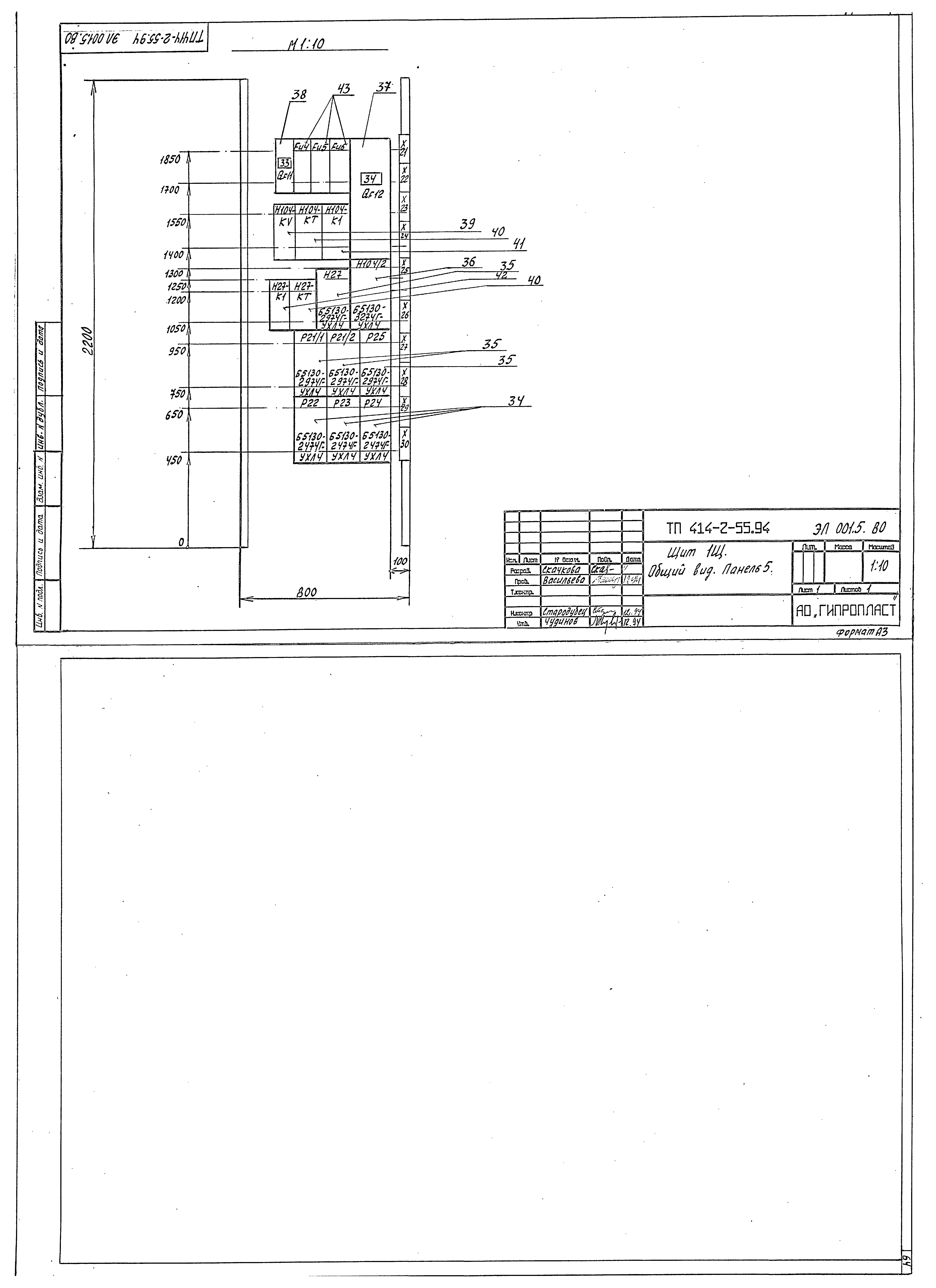
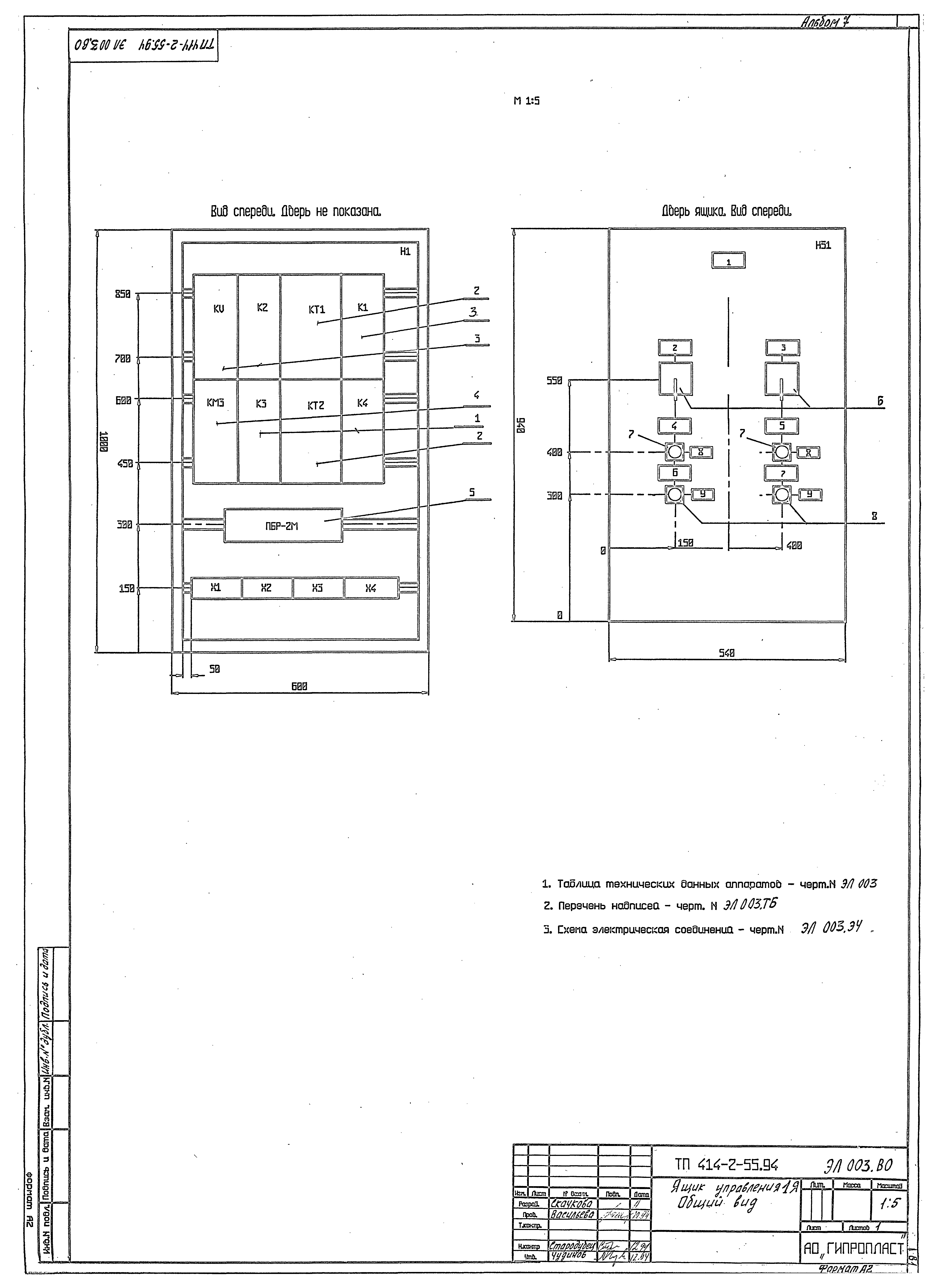
| Оглавление: | Содержание Силовое электрооборудование и автоматика приводов Общие данные Принципиальная электрическая схема 380/220 В 1Ш Принципиальная электрическая схема 380/220 В 2Ш Схемы электрические принципиальная управления электроприводами Схема электрическая отключения вентсистем при пожаре Кабельная раскладка. План на отм. 0.000 Кабельная раскладка. План на отм. 3.000; 4.800; 6.900 Кабельная раскладка. План на отм. 9.600; 12.500 и кровли Кабельная раскладка. Спецификация Кабельно-трубный журнал Схема электрическая подключений постов управления Конструкция для установки блока Х1016У Заземление. План на отм. 0.000 Заземление. План на отм. 4.800 Заземление. План на отм. 9.600 и 12.600 Ведомость изделий МЭЗ и объемов электромонтажных работ Таблица электроприводов Электроосвещение Электроосвещение. Общие данные План схема расположения электрооборудования и проводки осветительной сети на отм. 0.000; 2.200; 3.800 План схема расположения электрооборудования и проводки осветительной сети на отм. 4.000; 5.400; 6.400; 6.900; 7.000 План схема расположения электрооборудования и проводки осветительной сети на отм. 9.600; 10.400 План схема расположения электрооборудования и проводки осветительной сети на отм. 12.500; 12.600 План схема расположения силовой сети буфета на отм. 0.000 в осях В - 3-4 План схема расположения силовой сети лаборатории на отм. 4.200 в осях В-ВГ - 3-4 Схема принципиальная расчетная щитков рабочего ШО1 - ШО2 и аварийного ШО1а освещения Комплект светильника со стойкой Ведомость объемов электромонтажных работ Ведомость изделий МЭЗ и ведомость оборудования материалов для изделий МЭЗ Чертежи заданий заводу-изготовителю Щит 1Щ Щит 2Щ Ящик 1Я Ящик 3Я Ящик Я |
| Разработан: | Гипропласт Минхимнефтепрома СССР |
| Утверждён: | 16.12.1994 Роскомхимнефтепром (Roskomkhimnefteprom 09/1-11-122) |






















































































