Скачать Типовой проект 503-3-23.87 Альбом III. Строительные изделияДата актуализации: 01.01.2021
|
| Обозначение: | Типовой проект 503-3-23.87 |
| Обозначение англ: | 503-3-23.87 |
| Статус: | не определен законодательством |
| Название рус.: | Альбом III. Строительные изделия |
| Дата добавления в базу: | 01.09.2013 |
| Дата актуализации: | 01.01.2021 |
| Дата введения: | 23.12.1987 |
| Дата окончания срока действия: | 30.06.2003 |
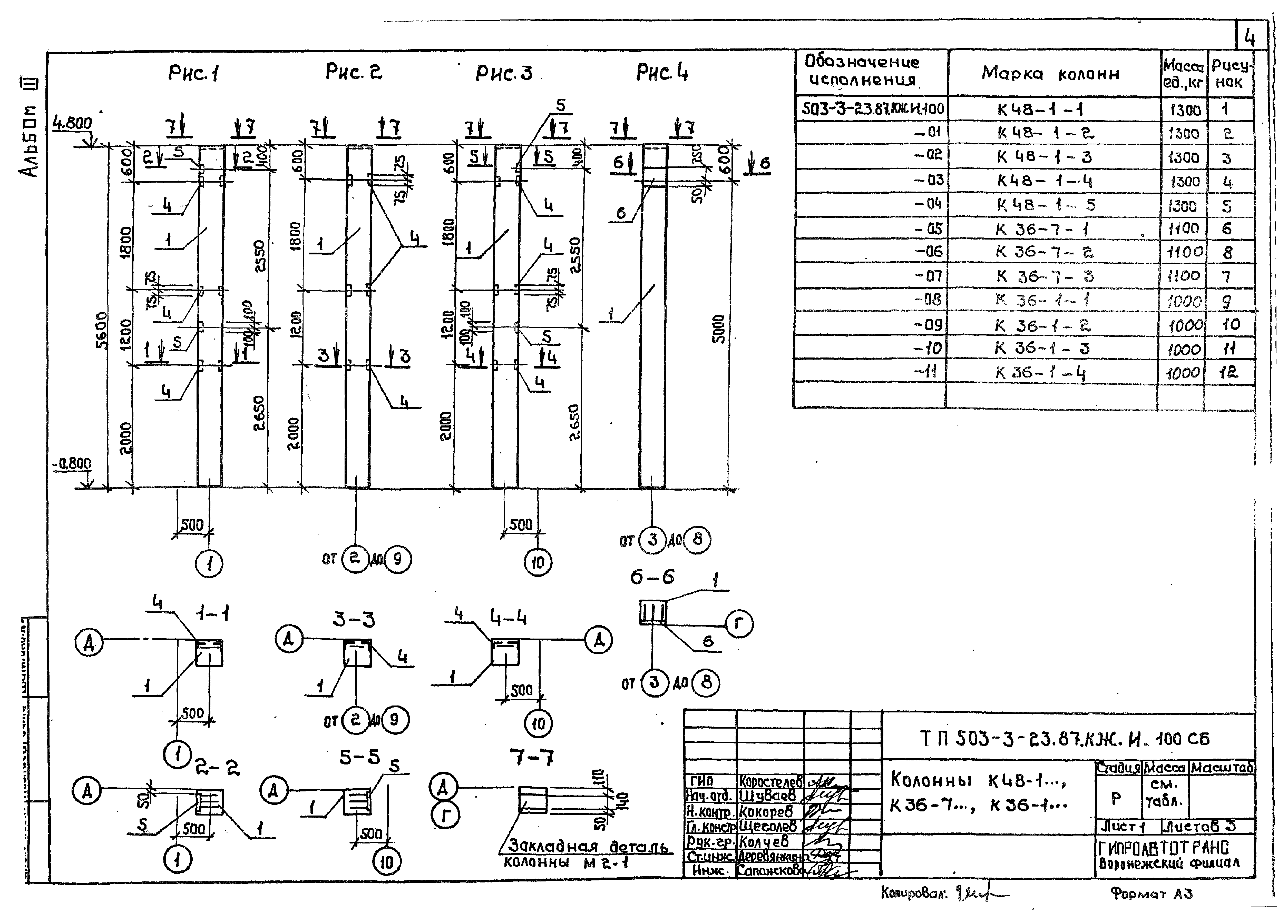
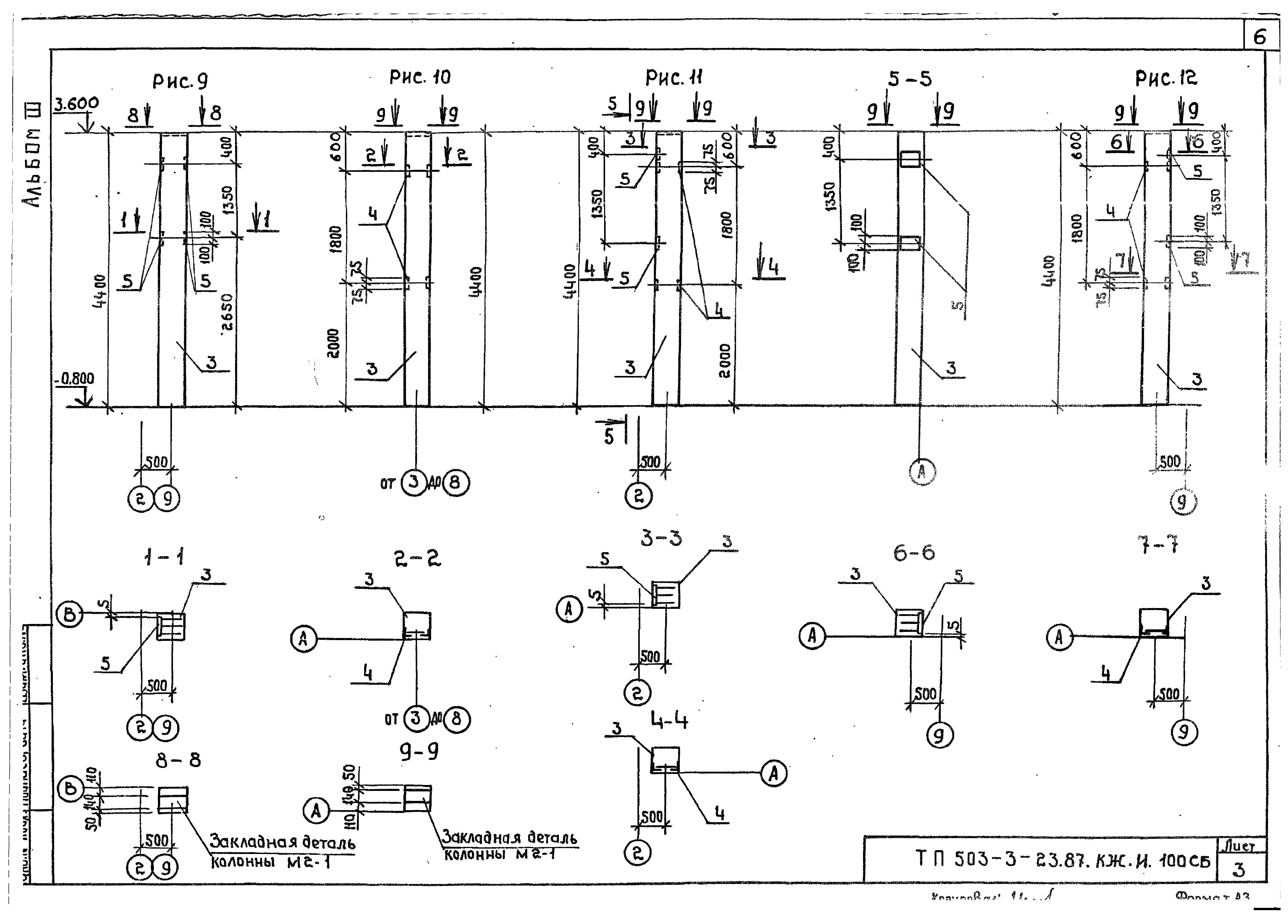
| Оглавление: | ТП503-3-23.87-КЖ.И.000 Содержание альбома ТП503-3-23.87-КЖ.И.ПЗ Пояснительная записка ТП503-3-23.87-КЖ.И.100 Колонны К48-1…; К36-7…; К36-1… ТП503-3-23.87-КЖ.И.200 Балки 1БСТ6-3АIVТ-1, 1БСТ6-3АIVТ-2 ТП503-3-23.87-КЖ.И.300 Панели ПС1, ПС2, ПС3 ТП503-3-23.87-КЖ.И.310 Пространственные каркасы КП1, КП2, КП3 ТП503-3-23.87-КЖ.И.311 Каркасы КР1, КР2, КР3 ТП503-3-23.87-КЖ.И.400 Плиты П13, П14 ТП503-3-23.87-КЖ.И.001 Сетки ИМ1 - ИМ2 ТП503-3-23.87-КЖ.И.002 Изделия металлические ИМ3, ИМ12 ТП503-3-23.87-КЖ.И.003 Изделия металлические ИМ4, ИМ5 ТП503-3-23.87-КЖ.И.004 Изделия металлические ИМ6, ИМ7 ТП503-3-23.87-КЖ.И.005 Изделия соединительные ИМ8 - ИМ11 ТП503-3-23.87-КЖ.И.006 Изделия металлические ИМ13 - ИМ15 ТП503-3-23.87-КЖ.И.007 Изделия металлические ИМ16, ИМ17 ТП503-3-23.87-КЖ.И.008 Изделия металлические ИМ18, ИМ19 ТП503-3-23.87-КЖ.И.009 Изделие закладное ИМ20 |
| Разработан: | Воронежский филиал Гипроавтотранс |
| Утверждён: | 23.12.1987 Минавтотранс РСФСР (Russian Federation Minavtotrans 21) |





















