Скачать Типовой проект 503-4-42.86 Альбом I. Пояснительная записка. Генеральный план и транспорт. Технология производства. Архитектурные решения. Конструкции железобетонные. Отопление и вентиляция. Водоснабжение и канализация. Электрическое освещение. Силовое электрооборудование. Связь и сигнализация. АвтоматизацияДата актуализации: 01.01.2021
|
| Обозначение: | Типовой проект 503-4-42.86 |
| Обозначение англ: | 503-4-42.86 |
| Статус: | не определен законодательством |
| Название рус.: | Альбом I. Пояснительная записка. Генеральный план и транспорт. Технология производства. Архитектурные решения. Конструкции железобетонные. Отопление и вентиляция. Водоснабжение и канализация. Электрическое освещение. Силовое электрооборудование. Связь и сигнализация. Автоматизация |
| Дата добавления в базу: | 01.09.2013 |
| Дата актуализации: | 01.01.2021 |
| Дата введения: | 18.07.1986 |
| Дата окончания срока действия: | 30.06.2003 |
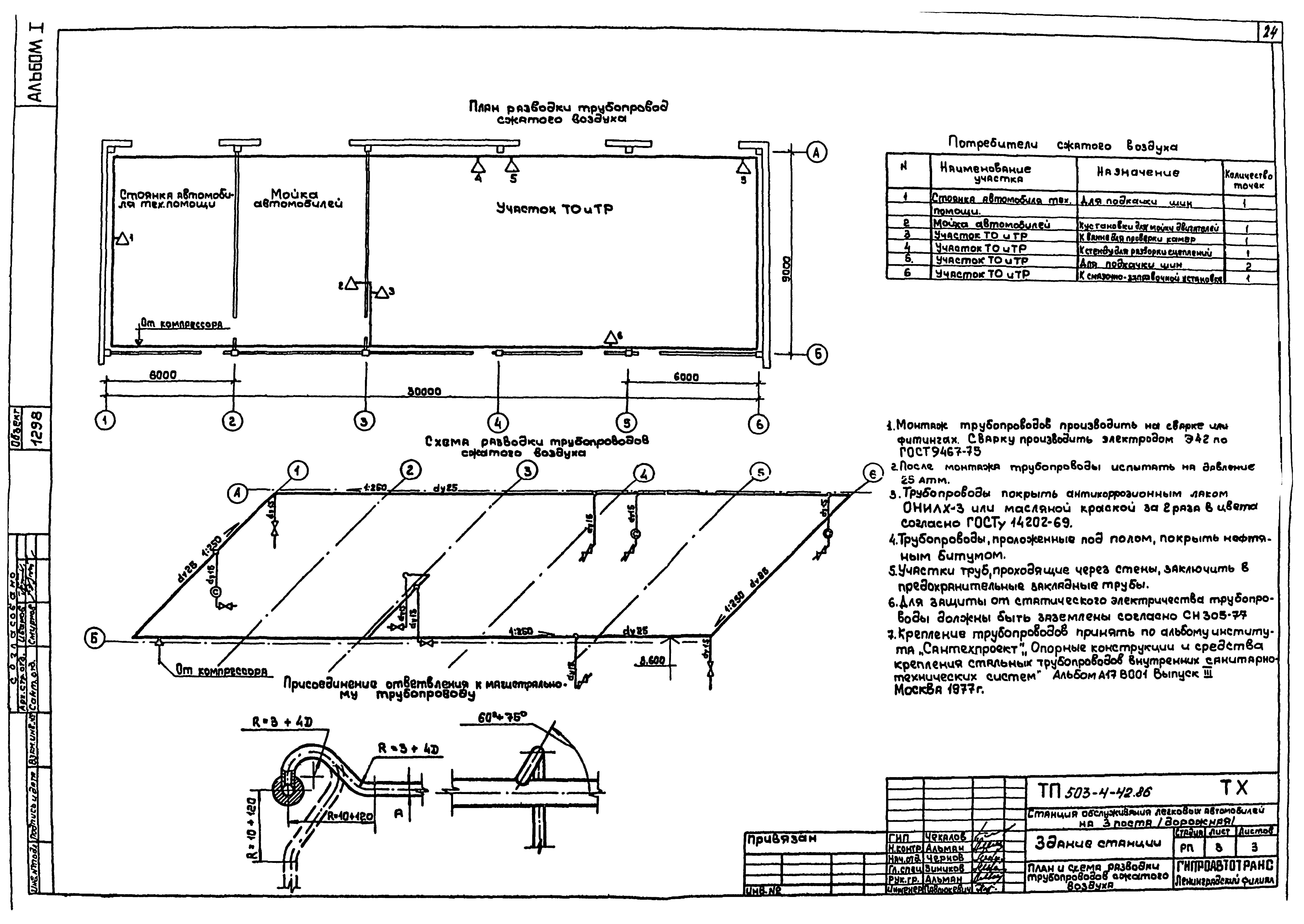
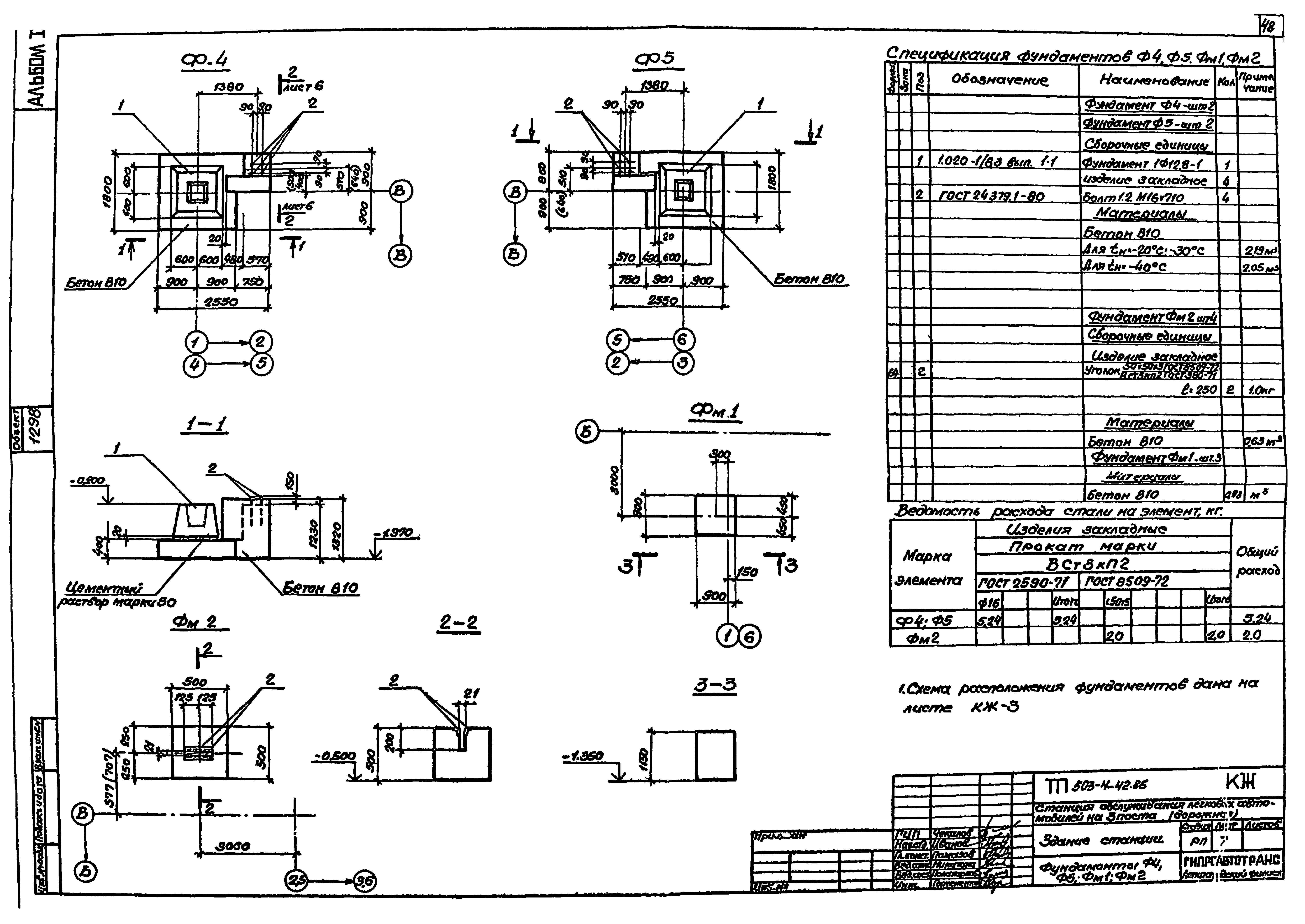
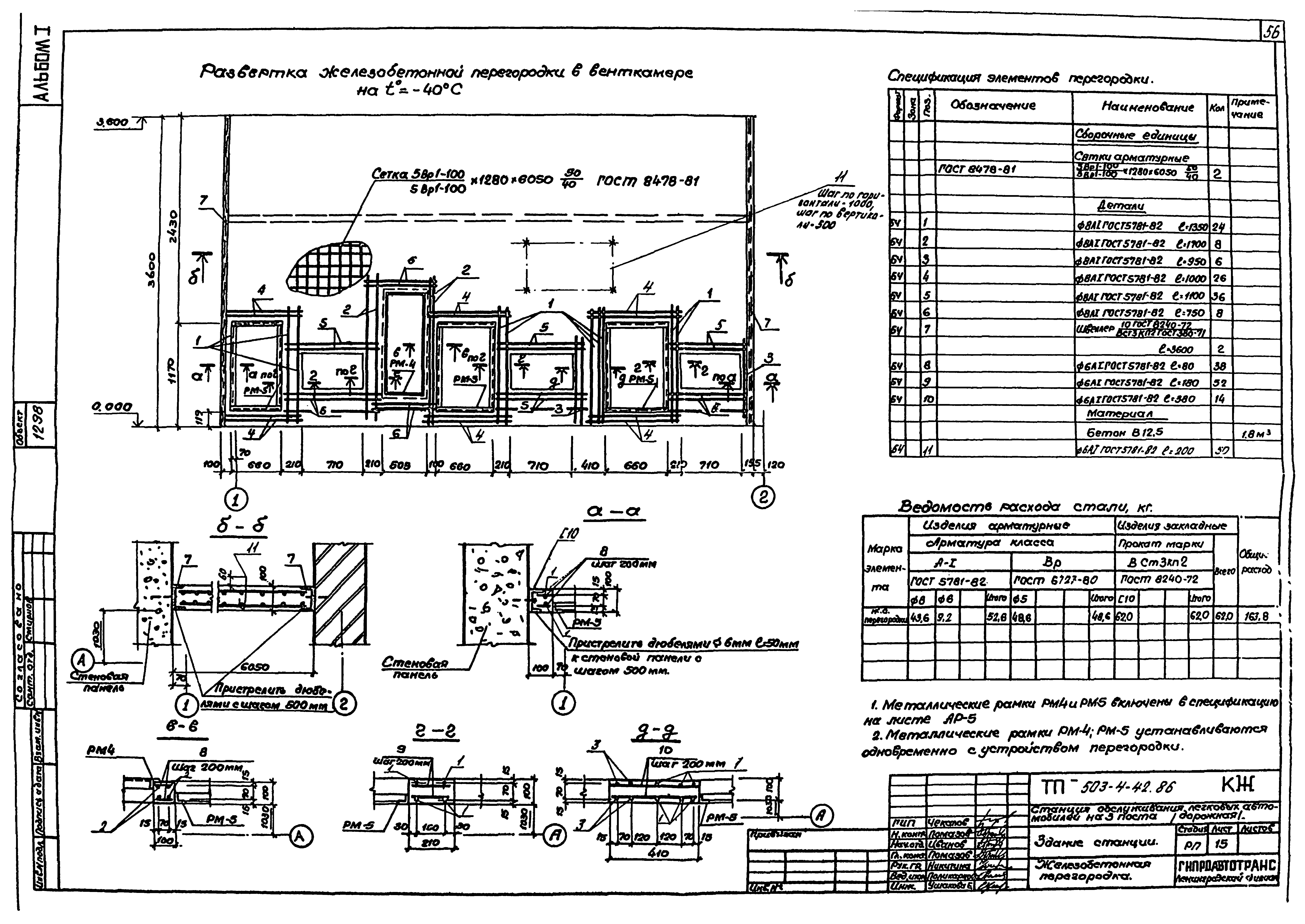
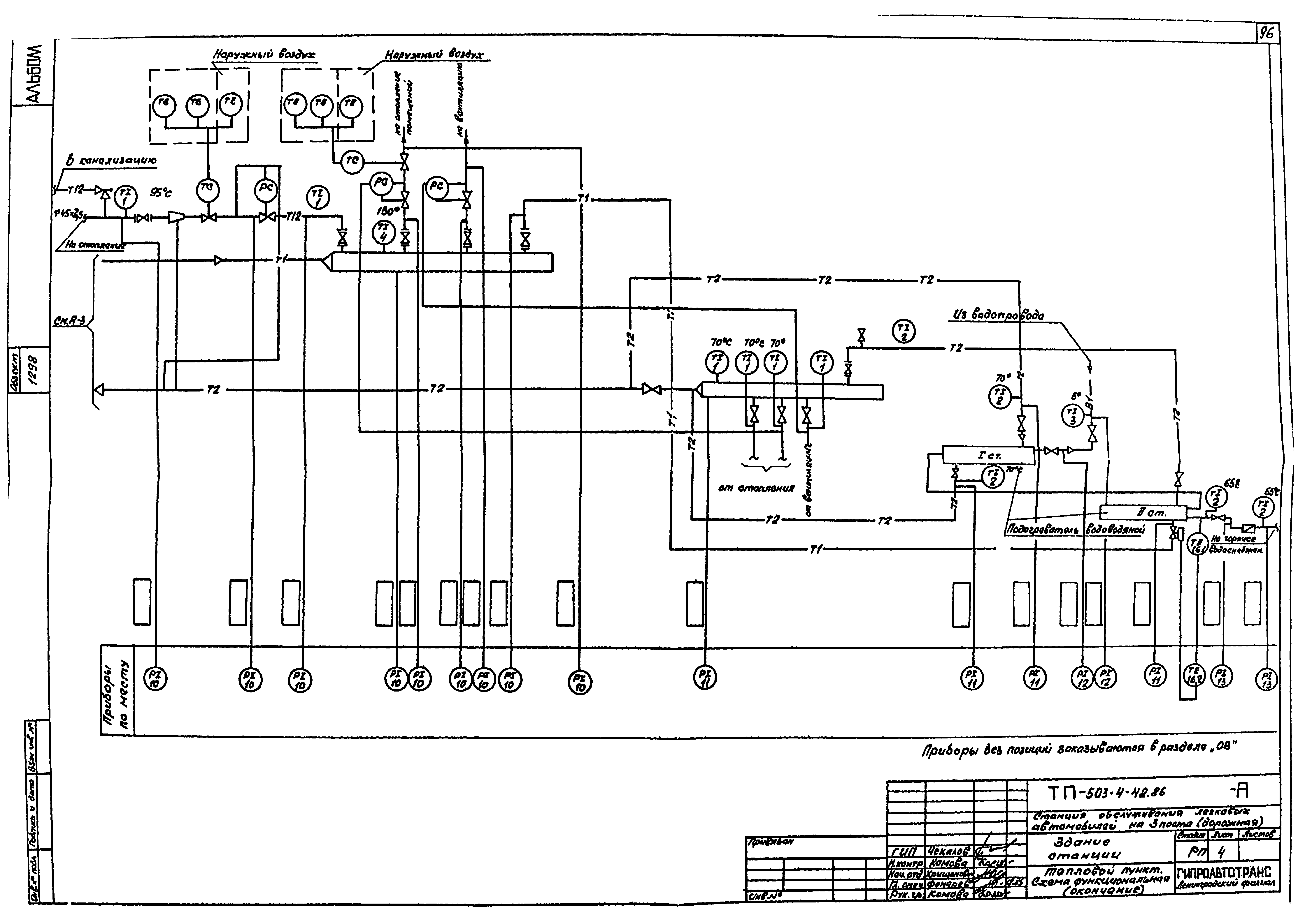
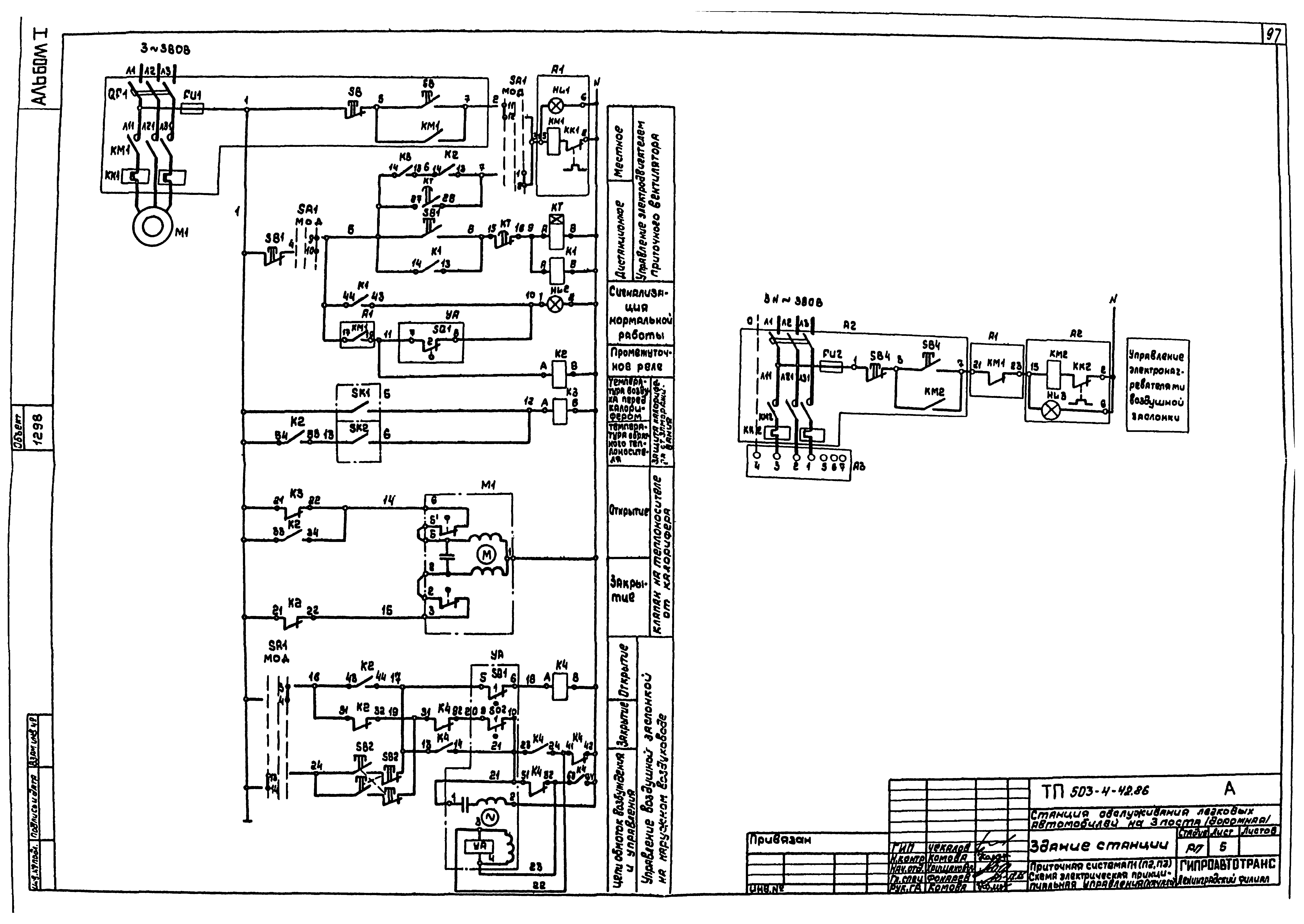
| Оглавление: | Содержание альбома Пояснительная записка Чертежи основного комплекта марки ГТ Общие данные Схема генерального плана Чертежи основного комплекта марки ТХ Общие данные План расстановки технологического оборудования План и схема разводки трубопроводов сжатого воздуха Чертежи основного комплекта марки АР Общие данные План на отм. 0.000; 0.600 План на отм. 0.000; 0.600 с нанесением отверстий и перемычек Фрагмент 2 Ведомости. Спецификации Фрагмент 3. Установка водослива. Узлы "А - Ж" Разрезы 1-1, 2-2 Разрезы 1 - 6; А - В Разрезы 6 - 1; В - Г Фрагмент 1. Ограждение лестниц. Вид "А", "Б" План кровли. План полов на отм. 0.000; 0.600. Экспликация полов Крыльцо К-1 Подвесные потолки Прилавок-витрина Окно О-1 План расстановки мебели и оборудования Чертежи основного комплекта марки КЖ Общие данные Схема расположения фундаментов Схема расположения фундаментов. Узлы 1, 2. Фрагмент 1 Схема расположения фундаментов. Сечения 1-1 - 13-13 Фундаменты Ф1, Ф2, Ф3 Фундаменты Ф4, Ф5, Фм1, Фм2 Схема расположения фундамента под оборудование, каналов и приямков Каналы КН1, КН2, КН3 Фундамент ФО1. Приямки ПР1, ПР2 Схема расположения рам каркаса Схема расположения плит покрытия Схема расположения стеновых панелей Схема расположения стеновых панелей. Фрагменты. Спецификация Железобетонная перегородка в осях 1 - 2 Схема расположения экструзионного ограждения Схема расположения витража Схема расположения рам ворот. Схема расположения стеклопакетов витража Схема расположения водосливов. Водослив Вн1 Молниезащита Чертежи основного комплекта марки ОВ Общие данные Отопление, теплоснабжение, вентиляция. План на отм. 0.000 и 0.600 Разрез 1-1, 2-2. Таблица местных отсосов Схемы систем отопления №1, №2. Схема системы теплоснабжения установок П1 - П3 Схемы систем П1 - П3; В1 - В3, ВЕ1 - ВЕ3 Установки систем П1 - П3, В3 - В5. План, разрезы. Спецификация установки П1 Спецификация отопительно-вентиляционных установок П2, П3, В3 - В5 Установки систем В1, В2 Тепловой пункт. План на отм. 0.600. Разрезы 1-1 - 3-3 Тепловой пункт. Спецификация оборудования. Разрез 4-4 Тепловой пункт. Принципиальная схема Воздуховод из шлакобетонных плит Конструкция тепловой изоляции Переход, тип I Переход, тип II Чертежи основного комплекта марки ВК Общие данные План Водомерный узел. План. Разрез. Схема Системы ВО, Т3. Схемы Сеть К1, К3. Схемы выпусков №№1, 2, 3 Опоры марки ОП Конструкция тепловой изоляции Чертежи основного комплекта марки ЭМ Общие данные Общее освещение. План на отм. 0.000 и 0.600 Распределительная и питающая сеть. План-схема на отм. 0.000 Распределительная сеть ЩР1 и ЩР2. Схема электрическая принципиальная Распределительная сеть ЩР4. Центральное отключение пожара. Схема электрическая принципиальная Распределительная сеть ЩР3. Схема электрическая принципиальная Чертежи основного комплекта марки СС Общие данные План расположения устройств связи и сигнализации Чертежи основного комплекта марки А Автоматизация. Общие данные Приточная система П1 (П2, П3). Схема функциональная Тепловой пункт. Схема функциональная Приточная система П1 (П2, П3). Схема электрическая принципиальная управления Приточная система П1 (П2, П3). Схема внешних соединений электрических проводок Тепловой пункт. Схемы внешних соединений электрических проводок и питания Тепловой пункт. Схема внешних соединений Монтажный чертеж электрических проводок |
| Разработан: | Ленинградский филиал Гипроавтотранс |
| Утверждён: | 18.07.1986 Минавтотранс РСФСР (Russian Federation Minavtotrans 16) |






































































































