Скачать Типовой проект 503-4-57с.88 Альбом 2. Архитектурные решенияДата актуализации: 01.01.2021
|
| Обозначение: | Типовой проект 503-4-57с.88 |
| Обозначение англ: | 503-4-57с.88 |
| Статус: | не определен законодательством |
| Название рус.: | Альбом 2. Архитектурные решения |
| Дата добавления в базу: | 01.09.2013 |
| Дата актуализации: | 01.01.2021 |
| Дата введения: | 20.06.1988 |
| Дата окончания срока действия: | 30.06.2003 |
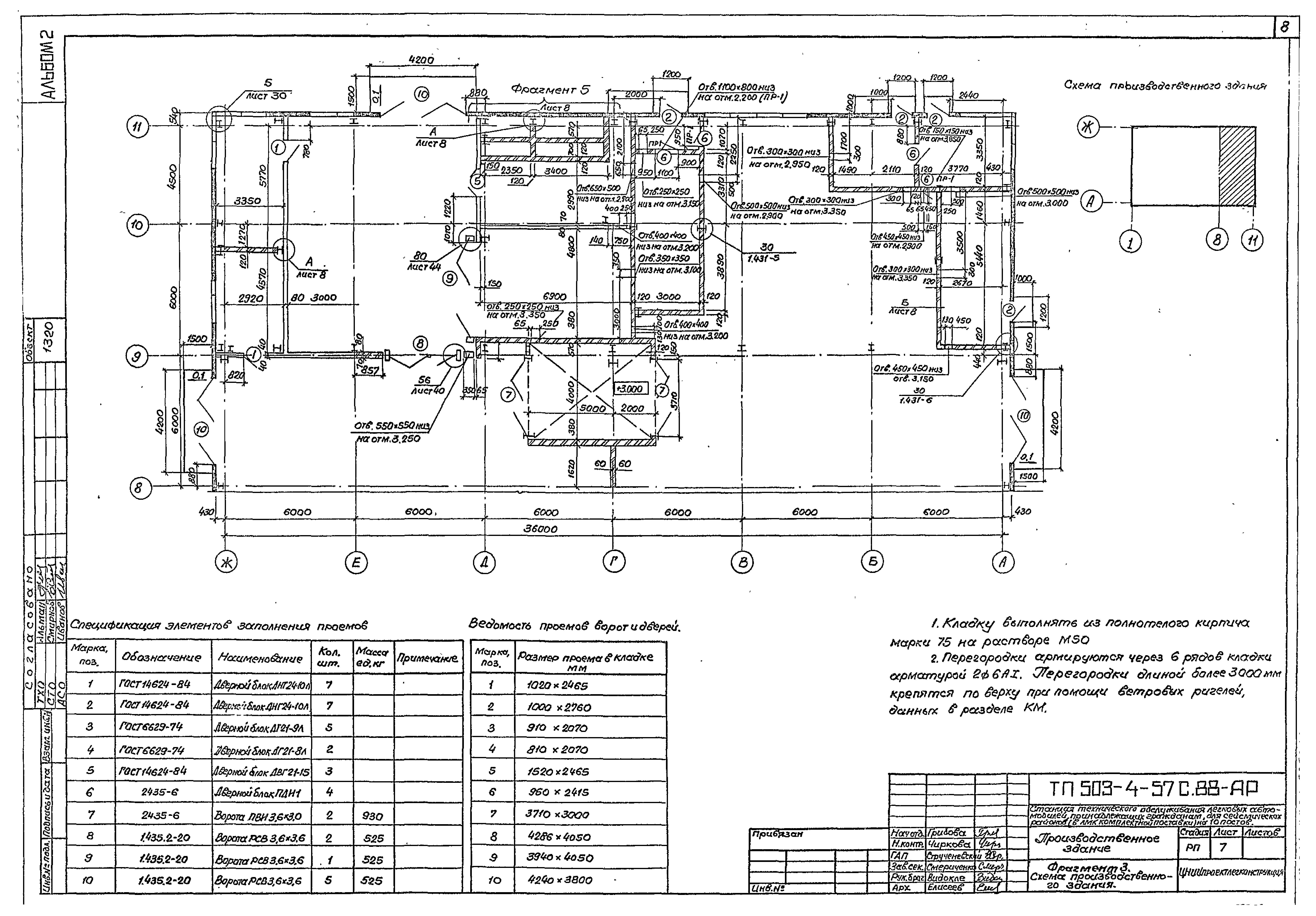
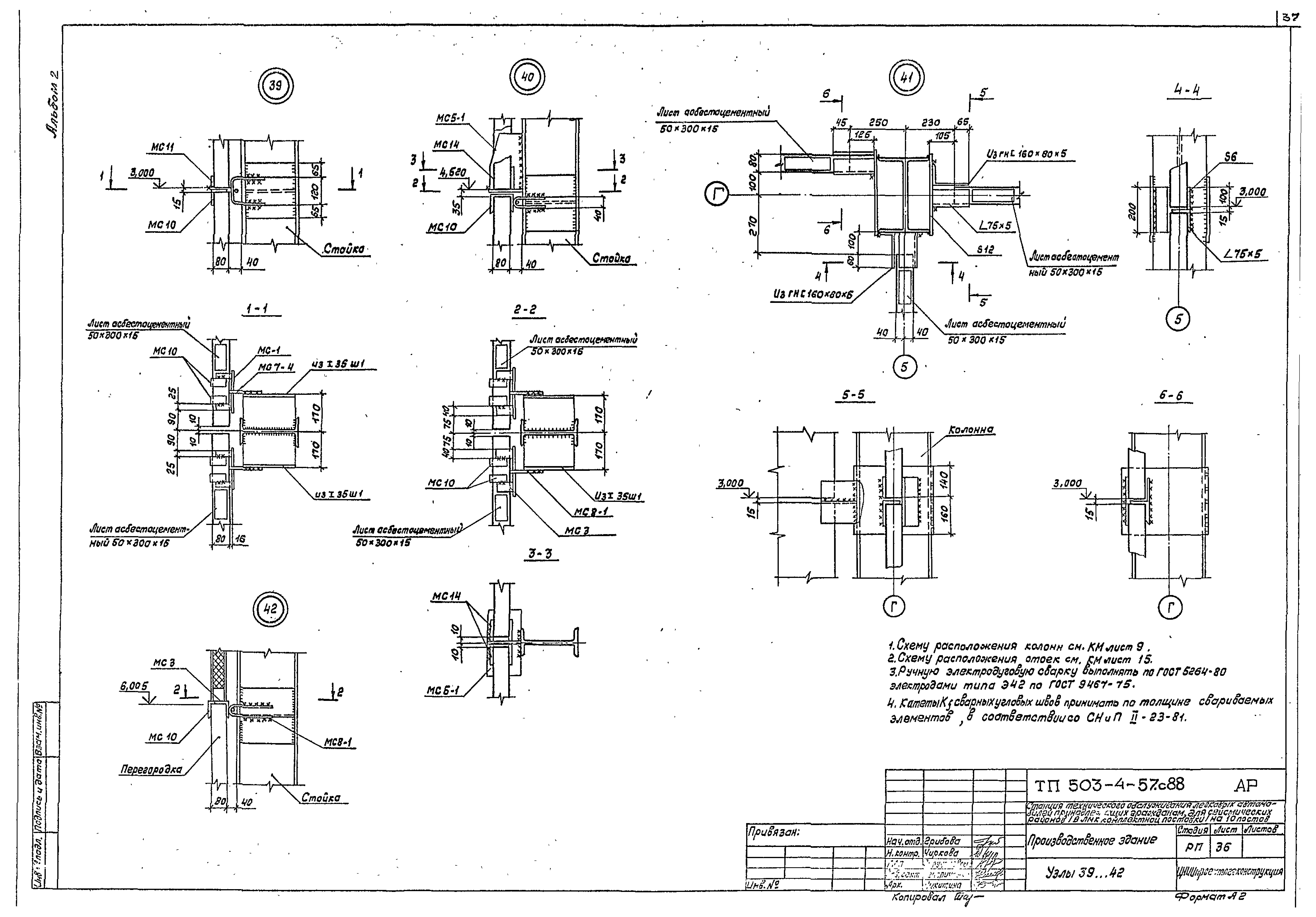
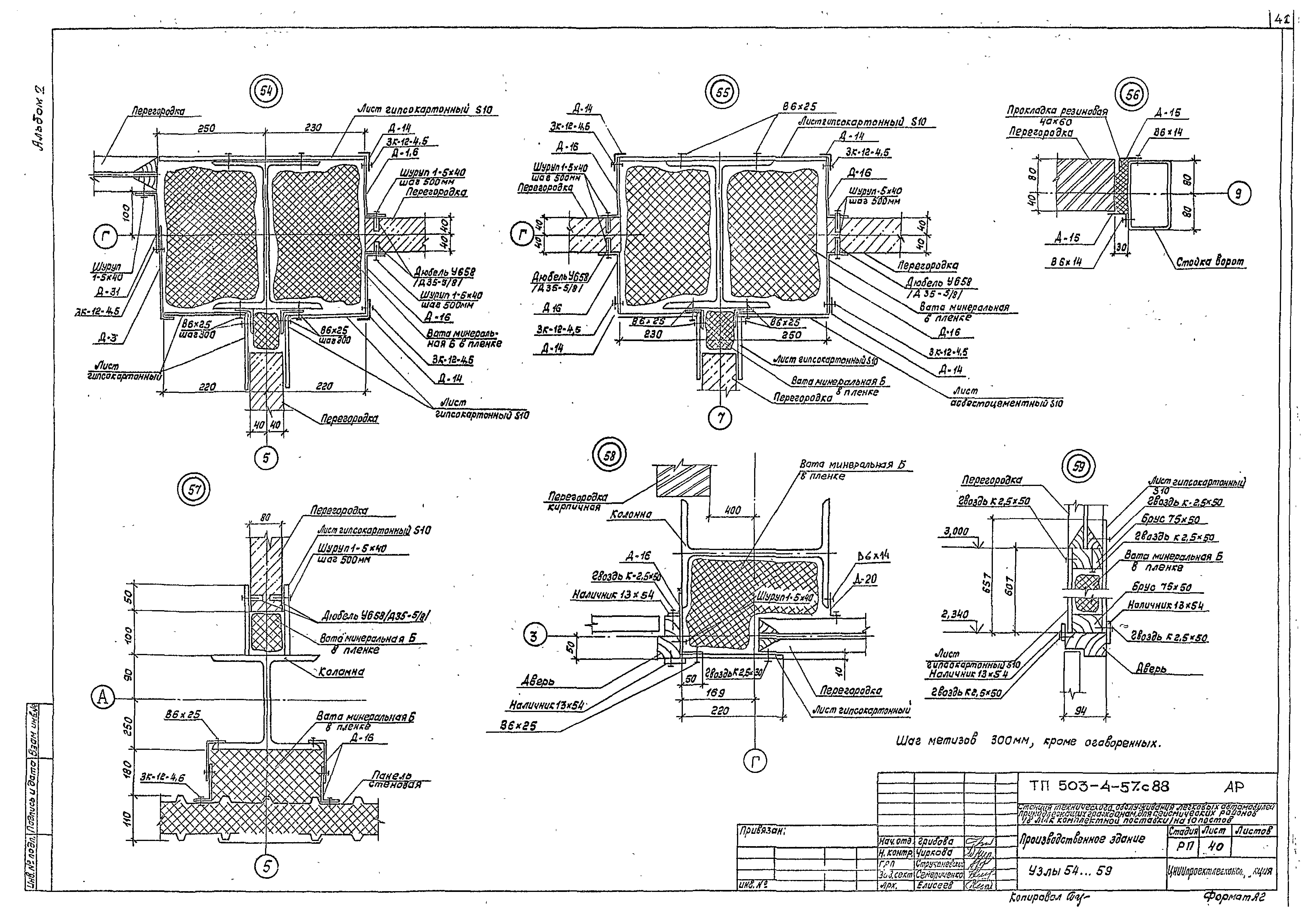
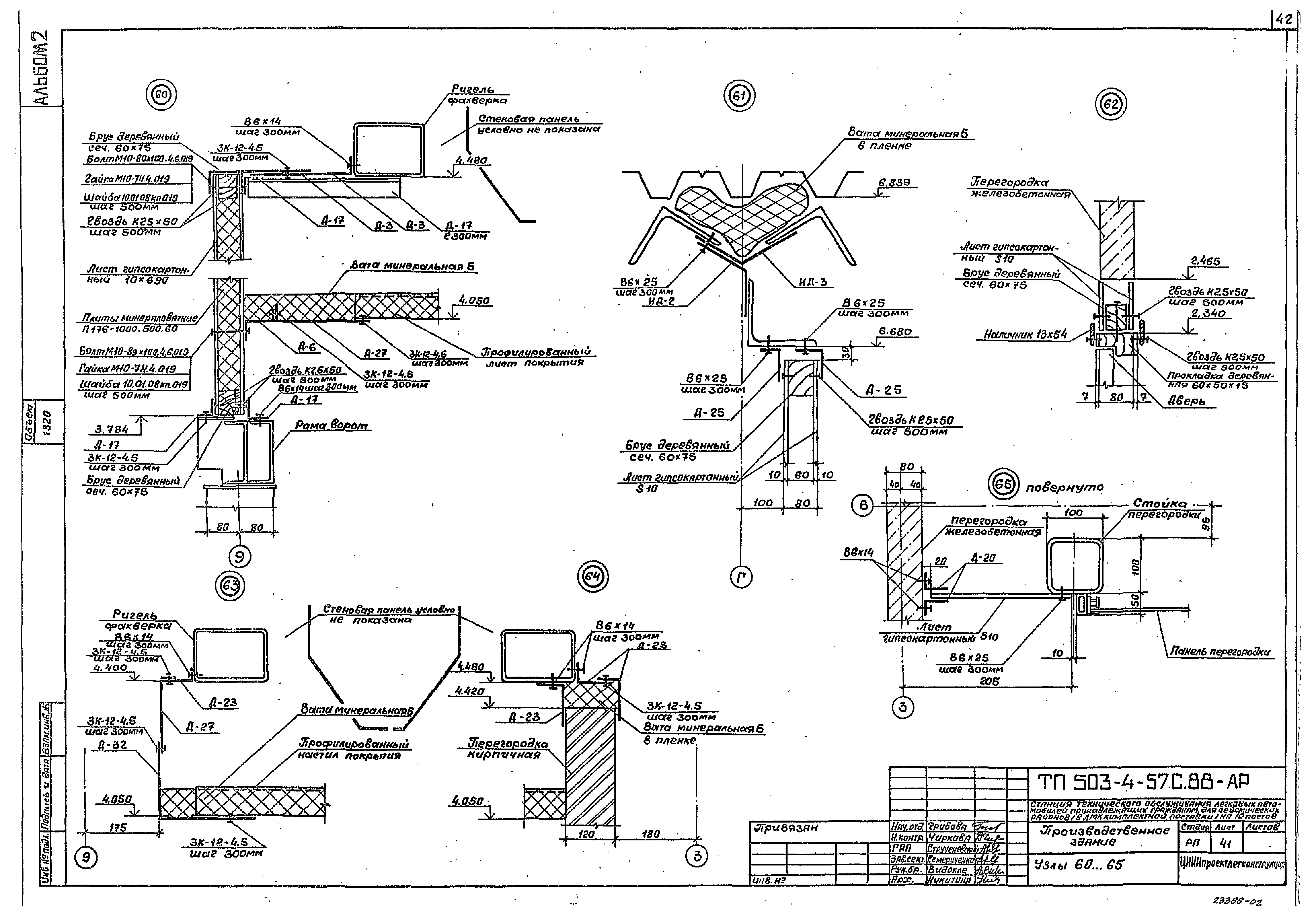
| Оглавление: | Общие данные План на отм. 0.000 Фрагмент 1. Схема производственного здания Фрагмент 2. Схема производственного здания Фрагмент 3. Схема производственного здания Фрагменты 4, 5 Разрезы 1-1…3-3 Разрезы 4-4…7-7 Фасады А - Ж, 1 - 11, 11 - 1, Ж - А План кровли План полов на отм. 0.000 Экспликация полов Схемы расположения закладных деталей под перегородки на отм. 0.000 в осях 1 - 3; Ж - А; 9 - 11; Ж - Е; 10 - 11; Д - Г Схемы расположения закладных деталей под перегородки на отм. 0.000 в осях А - Г; 3 - 9 Схемы расположения стеновых панелей в осях 1 - 9; 9 - 11 Схемы расположения стеновых панелей в осях 11 - 3; 3 - 1 Схемы расположения стеновых панелей в осях Ж - А; А - Ж Схемы расположения оконных блоков в осях 9 - 3; 11 - 9; 3 - 1 Схемы расположения оконных блоков в осях 3 - 9; 1 - 3; 9 - 11 Схемы расположения оконных блоков и рам для воздухозаборов в осях А - Ж; Ж - А Схемы расположения консольных перегородок в осях Ж - Г; 3 - 4 Схемы расположения перегородок в осях А - Г; 3-3 Схемы расположения перегородок в осях 1 - 3; ж - А; 9 - 11; Ж - Е; 10 - 11; Д - Г Схемы расположения перегородок в осях А - Г; 3 - 9; 9 - 11; Ж - Е; 10 - 11; Д - Г. Разрезы 1-1…7-7 Схемы расположения перегородок в осях 1 - 3; Ж - А. Разрезы 8-8…15-15 Панели ПС1, ПС1-1, ПС-3 Узлы 1…3 Узлы 4…8 Узлы 9…14 Узлы 15…23 Узлы 24…29 Узел 30. Рамы для воздухозаборов РВ1…РВ3 Узлы 31…38 Узлы 39…42 Узлы 43, 44 Узлы 45…47 Узлы 48…53 Узлы 54…59 Узлы 60…65 Узлы 66…70 Узлы 71…75 Узлы 76…80 Узлы 81…84 Схема расположения закладных деталей цоколя. Узел 85 |
| Разработан: | Ленинградский филиал Гипроавтотранс |
| Утверждён: | 20.06.1988 Минавтопром СССР (USSR Minavtoprom 23) |
| Издан: | ЦИТП Госстроя СССР (CITP, Gosstroy (USSR) 1988 г. ) |















































