Скачать Серия 3.501.1-134 Выпуск 1. Монтажные схемы и оснастка опорДата актуализации: 01.01.2021
|
| Обозначение: | Серия 3.501.1-134 |
| Обозначение англ: | Series 3.501.1-134 |
| Статус: | заменен |
| Название рус.: | Выпуск 1. Монтажные схемы и оснастка опор |
| Дата добавления в базу: | 01.09.2013 |
| Дата актуализации: | 01.01.2021 |
| Дата введения: | 15.09.1983 |
| Дата окончания срока действия: | 01.02.1989 |
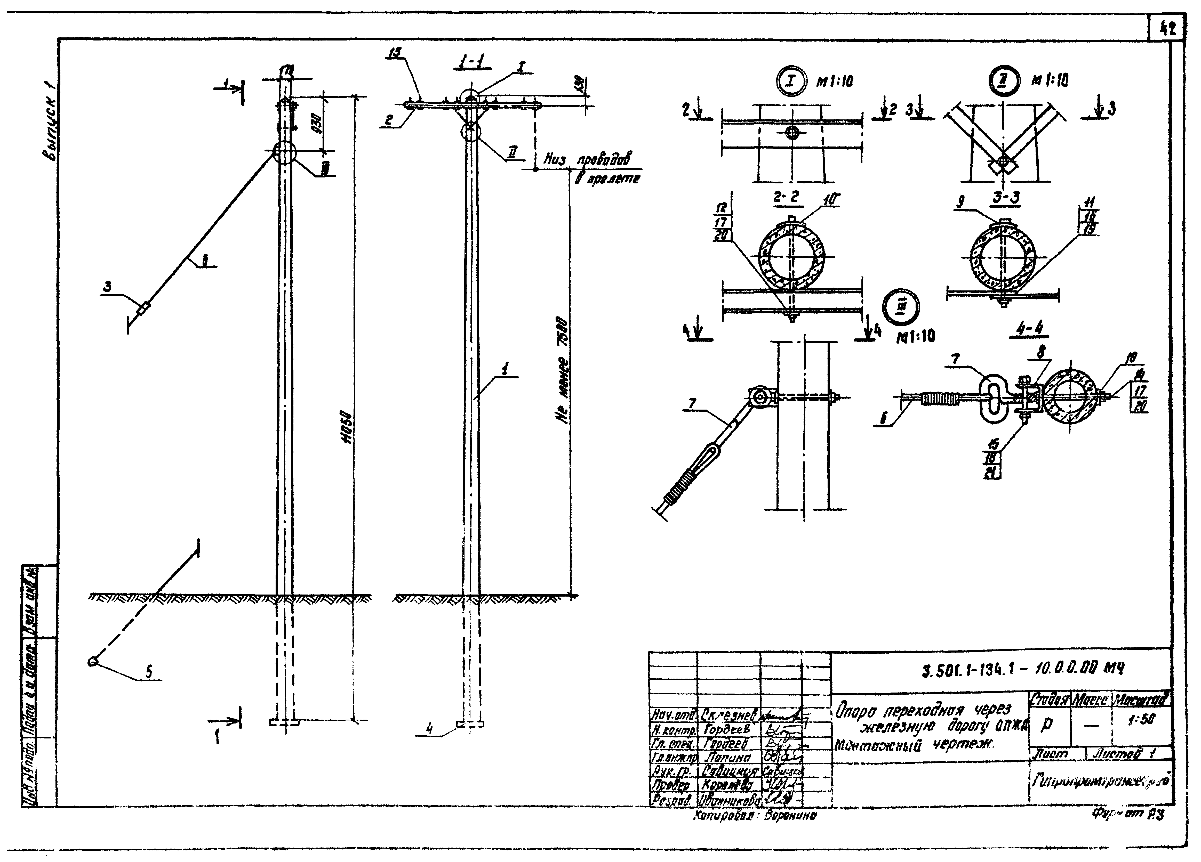
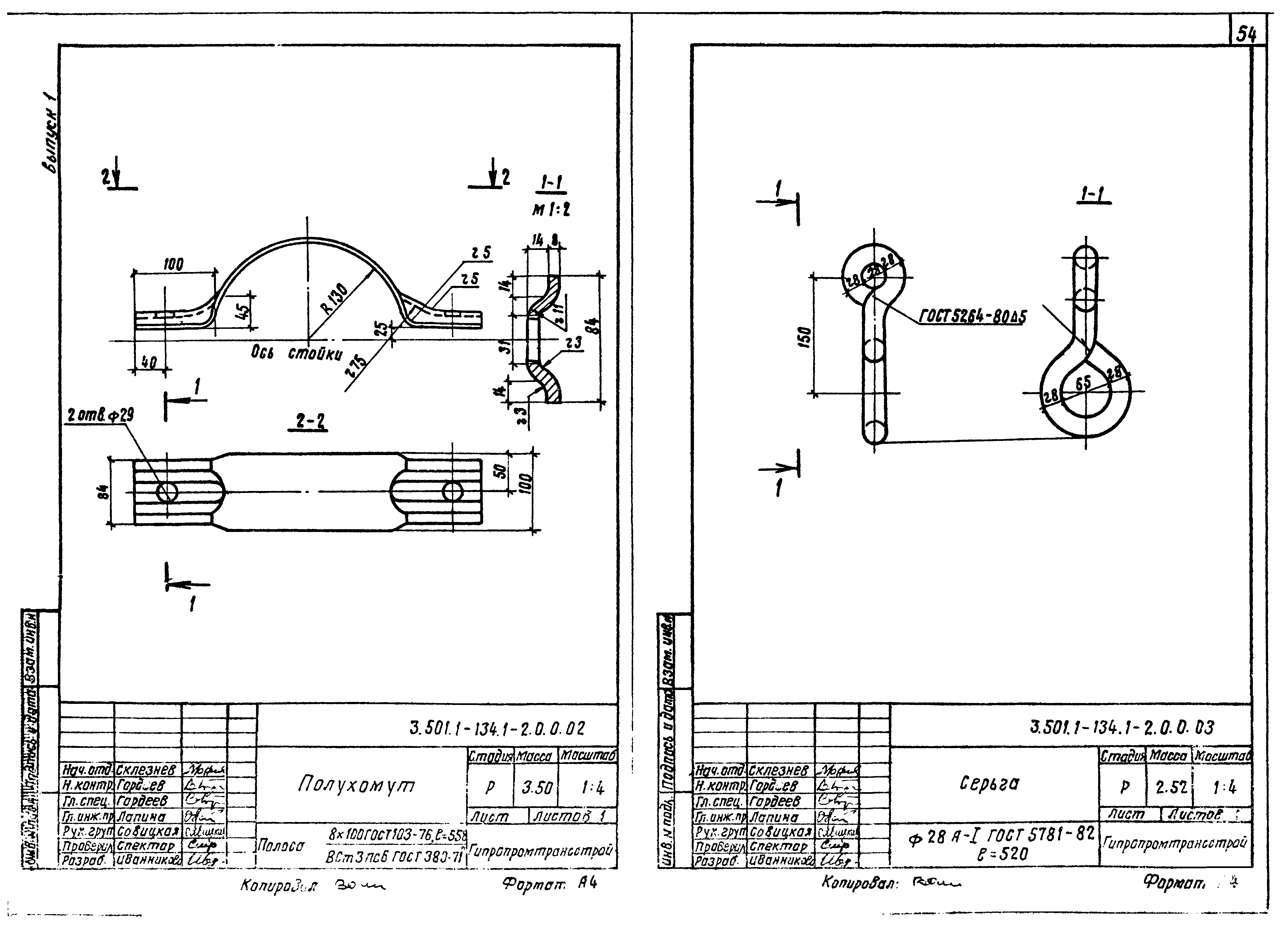
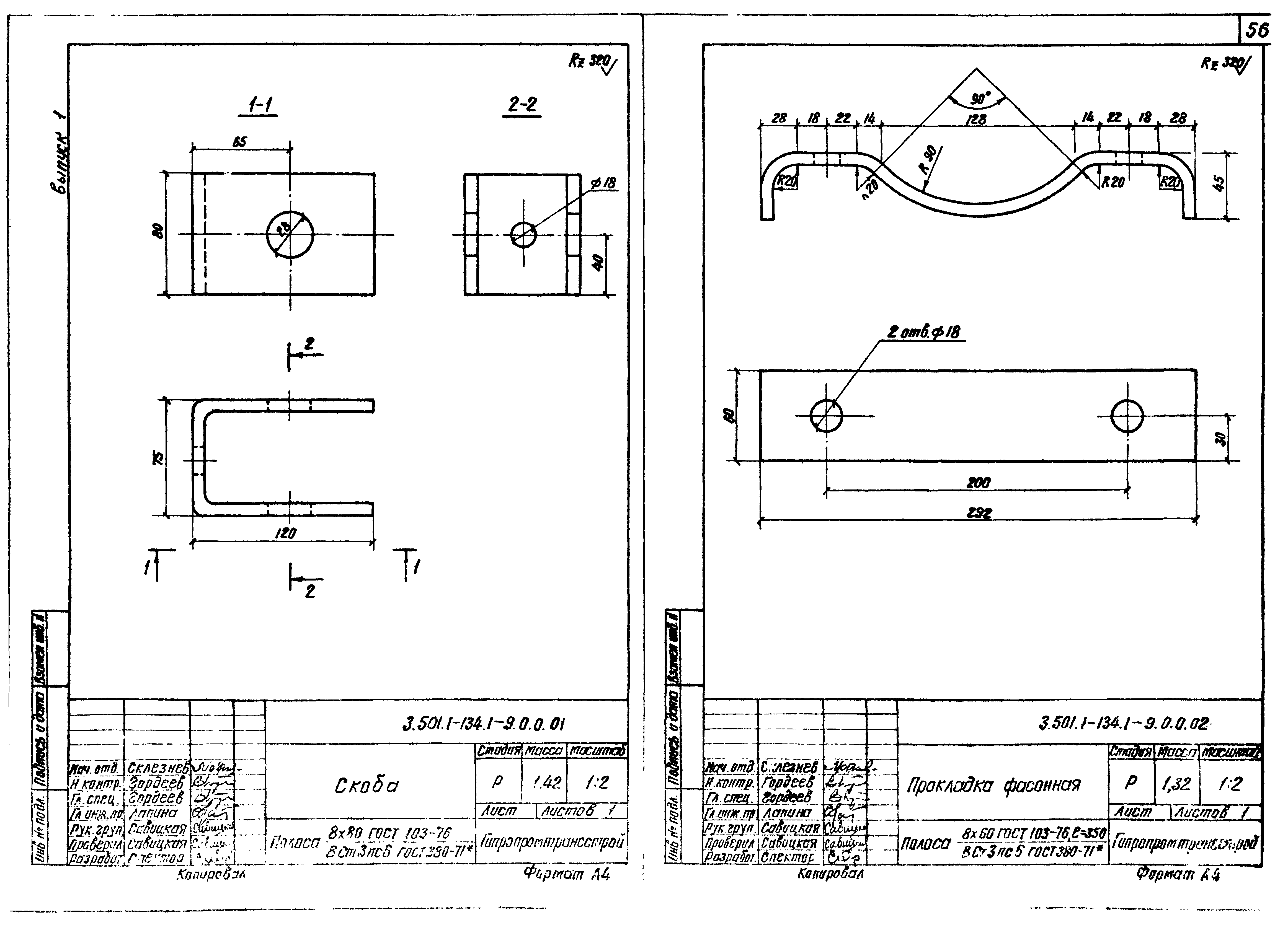
| Оглавление: | 3.501.1-134.1-0.0.0.00 Содержание 3.501.1-134.1-0.0.0.00ПЗ Пояснительная записка 3.501.1-134.1-0.0.0.00ВД Ведомость ссылочных документов 3.501.1-134.1-0.0.0.00СМ1 Выбор длины стоек в зависимости от габарита подвески проводов 3.501.1-134.1-0.0.0.00СМ2 Выбор марки стойки промежуточных опор 3.501.1-134.1-0.0.0.00СМ3 Величина заглубления стоек промежуточных опор в грунт 3.501.1-134.1-0.0.0.00СМ4 Характеристики опор геометрические 3.501.1-134.1-0.0.0.00СМ5 Определение длины оттяжки 3.501.1-134.1-0.0.0.00СМ6 Выбор типа оттяжки и лежня 3.501.1-134.1-0.0.0.00СМ7 Выбор типа опорной плиты 3.501.1-134.1-1.0.0.00 Опора промежуточная ОП 3.501.1-134.1-1.0.0.00МЧ Опора промежуточная ОП. Монтажный чертеж 3.501.1-134.1-2.0.0.00 Опора промежуточная для болотистых грунтов ОПБ 3.501.1-134.1-2.0.0.00МЧ Опора промежуточная для болотистых грунтов ОПБ. Монтажный чертеж 3.501.1-134.1-3.0.0.00 Опора противоветровая ОПВ 3.501.1-134.1-3.0.0.00МЧ Опора противоветровая ОПВ. Монтажный чертеж 3.501.1-134.1-4.0.0.00 Опора угловая ОУ 3.501.1-134.1-4.0.0.00МЧ Опора угловая ОУ. Монтажный чертеж 3.501.1-134.1-5.0.0.00 Опора полуанкерная ОПА 3.501.1-134.1-5.0.0.00МЧ Опора полуанкерная ОПА. Монтажный чертеж 3.501.1-134.1-6.0.0.00 Опора разрезная из стоек длиной 8,5 м ОР-1 3.501.1-134.1-6.0.0.00МЧ Опора разрезная из стоек длиной 8,5 м ОР-1. Монтажный чертеж 3.501.1-134.1-7.0.0.00 Опора разрезная из стоек длиной 7,5 м и 8,5 м ОР-2 3.501.1-134.1-7.0.0.00МЧ Опора разрезная из стоек длиной 7,5 м и 8,5 м ОР-2. Монтажный чертеж 3.501.1-134.1-8.0.0.00 Опора переходная кабельная ОПК 3.501.1-134.1-8.0.0.00МЧ Опора переходная кабельная ОПК. Монтажный чертеж 3.501.1-134.1-9.0.0.00 Опора переходная через автодорогу ОППД 3.501.1-134.1-9.0.0.00МЧ Опора переходная через автодорогу ОППД. Монтажный чертеж 3.501.1-134.1-10.0.0.00 Опора переходная через железную дорогу ОПЖД 3.501.1-134.1-10.0.0.00МЧ Опора переходная через железную дорогу ОПЖД. Монтажный чертеж 3.501.1-134.1-1.4.0.00 Траверса Т-1 оснащенная 3.501.1-134.1-1.4.0.00СБ Траверса Т-1 оснащенная. Сборочный чертеж 3.501.1-134.1-4.1.0.00 Траверса Т-3 оснащенная 3.501.1-134.1-5.1.0.00 Траверса Т-2 оснащенная 3.501.1-134.1-2.1.0.00 Стяжка винтовая 3.501.1-134.1-2.1.0.00СБ Стяжка винтовая. Сборочный чертеж 3.501.1-134.1-2.2.0.00 Зажим 3.501.1-134.1-2.2.0.00СБ Зажим. Сборочный чертеж 3.501.1-134.1-8.0.0.03 Хомут 3.501.1-134.1-8.1.0.00 Площадка 3.501.1-134.1-8.1.0.00СБ Площадка. Сборочный чертеж 3.501.1-134.1-8.2.0.00 Лестница 3.501.1-134.1-8.2.0.00СБ Лестница. Сборочный чертеж 3.501.1-134.1-1.0.0.01 Шайба сферическая 3.501.1-134.1-1.0.0.02 Болт 3.501.1-134.1-1.4.0.01 Траверса Т-1 3.501.1-134.1-5.1.0.01 Траверса Т-2 3.501.1-134.1-4.1.0.01 Траверса Т-3 3.501.1-134.1-8.0.0.02 Брус 3.501.1-134.1-2.1.0.01 Винт с проушиной 3.501.1-134.1-2.1.0.02 Болт с проушиной 3.501.1-134.1-2.0.0.02 Полухомут 3.501.1-134.1-2.0.0.03 Серьга 3.501.1-134.1-2.0.0.06 Ерш 3.501.1-134.1-9.0.0.03 Прокладка 3.501.1-134.1-9.0.0.01 Скоба 3.501.1-134.1-9.0.0.02 Прокладка фасонная 3.501.1-134.1-8.1.0.01 Уголок 3.501.1-134.1-8.1.0.02 Уголок 3.501.1-134.1-8.1.0.04 Уголок 3.501.1-134.1-8.1.0.05 Уголок 3.501.1-134.1-8.2.0.04 Ступень верхняя 3.501.1-134.1-8.2.0.03 Уголок 3.501.1-134.1-0.0.0.00СМ8 Пример подбора стойки. Определение данных для установки 3.501.1-134.1-0.0.0.00КУ Карта технического уровня и качества продукции |
| Разработан: | Гипропромтрансстрой |
| Утверждён: | 12.04.1983 МПС (Ministry of Railroads А-11914) |
| Чем заменён: |































































