Скачать Типовой проект 503-9-15.86 Альбом 1. Пояснительная записка. Архитектурно-строительные решения. Электрическое освещениеДата актуализации: 01.01.2021
|
| Обозначение: | Типовой проект 503-9-15.86 |
| Обозначение англ: | 503-9-15.86 |
| Статус: | не определен законодательством |
| Название рус.: | Альбом 1. Пояснительная записка. Архитектурно-строительные решения. Электрическое освещение |
| Дата добавления в базу: | 01.09.2013 |
| Дата актуализации: | 01.01.2021 |
| Дата введения: | 05.04.1985 |
| Дата окончания срока действия: | 30.06.2003 |
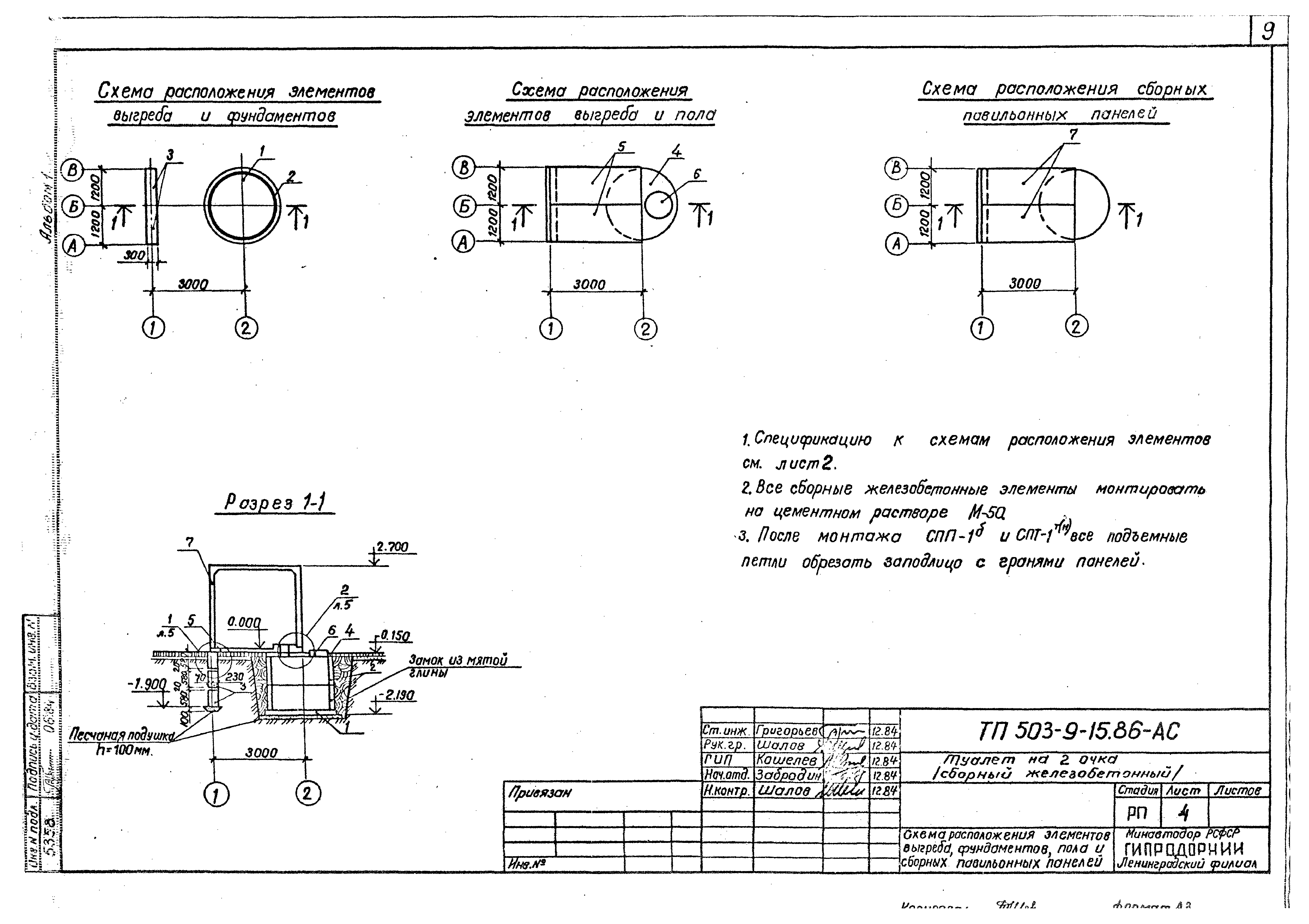
| Оглавление: | Содержание Пояснительная записка Архитектурно-строительные решения Общие данные Фасады 1 - 2; В - А. План на отм. 0.000. План кровли, разрез 1-1 Схема расположения элементов выгреба, фундаментов, пола и сборных павильонных панелей Узлы 1 - 4 Дверь туалета ИД-1. Сборочный чертеж. Спецификация Дверь туалета ИД-1. Коробка и полотно. Сборочный чертеж. Спецификация Фрамуга ИД-2. Сборочный чертеж Электрическое освещение Общие данные. План сети электроосвещения Спецификации оборудования |
| Разработан: | Ленинградский филиал Гипродорнии |
| Утверждён: | 05.04.1985 Минавтодор РСФСР (Russian Federation Minavtodor 28) |
















