Скачать Каталог сборных железобетонных конструкций зданий и типовых проектов для жилищно-гражданского строительства по Краснодарскому краю

Дата актуализации: 01.01.2021

Каталог сборных железобетонных конструкций зданий и типовых проектов для жилищно-гражданского строительства по Краснодарскому краю

Статус:справочные материалы, мп, тпр
Название рус.:Каталог сборных железобетонных конструкций зданий и типовых проектов для жилищно-гражданского строительства по Краснодарскому краю
Дата добавления в базу:01.10.2014
Дата актуализации:01.01.2021
Область применения:Каталог предназначен для проектных институтов, строительных организаций и предприятитй
Оглавление:Часть 1. Железобетонные конструкции
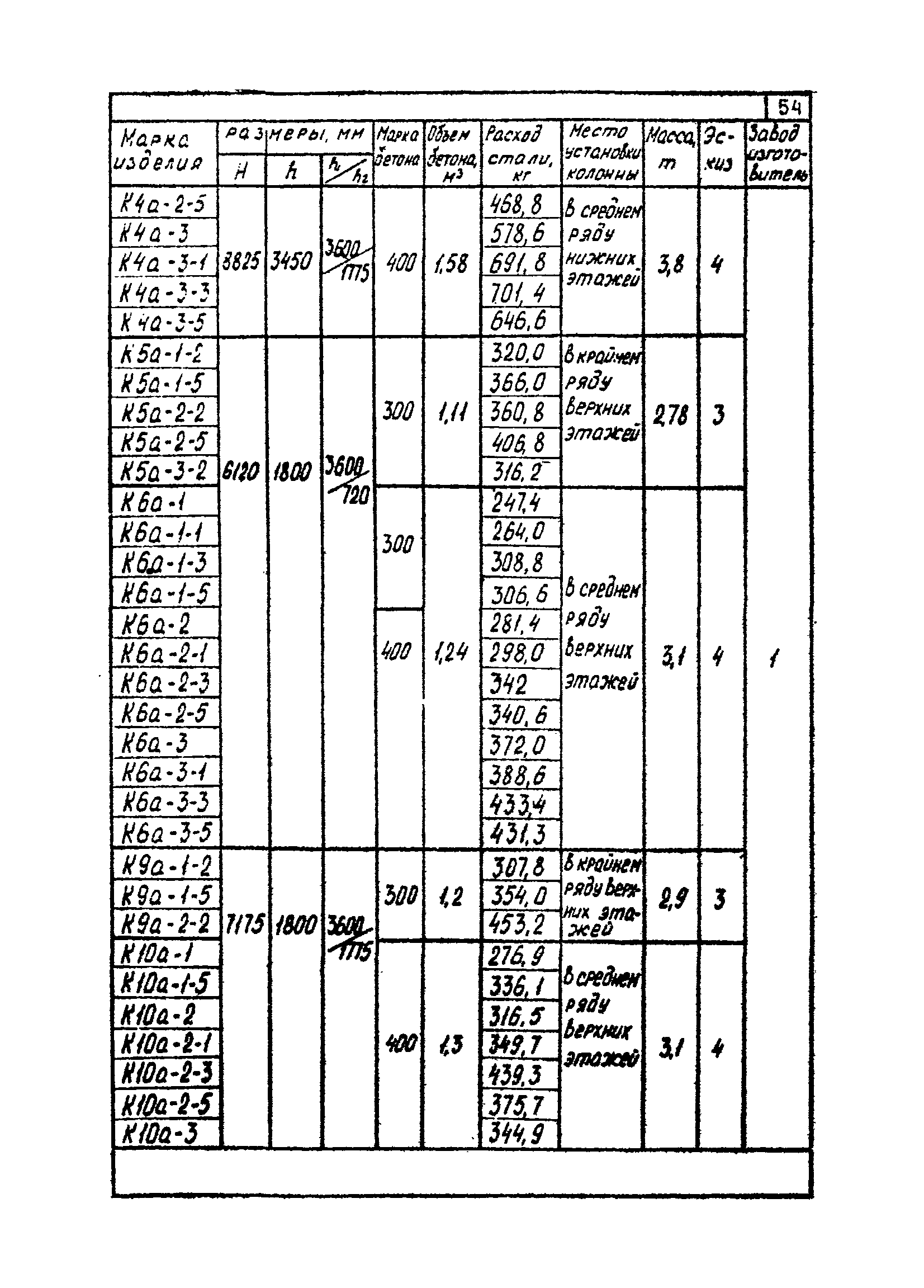
   Раздел 1.1 Конструкции одноэтажных производственных зданий
   Раздел 1.2 Конструкции многоэтажных производственных зданий
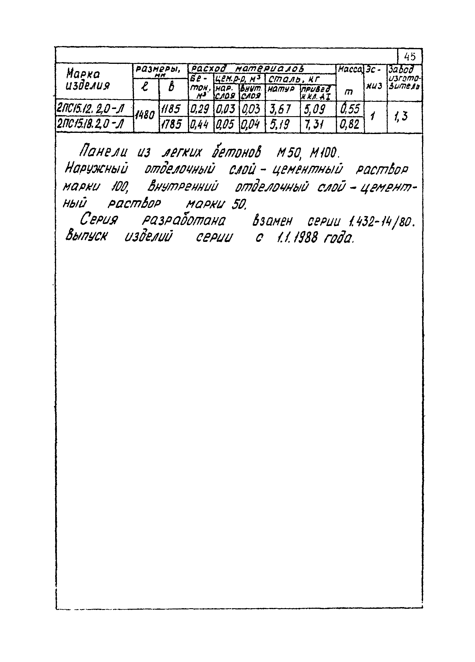
   Раздел 1.3 Конструкции жилых и общественных зданий
   Раздел 1.4 Конструкция инженерных сооружений
Часть 2. Типовой проект жилых и общественных зданий
   Раздел 2.1 Типовые проекты общественных зданий
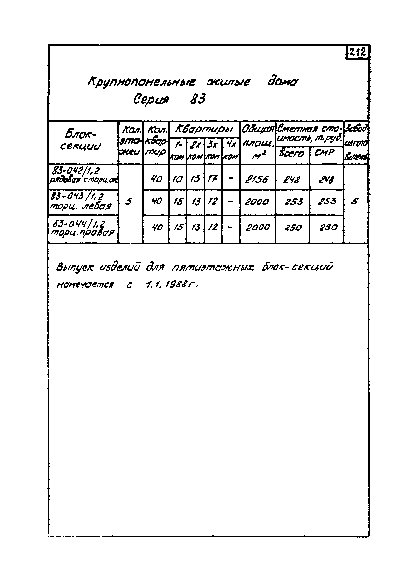
   Раздел 2.2 Типовые проекты жилых зданий
   Раздел 2.3 Типовые проекты инженерных сооружений
Разработан: Проектно-технологический трест Оргтехстрой
Утверждён: Министерство строительства в южных районах СССР Главкраснодарстрой