Скачать Типовой проект Пу-1-50-367.89 Альбом 1. Пояснительная записка. Архитектурно-строительные решения. Отопление и вентиляция. Электроосвещение и силовое электрооборудованиеДата актуализации: 01.01.2021
|
| Обозначение: | Типовой проект Пу-1-50-367.89 |
| Обозначение англ: | Пу-1-50-367.89 |
| Статус: | не определен законодательством |
| Название рус.: | Альбом 1. Пояснительная записка. Архитектурно-строительные решения. Отопление и вентиляция. Электроосвещение и силовое электрооборудование |
| Дата добавления в базу: | 01.10.2014 |
| Дата актуализации: | 01.01.2021 |
| Дата введения: | 18.10.1989 |
| Дата окончания срока действия: | 30.06.2003 |
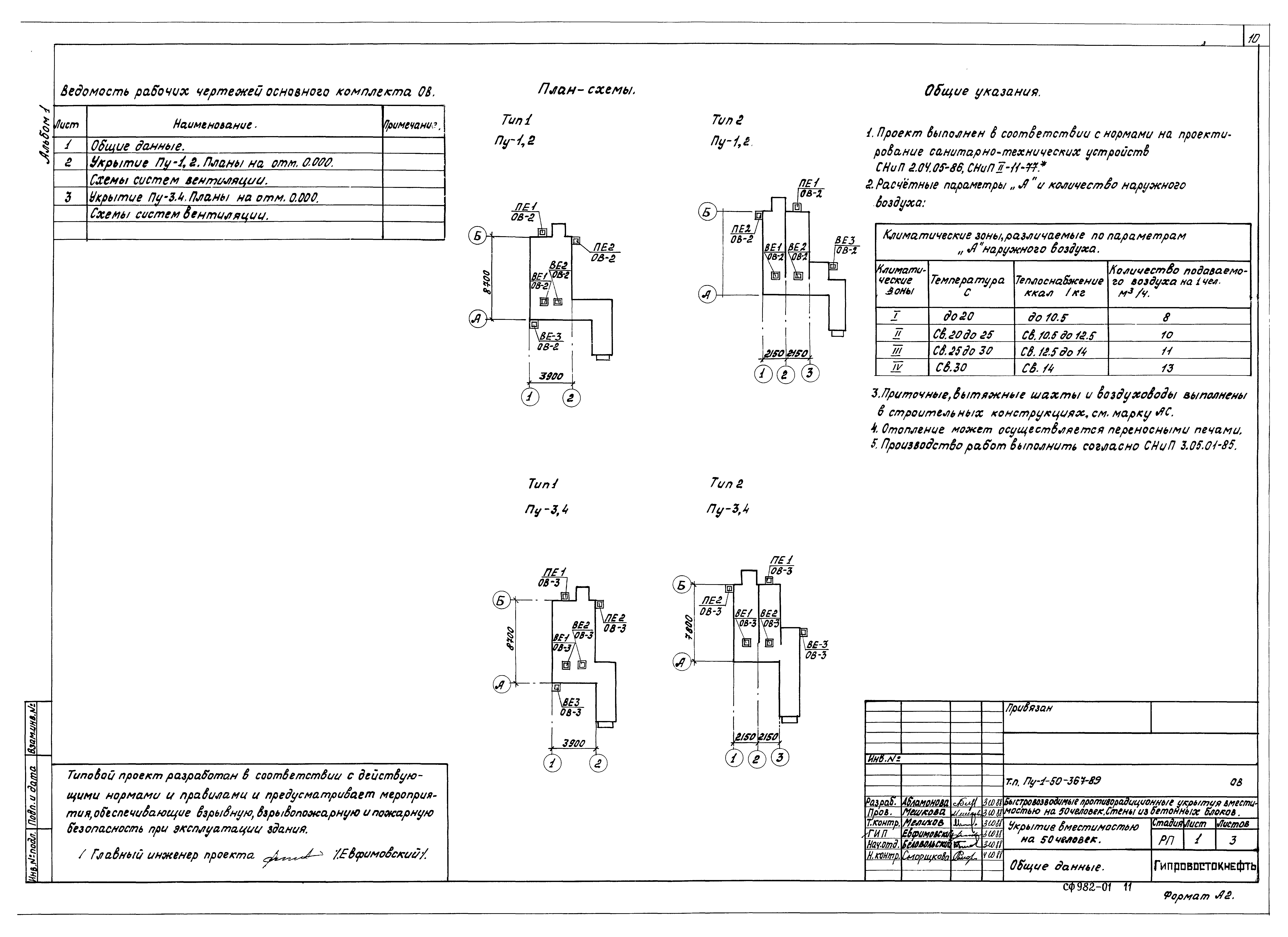
| Оглавление: | Пояснительная записка Архитектурно-строительные решения Общие данные Укрытия Пу-1 и Пу-2. Планы на отм. 0.000. Разрезы 1-1, 2-2 и 3-3 Укрытия Пу-3 и Пу-4. Планы на отм. 0.000. Разрезы 1-1, 2-2 и 3-3 Схемы раскладки стеновых блоков. Разрез 1-1. Узел I. Деталь Схемы расположения плит покрытия. Сечение. Деталь. Шахты Ш1 - Ш5 Отопление и вентиляция Общие данные Укрытия Пу-1 и Пу-2. Планы на отм. 0.000. Схемы систем вентиляции Укрытия Пу-3 и Пу-4. Планы на отм. 0.000. Схемы систем вентиляции Электрическое освещение и силовое электрооборудование Общие данные Тип 1. Планы электроосвещения. Пу-1,2,3,4 Тип 2. Планы электроосвещения. Пу-1,2,3,4 |
| Разработан: | Гипровостокнефть |
| Утверждён: | 18.10.1989 Миннефтегазпром СССР (USSR Minneftegazprom 166"Э") |















