Скачать Типовой проект 901-3-181.83 Альбом V. Часть 1. Строительные изделияДата актуализации: 01.01.2021
|
| Обозначение: | Типовой проект 901-3-181.83 |
| Обозначение англ: | 901-3-181.83 |
| Статус: | не определен законодательством |
| Название рус.: | Альбом V. Часть 1. Строительные изделия |
| Дата добавления в базу: | 01.10.2014 |
| Дата актуализации: | 01.01.2021 |
| Дата введения: | 21.06.1983 |
| Дата окончания срока действия: | 30.06.2003 |
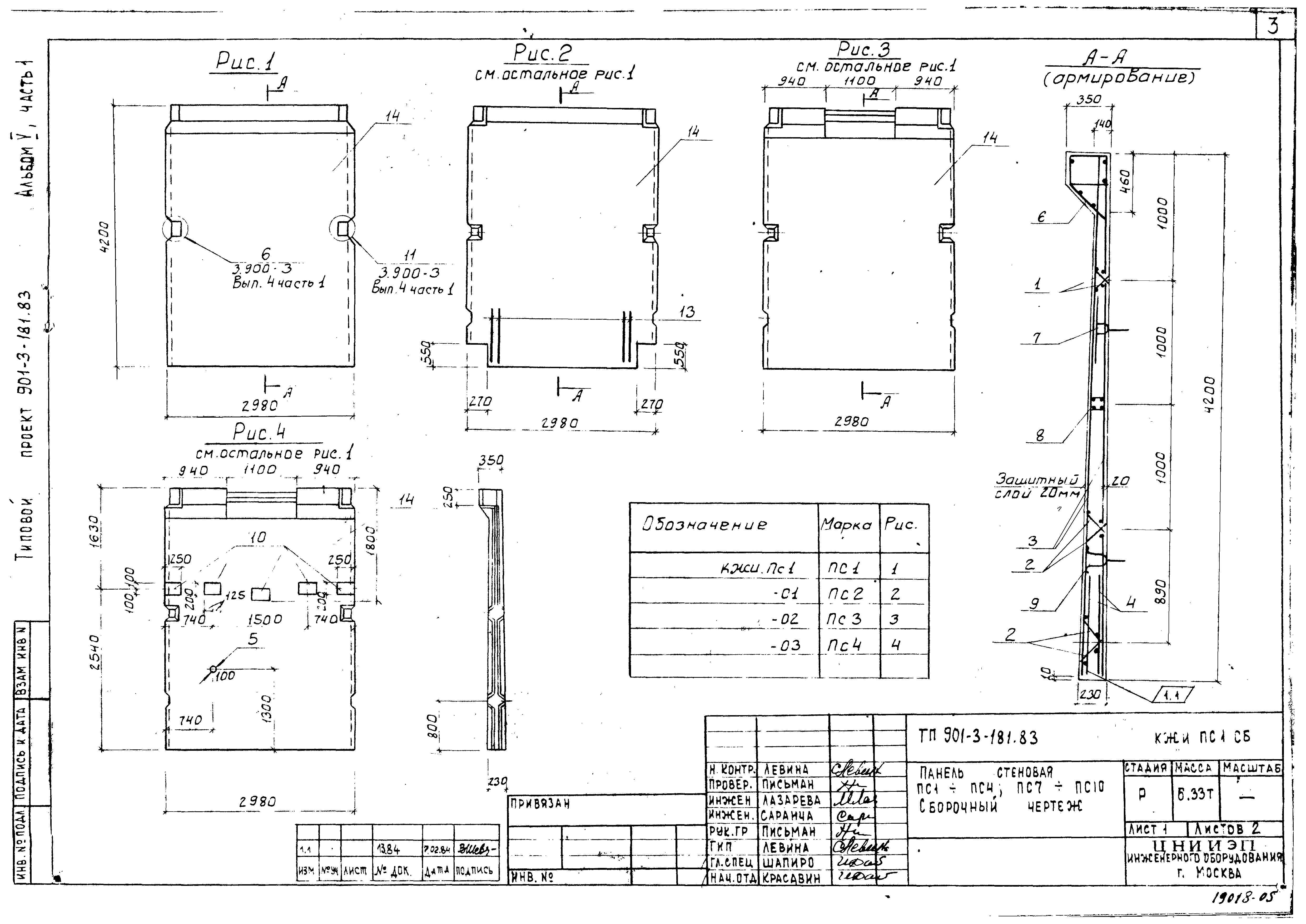
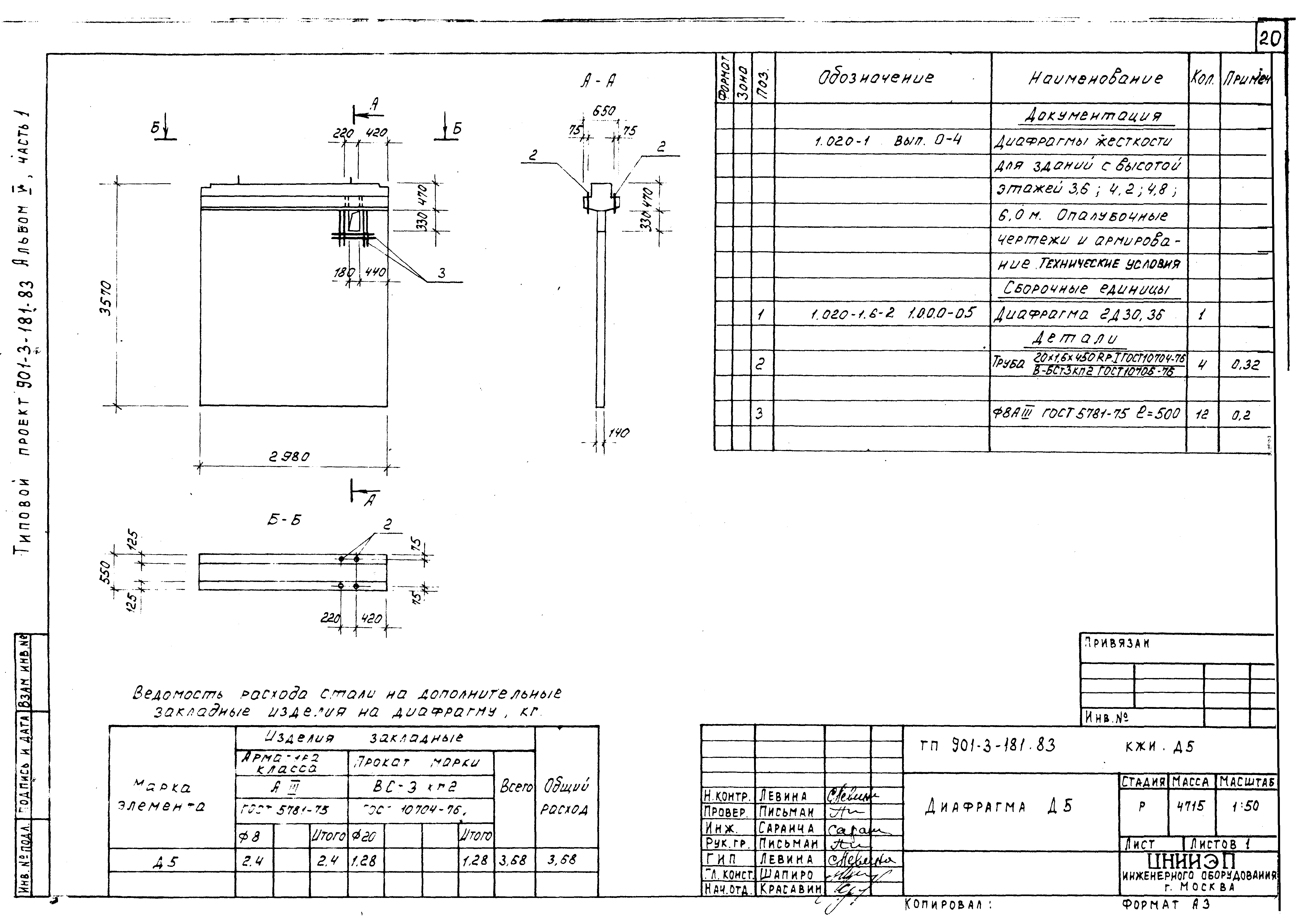
| Оглавление: | Панели стеновые Плита покрытия Плита перекрытия Колонны Диафрагма Ригель Сетка арматурная Изделие закладное Сетка арматурная Каркас пространственный Сетка арматурная Каркас Сетка арматурная Решетка металлическая Рама металлическая Щит металлический Колонна Ригель Плита карнизная Плита покрытия Щит металлический Ролик Петля |
| Разработан: | ЦНИИЭП |
| Утверждён: | 31.10.1980 Госгражданстрой (Gosgrazhdanstroy 297) |
| Издан: | ЦИТП Госстроя СССР (CITP, Gosstroy (USSR) 1988 г. ) |













































