Скачать Типовой проект 707-2-30с.94 Альбом 3. Конструкции металлические (вместимость 100 куб. м)Дата актуализации: 01.01.2021
|
| Обозначение: | Типовой проект 707-2-30с.94 |
| Обозначение англ: | 707-2-30с.94 |
| Статус: | не определен законодательством |
| Название рус.: | Альбом 3. Конструкции металлические (вместимость 100 куб. м) |
| Дата добавления в базу: | 01.10.2014 |
| Дата актуализации: | 01.01.2021 |
| Дата введения: | 16.12.1993 |
| Дата окончания срока действия: | 30.06.2003 |
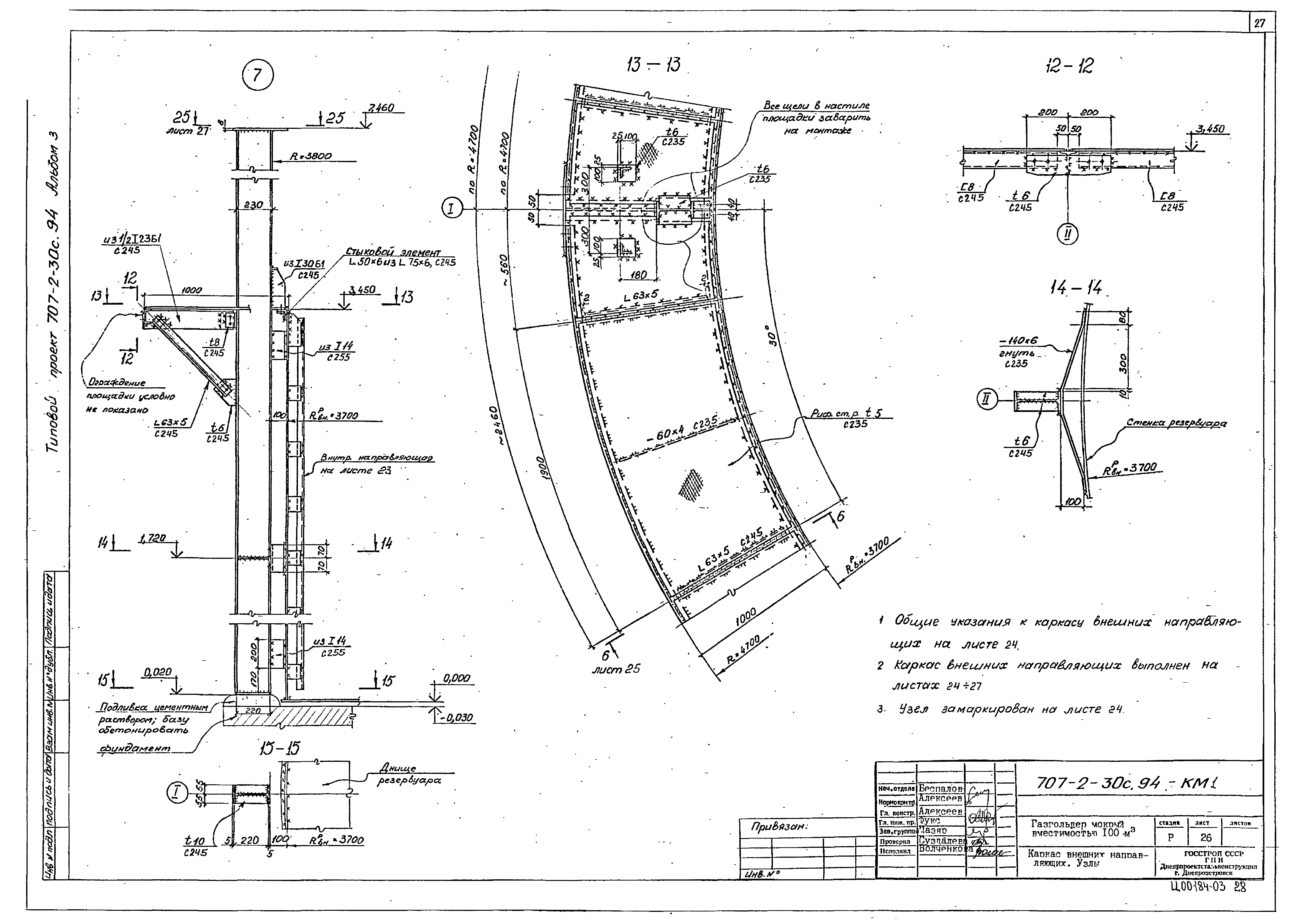
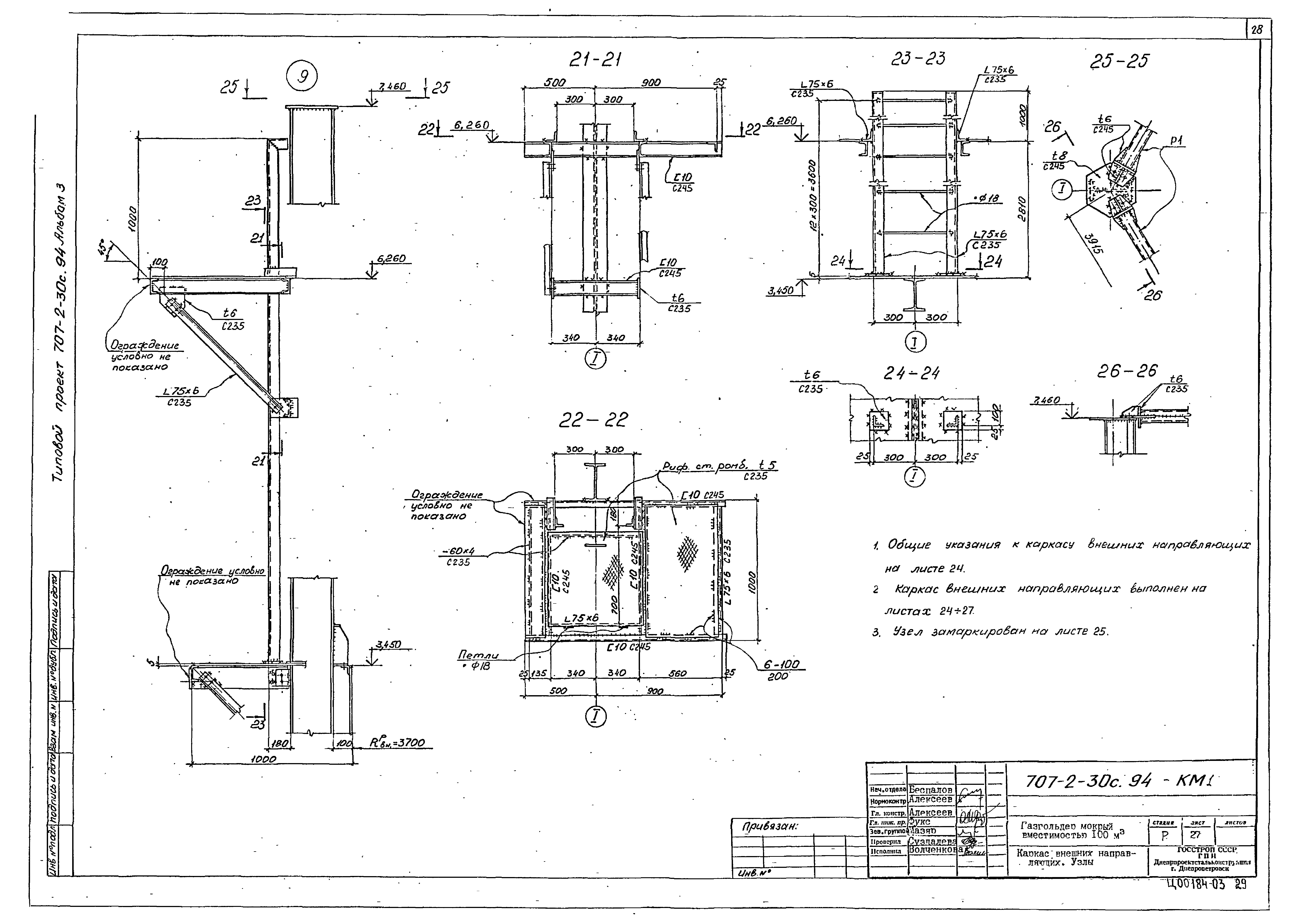
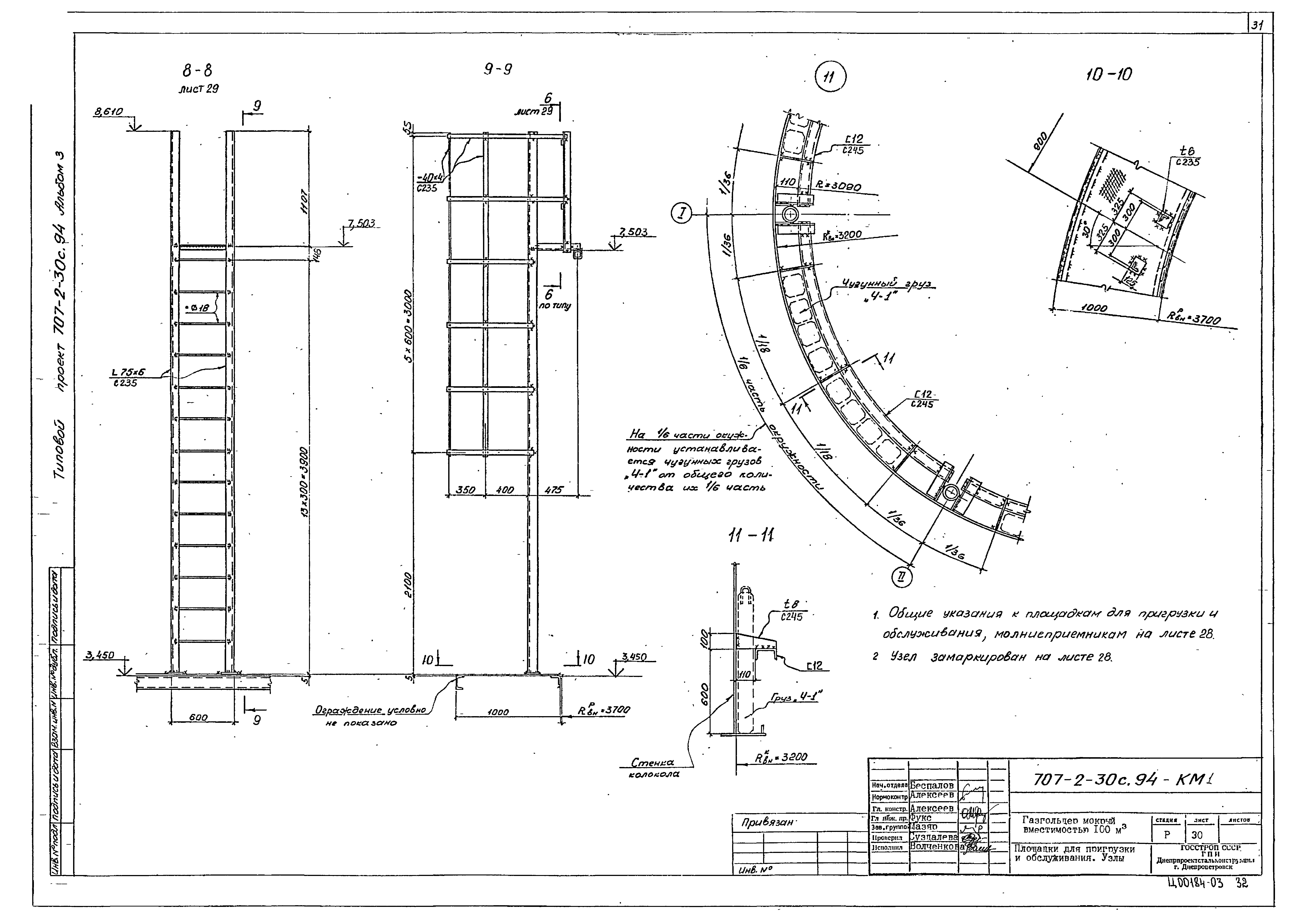
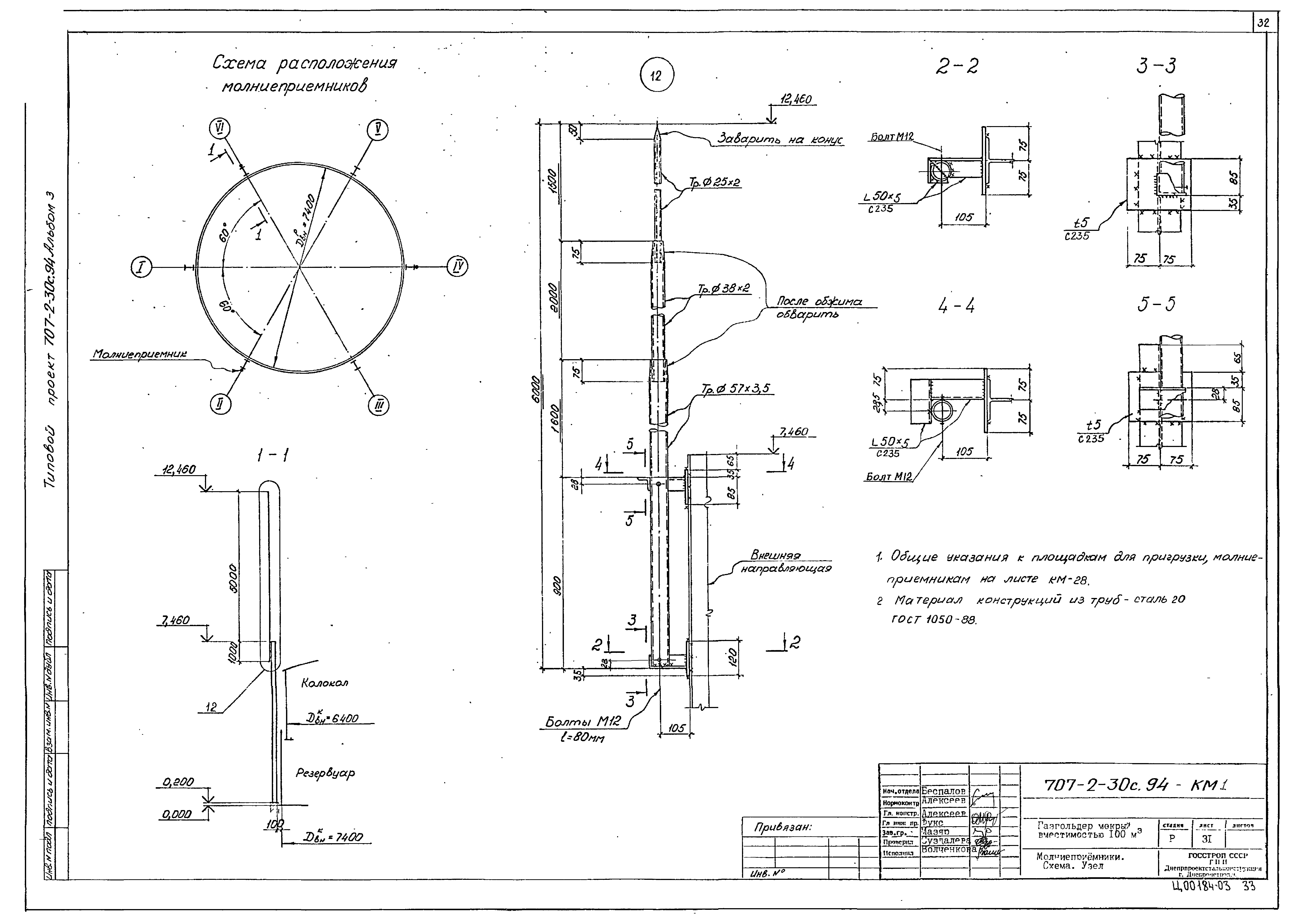
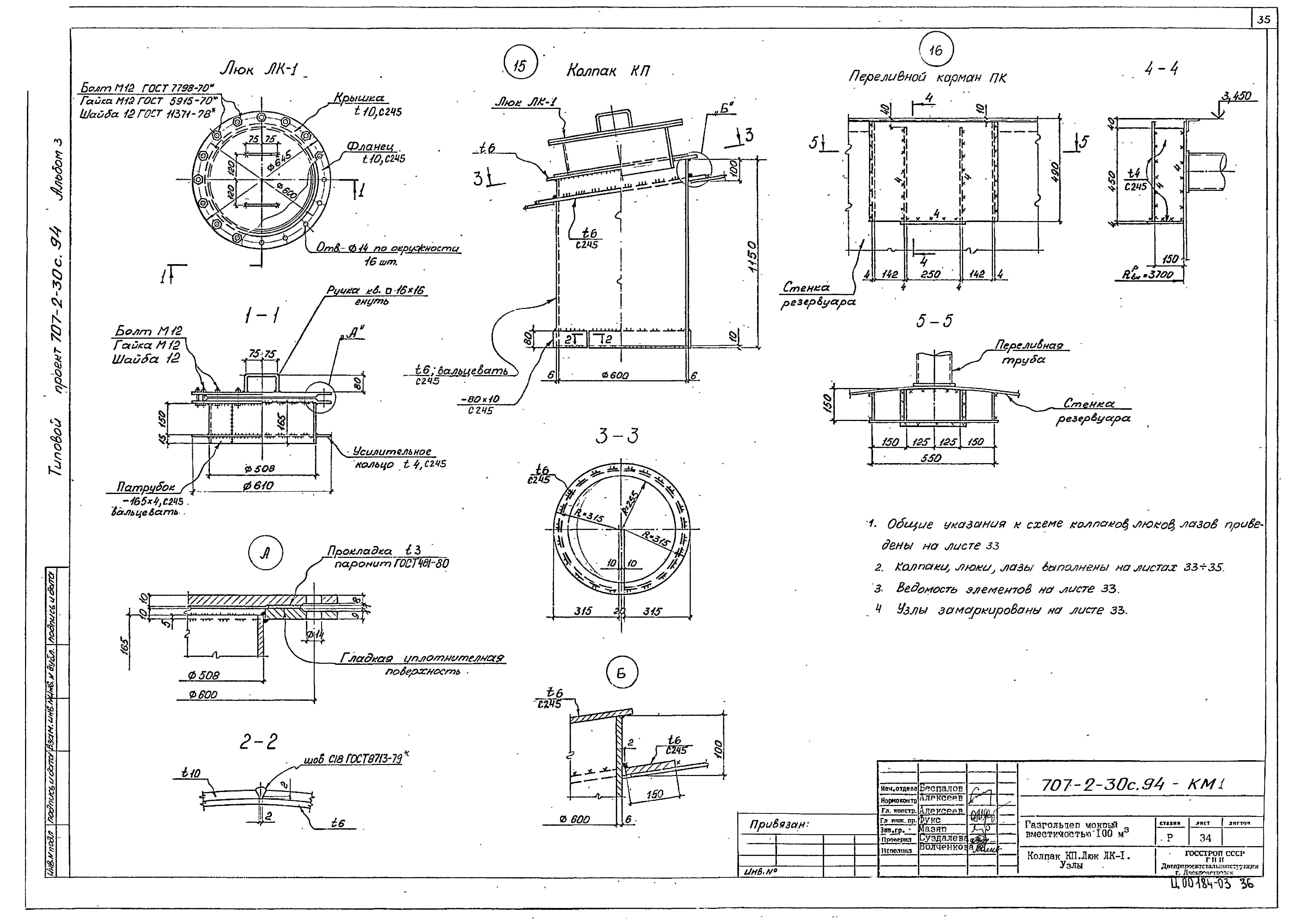
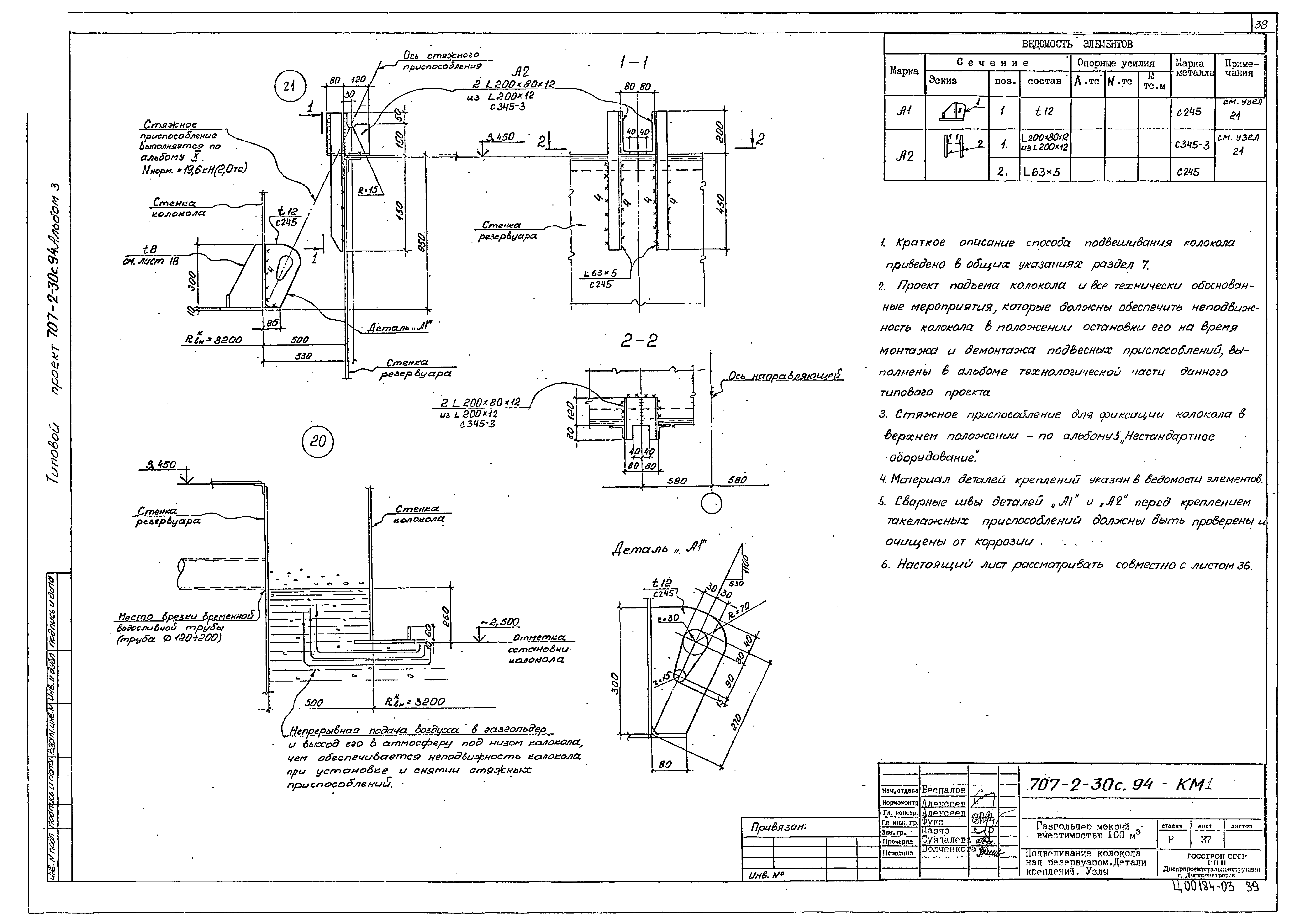
| Оглавление: | Общие данные. Ведомость чертежей основного комплекта Общие данные. Общие указания Общие данные. Техническая спецификация металла. Сочетания I, II, IV, V Общие данные. Техническая спецификация металла. Сочетания III, VI Общий вид. Фасад Общий вид. Разрезы Днище резервуара. План и разрезы. Узлы Стенка резервуара Оболочки и стойки колокола. Фасад. Развертка Оболочки и стойки колокола. Разрезы Оболочки и стойки колокола. Разрезы. Развертки Оболочки и стойки колокола. Узлы Каркас купола. План. Узлы Внутренние направляющие в резервуаре Каркас внешних направляющих. Развертка Каркас внешних направляющих. Разрезы Каркас внешних направляющих. Узлы Площадка для пригрузки и обслуживания. Схема Площадка для пригрузки и обслуживания. Узлы Молниеприемники. Схема. Узел Схема и таблица догрузок Схема установки роликов, колпаков, люков, лазов Колпак КП. Люк ЛК-1. Узлы Лазы ЛЗ-1, ЛЗ-2. Узлы Подвешивание колокола над резервуаром. Детали креплений. Схема Подвешивание колокола над резервуаром. Детали креплений. Узлы Лист нагрузок на кольцевой фундамент газгольдера |
| Разработан: | ГИАП |
| Утверждён: | 16.12.1993 Роскомхимнефтепром (Roskomkhimnefteprom 09/1-1-14Б) |
| Заменяет собой: |
|







































