Скачать Типовые проектные решения 820-2-033.90 Альбом 1. Пояснительная записка. Конструкции железобетонные. Силовое электрооборудование, электроосвещениеДата актуализации: 01.01.2021
|
| Обозначение: | Типовые проектные решения 820-2-033.90 |
| Обозначение англ: | 820-2-033.90 |
| Статус: | справочные материалы, мп, тпр |
| Название рус.: | Альбом 1. Пояснительная записка. Конструкции железобетонные. Силовое электрооборудование, электроосвещение |
| Дата добавления в базу: | 01.10.2014 |
| Дата актуализации: | 01.01.2021 |
| Дата введения: | 10.04.1990 |
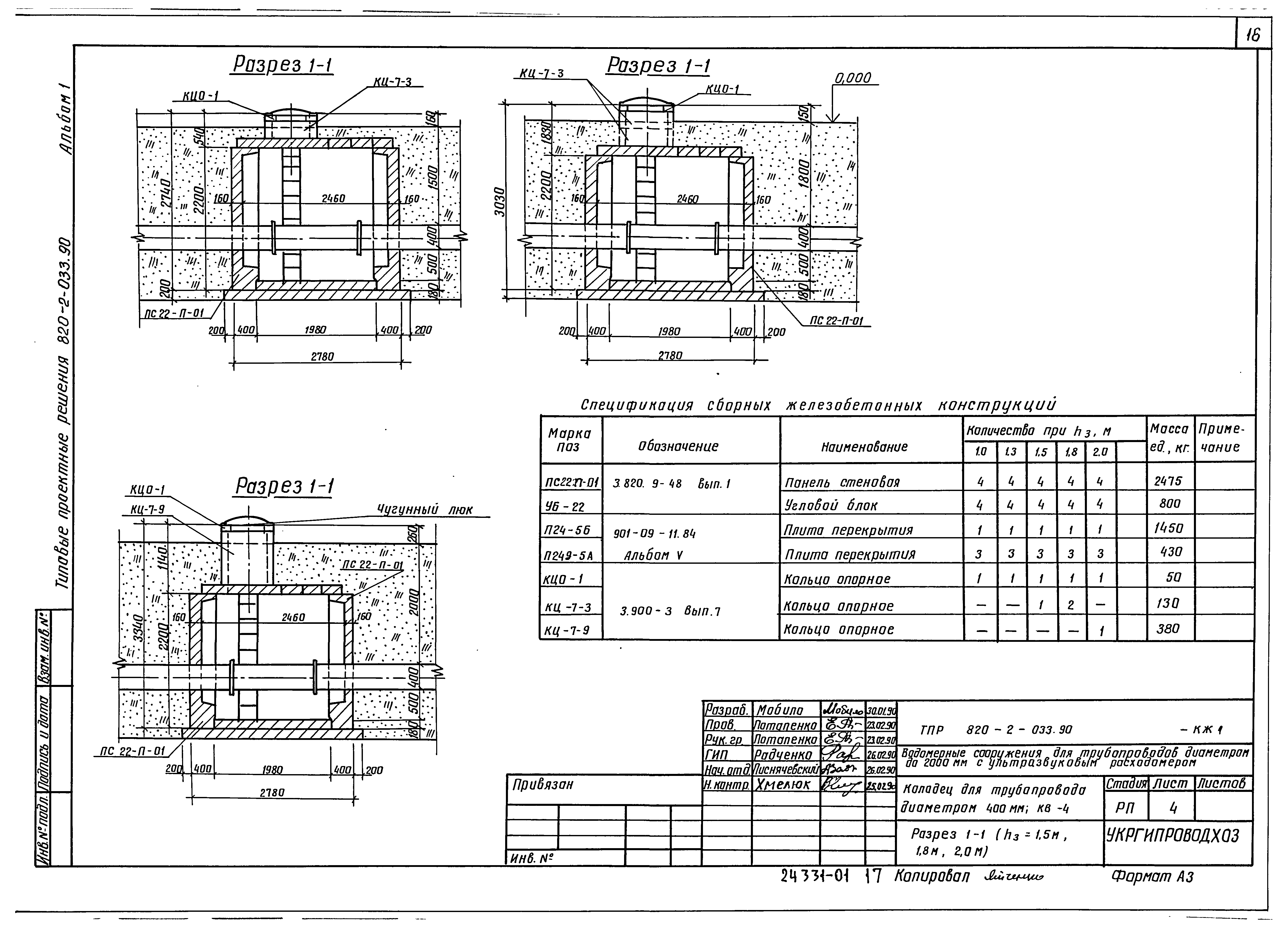
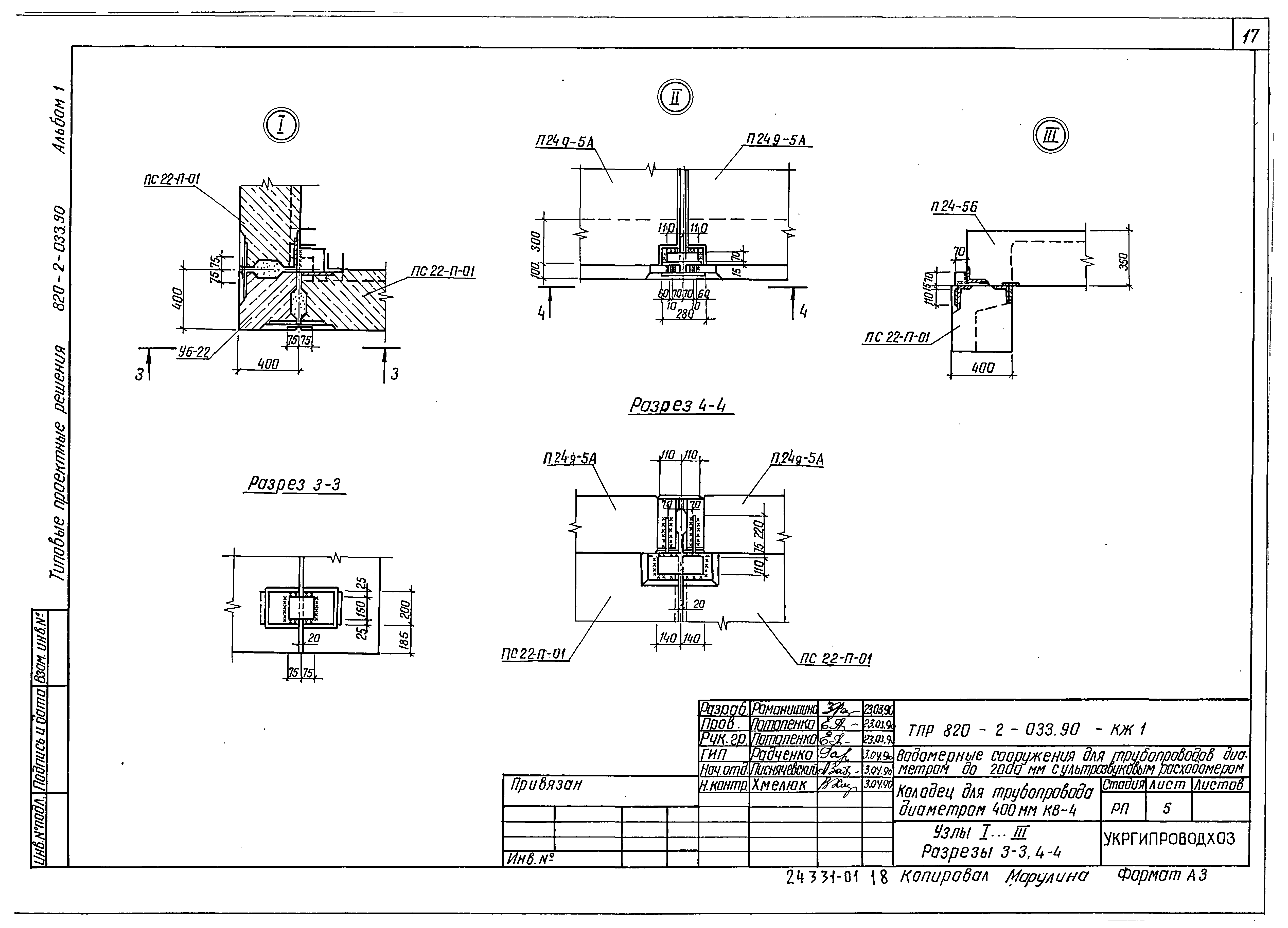
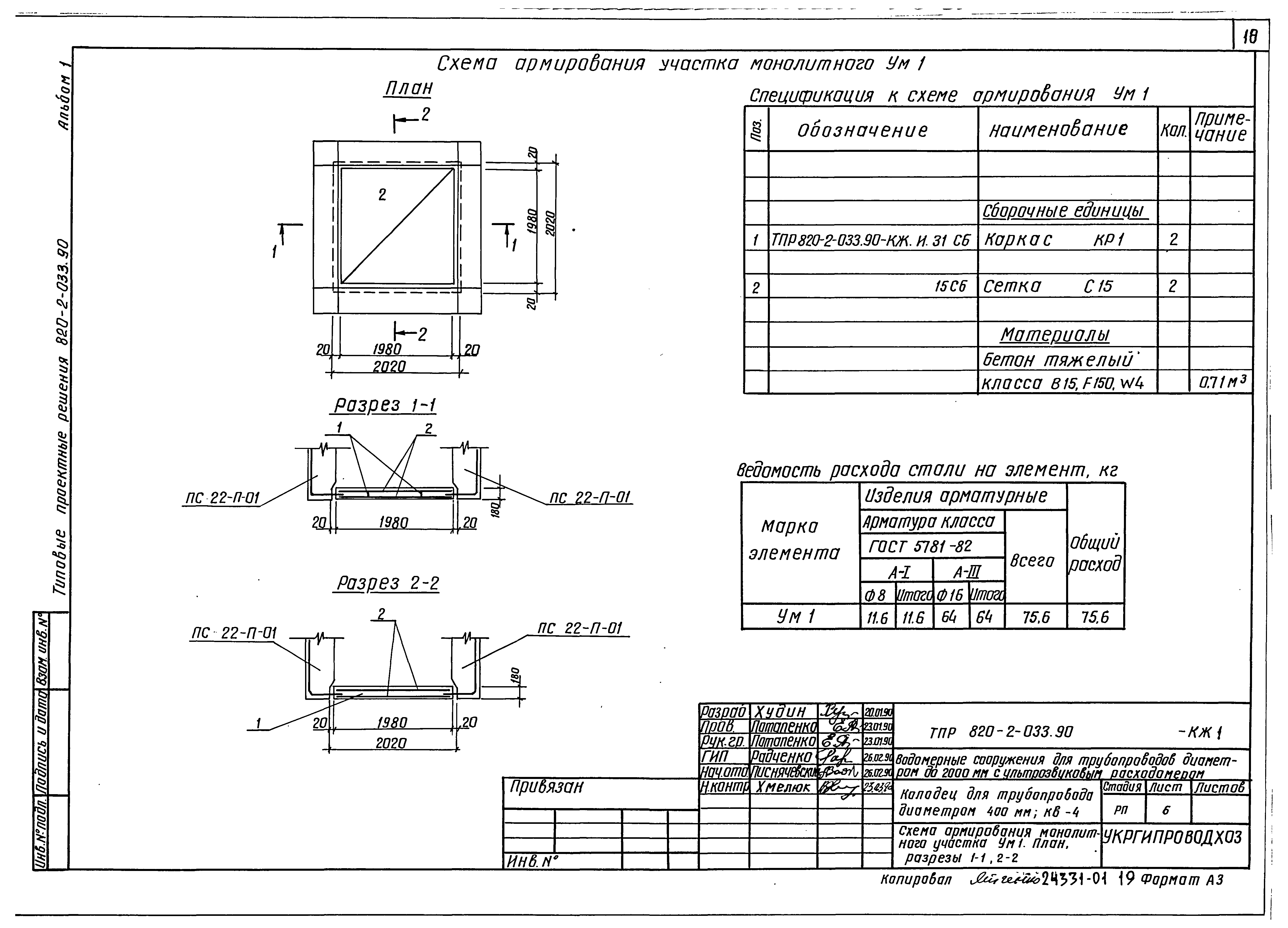
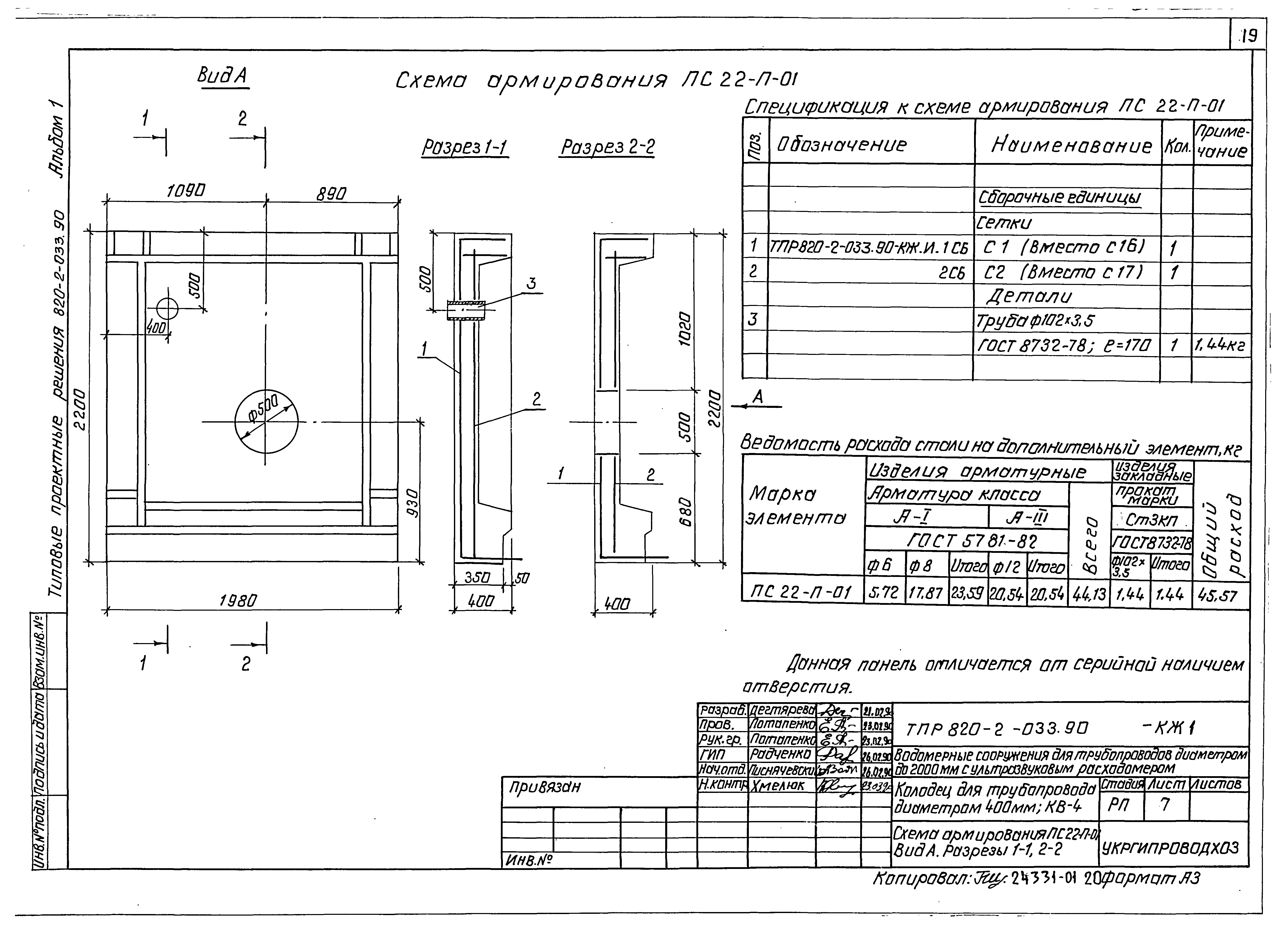
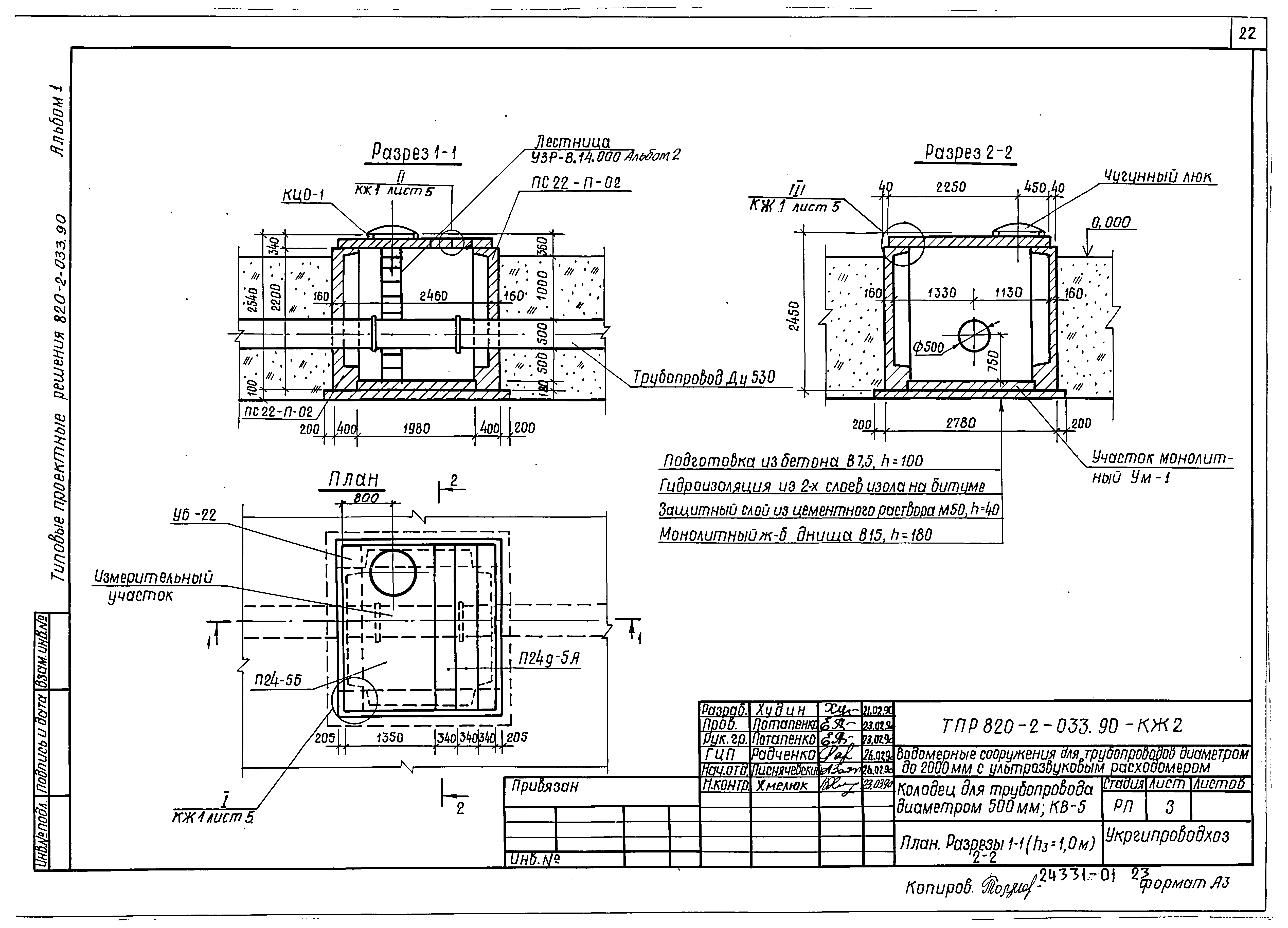
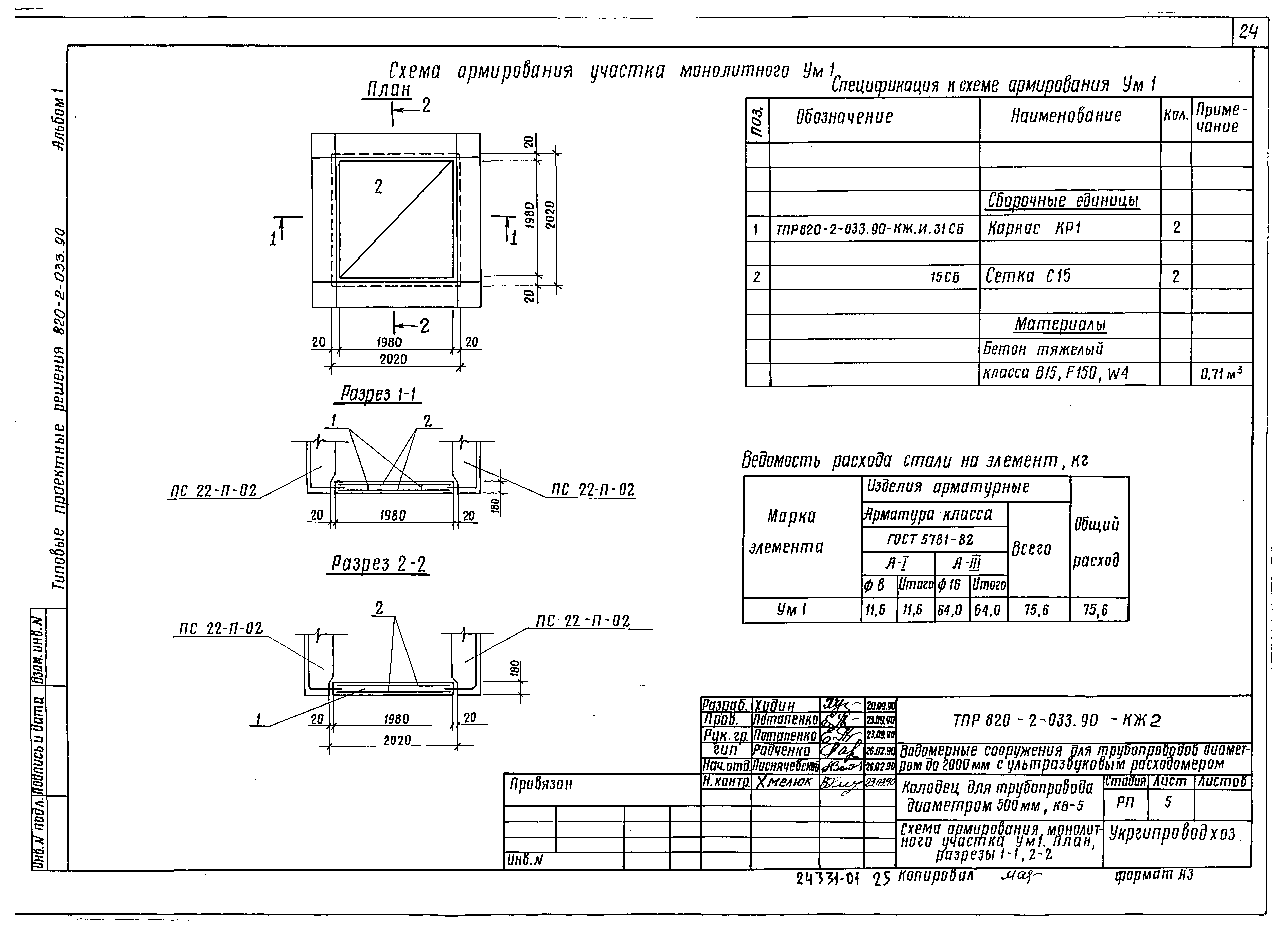
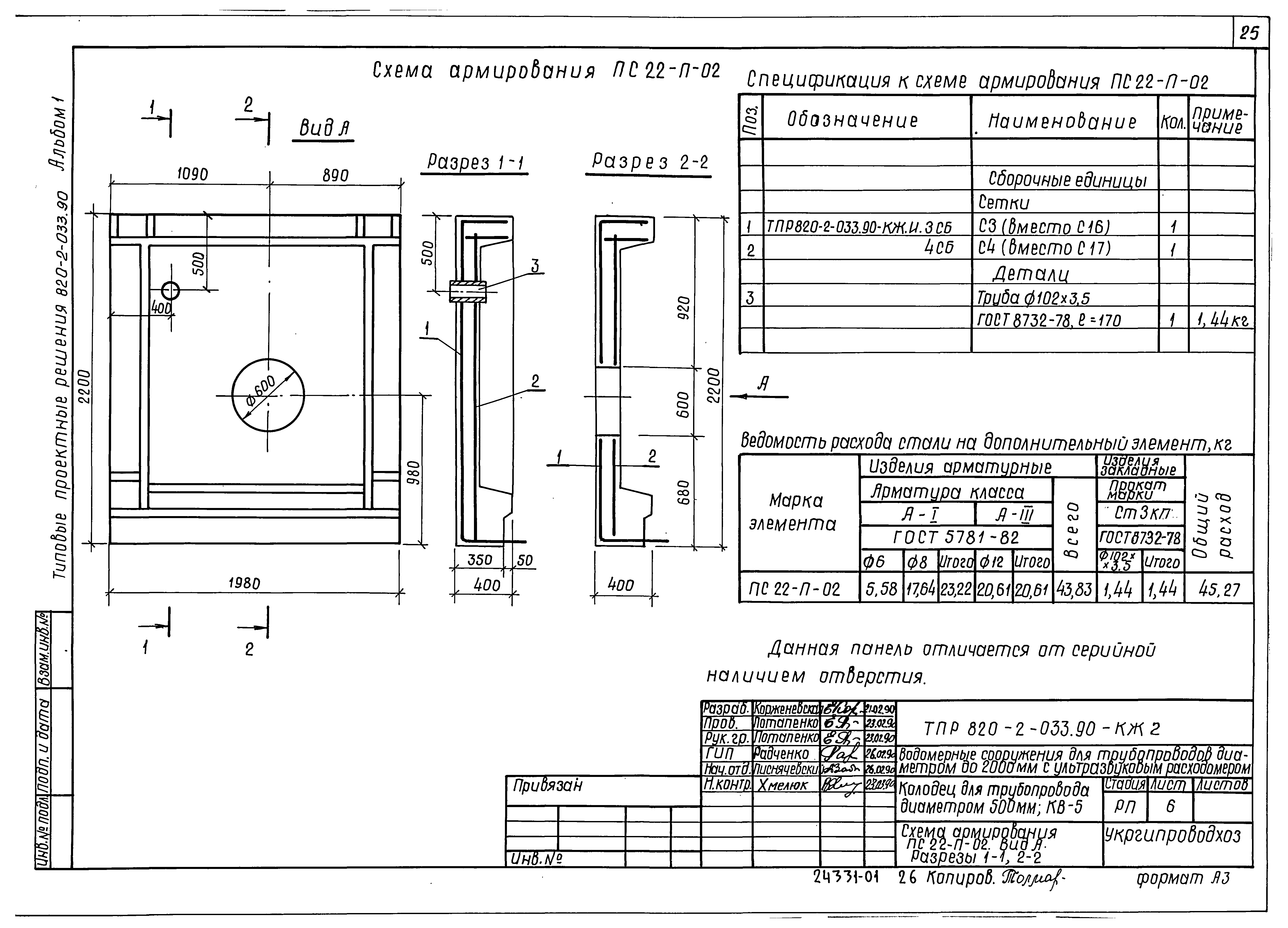
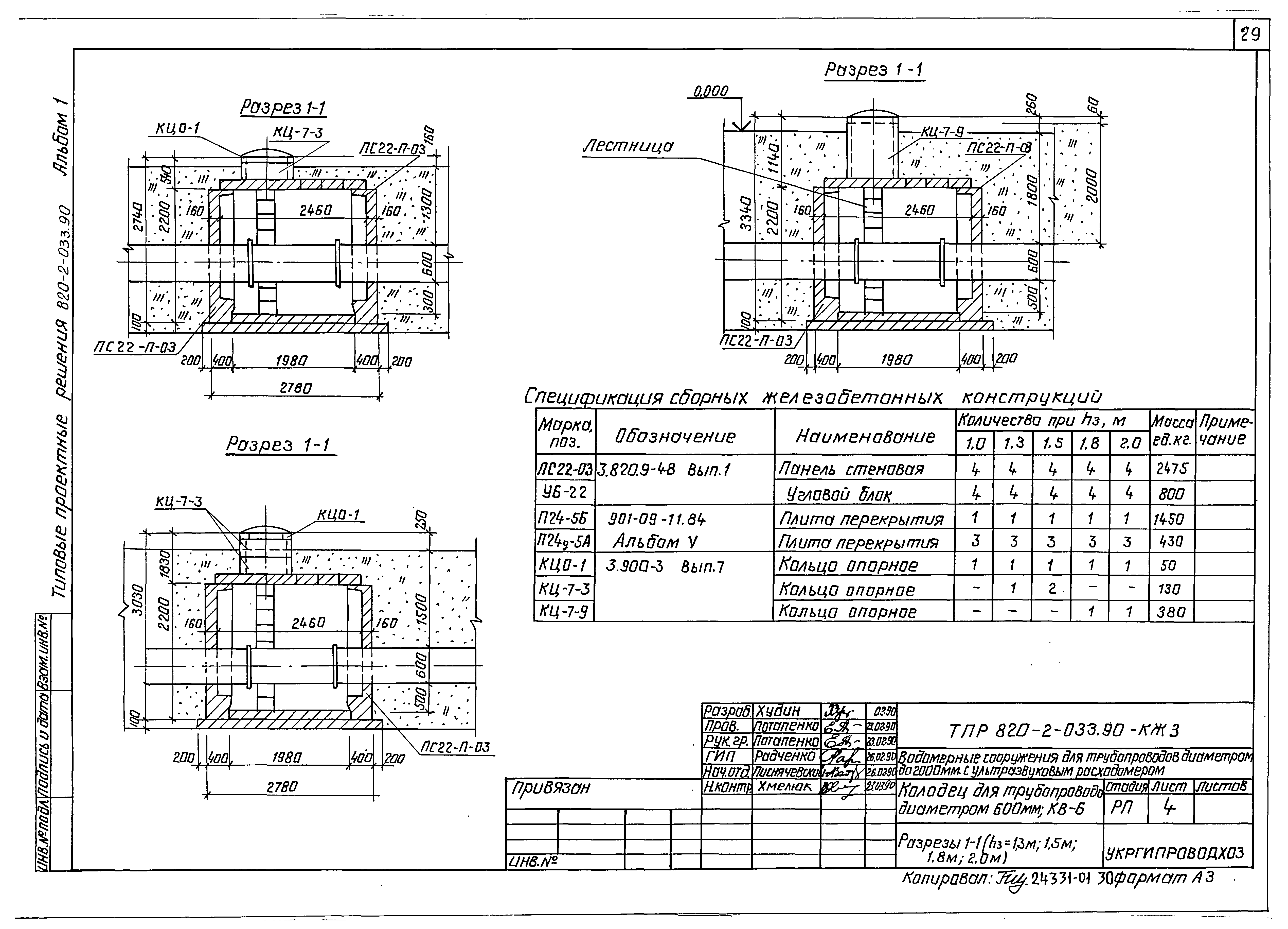
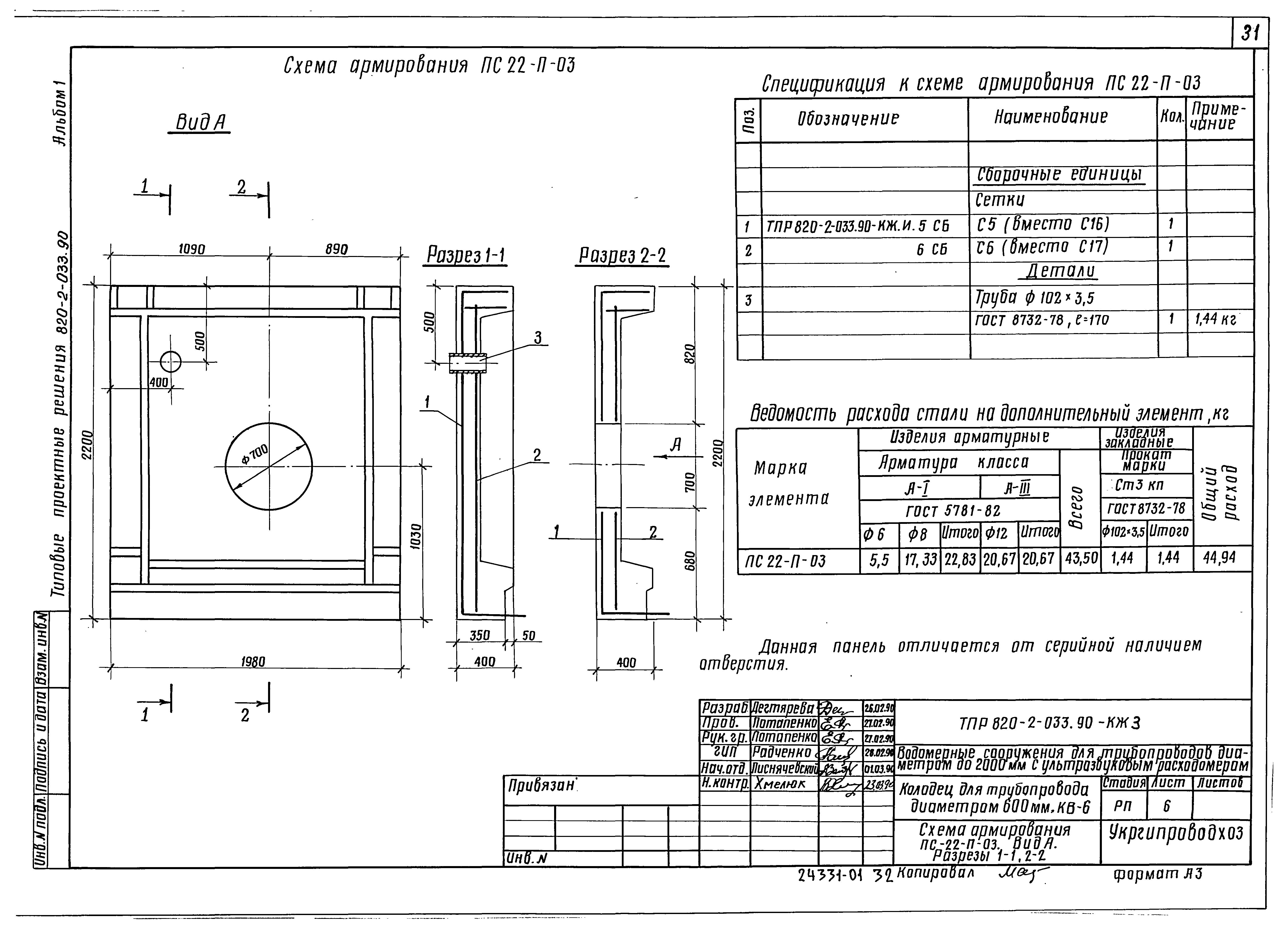
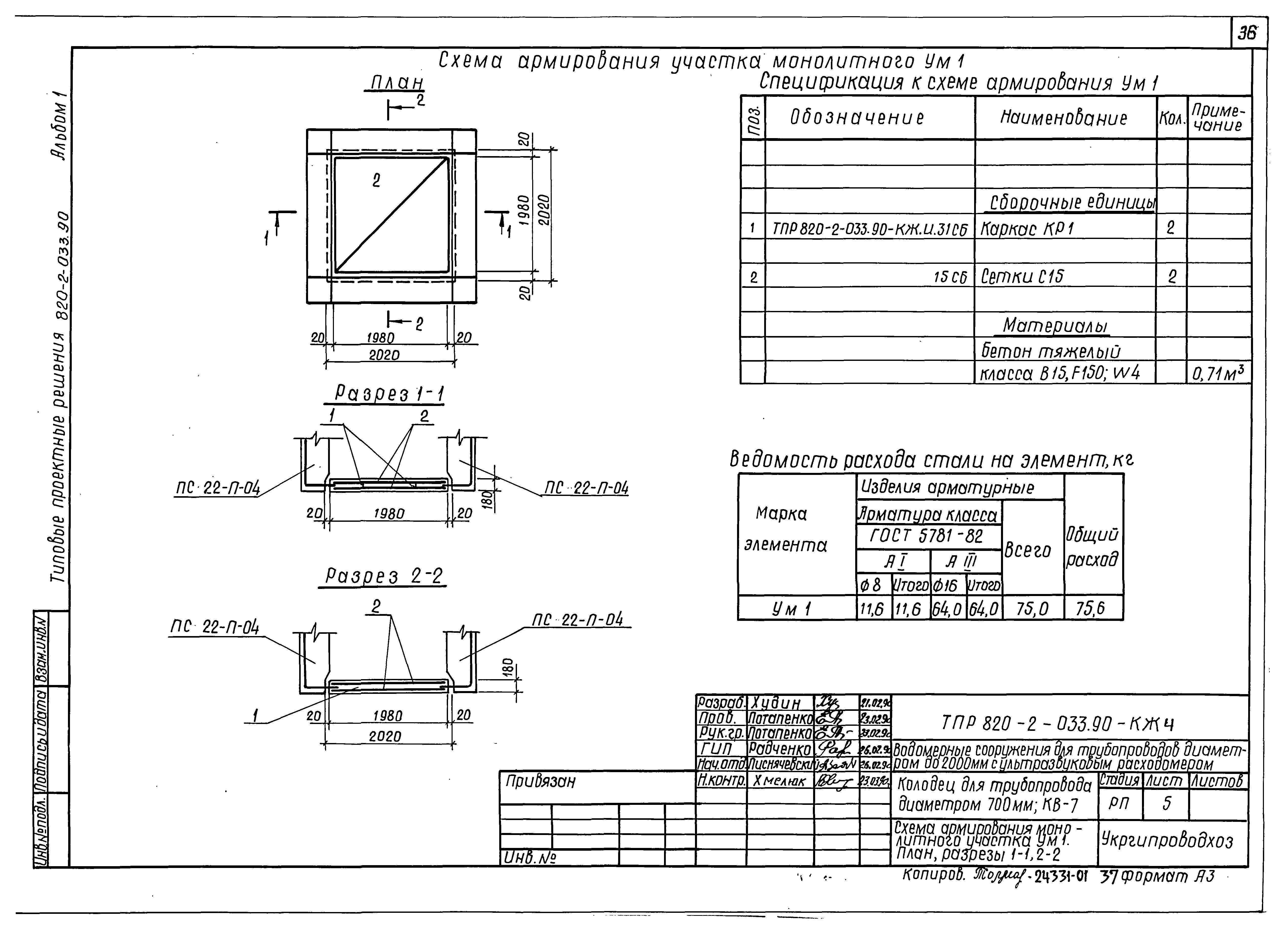
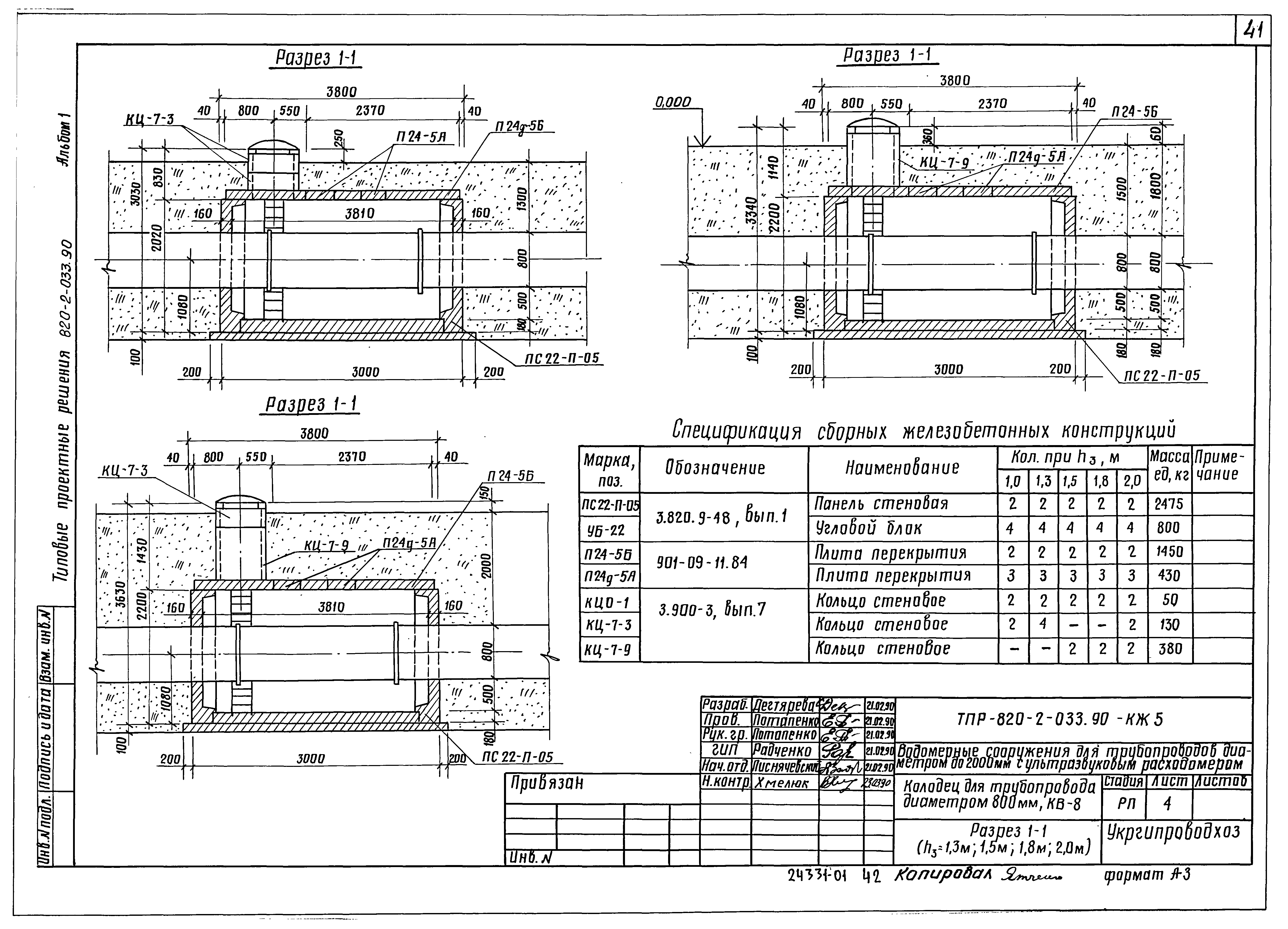
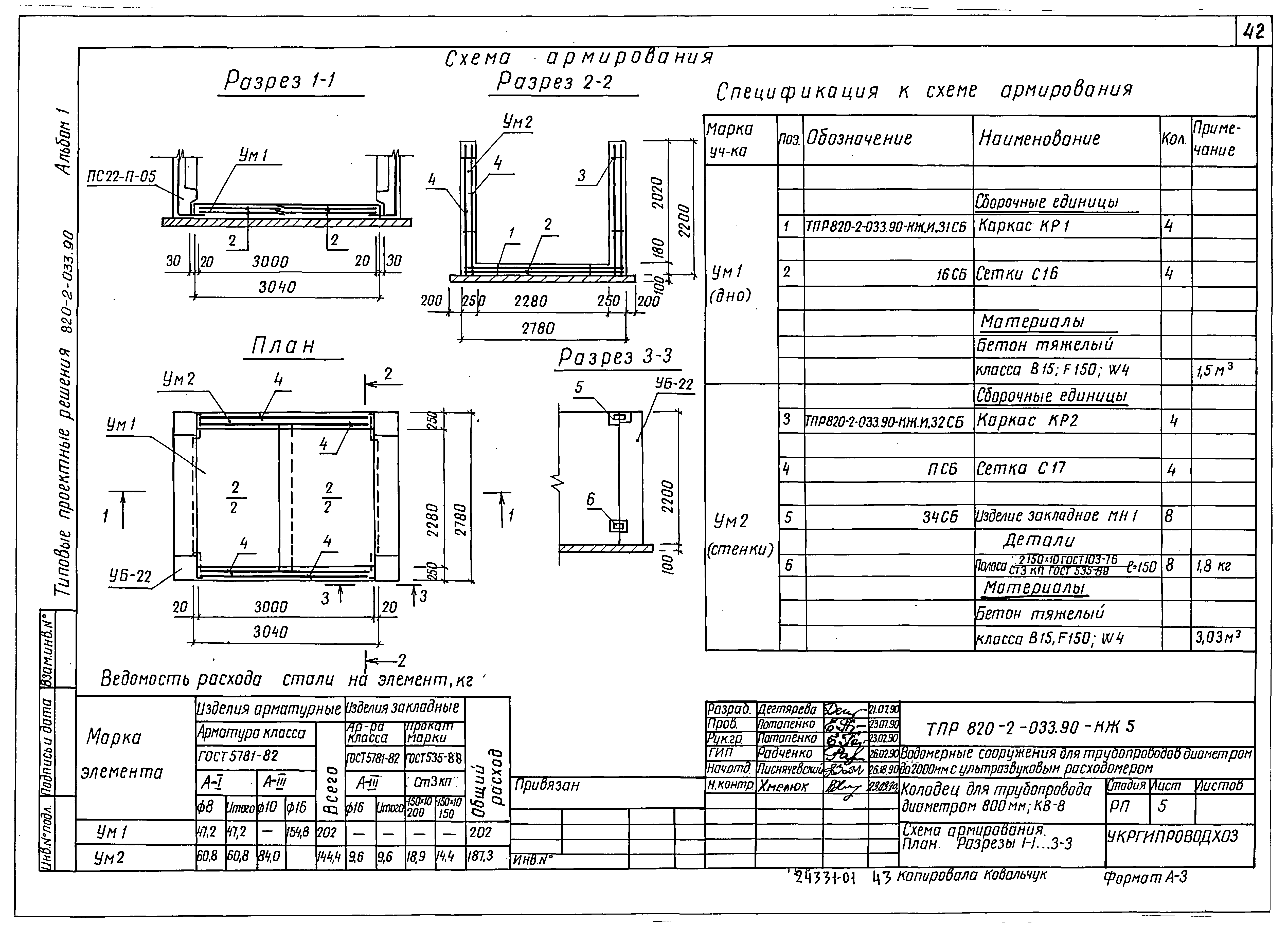
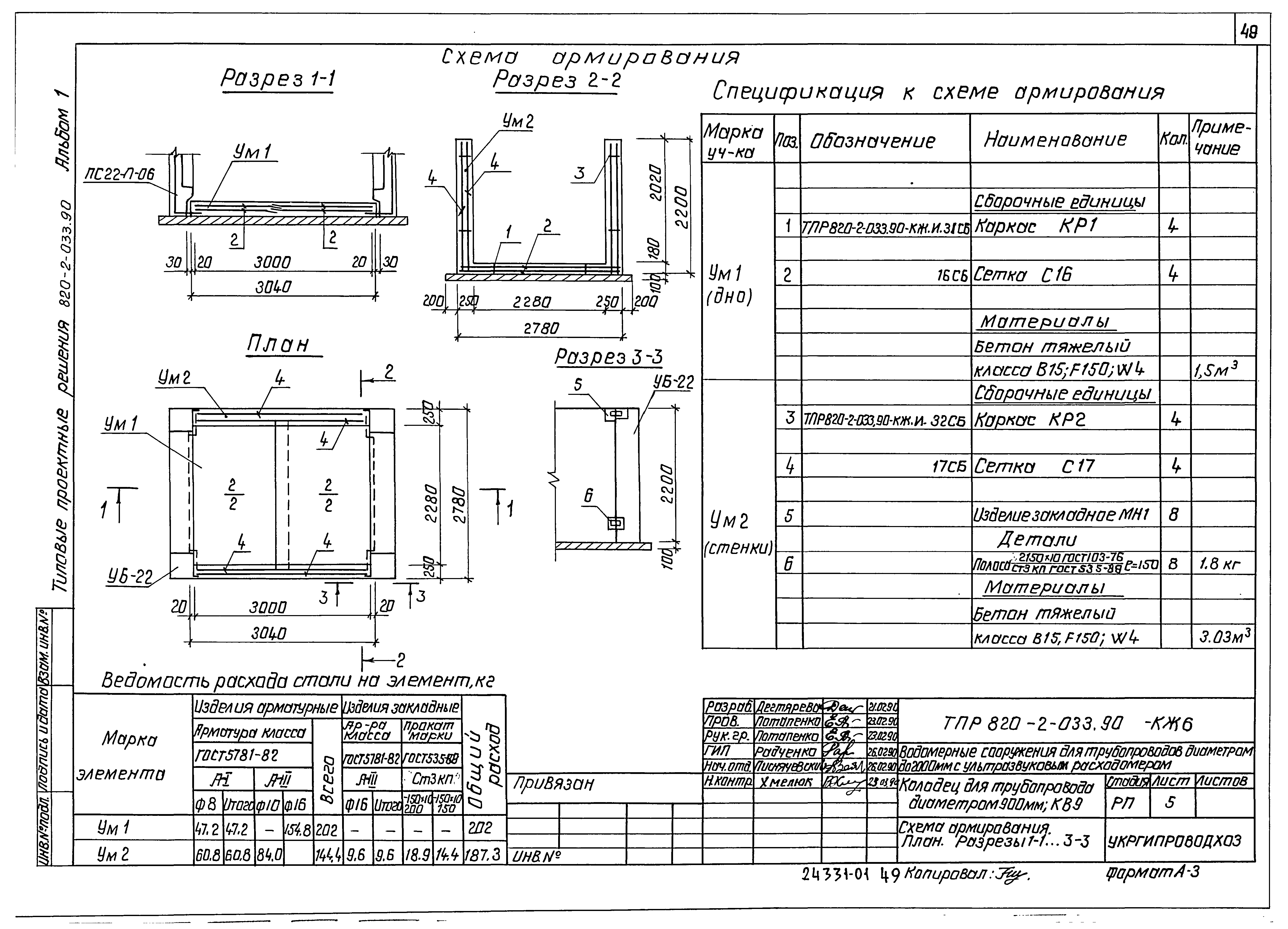
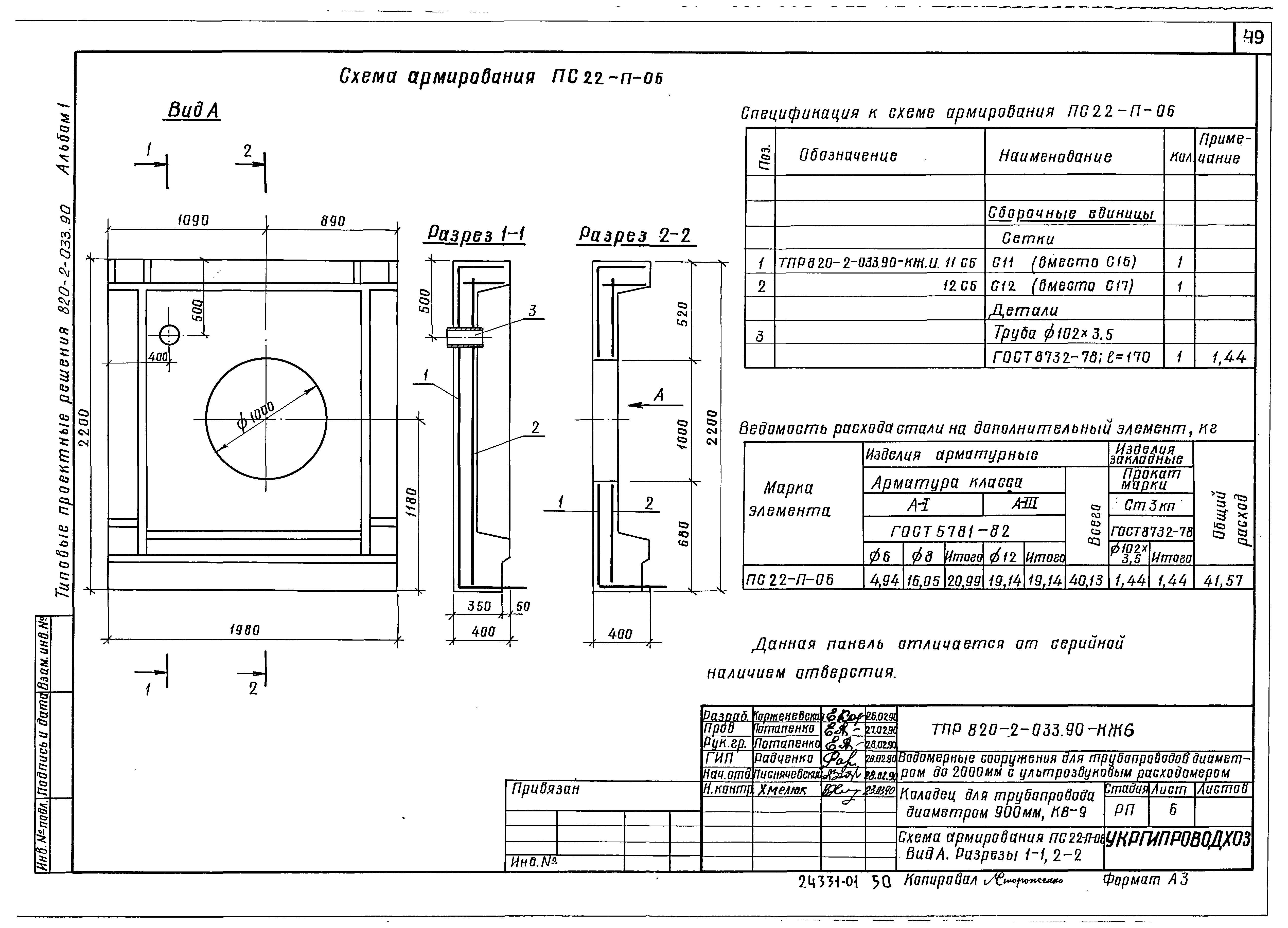
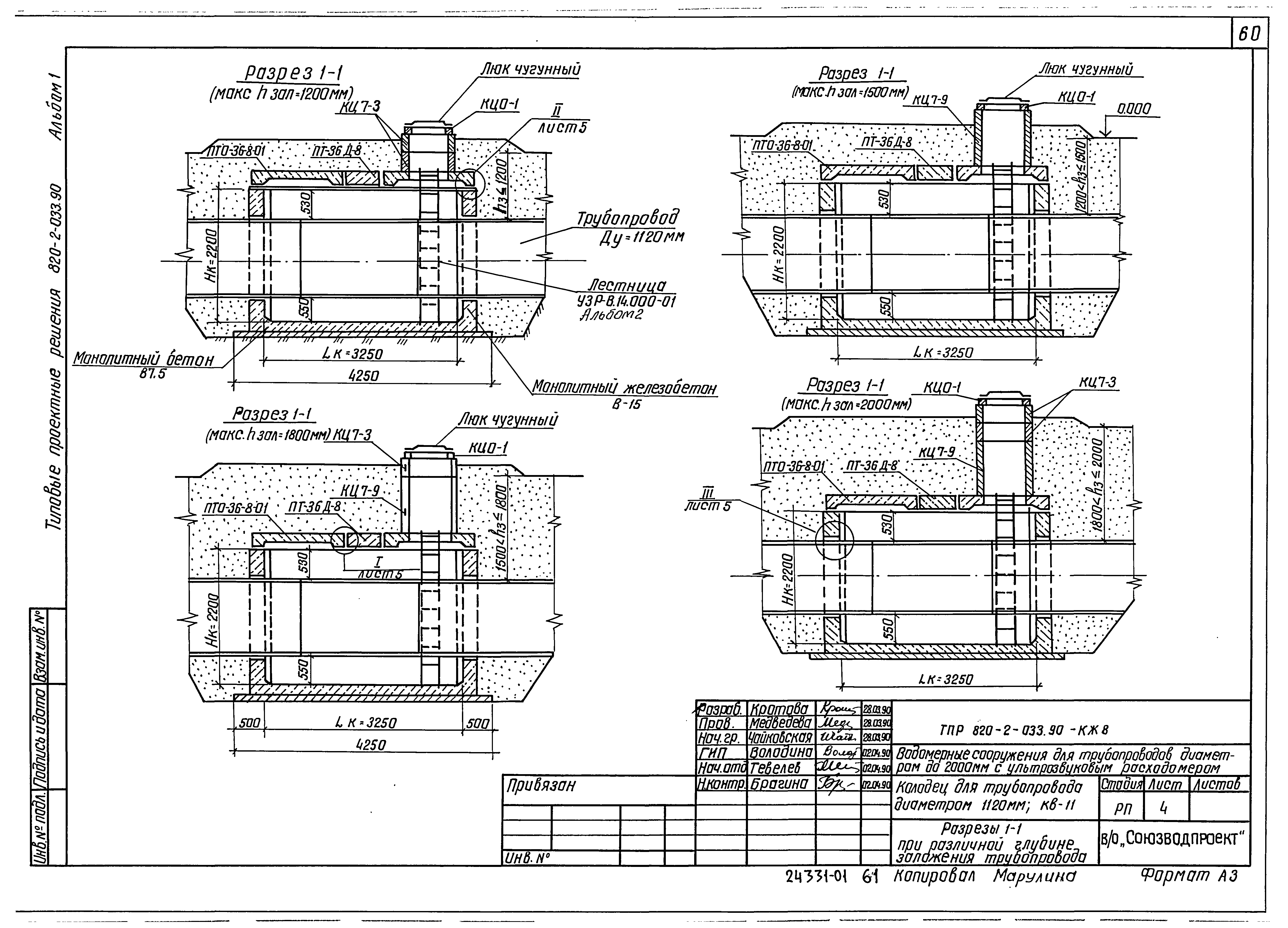
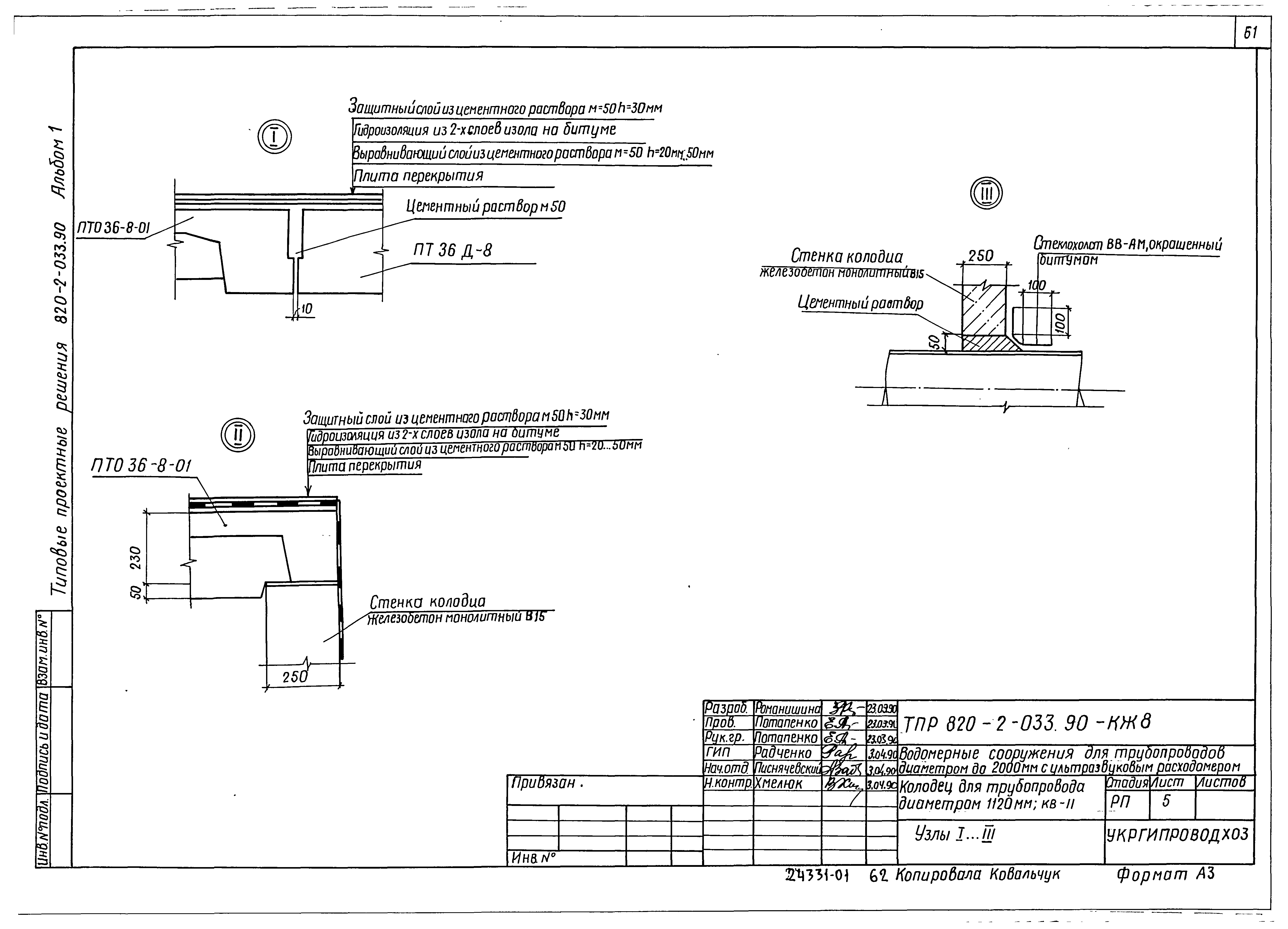
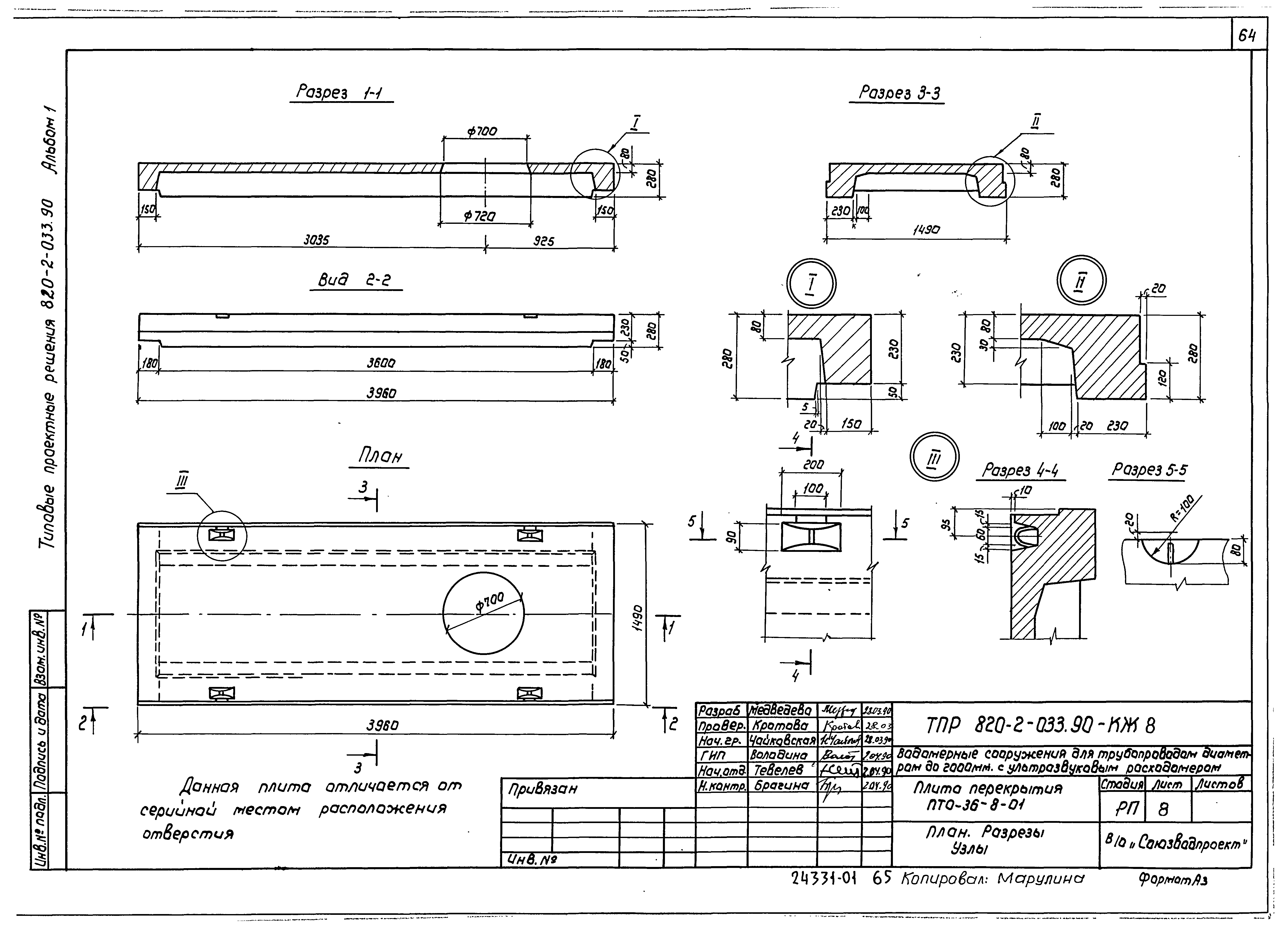
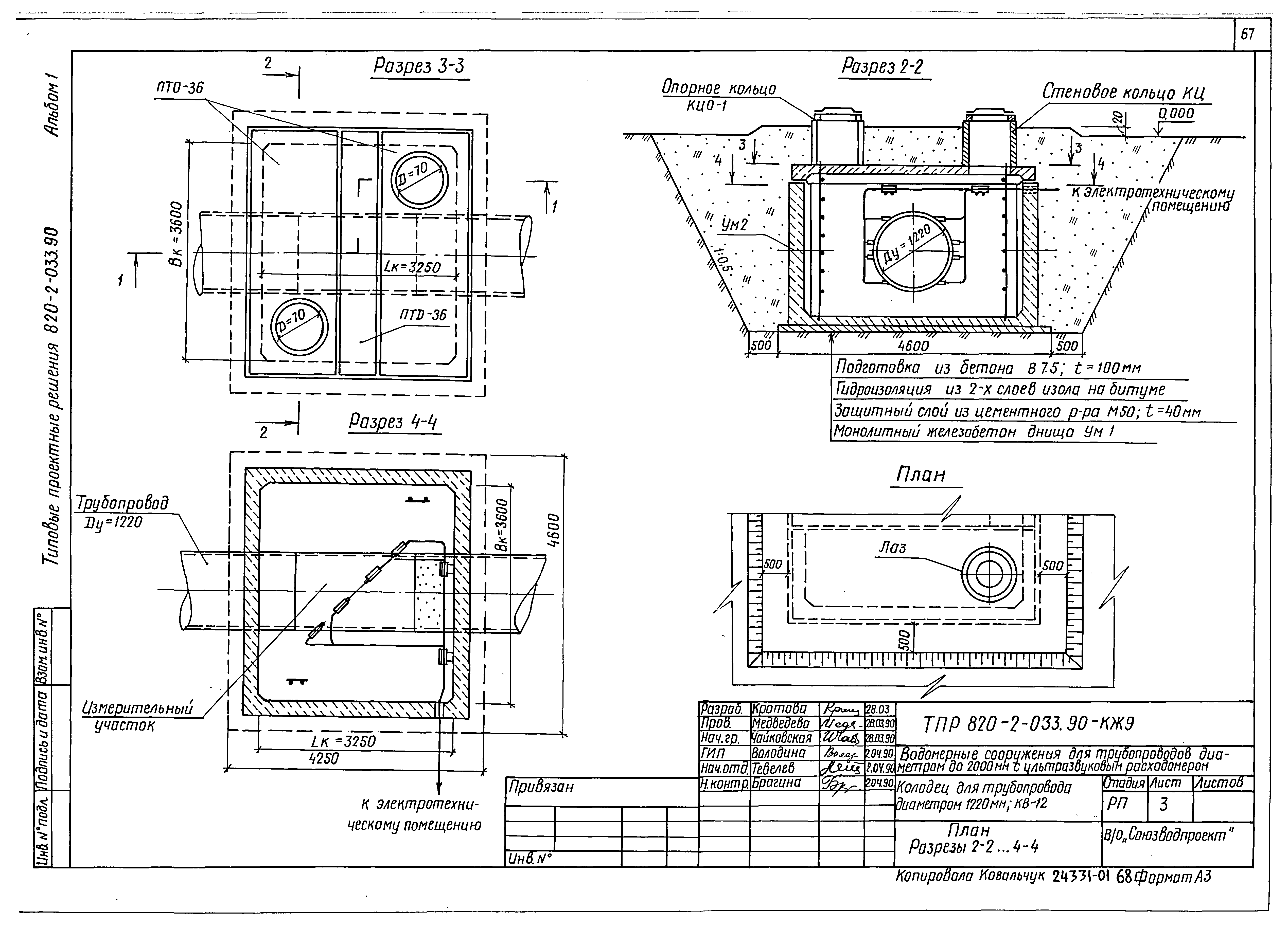
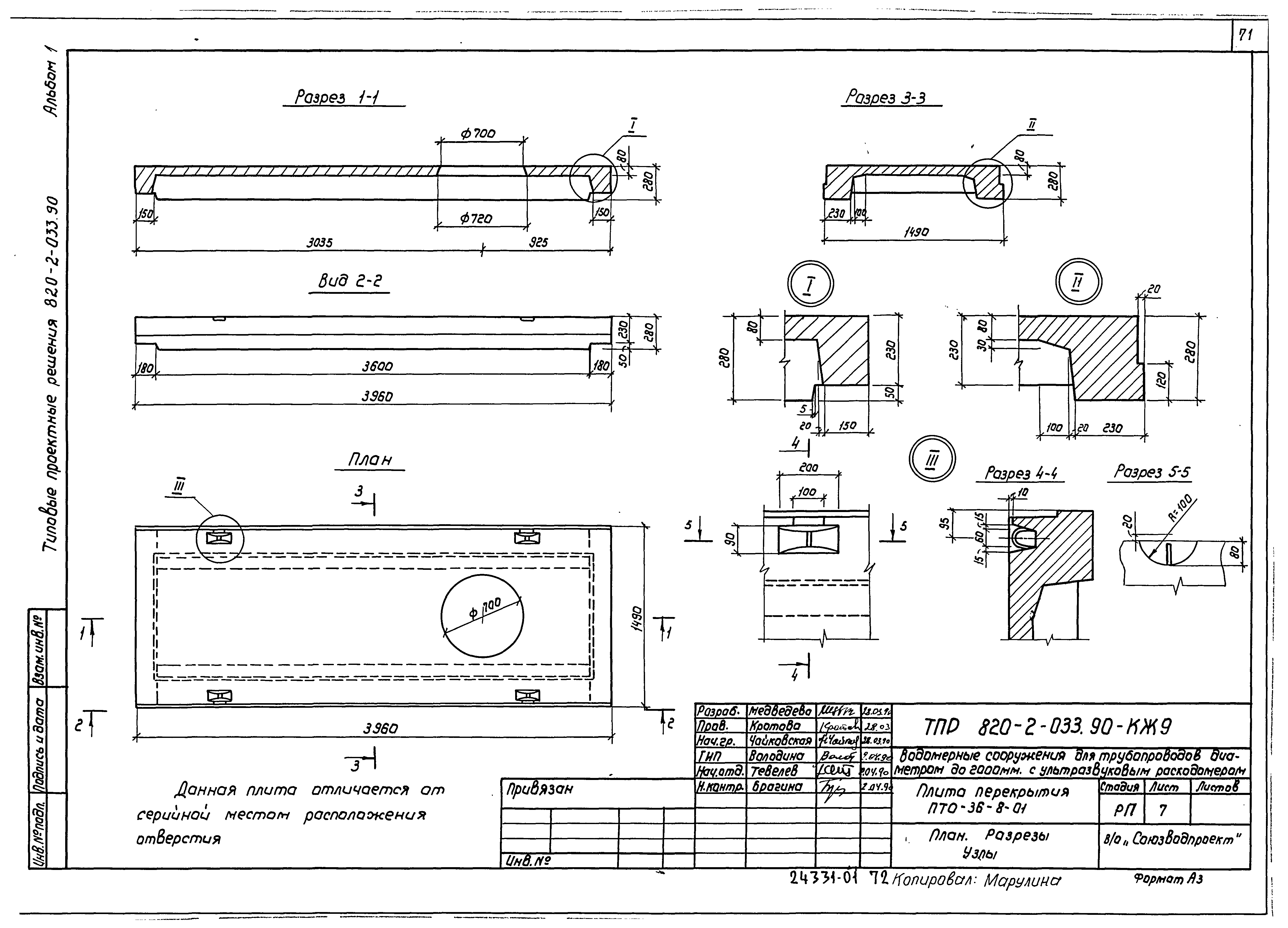
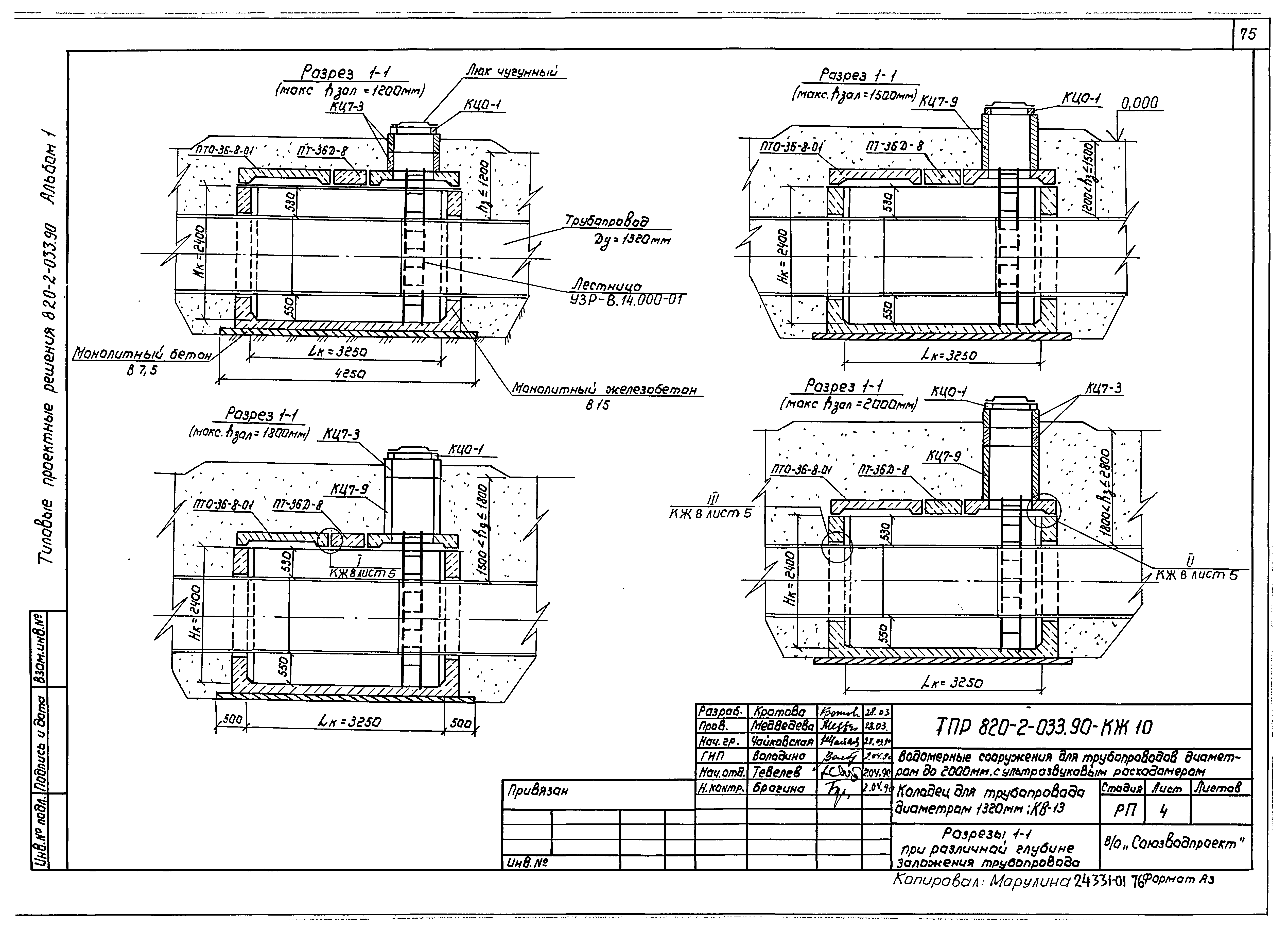
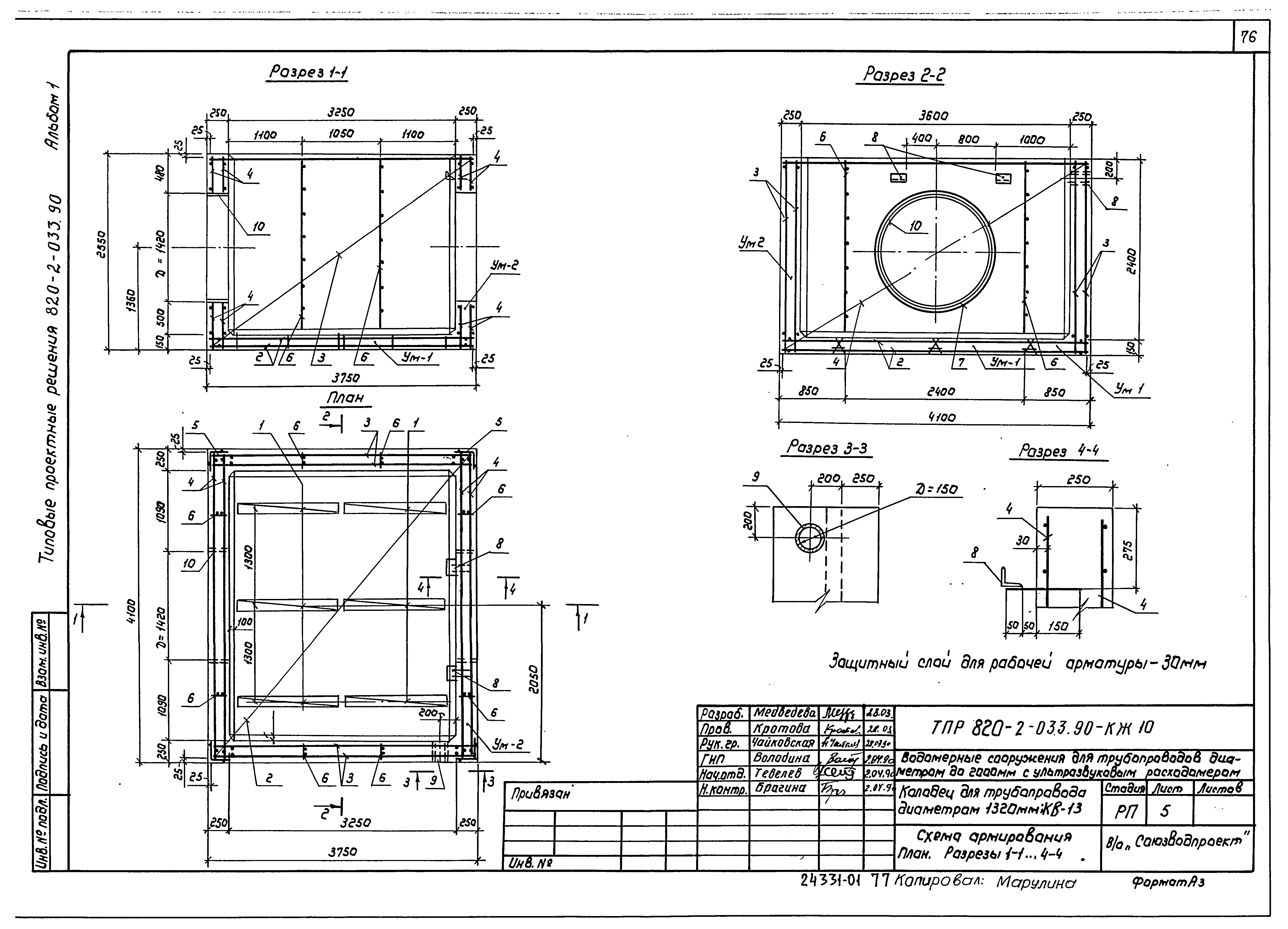
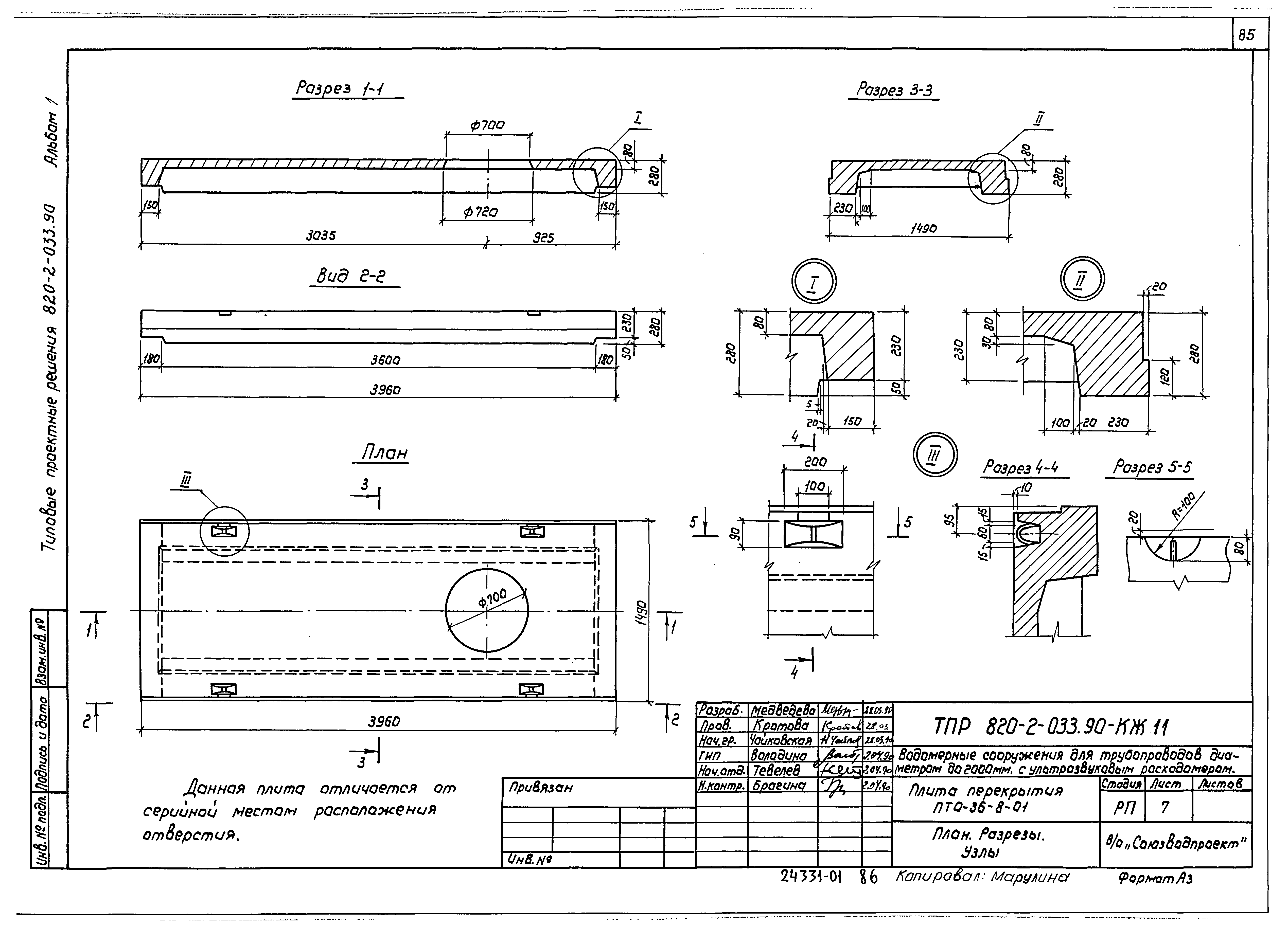
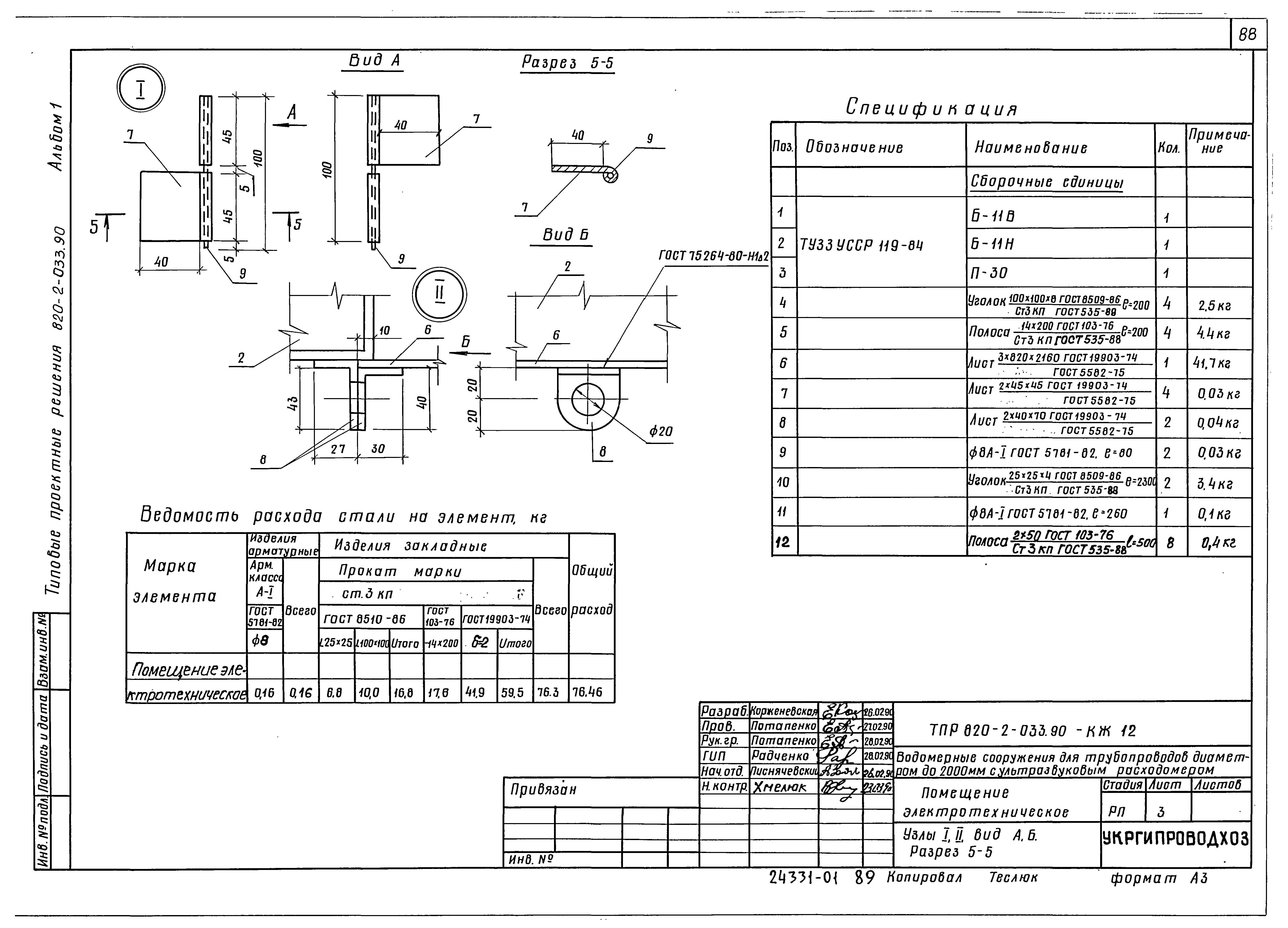
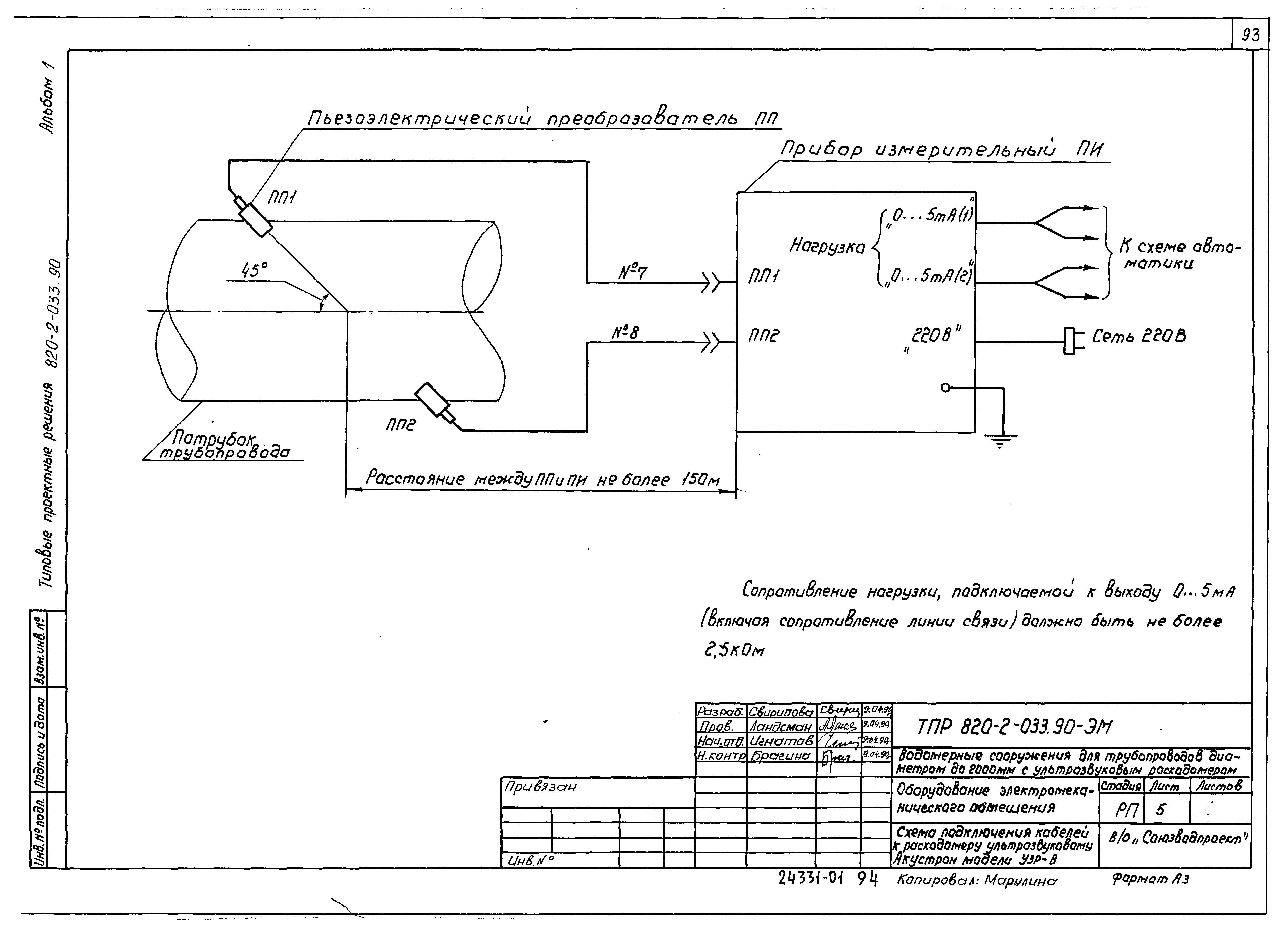
| Оглавление: | Содержание Пояснительная записка Колодец для трубопровода диаметром 400 мм; КВ-4 Общие данные План. Разрезы 1-1 (h3 = 1,0; 1,3 м); 2-2 Разрезы 1-1 (h3 = 1,5; 1,8; 2,0 м) Узлы I…III. Разрезы 3-3; 4-4 Схема армирования монолитного участка Ум1. План. Разрезы Схема армирования ПС22-П-01. Вид А. Разрезы 1-1, 2-2 Колодец для трубопровода диаметром 500 мм; КВ-5 Общие данные План. Разрезы 1-1 (h3 = 1,0 м); 2-2 Разрезы 1-1 (h3 = 1,3; 1,5; 1,8; 2,0 м) Схема армирования монолитного участка Ум1. План. Разрезы 1-1, 2-2 Схема армирования ПС22-П-02. Вид А. Разрезы 1-1, 2-2 Колодец для трубопровода диаметром 600 мм; КВ-6 Общие данные План. Разрезы 1-1 (h3 = 1,0 м); 2-2 Разрезы 1-1 (h3 = 1,3; 1,5; 1,8; 2,0 м) Схема армирования монолитного участка Ум1. План. Разрезы 1-1, 2-2 Схема армирования ПС22-П-03. Вид А. Разрезы 1-1, 2-2 Колодец для трубопровода диаметром 700 мм; КВ-7 Общие данные План. Разрезы 1-1 (h3 = 1,0 м); 2-2 Разрезы 1-1 (h3 = 1,3; 1,5; 1,8; 2,0 м) Схема армирования монолитного участка Ум1. План. Разрезы 1-1, 2-2 Схема армирования ПС22-П-04. Вид А. Разрезы 1-1, 2-2 Колодец для трубопровода диаметром 800 мм; КВ-8 Общие данные План. Разрезы 1-1 (h3 = 1,0 м); 2-2 Разрезы 1-1 (h3 = 1,3; 1,5; 1,8; 2,0 м) Схема армирования. План. Разрезы 1-1…3-3 Схема армирования ПС22-П-05. Вид А. Разрезы 1-1, 2-2 Колодец для трубопровода диаметром 900 мм; КВ-9 Общие данные План. Разрезы 1-1 (h3 = 1,0 м); 2-2 Разрезы 1-1 (h3 = 1,3; 1,5; 1,8; 2,0 м) Схема армирования. План. Разрезы 1-1…3-3 Схема армирования ПС22-П-06. Вид А. Разрезы 1-1, 2-2 Колодец для трубопровода диаметром 1000 мм; КВ-10 Общие данные План. Разрезы 1-1 (h3 = 1,0 м); 2-2 Разрезы 1-1 (h3 = 1,3; 1,5; 1,8 м) Разрез 1-1 (h3 = 2,0 м) Схема армирования. План. Разрезы 1-1…3-3 Схема армирования ПС22-П-07. Вид А. Разрезы 1-1, 2-2 Колодец для трубопровода диаметром 1120 мм; КВ-11 Общие данные План. Разрезы 2-2, 4-4 Разрез 1-1 при различных глубинах заложения трубопровода Узлы I…III Схема армирования. План. Разрезы 1-1…4-4 Спецификация к схеме армирования Плита перекрытия ПТО36-В-01. План. Разрезы. Узлы Колодец для трубопровода диаметром 1220 мм; КВ-12 Общие данные План. Разрезы 2-2, 4-4 Разрез 1-1 при различных глубинах заложения трубопровода Схема армирования. План. Разрезы 1-1…4-4 Спецификация к схеме армирования Плита перекрытия ПТО36-В-01. План. Разрезы. Узлы Колодец для трубопровода диаметром 1320 мм; КВ-13 Общие данные План. Разрезы 2-2, 4-4 Разрез 1-1 при различных глубинах заложения трубопровода Схема армирования. План. Разрезы 1-1…4-4 Спецификация к схеме армирования Плита перекрытия ПТО36-В-01. План. Разрезы. Узлы Колодец для трубопровода диаметром 1420 мм; КВ-14 Общие данные План. Разрезы 2-2, 4-4 Разрез 1-1 при различных глубинах заложения трубопровода Схема армирования. План. Разрезы 1-1…4-4 Спецификация к схеме армирования Плита перекрытия ПТО36-В-01. План. Разрезы. Узлы Помещение электротехническое Общие данные План. Разрезы 1-1…4-4. Узлы III, IV Узлы I, II. Вид А, Б. Разрез 5-5 Оборудование электротехнического помещения Общие данные Принципиальная схема распределительной сети План расположения узлов установки электрического оборудования Схема подключения кабелей к расходомеру ультразвуковому многофункциональному РУМ-1 Схема подключения кабелей к расходомеру ультразвуковому Акустрон модели УЗР-В Спецификация оборудования |
| Разработан: | Союзводпроект Минводхоза СССР Укргипроводхоз Минводхоза СССР |
| Утверждён: | 10.04.1990 Минводхоз СССР (USSR Minvodkhoz 820) |































































































