Скачать Типовые проектные решения 820-2-033.90 Альбом 2. Строительные изделияДата актуализации: 01.01.2021
|
| Обозначение: | Типовые проектные решения 820-2-033.90 |
| Обозначение англ: | 820-2-033.90 |
| Статус: | справочные материалы, мп, тпр |
| Название рус.: | Альбом 2. Строительные изделия |
| Дата добавления в базу: | 01.10.2014 |
| Дата актуализации: | 01.01.2021 |
| Дата введения: | 10.04.1990 |
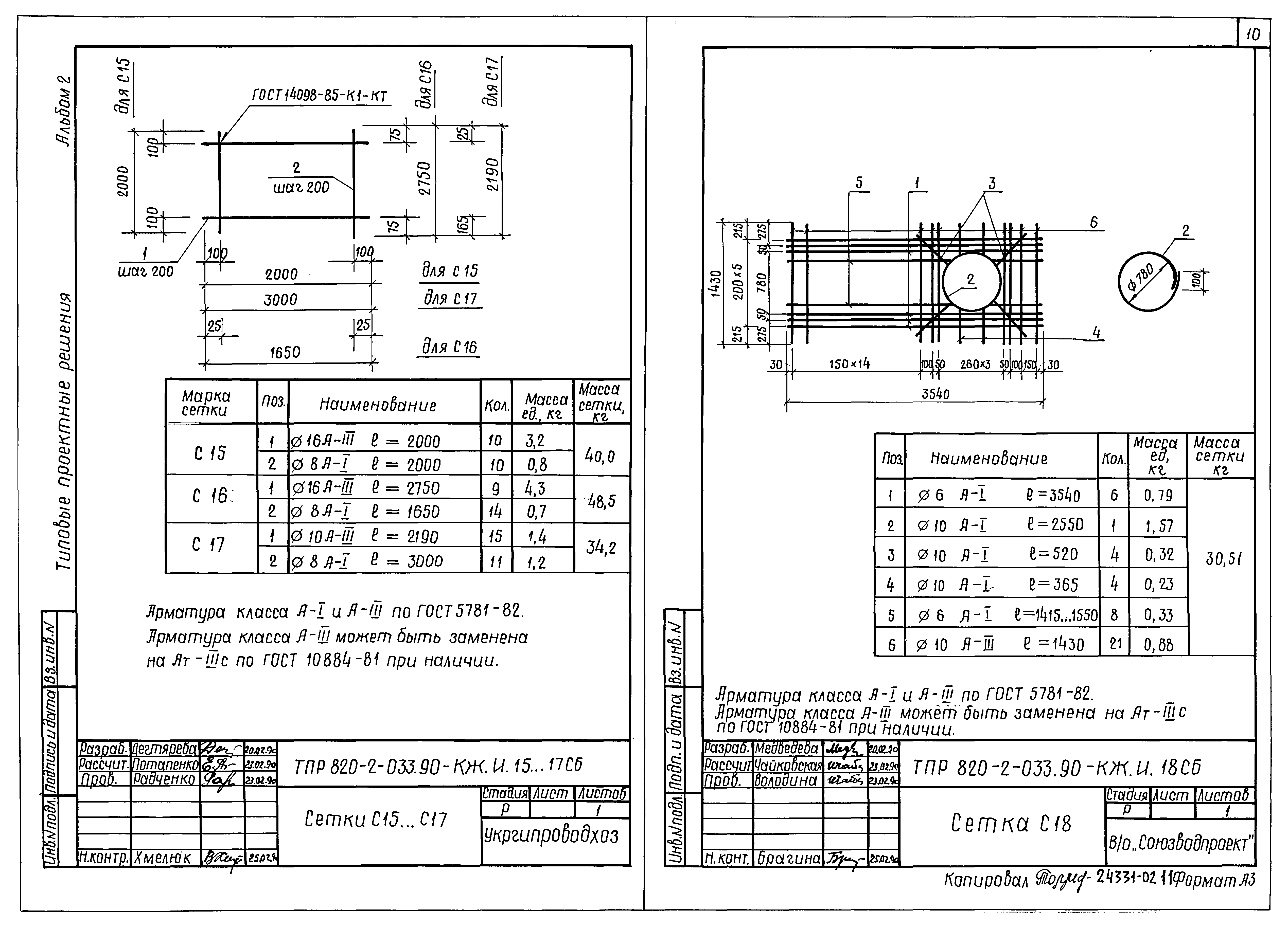
| Оглавление: | 820-2-033.90-КЖ.И.1СБ Сетка С1 820-2-033.90-КЖ.И.2СБ Сетка С2 820-2-033.90-КЖ.И.3СБ Сетка С3 820-2-033.90-КЖ.И.4СБ Сетка С4 820-2-033.90-КЖ.И.5СБ Сетка С5 820-2-033.90-КЖ.И.6СБ Сетка С6 820-2-033.90-КЖ.И.7СБ Сетка С7 820-2-033.90-КЖ.И.8СБ Сетка С8 820-2-033.90-КЖ.И.9СБ Сетка С9 820-2-033.90-КЖ.И.10СБ Сетка С10 820-2-033.90-КЖ.И.11СБ Сетка С11 820-2-033.90-КЖ.И.12СБ Сетка С12 820-2-033.90-КЖ.И.13СБ Сетка С13 820-2-033.90-КЖ.И.14СБ Сетка С14 820-2-033.90-КЖ.И.15, 17СБ Сетка С15…С17 820-2-033.90-КЖ.И.18СБ Сетка С18 820-2-033.90-КЖ.И.19СБ Сетка С19 820-2-033.90-КЖ.И.20, 21СБ Сетка С20, С21 820-2-033.90-КЖ.И.22СБ Сетка С22 820-2-033.90-КЖ.И.23СБ Сетка С23 820-2-033.90-КЖ.И.24СБ Сетка С24 820-2-033.90-КЖ.И.25СБ Сетка С25 820-2-033.90-КЖ.И.26, 27СБ Сетка С26, С27 820-2-033.90-КЖ.И.28…30СБ Сетка С28…С30 820-2-033.90-КЖ.И.31, 32СБ Каркас КР1, КР2 820-2-033.90-КЖ.И.33СБ Каркас КП1 820-2-033.90-КЖ.И.34СБ Изделие закладное Мн1 820-2-033.90-КЖ.И.35СБ Изделие закладное Мн2 |
| Разработан: | Союзводпроект Минводхоза СССР Укргипроводхоз Минводхоза СССР |
| Утверждён: | 10.04.1990 Минводхоз СССР (USSR Minvodkhoz 820) |


















