Скачать Типовые проектные решения 820-2-033.90 Альбом 3. Металлические узлы и деталиДата актуализации: 01.01.2021
|
| Обозначение: | Типовые проектные решения 820-2-033.90 |
| Обозначение англ: | 820-2-033.90 |
| Статус: | справочные материалы, мп, тпр |
| Название рус.: | Альбом 3. Металлические узлы и детали |
| Дата добавления в базу: | 01.10.2014 |
| Дата актуализации: | 01.01.2021 |
| Дата введения: | 10.04.1990 |
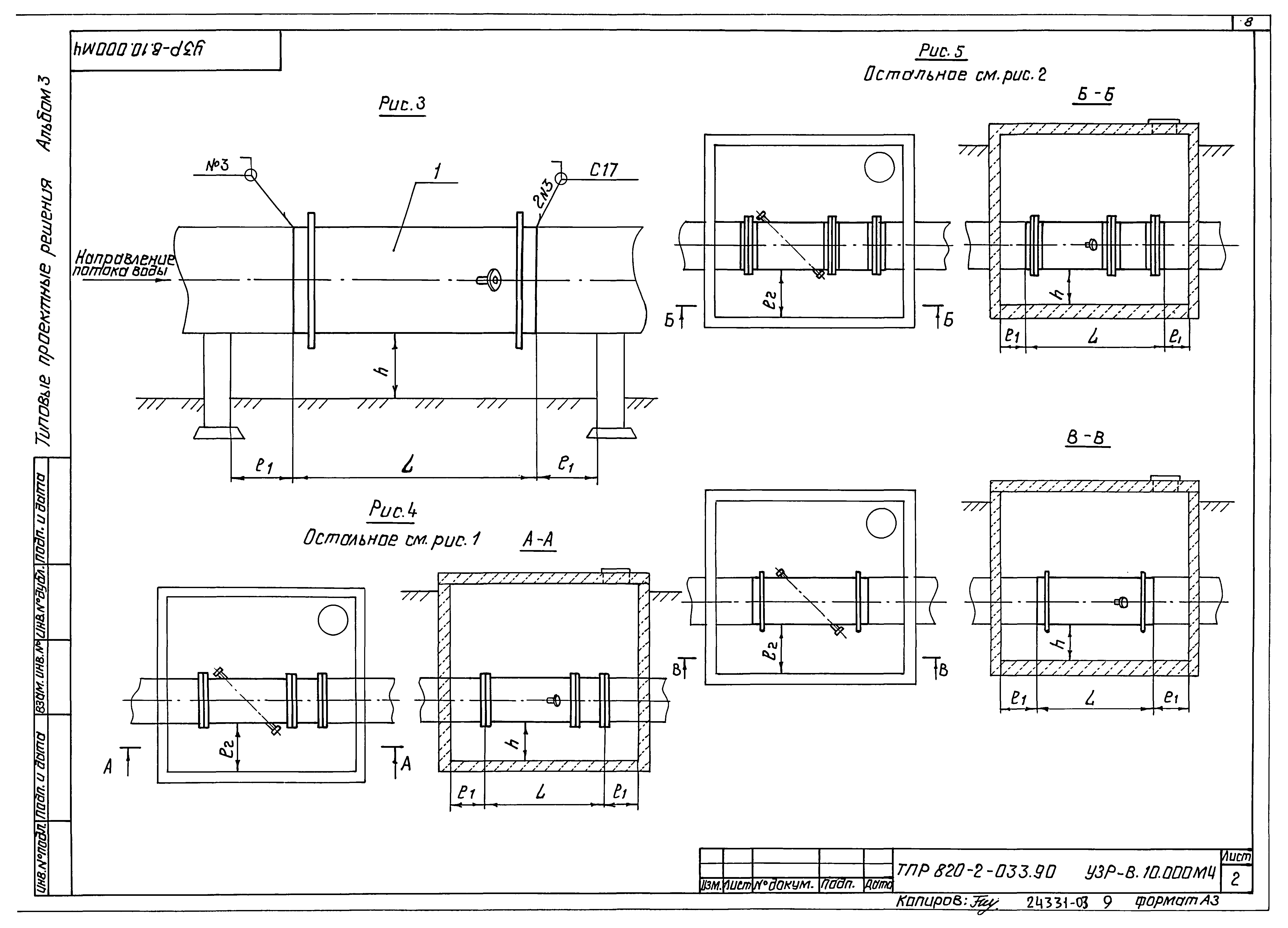
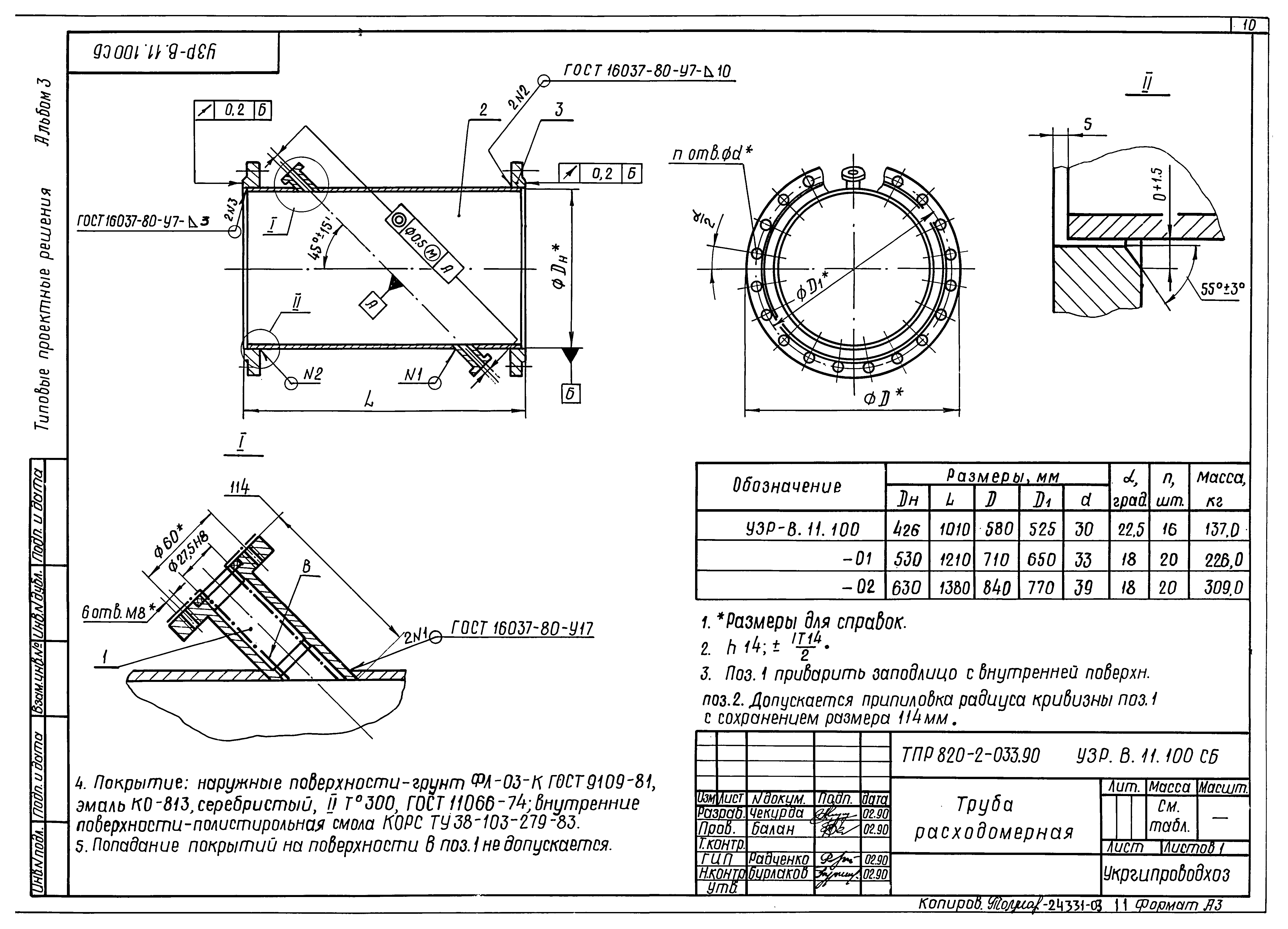
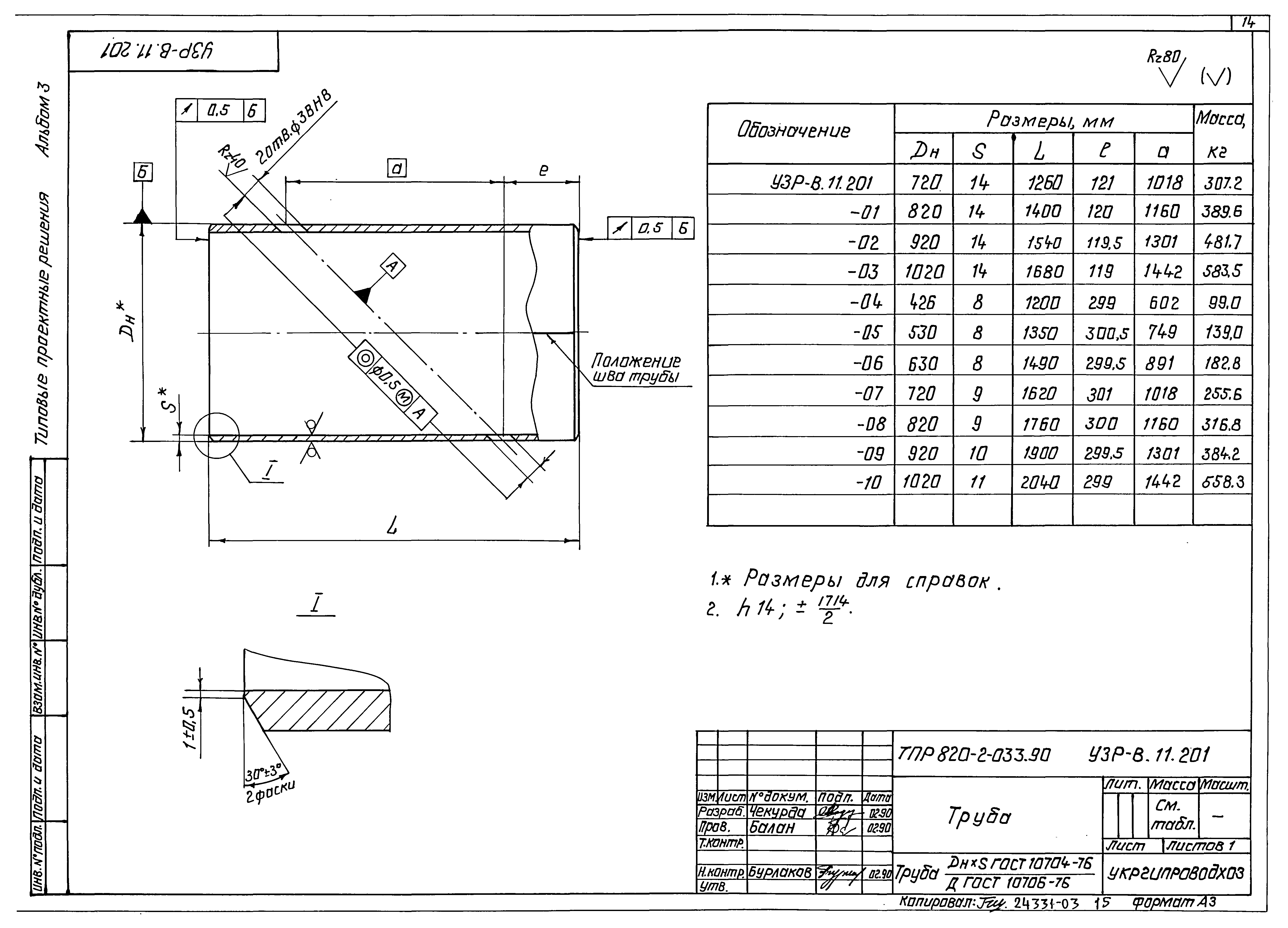
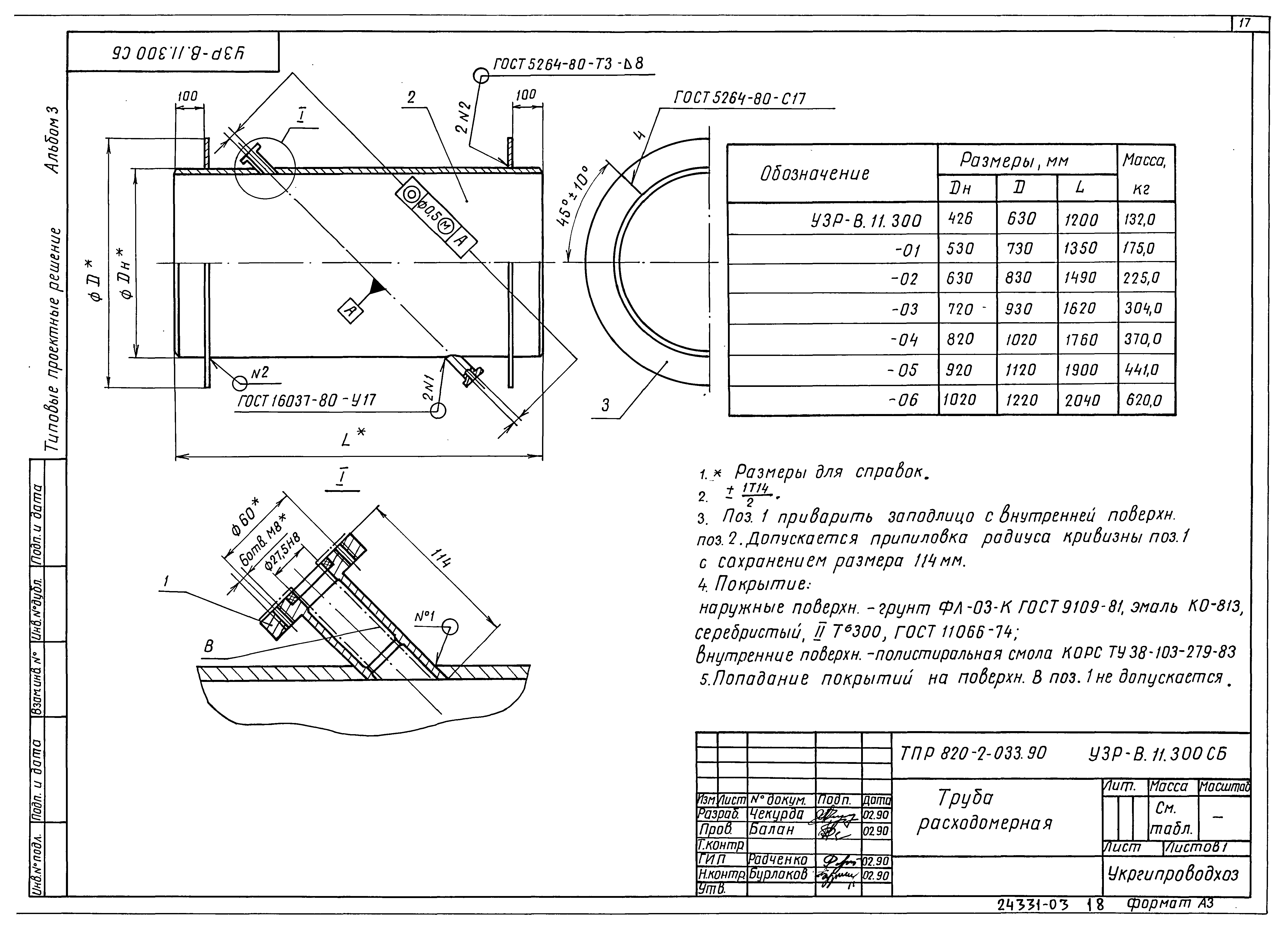
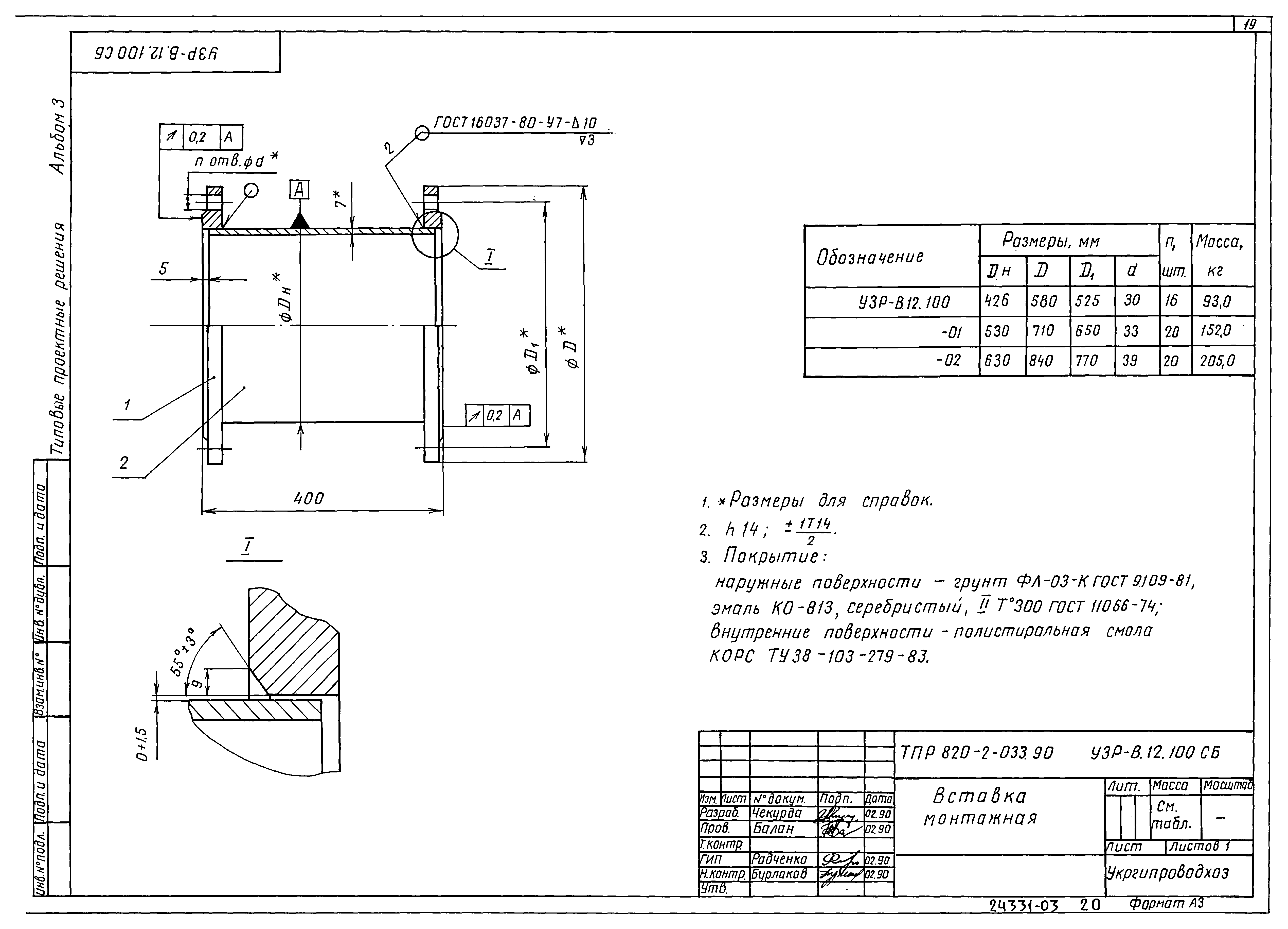
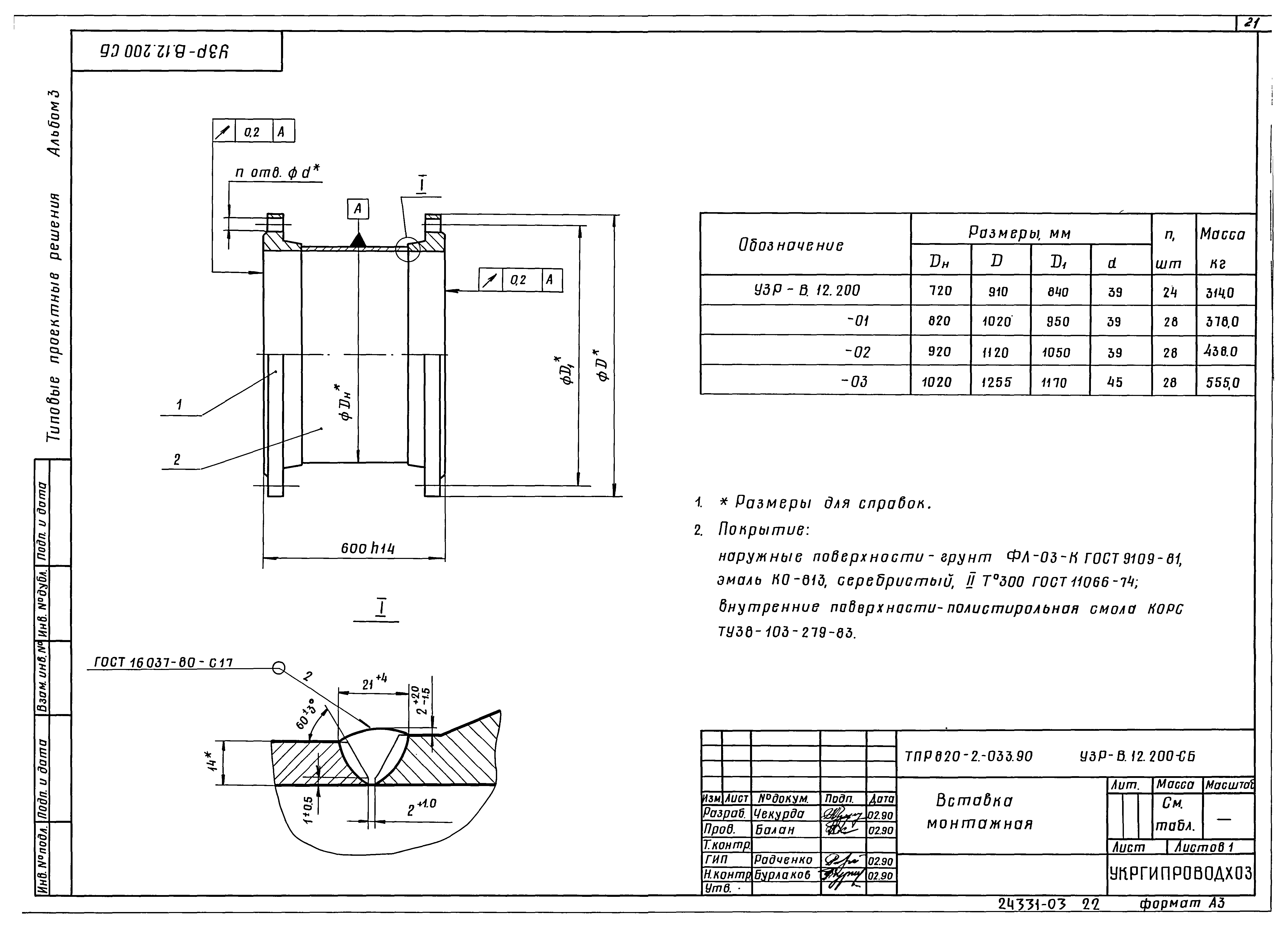
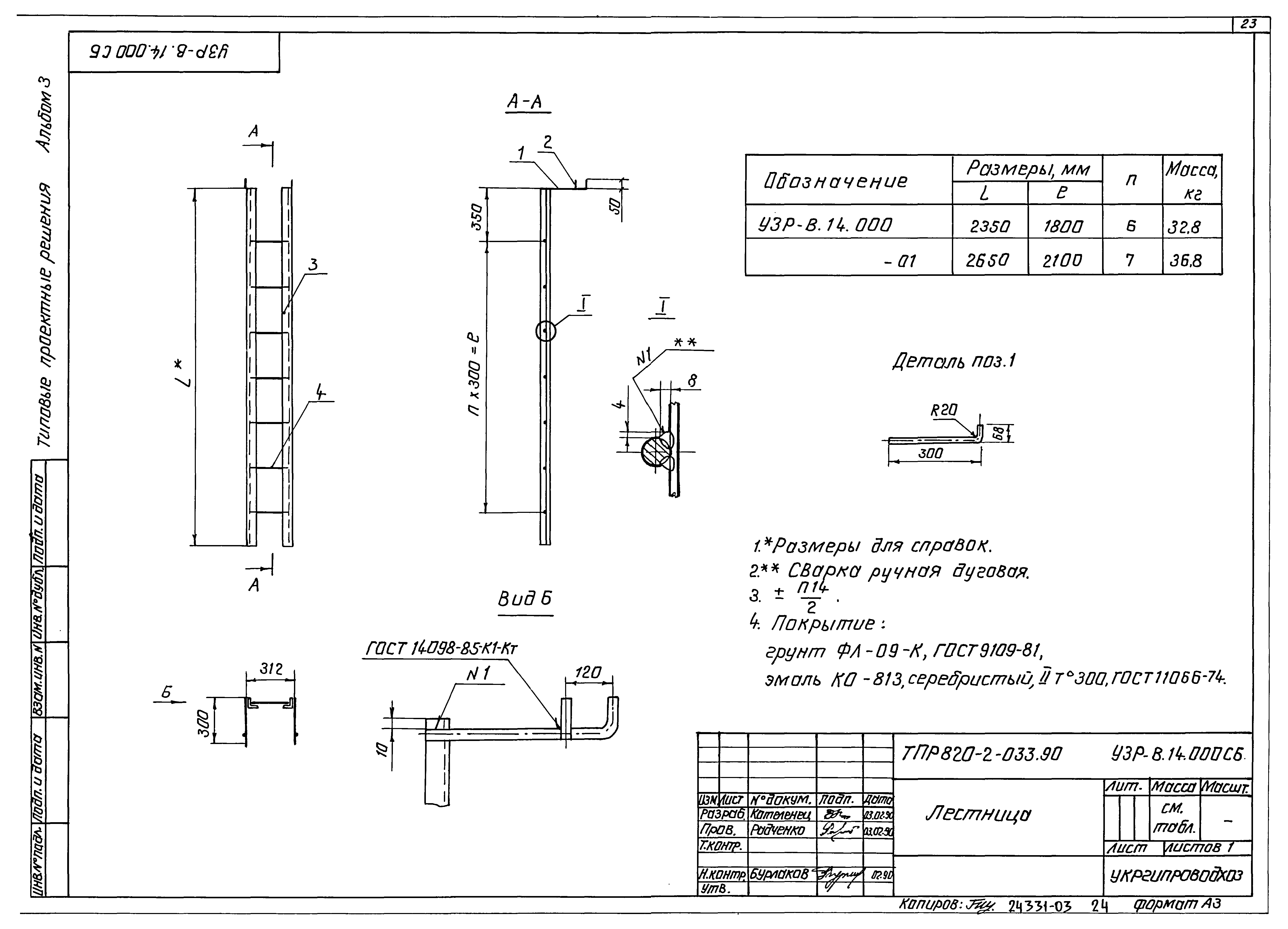
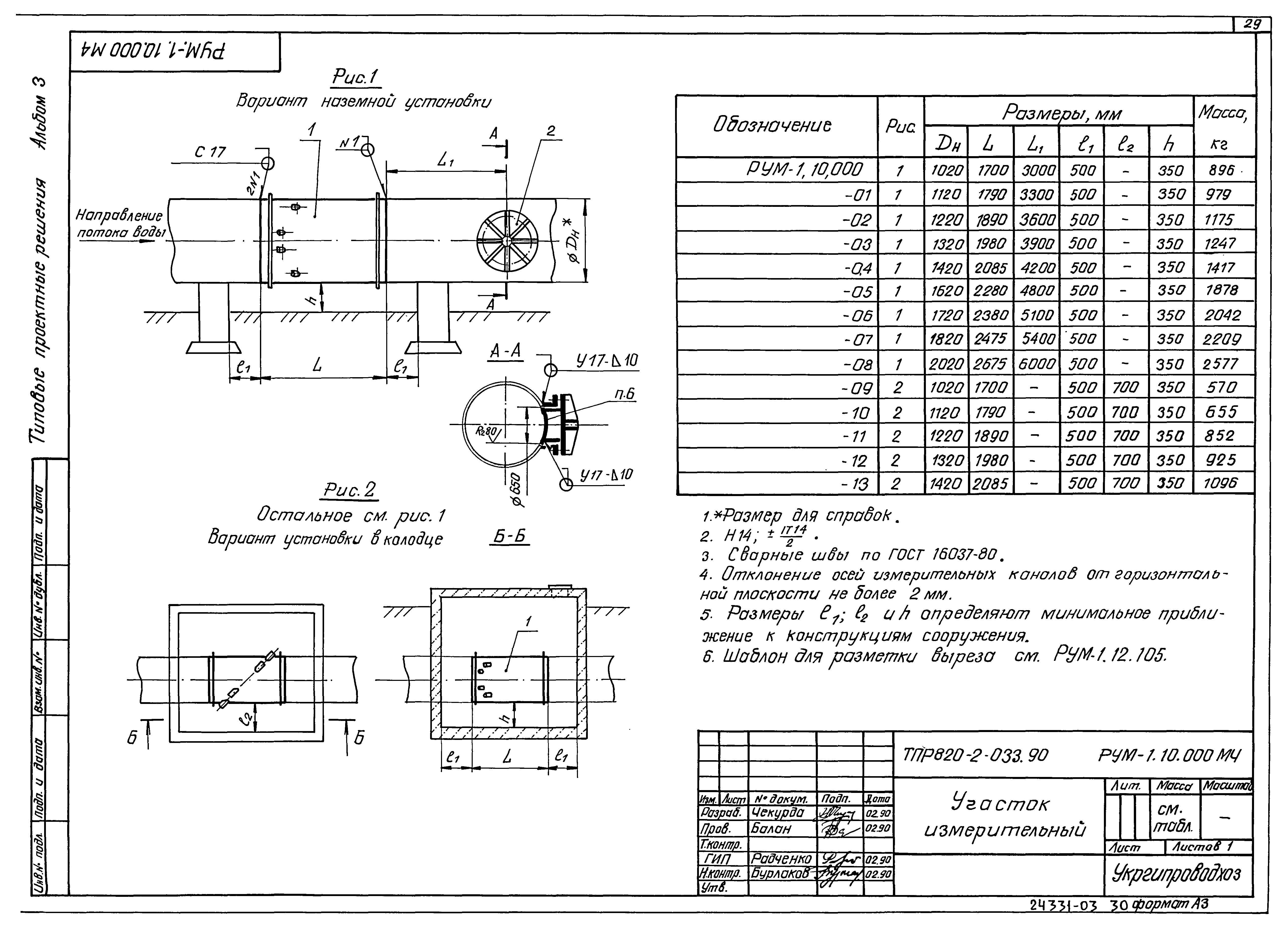
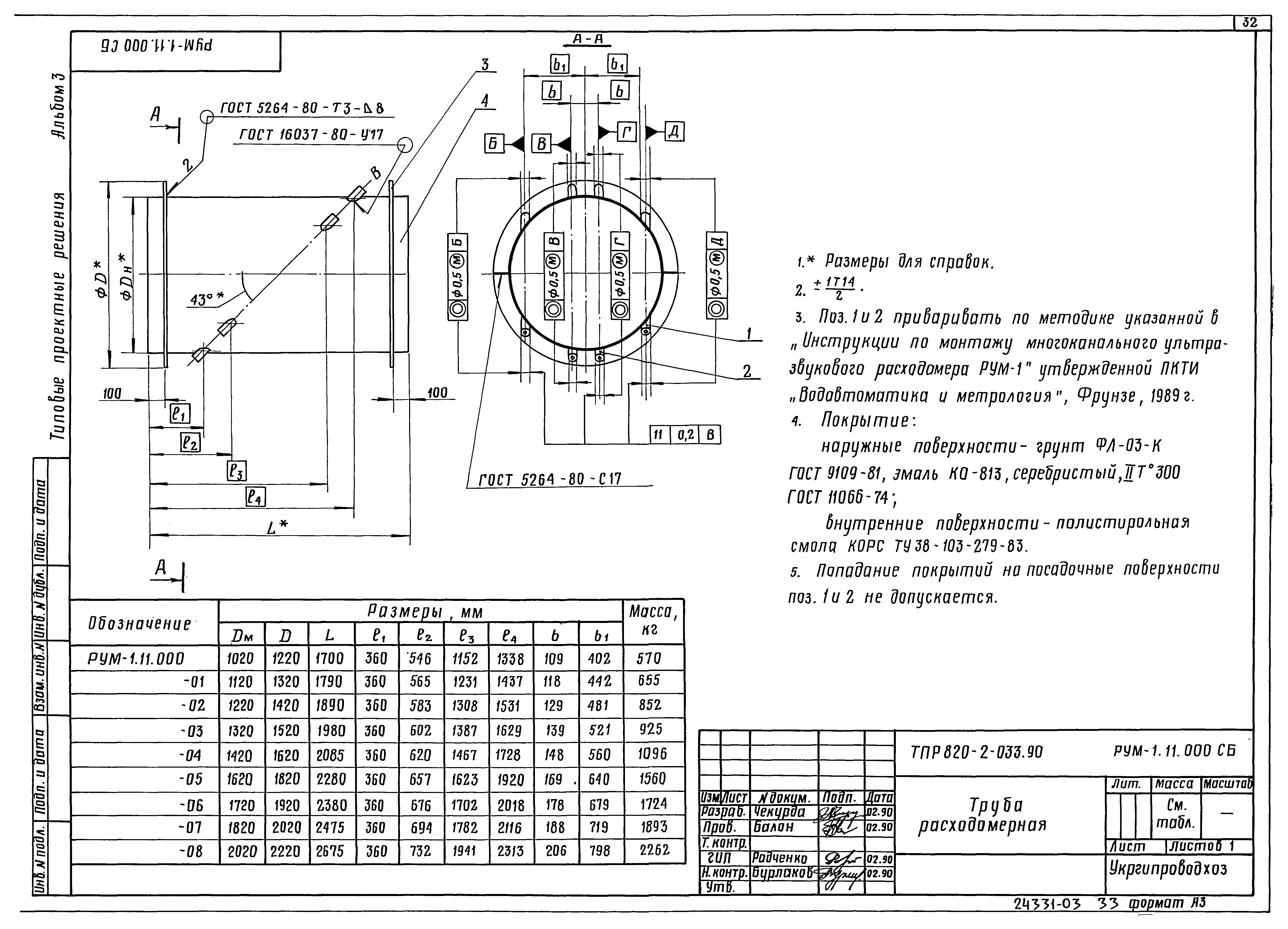
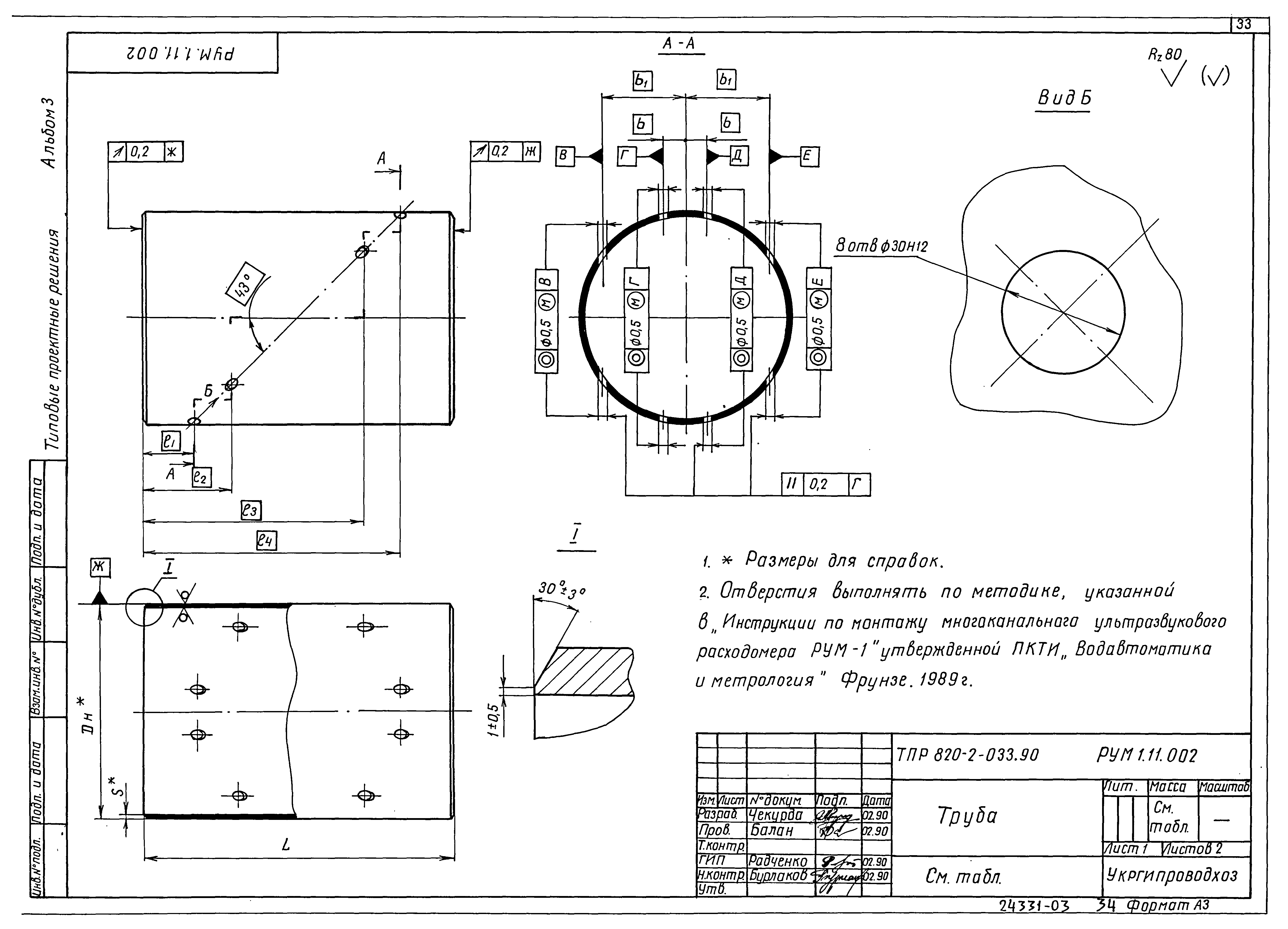
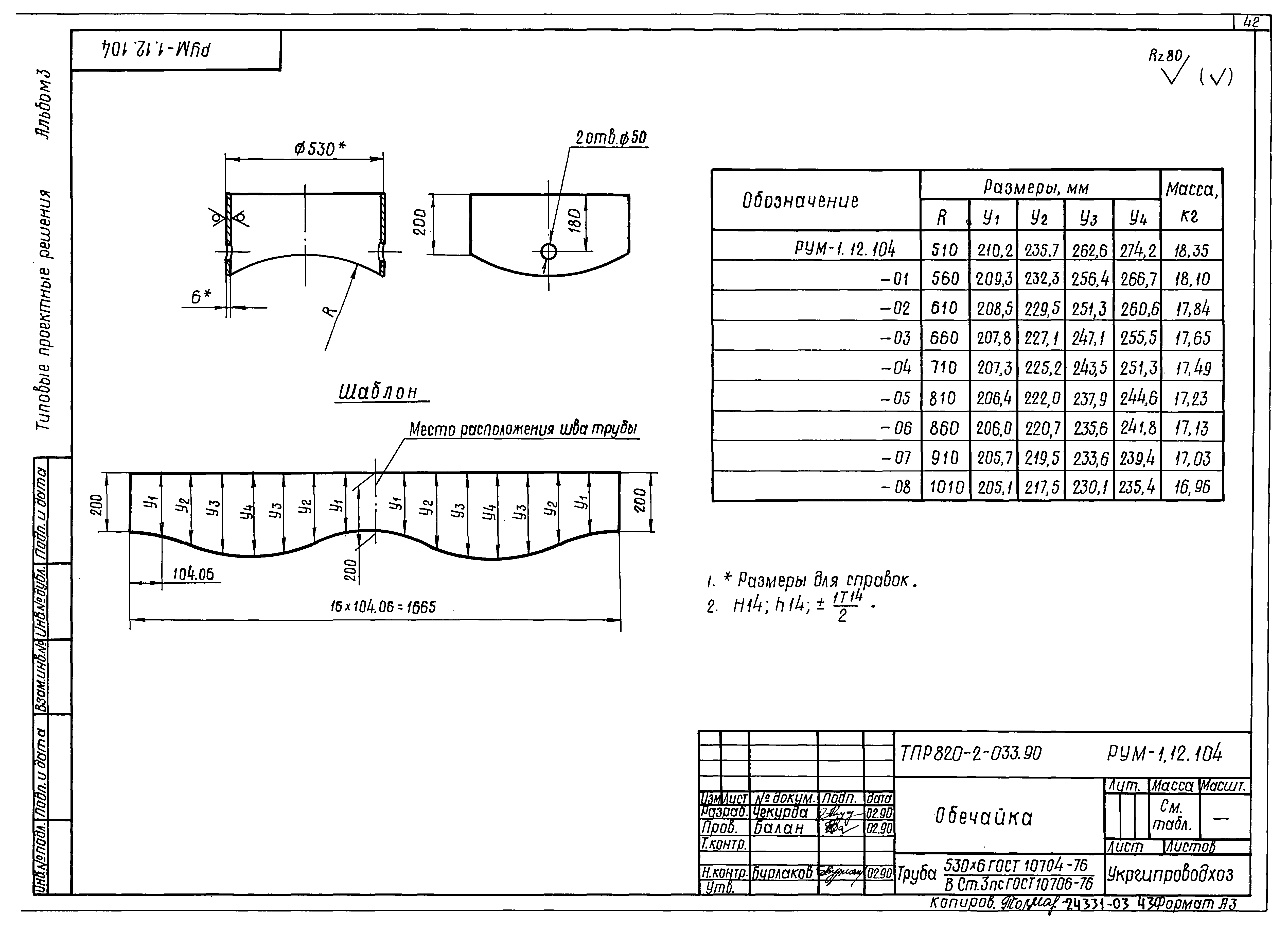
| Оглавление: | УЗР-В.10.000 Участок измерительный УЗР-В.10.001 Прокладка УЗР-В.10.000МЧ Участок измерительный. МЧ УЗР-В.11.100 Труба расходомерная УЗР-В.11.100СБ Труба расходомерная. СБ УЗР-В.11.101 Труба УЗР-В.11.200 Труба расходомерная УЗР-В.11.200СБ Труба расходомерная. СБ УЗР-В.11.201 Труба УЗР-В.11.300 Труба расходомерная УЗР-В.11.301 Ребро УЗР-В.11.300СБ Труба расходомерная. СБ УЗР-В.12.100 Вставка монтажная УЗР-В.12.10СБ0 Вставка монтажная. СБ УЗР-В.12.200 Вставка монтажная УЗР-В.12.20СБ0 Вставка монтажная. СБ УЗР-В.14.000 Лестница УЗР-В.14.000СБ Лестница. СБ УЗР-В.20.000 Подставка УЗР-В.20.000СБ Подставка. СБ УЗР-В.20.001 Уголок УЗР-В.20.002 Уголок РУМ-1.10.000 Участок измерительный РУМ-1.10.000МЧ Участок измерительный. МЧ РУМ-1.11.000 Труба расходомерная РУМ-1.11.001 Ребро РУМ-1.11.000СБ Труба расходомерная. СБ РУМ-1.11.002 Труба РУМ-1.12.000 Лаз РУМ-1.12.001 Прокладка РУМ-1.12.000СБ Лаз. СБ РУМ-1.12.100 Крышка РУМ-1.12.100СБ Крышка. СБ РУМ-1.12.101 Заглушка РУМ-1.12.102 Ребро РУМ-1.12.104 Обечайка РУМ-1.12.105 Вставка РУМ-1.12.200 Корпус РУМ-1.12.200СБ Корпус. СБ РУМ-1.12.201 Фланец РУМ-1.12.202 Ребро РУМ-1.12.203 Патрубок |
| Разработан: | Союзводпроект Минводхоза СССР Укргипроводхоз Минводхоза СССР |
| Утверждён: | 10.04.1990 Минводхоз СССР (USSR Minvodkhoz 820) |















































