Скачать Типовой проект 416-1-141.83 Альбом II. Технологическая часть. Санитарно-техническая часть. Нестандартизированное оборудованиеДата актуализации: 01.01.2021
|
| Обозначение: | Типовой проект 416-1-141.83 |
| Обозначение англ: | 416-1-141.83 |
| Статус: | действует |
| Название рус.: | Альбом II. Технологическая часть. Санитарно-техническая часть. Нестандартизированное оборудование |
| Дата добавления в базу: | 01.10.2014 |
| Дата актуализации: | 01.01.2021 |
| Дата введения: | 27.06.1983 |
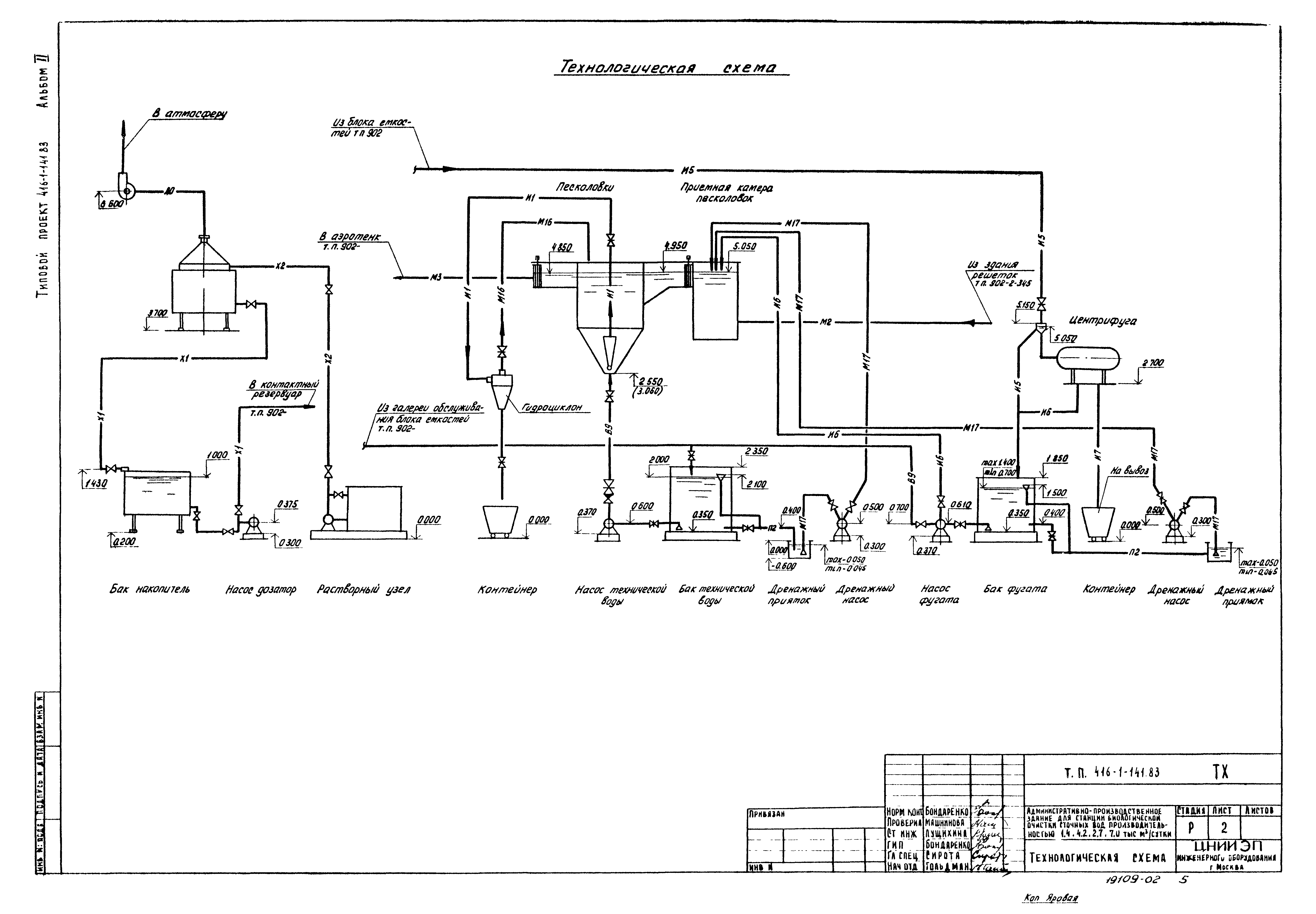
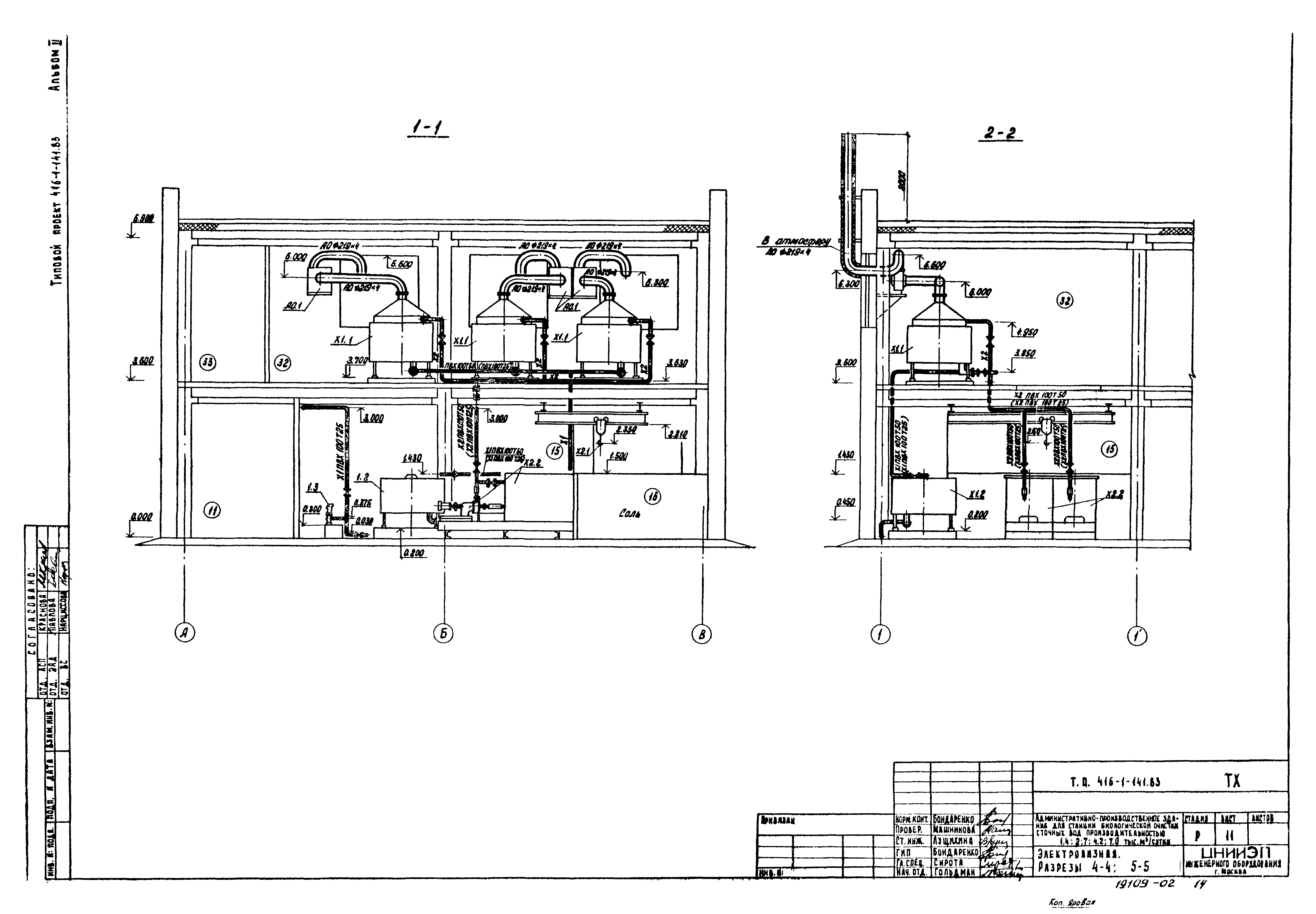
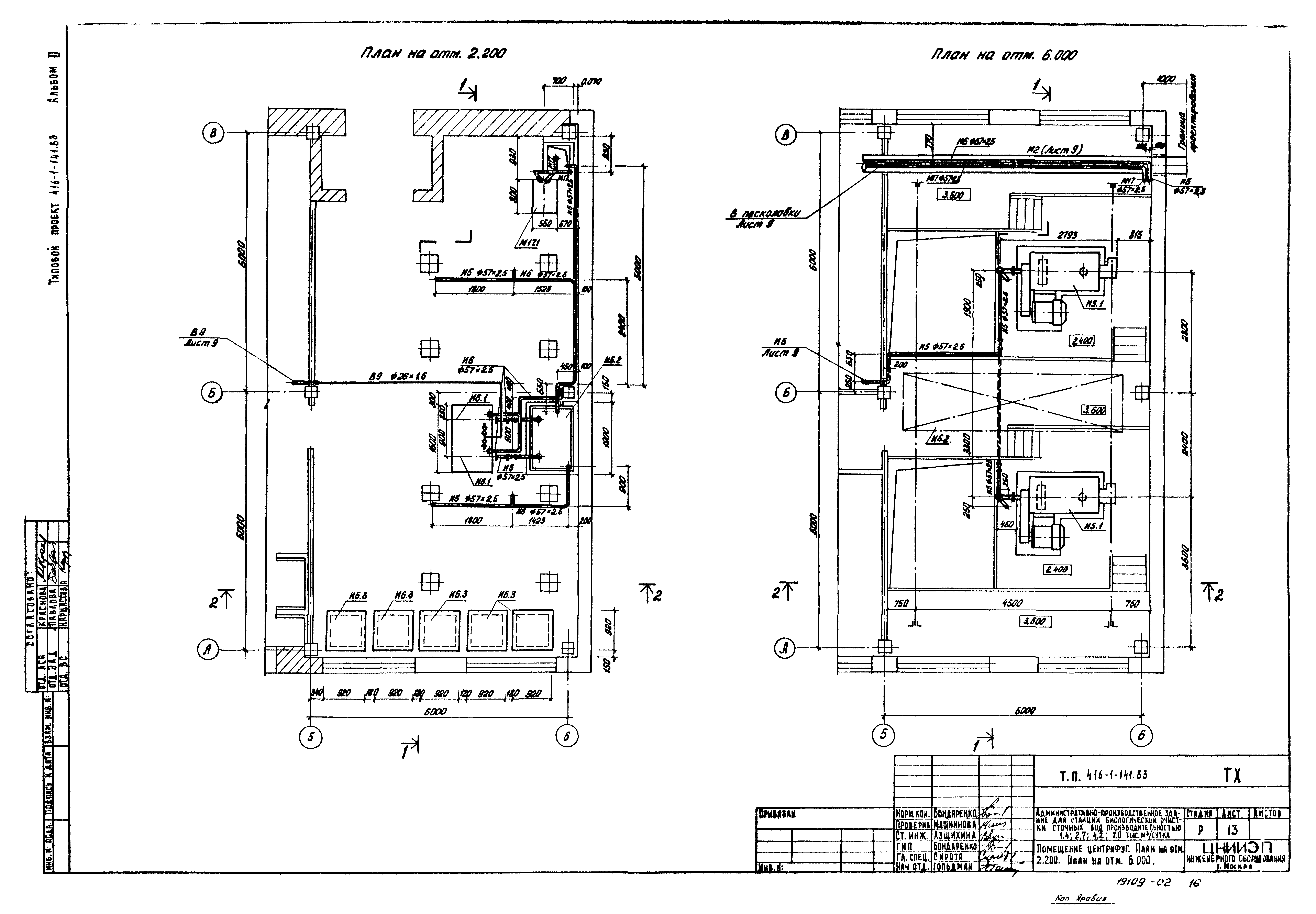
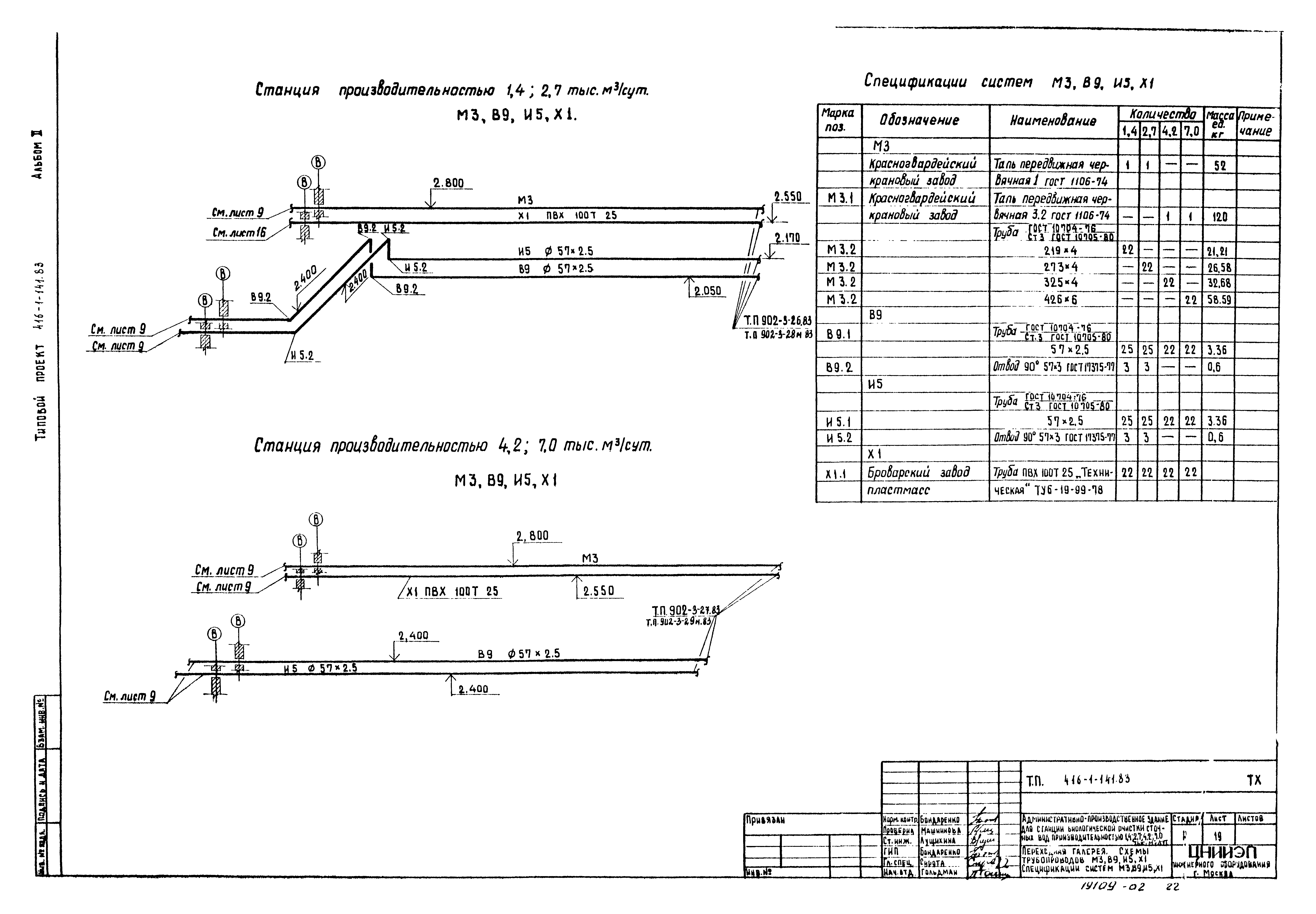
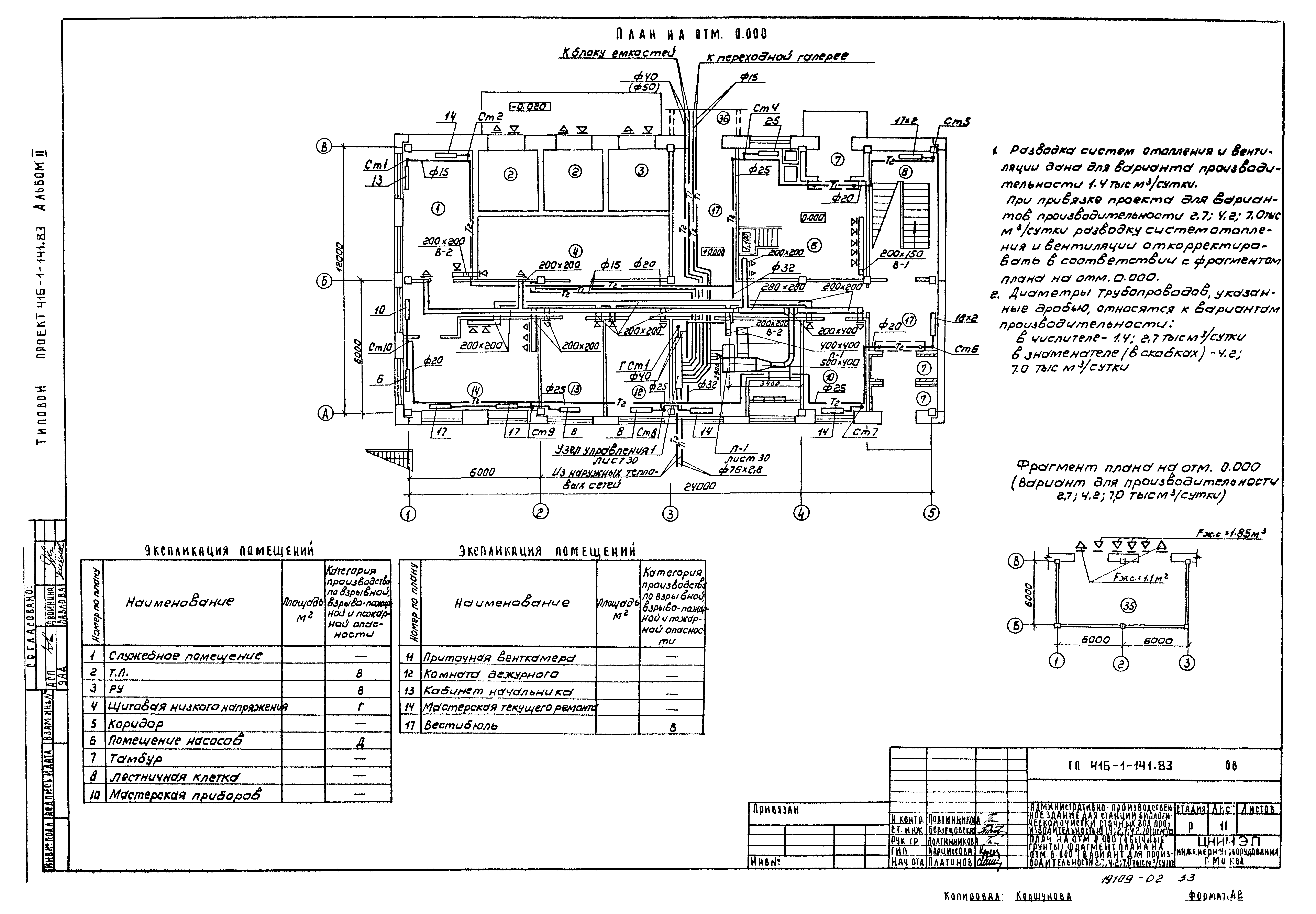
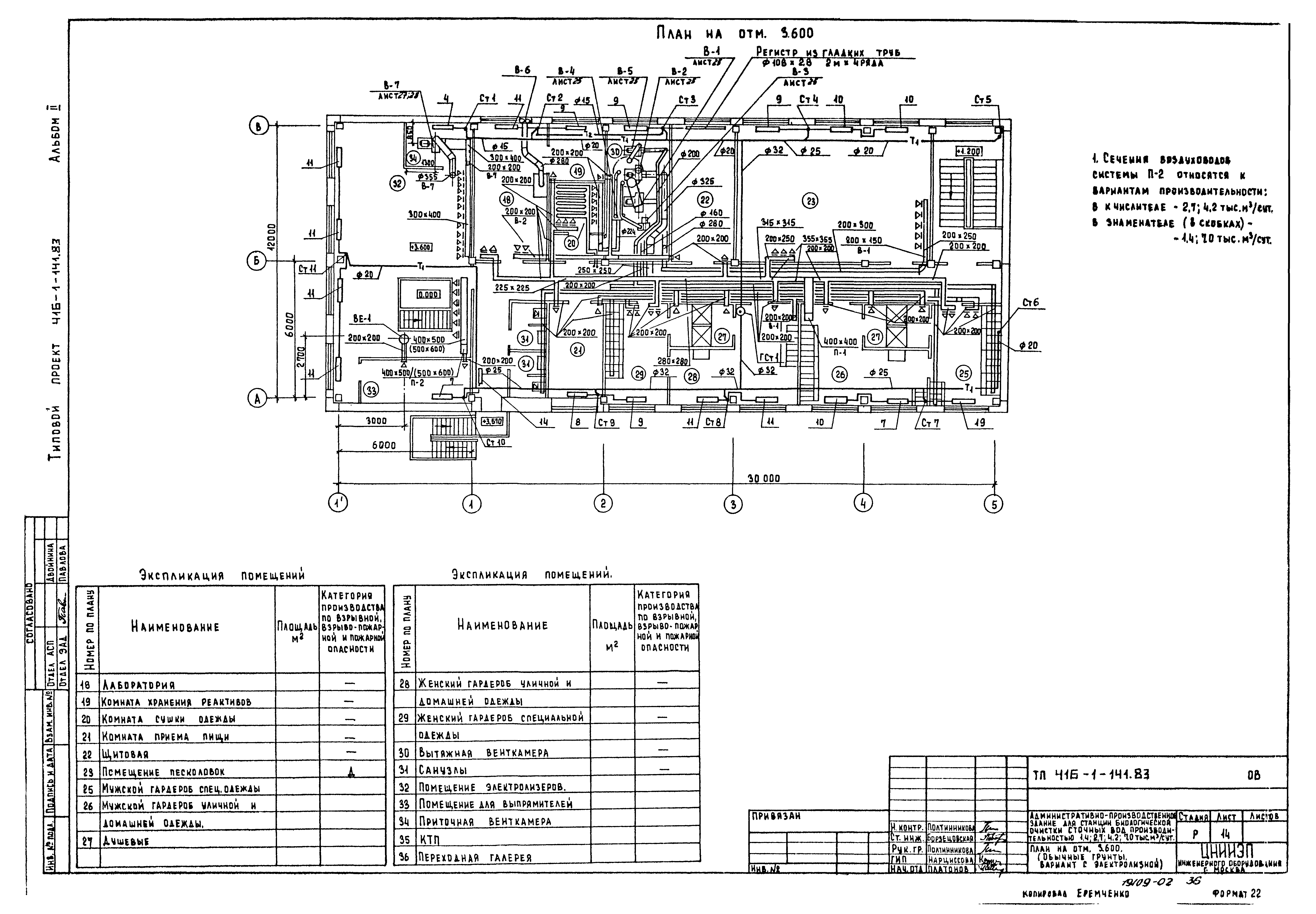
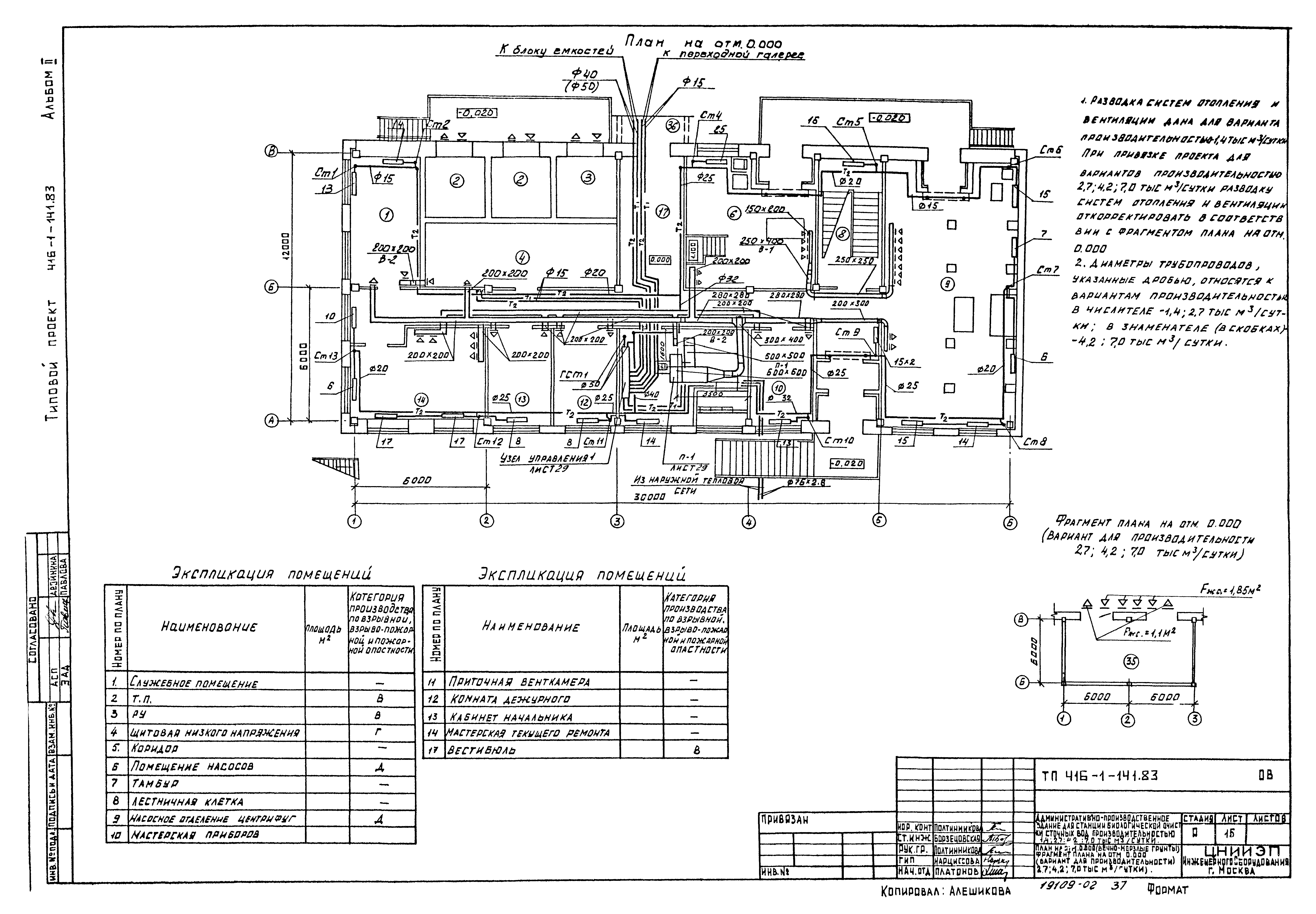
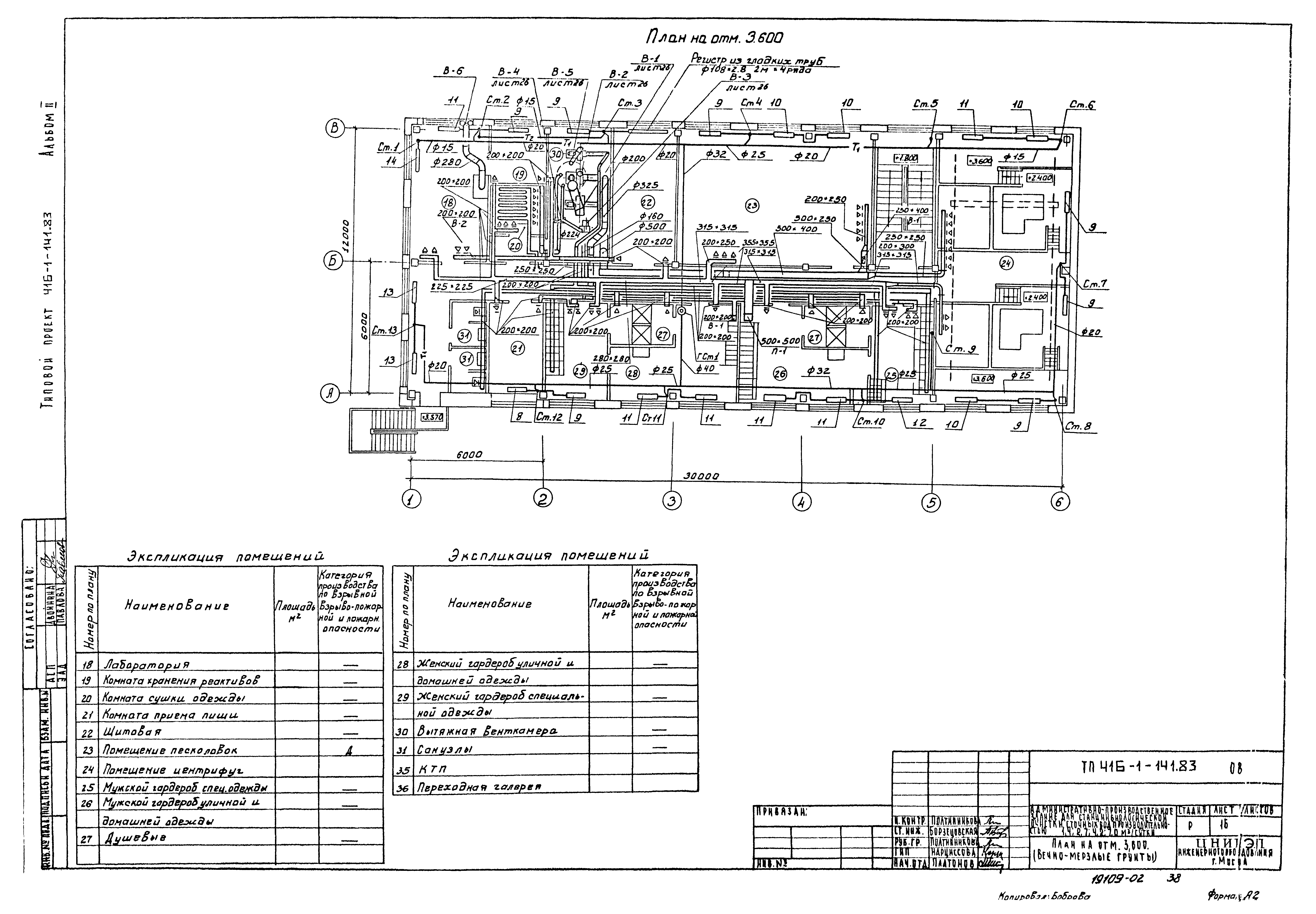
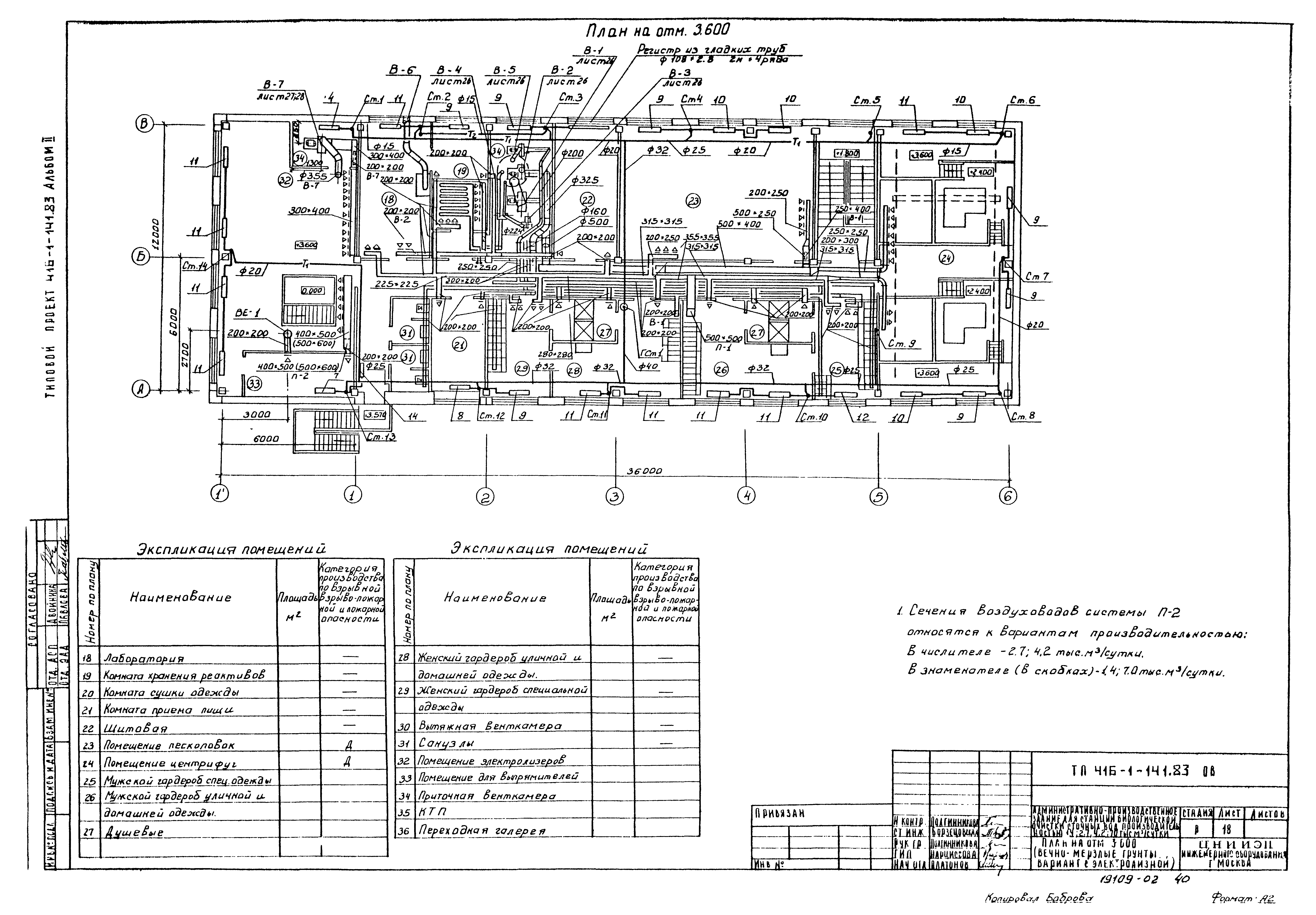
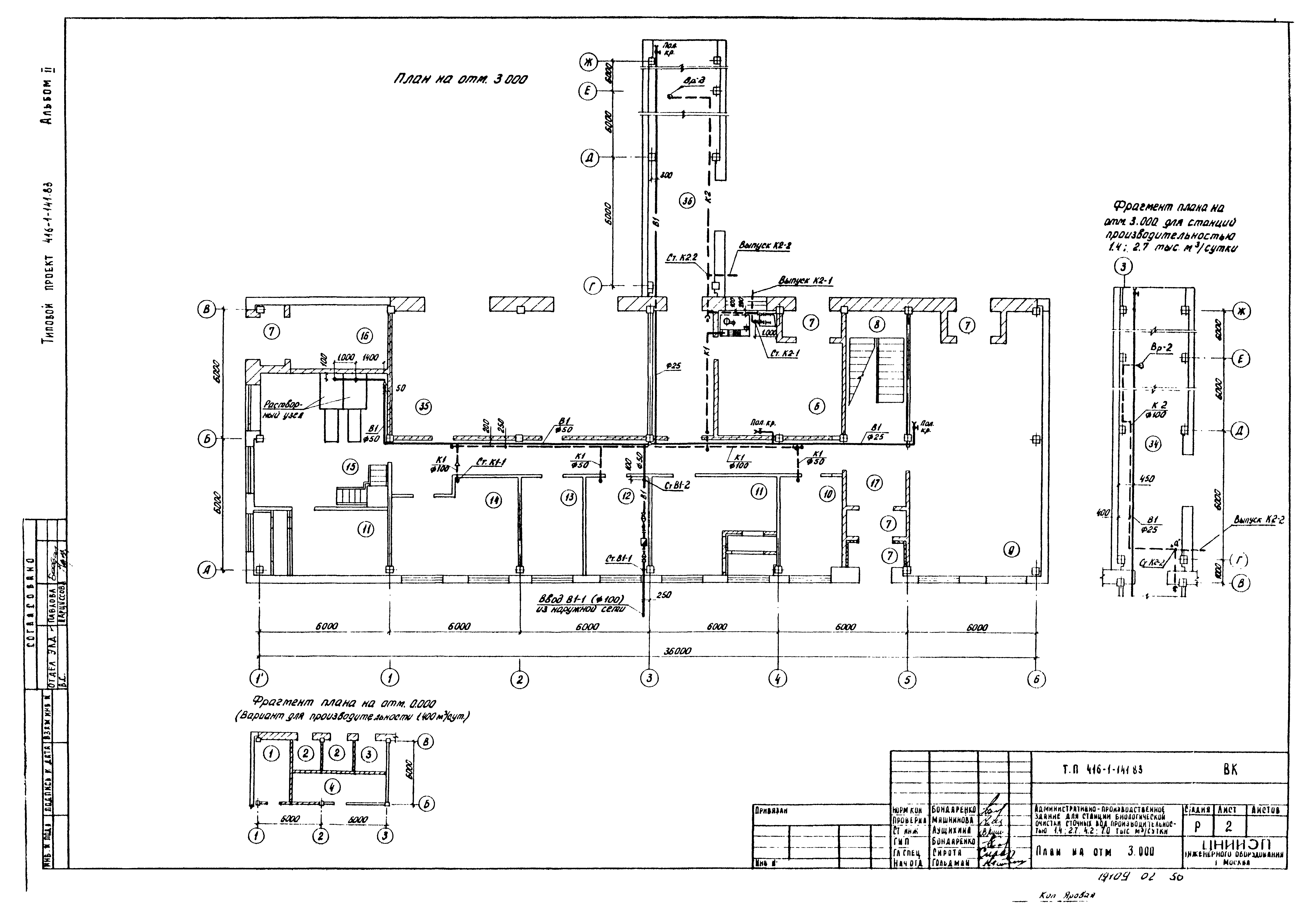
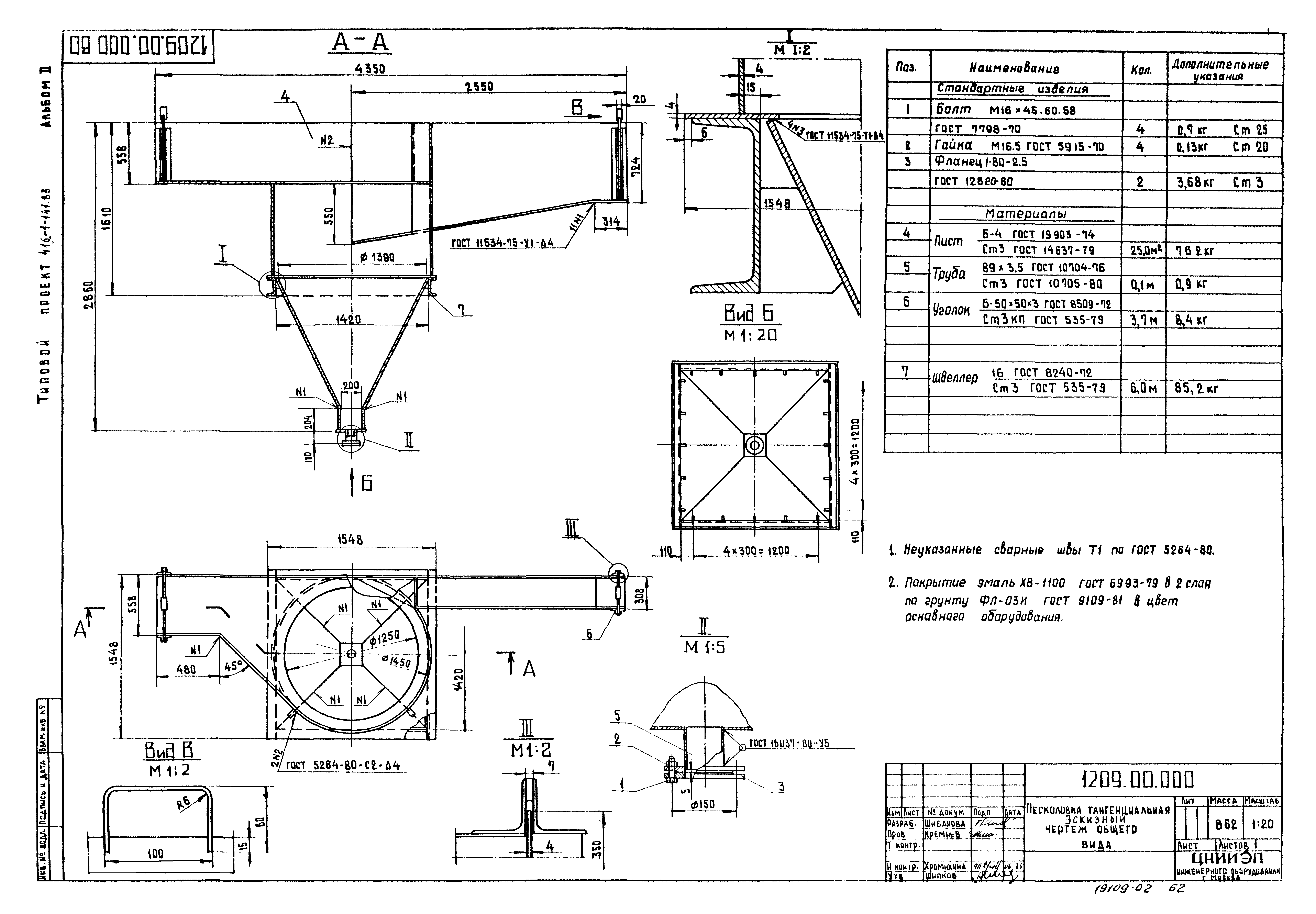
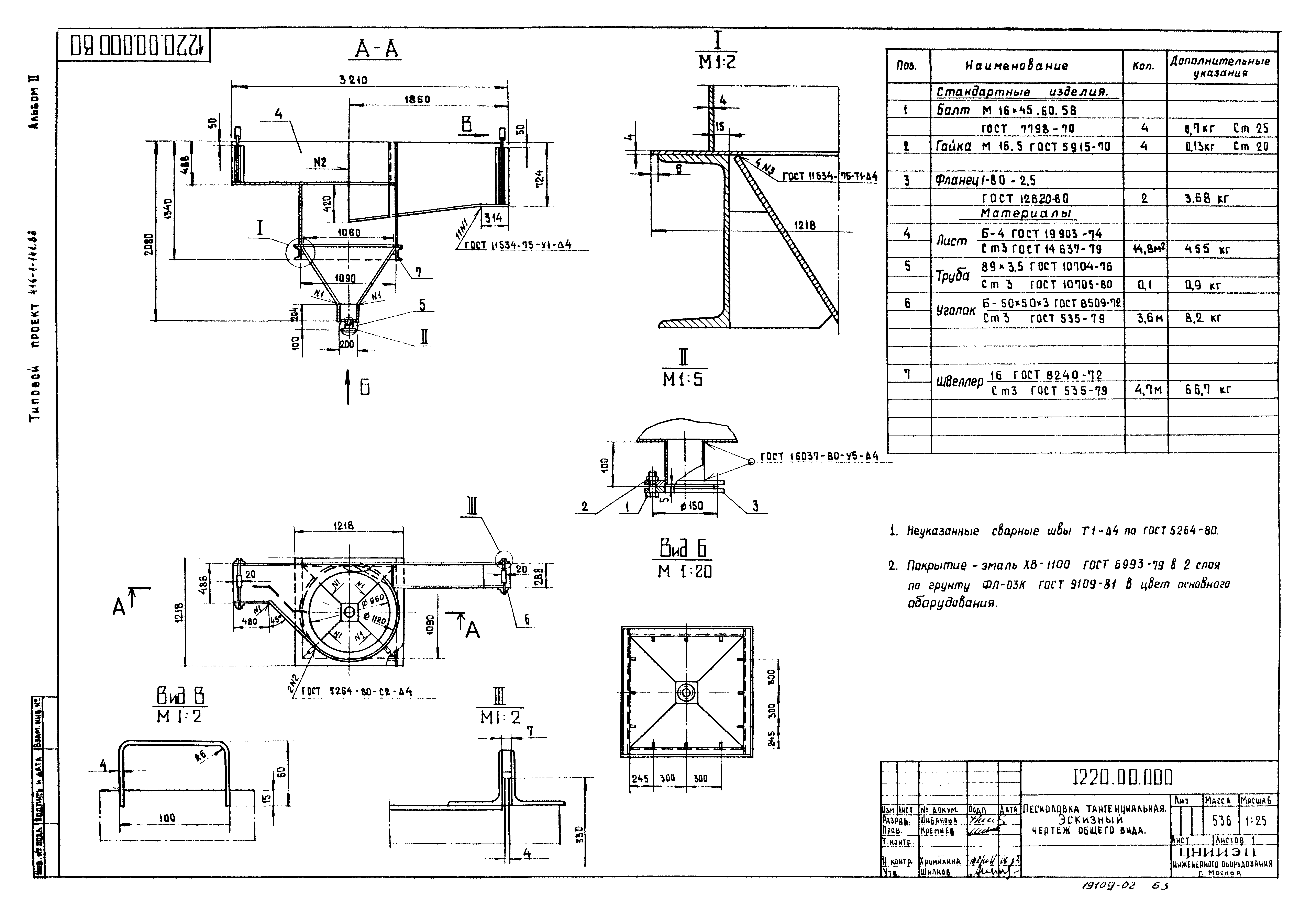
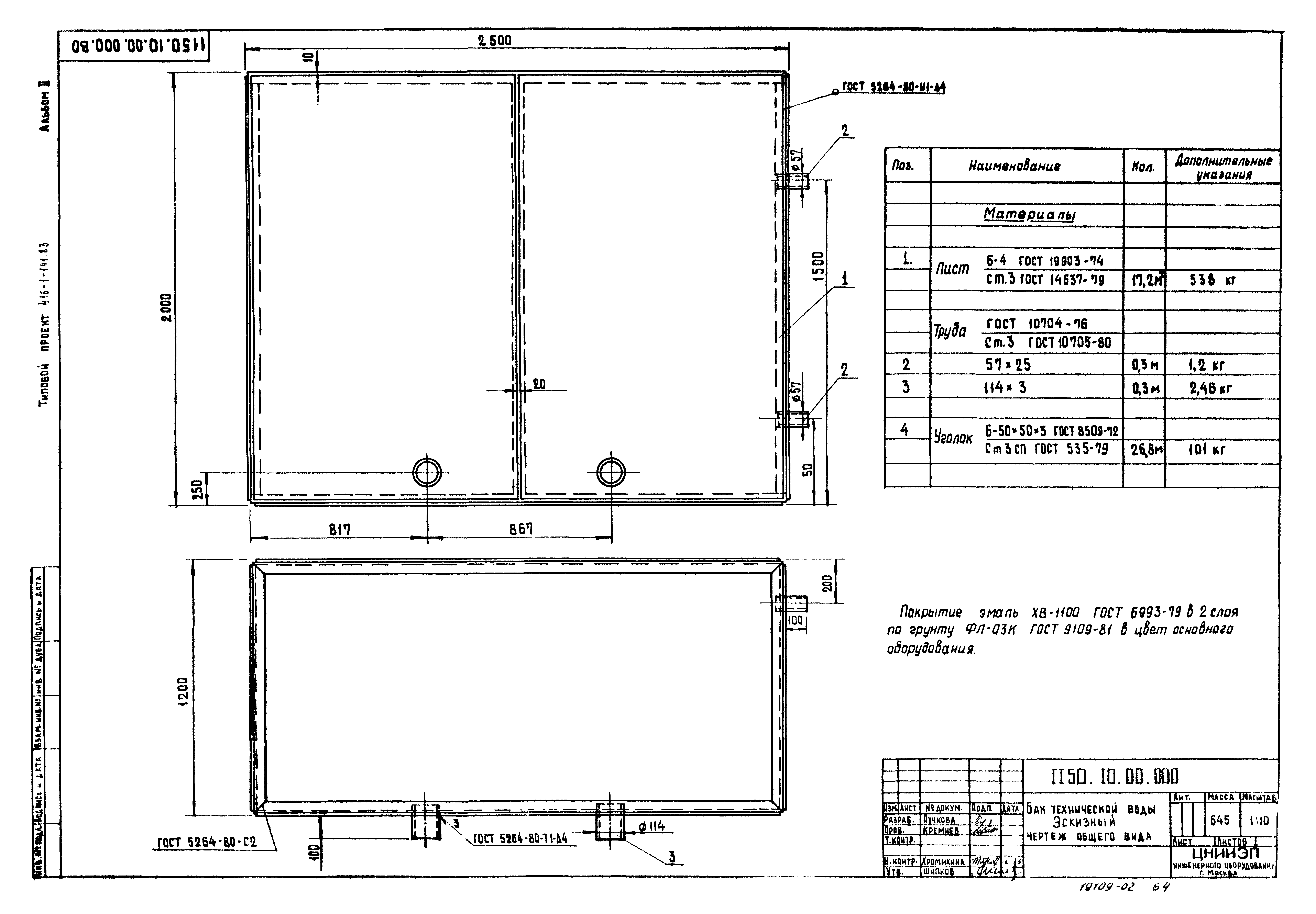
| Оглавление: | Содержание альбома Технологическая часть Общие данные Технологическая схема План на отм. 3.000. Разрез 1-1 План на отм. 6.000. Экспликация помещений Помещение песколовок. Планы на отм. 6.000; 3.000 Помещение песколовок. Разрезы 2-2, 3-3 Помещение песколовок. Схемы трубопроводов В9, П2, И1, П1, М16 Помещение песколовок. Спецификации систем В9, П2, И1, П1, М16 Помещение песколовок. Схема трубопроводов М2, М3, М17. Спецификации систем М2, М3, М17 Электролизная. План на отм. 3.000. План на отм. 6.000 Электролизная. Разрезы 4-4, 5-5 Электролизная. Схемы трубопроводов А0, Х2, Х1. Спецификация систем А0, Х2, Х1 Помещение центрифуг. План на отм. 2.200. План на отм. 6.000 Помещение центрифуг. Разрезы 6-6, 7-7 Помещение центрифуг. Схема трубопроводов В9, И5, И6, М17, П2 Помещение центрифуг. Спецификация систем И5, И6, В9, М17, П2 Мастерская текущего ремонта. Лаборатория. Планы на отм. 3.000; 6.000 Переходная галерея. План на отм. 3.000. Разрез 8-8, 9-9 Переходная галерея. Схема трубопроводов М3, В9, И5, Х1. Спецификация систем М3, В9, И5, Х1 Отопление и вентиляция Общие данные План на отм. 0.000 (обычные грунты). Фрагмент плана на отм. 0.000 (вариант для производительности 2,7; 4,2; 7,0 тыс. куб. м/сутки) План на отм. 3.600 (обычные грунты) План на отм. 0.000 (обычные грунты, вариант с электролизной). Фрагмент плана на отм. 0.000 (вариант для производительности 2,7; 4,2; 7,0 тыс. куб. м/сутки) План на отм. 3.600 (обычные грунты, вариант с электролизной) План на отм. 0.000 (вечномерзлые грунты). Фрагмент плана на отм. 0.000 (вариант для производительности 2,7; 4,2; 7,0 тыс. куб. м/сутки) План на отм. 3.600 (вечномерзлые грунты) План на отм. 0.000 (вечномерзлые грунты, вариант с электролизной). Фрагмент плана на отм. 0.000 (вариант для производительности 2,7; 4,2; 7,0 тыс. куб. м/сутки) План на отм. 3.600 (вечномерзлые грунты, вариант с электролизной) Схема системы отопления (обычные грунты) Схема системы отопления (обычные грунты, вариант с электролизной) Схема системы отопления (вечномерзлые грунты) Схема системы отопления (вечномерзлые грунты, вариант с электролизной) Схемы систем вентиляции П1, П2, В7, ВЕ1 Схемы систем вентиляции В1, В2, В3, В4, В5 Установки систем В1, В2, В3, В4, В5 (вариант обычных грунтов) Установки систем В1, В2, В3, В4, В5 (вариант на вечномерзлых грунтах) Установка систем П2, В7 (обычные и вечномерзлые грунты, вариант с электролизной производительностью 2,7; 4,2; 7,0 тыс. куб. м/сутки) Установка систем П2, В7 (обычные и вечномерзлые грунты, вариант с электролизной производительностью 1,4; 7,0 тыс. куб. м/сутки) Установка системы П1. Схемы системы теплоснабжения установки П1 (вариант на вечномерзлых грунтах) Установка системы П1. Схемы системы теплоснабжения установки П1 (вариант на обычных грунтах) Чертежи общих видов нетиповых конструкций Внутренний водопровод и канализация Общие данные План на отм. 3.000 План на отм. 6.000. Экспликация помещений Схема К1 Схема В1 Спецификация системы В1 План кровли. Схема трубопровода К2 Нестандартизированное оборудование Песколовка тангенциальная. Чертеж общего вида Бак технической воды. Чертеж общего вида Бак фугата. Чертеж общего вида Приемная камера песколовок. Чертеж общего вида Бак с ручной решеткой для бытовых стоков. Чертеж общего вида |
| Разработан: | ЦНИИЭП |
| Утверждён: | 14.02.1983 Госгражданстрой (Gosgrazhdanstroy 49) |

































































