Скачать Типовой проект 902-5-19.86 Альбом II. Электротехнические решения, автоматизация, технологический контрольДата актуализации: 01.01.2021
|
| Обозначение: | Типовой проект 902-5-19.86 |
| Обозначение англ: | 902-5-19.86 |
| Статус: | не определен законодательством |
| Название рус.: | Альбом II. Электротехнические решения, автоматизация, технологический контроль |
| Дата добавления в базу: | 01.10.2014 |
| Дата актуализации: | 01.01.2021 |
| Дата введения: | 12.03.1986 |
| Дата окончания срока действия: | 30.06.2003 |
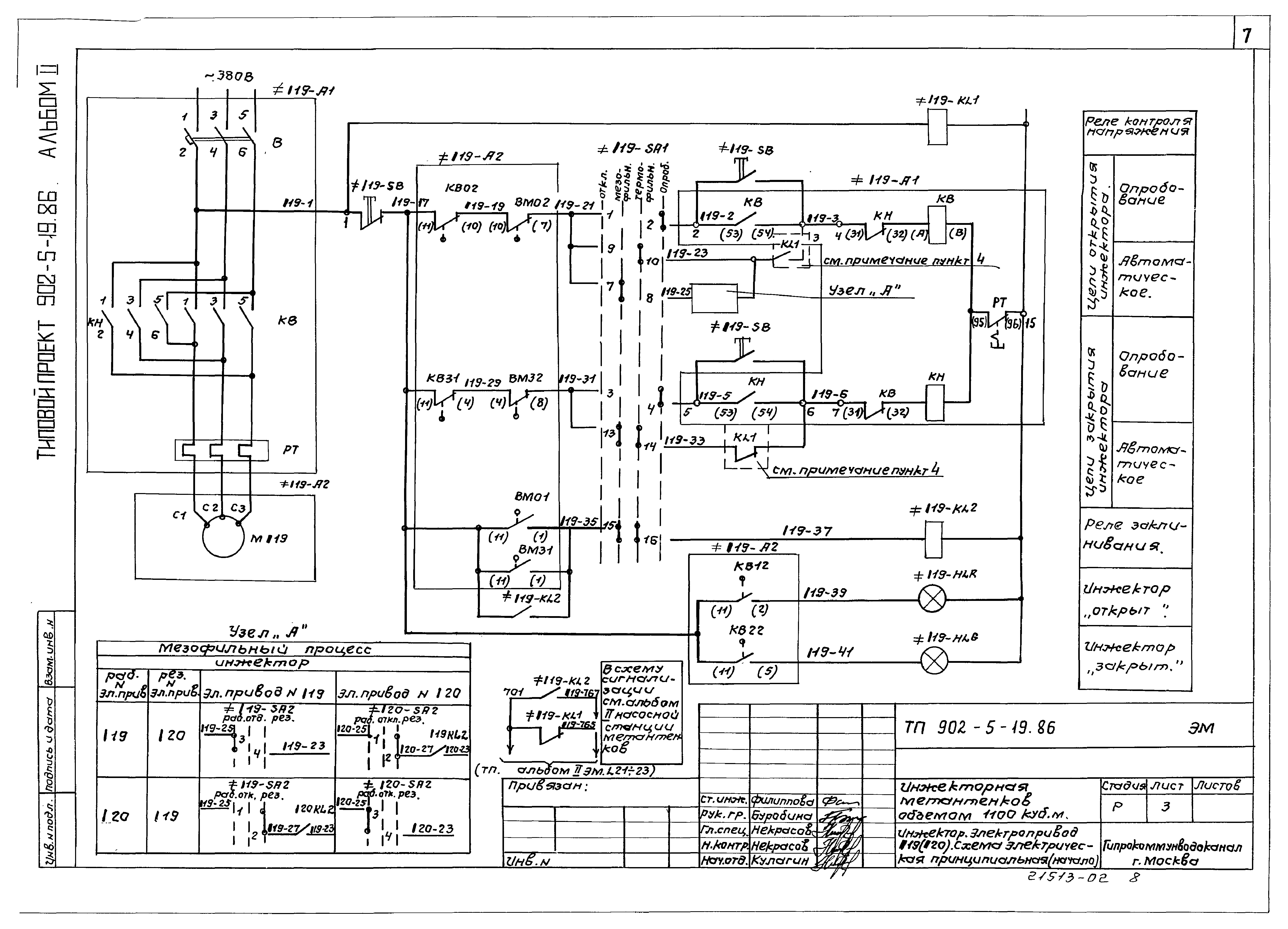
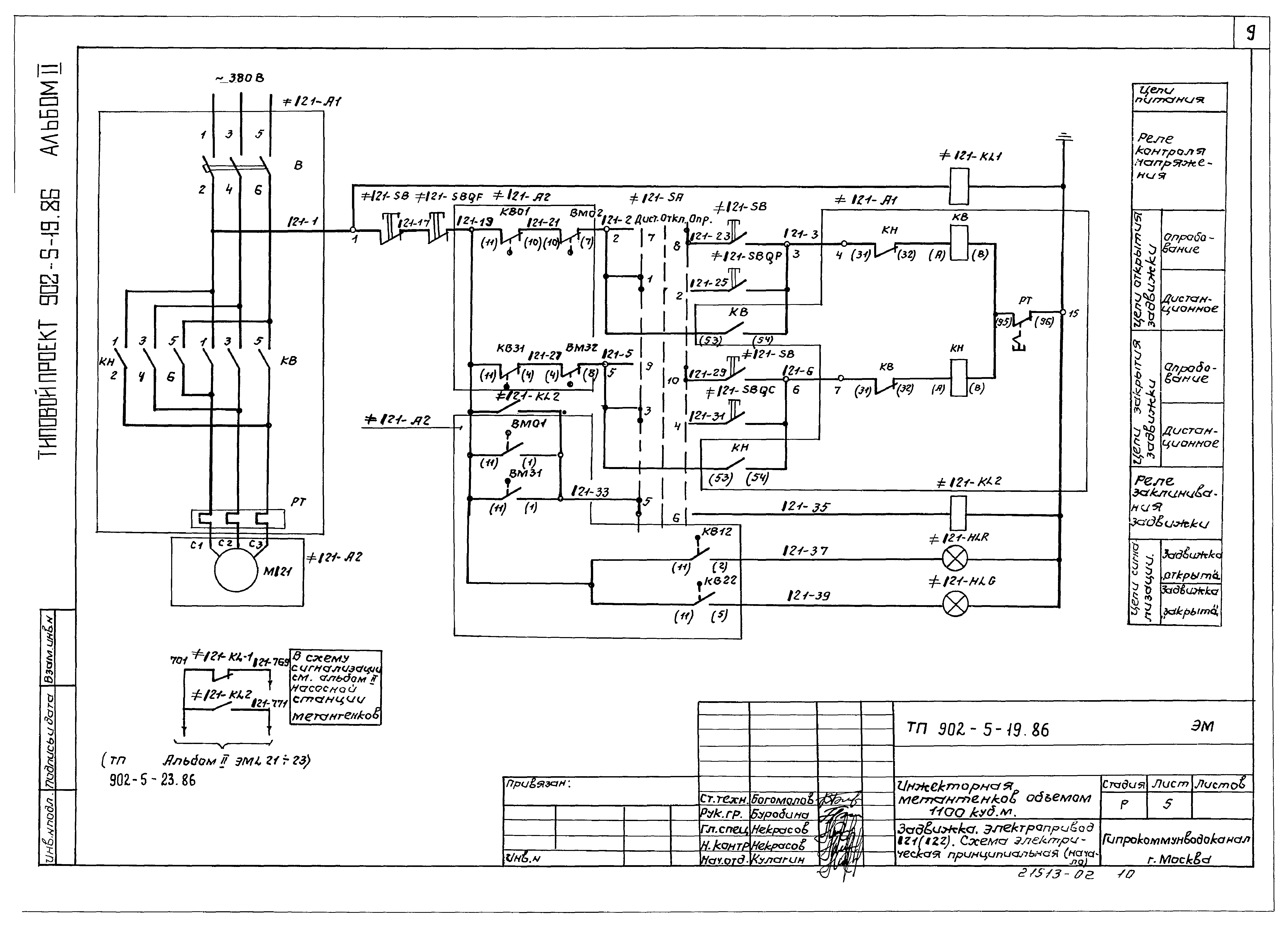
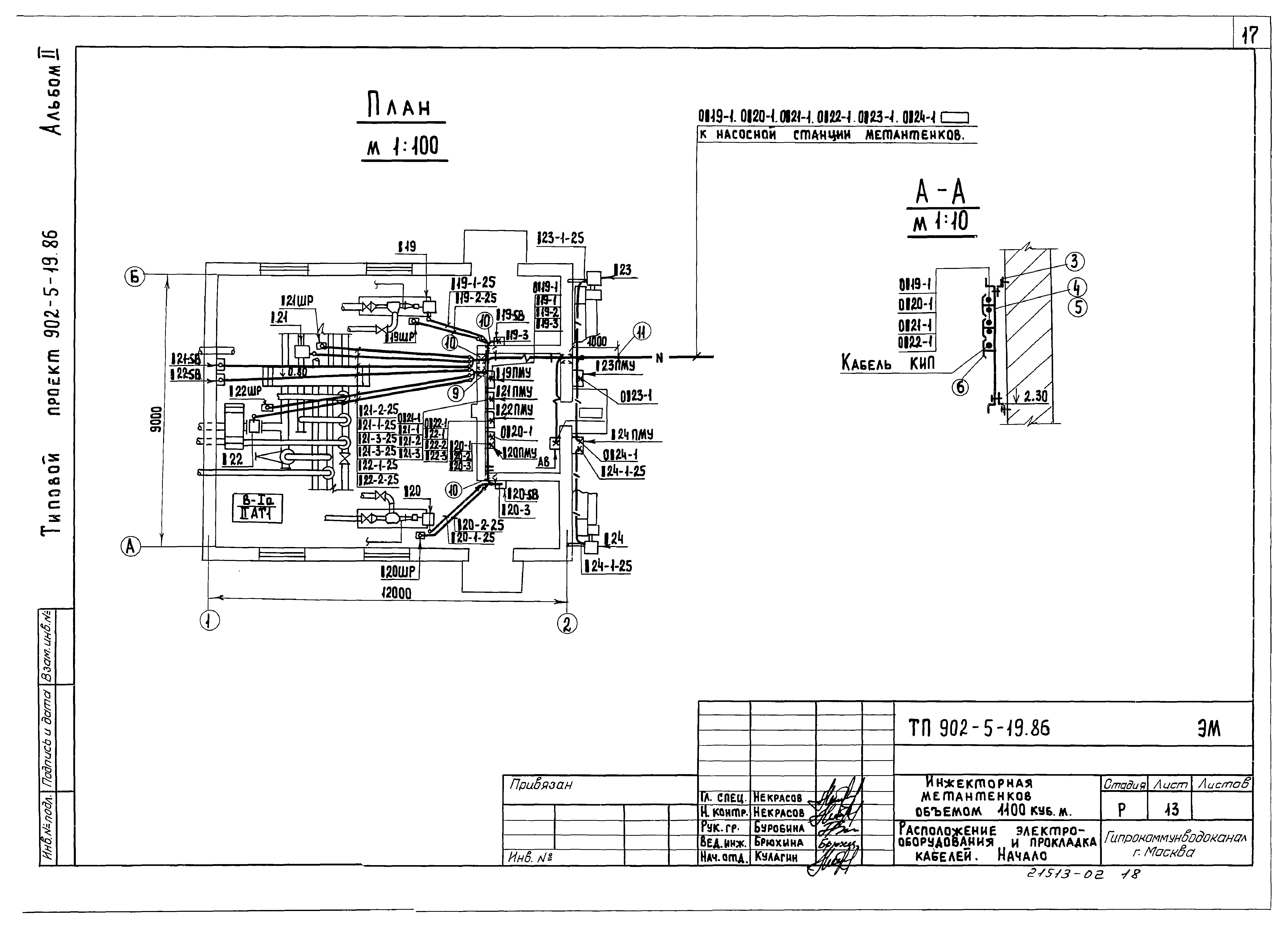
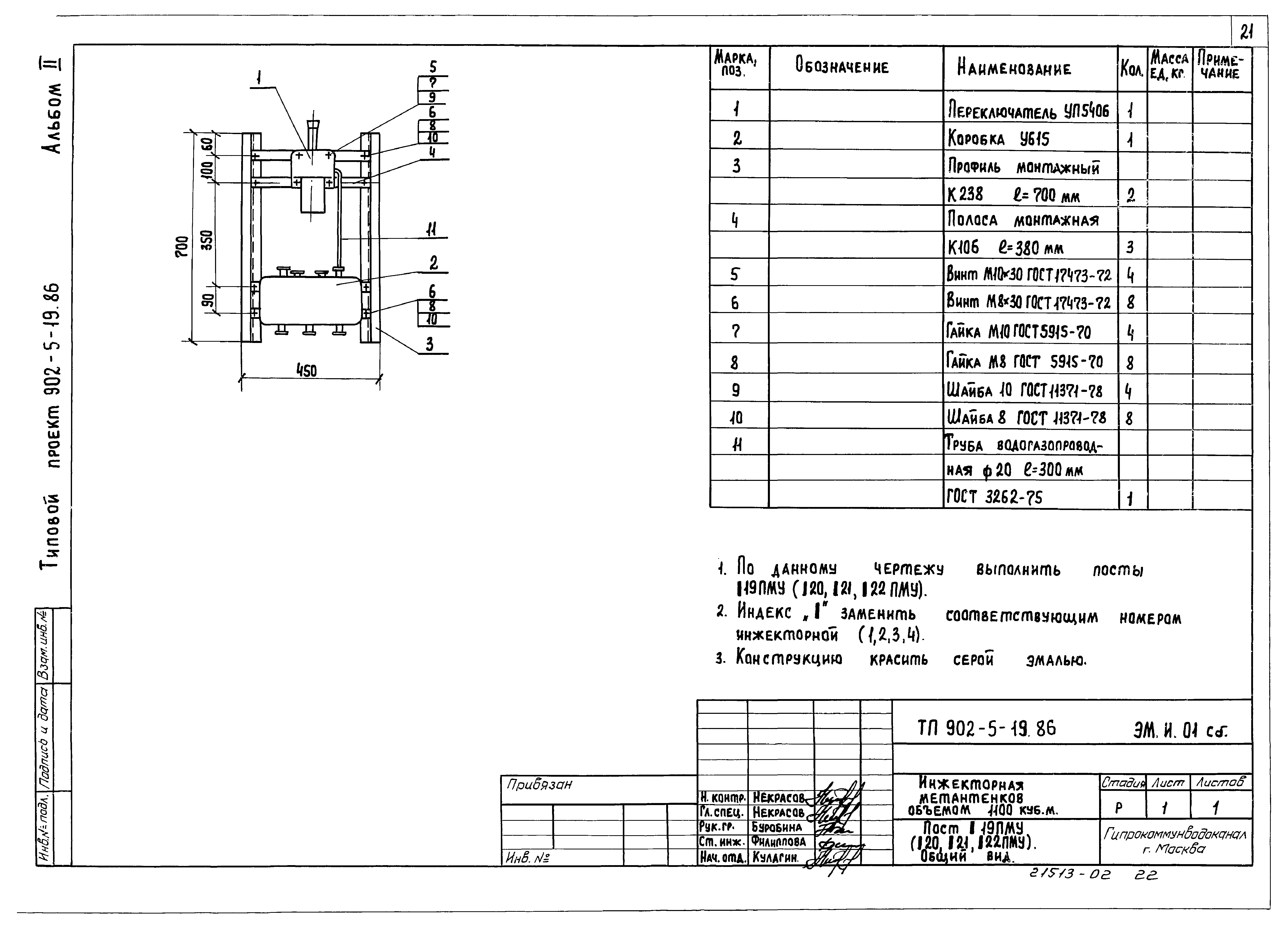
| Оглавление: | Содержание альбома Пояснительная записка Основной комплект чертежей марки ЭМ Общие данные Инжектор. Электропривод 19 (20). Схема электрическая принципиальная Задвижка. Электропривод 21 (22). Схема электрическая принципиальная Вентилятор. Электропривод 23 (24). Схема электрическая принципиальная Схема электрических подключений отдельно стоящего оборудования Кабельный журнал. Сводка кабелей и приводов Расположение электрооборудования и прокладка кабелей Прокладка магистралей зануления Электроосвещение. План Прилагаемые документы основного комплекта марки ЭМ Пост 19ПМУ (20, 21, 22ПМУ). Общий вид Пост 19ПМУ (20ПМУ). Схема соединений Пост 21ПМУ (22ПМУ). Схема соединений Пост 23ПМУ (24ПМУ). Общий вид Пост 23ПМУ (24ПМУ). Схема соединений Ведомость объемов электромонтажных и строительных работ; ведомость конструкций и деталей, подлежащих изготовлению в МЭЗ; ведомость изделий и материалов для изготовления конструкций и деталей в МЭЗ Основной комплект чертежей марки АВК Общие данные Схема функциональная Схема внешних электрических и трубных проводок План расположения средств автоматизации проводок |
| Разработан: | Гипрокоммунводоканал Минжилкомхоза РСФСР |
| Утверждён: | 04.03.1986 МЖКХ РСФСР (111) |






























