Скачать Типовой проект 903-1-198 Альбом 4.4. Водоподготовительная установка. Вспомогательное оборудование (вариант установки котлов КВ-ГМ-100 и ДЕ-25-14ГМ)Дата актуализации: 01.01.2021
|
| Обозначение: | Типовой проект 903-1-198 |
| Обозначение англ: | 903-1-198 |
| Статус: | действует |
| Название рус.: | Альбом 4.4. Водоподготовительная установка. Вспомогательное оборудование (вариант установки котлов КВ-ГМ-100 и ДЕ-25-14ГМ) |
| Дата добавления в базу: | 01.10.2014 |
| Дата актуализации: | 01.01.2021 |
| Дата введения: | 01.01.1983 |
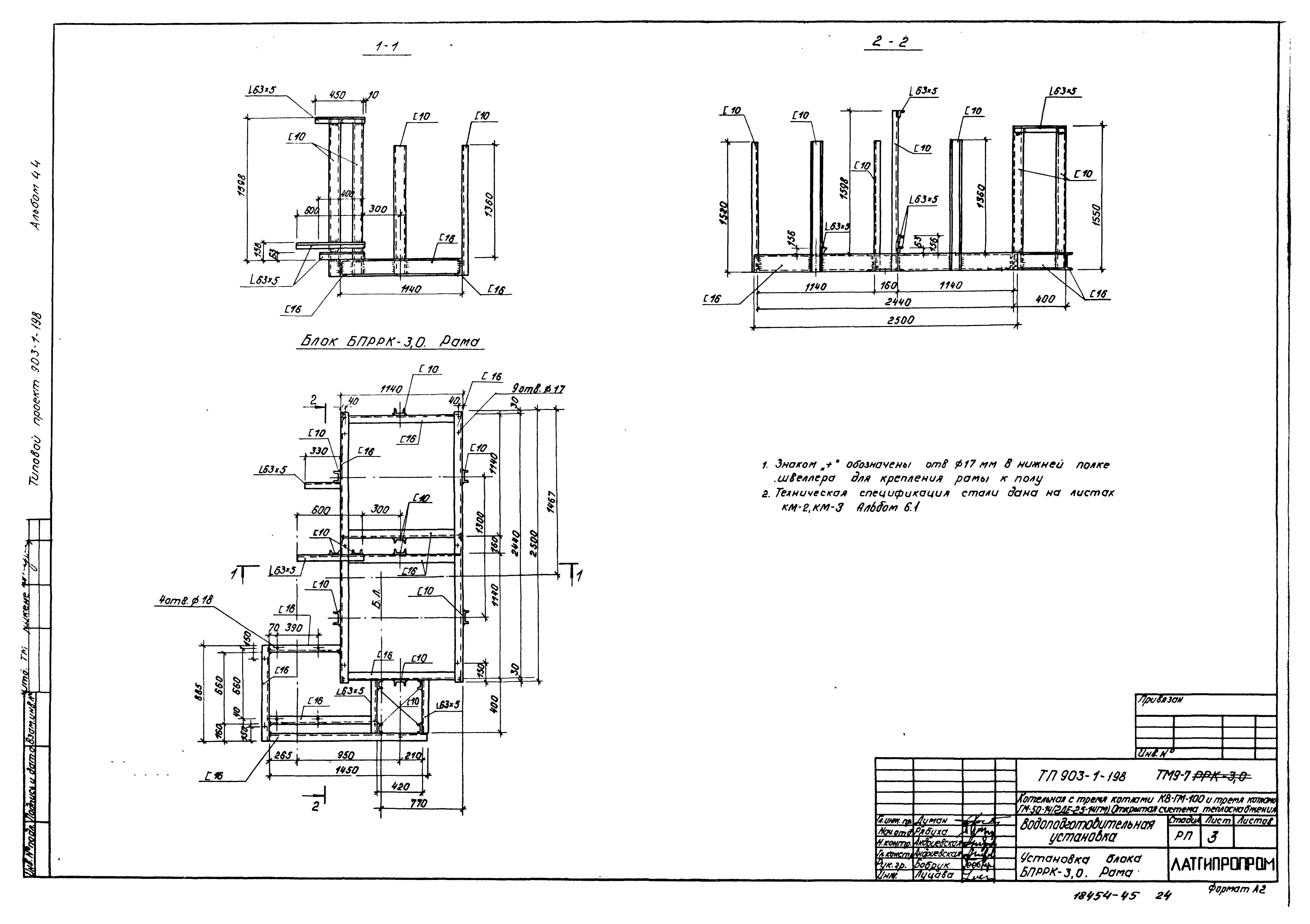
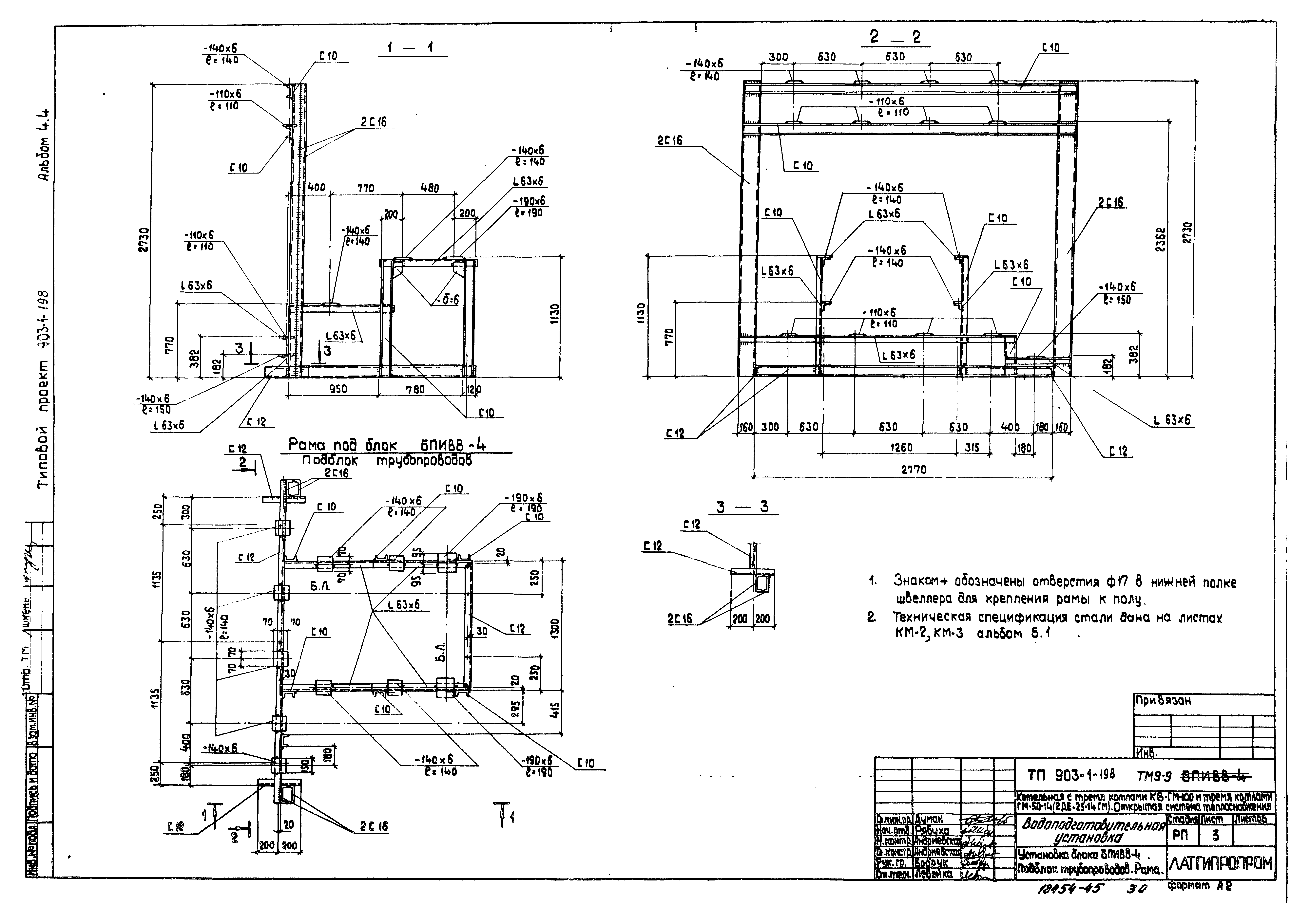
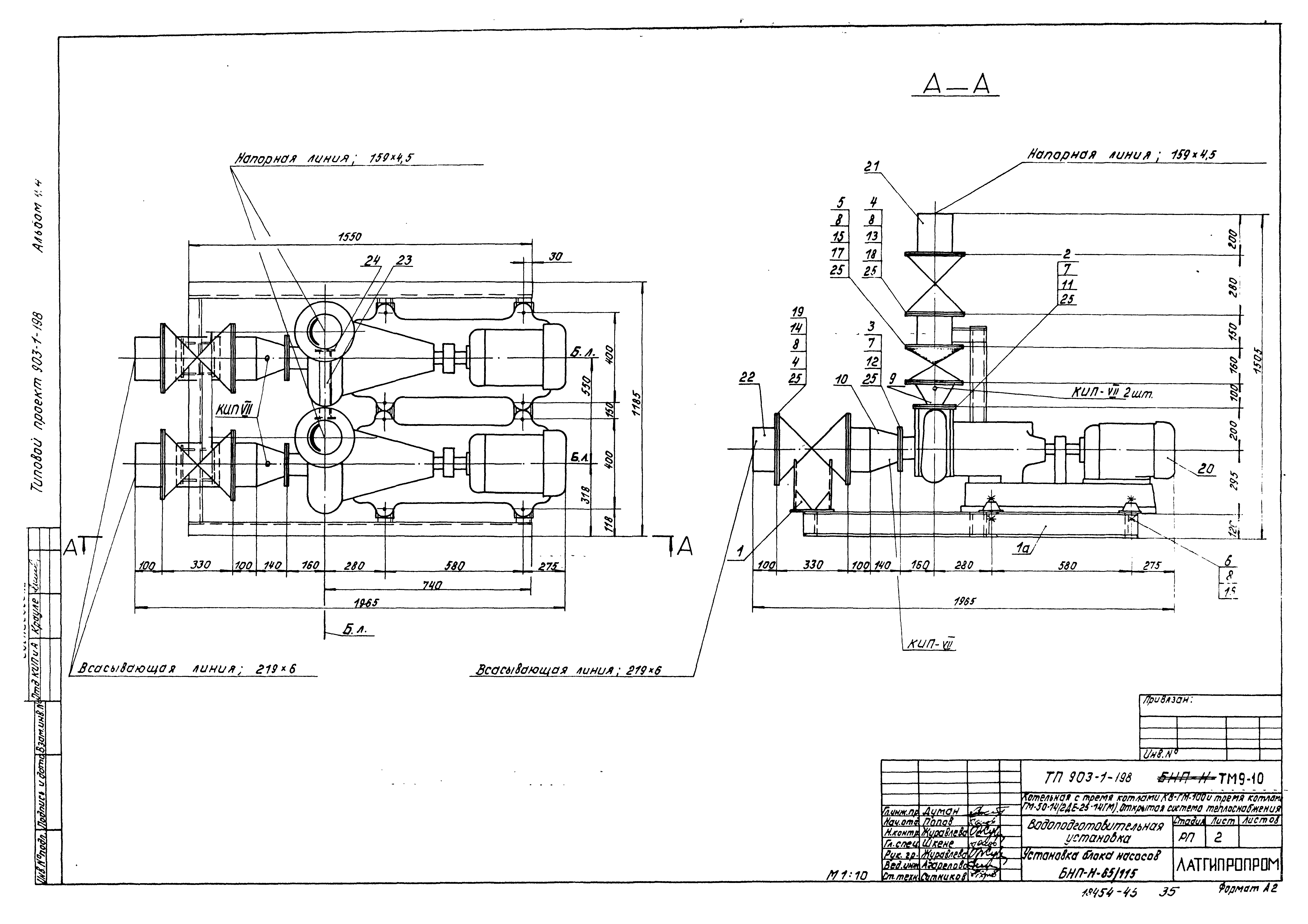
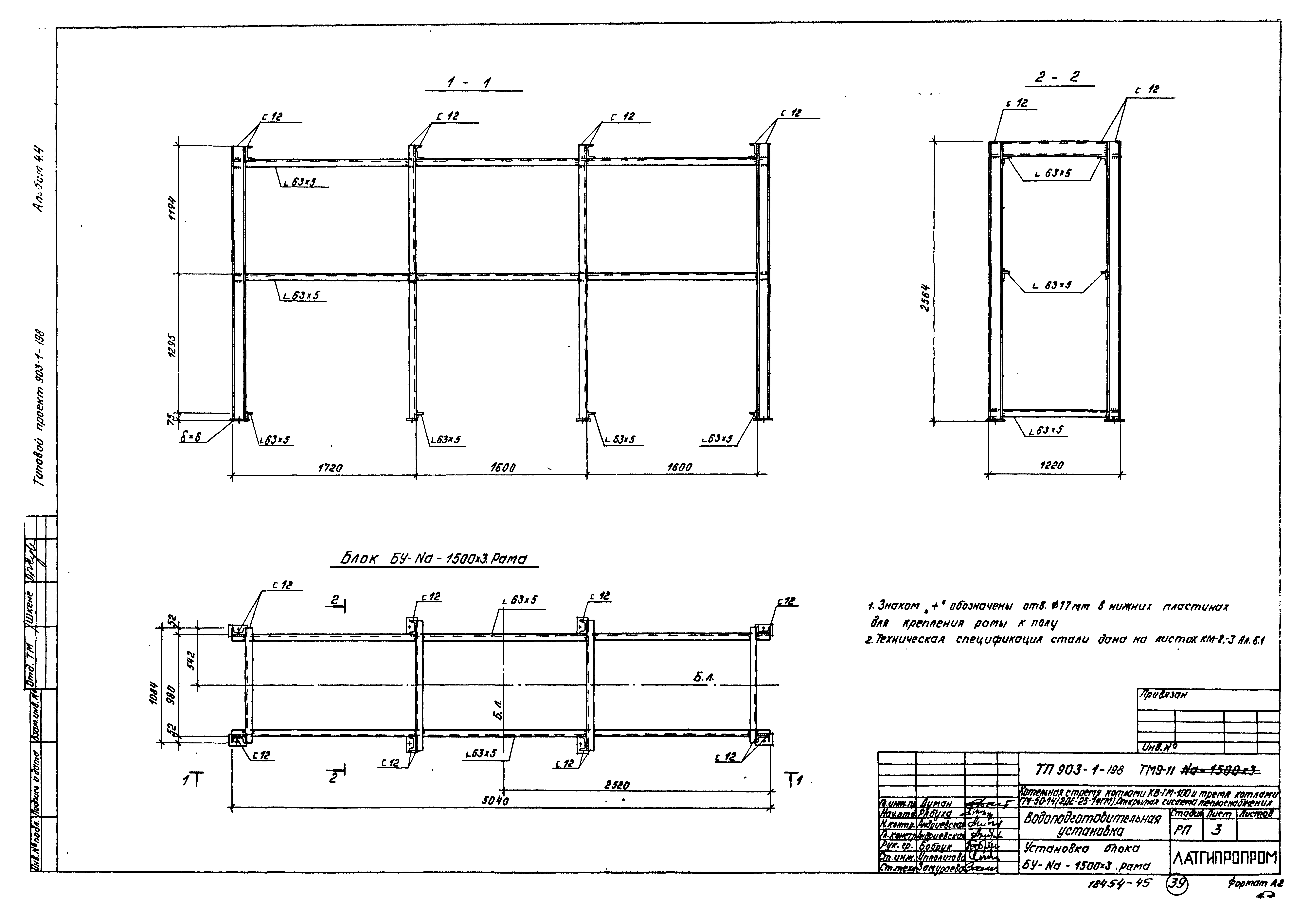
| Оглавление: | Содержание альбома Установка блока насосов БНХВ-30/60 Установка блока насосов БНХВ-30/60. Рама Установка блока БПРРС-1500 Установка блока БПРРС-1500. Рама Установка блока БУ-Нб-3000х2 Установка блока БУ-Нб-3000х2. Рама Установка блока БУ-Н-3000х3 Установка блока БУ-Н-3000х3. Рама Установка блока БПРЩ-1 Установка блока БПРЩ-1. Рама Установка блока БХЩ-1. Рама Установка блока БХЩ-1 Установка блока БПРРК-3,0 Установка блока БПРРК-3,0. Рама Установка блока насосов БНРВ-2/5,5 Установка блока насосов БНРВ-2/5,5. Рама Установка блока БПИВВ-4 Установка блока БПИВВ-4. Подблок трубопроводов Установка блока БПИВВ-4. Подблок трубопроводов. Рама Установка блока БПИВВ-4. Подблок подогревателей Установка блока БПИВВ-4. Подблок подогревателей. Рама Установка блока насосов БНП-Н-65/115 Установка блока насосов БНП-Н-65/115. Рама Установка блока БУ-Na-1500х3 Установка блока БУ-Na-1500х3. Рама |
| Разработан: | Латгипропром |
| Утверждён: | 14.05.1982 Латгипропром (101А) |







































