Скачать Типовой проект 801-2-60.85 Альбом III. Сметы и ведомости потребности в материалахДата актуализации: 01.01.2021
|
| Обозначение: | Типовой проект 801-2-60.85 |
| Обозначение англ: | 801-2-60.85 |
| Статус: | действует |
| Название рус.: | Альбом III. Сметы и ведомости потребности в материалах |
| Дата добавления в базу: | 01.10.2014 |
| Дата актуализации: | 01.01.2021 |
| Дата введения: | 04.04.1985 |
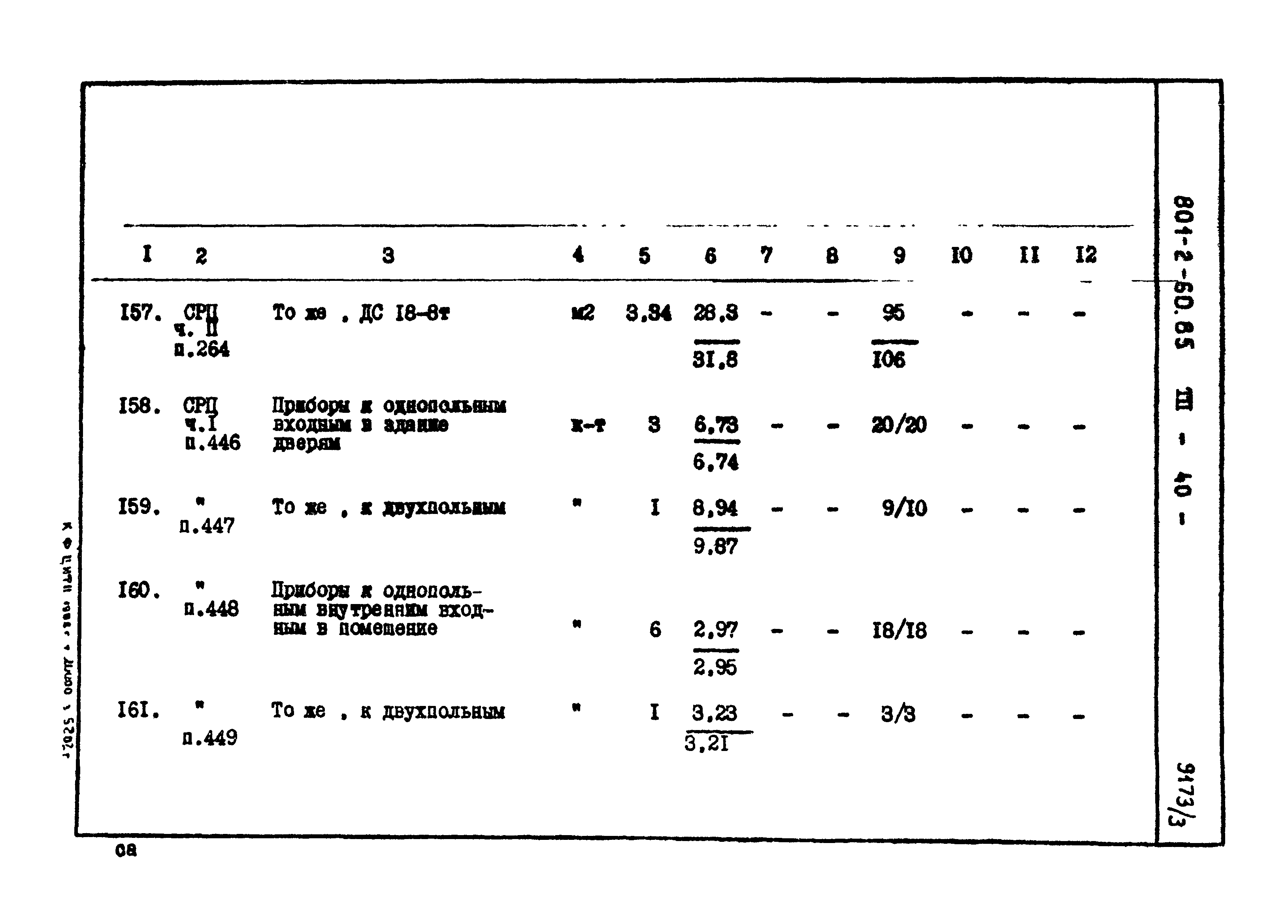
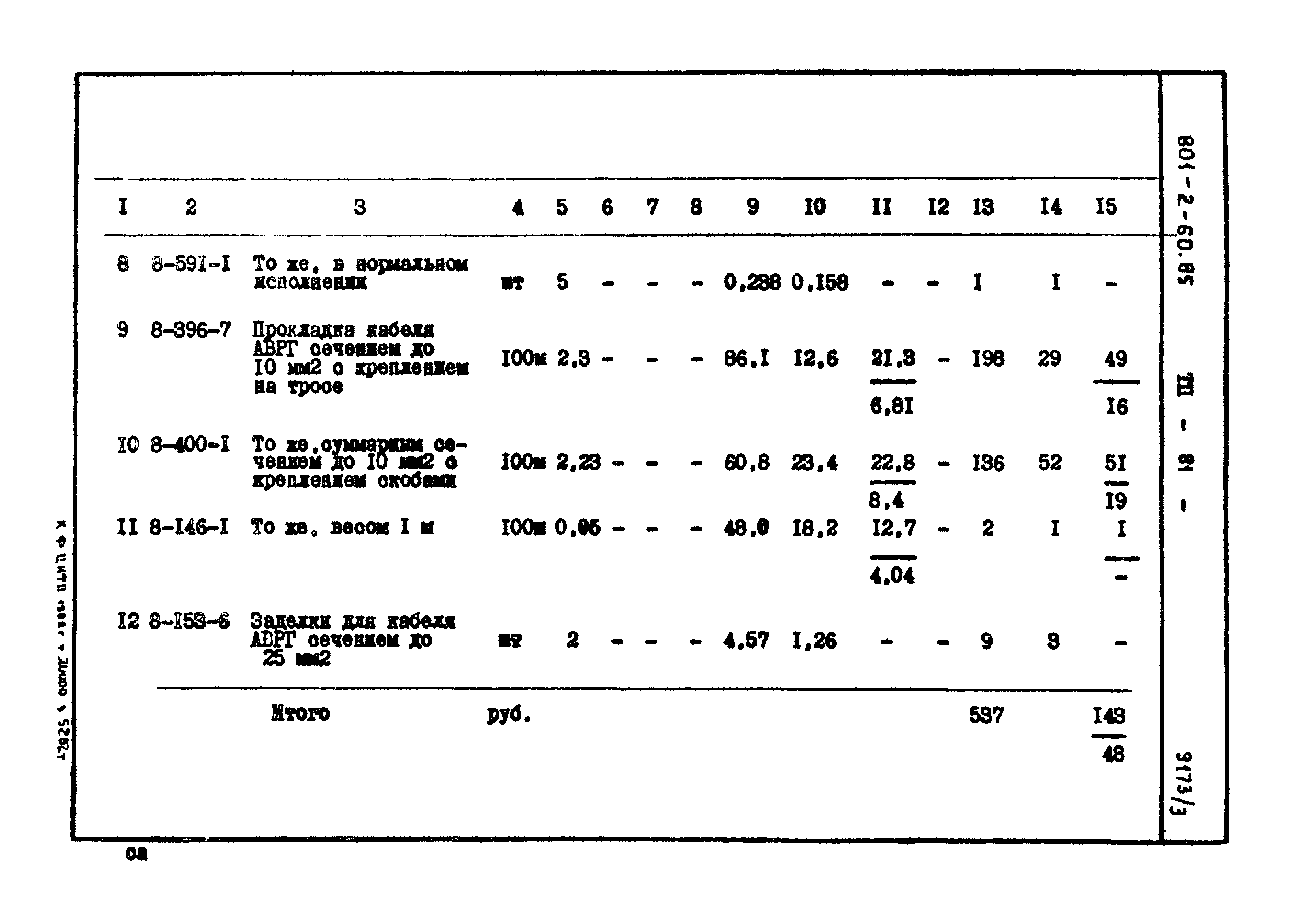
| Оглавление: | Пояснительная записка Объектная смета №1. Коровник на 200 коров привязного содержания с утилизацией тепла (рамный каркас) Локальная смета №1-1. Общестроительные работы Сводка объемов и стоимости работ к смете №1-1 Локальная смета №1-2. Холодный водопровод Локальная смета №1-3. Горячее водоснабжение Локальная смета №1-4. Водопровод смешанной воды Локальная смета №1-5. Вентиляция Локальная смета №1-6. Канализация Локальная смета №1-7. Электроосвещение Локальная смета №1-8. Силовое электрооборудование Локальная смета №1-9. Технологическое оборудование Локальная смета №1-10. Автоматика Локальная смета №1-2а. Холодный водопровод (вариант из стальных труб) Локальная смета №1-4а. Трубопровод смешанной воды (вариант с полиэтиленовыми трубами) Ведомость потребности в производственных ресурсах Ведомости потребности в материалах |
| Разработан: | Укрниигипросельхоз |
| Утверждён: | 20.03.1985 МСХ УССР (21-Э) |






































































































































