Скачать Типовой проект А-IV-600-476.90 Альбом 4. Строительные изделияДата актуализации: 01.01.2021
|
| Обозначение: | Типовой проект А-IV-600-476.90 |
| Обозначение англ: | А-IV-600-476.90 |
| Статус: | не определен законодательством |
| Название рус.: | Альбом 4. Строительные изделия |
| Дата добавления в базу: | 01.10.2014 |
| Дата актуализации: | 01.01.2021 |
| Дата введения: | 24.08.1990 |
| Дата окончания срока действия: | 30.06.2003 |
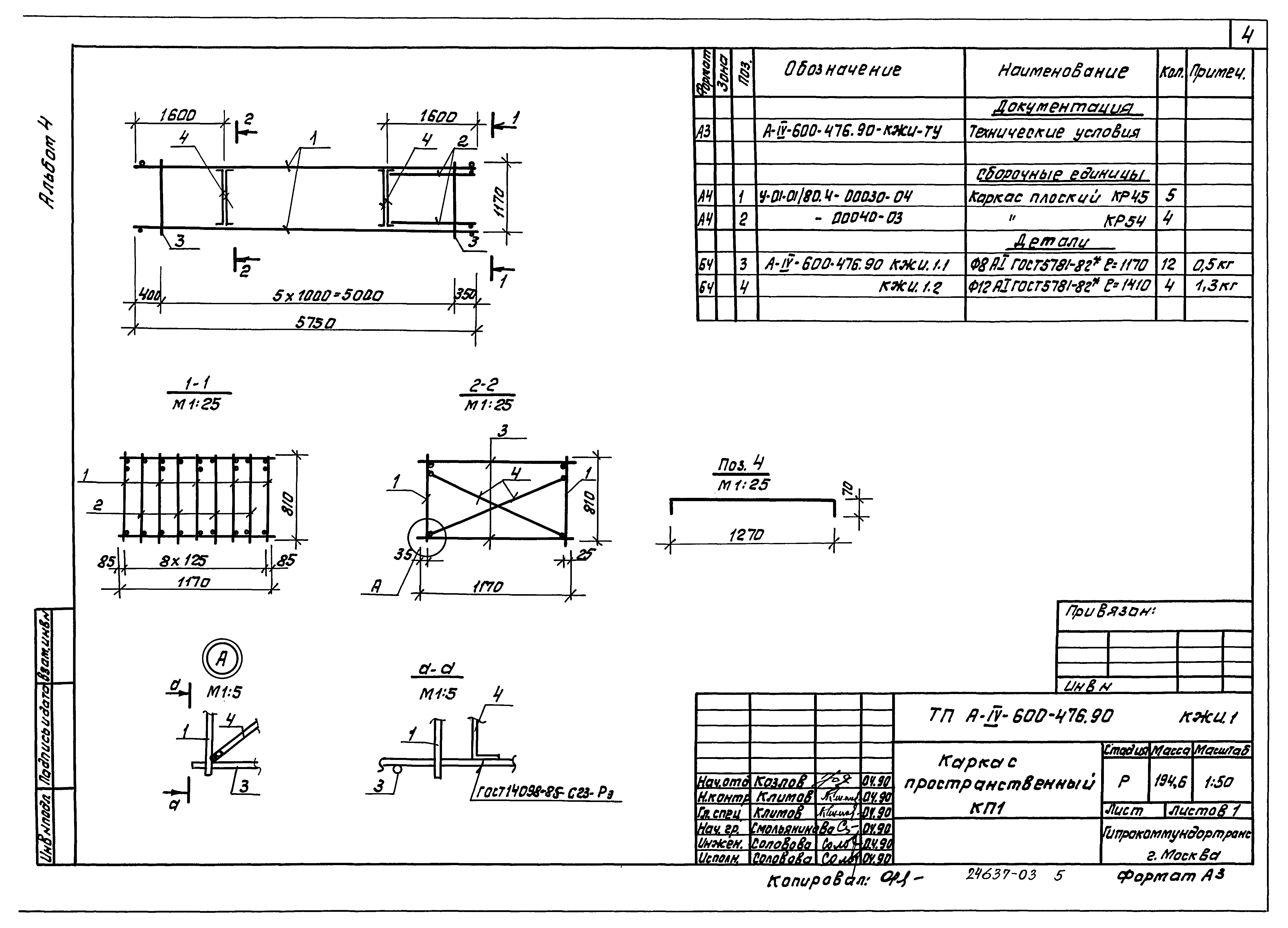
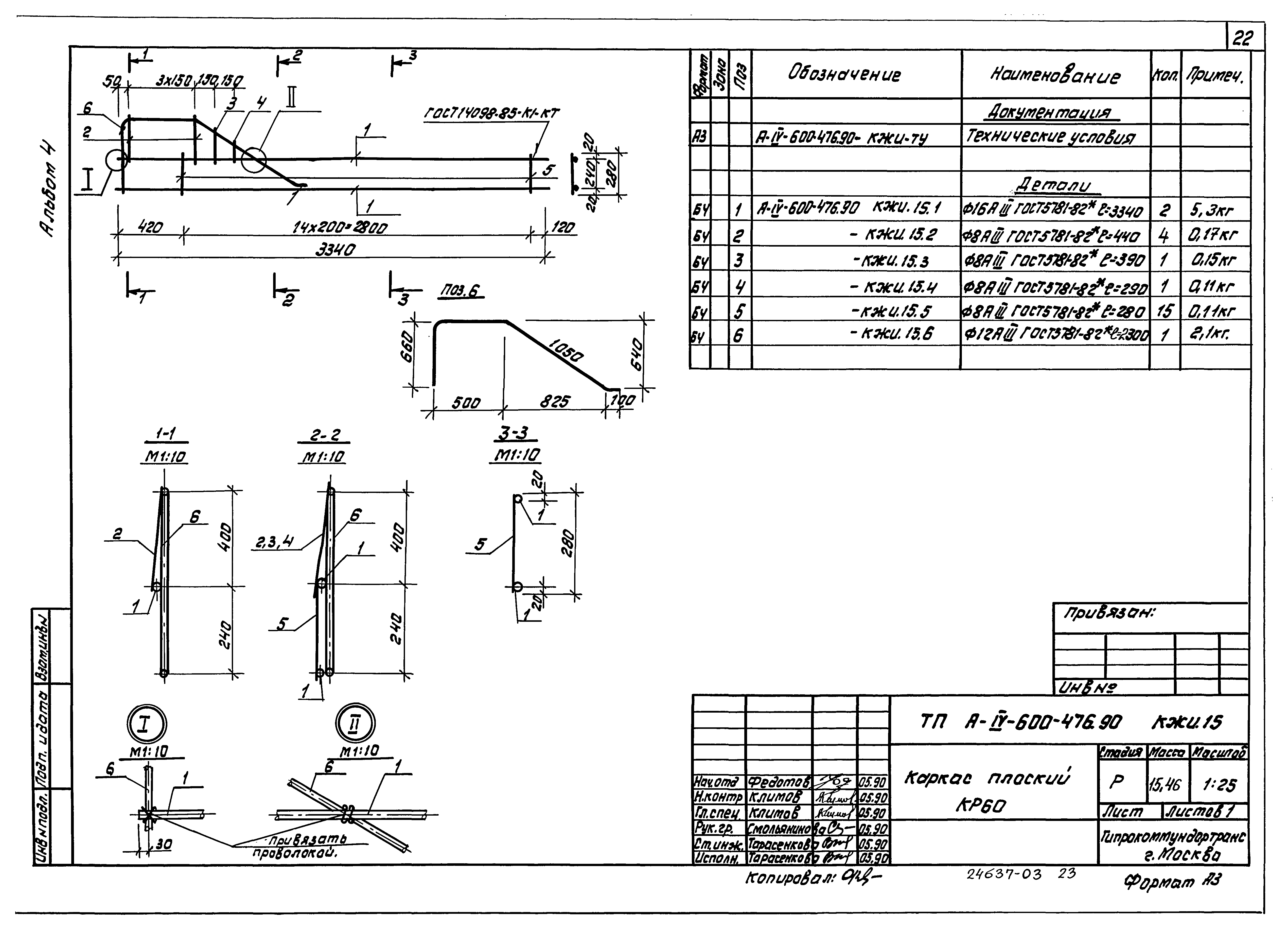
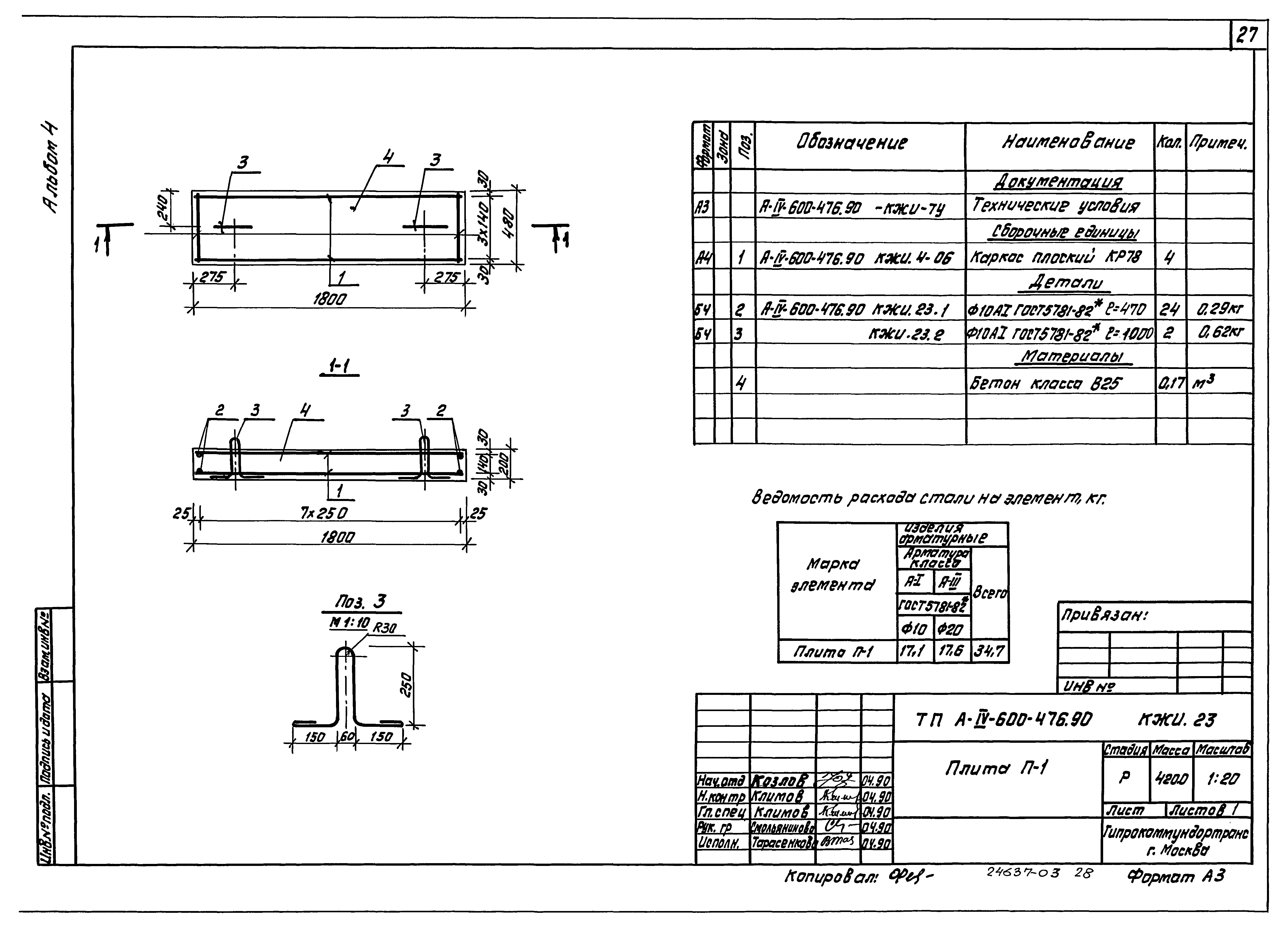
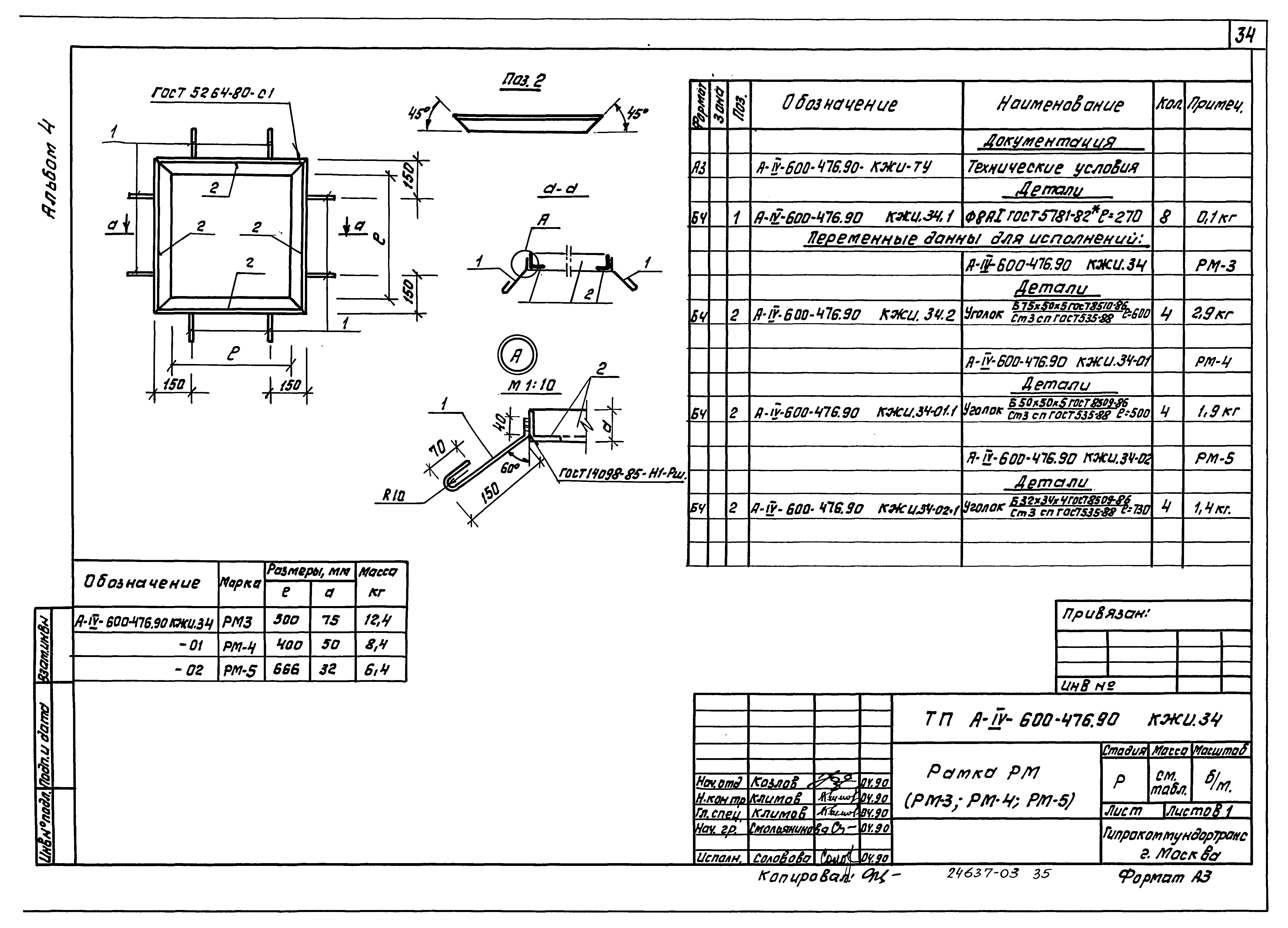
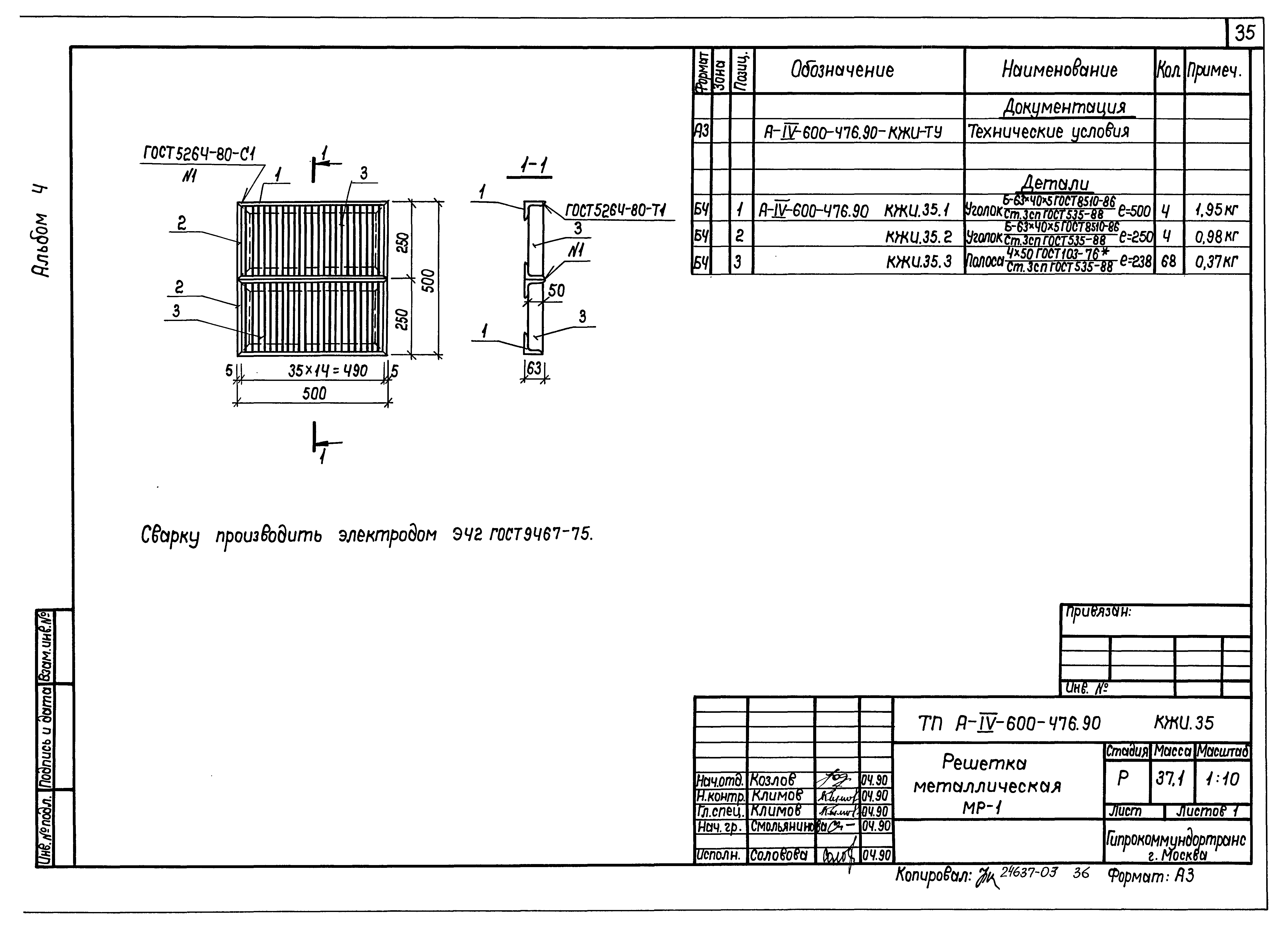
| Оглавление: | А-IV-600-476.90-КЖИ-ТУ Технические условия А-IV-600-476.90-КЖИ.1 Каркас пространственный КП1 А-IV-600-476.90-КЖИ.2 Каркас пространственный КП2 А-IV-600-476.90-КЖИ.3 Каркас пространственный КП3 А-IV-600-476.90-КЖИ.4 Каркас плоский КР(КР1 - КР3; КР26, КР27; КР31; КР78) А-IV-600-476.90-КЖИ.5 Каркас плоский КР(КР4 - КР7, КР11 - КР14, КР17, КР19, КР44, КР46, КР47, КР51, КР54 - КР56, КР61, КР66, КР69, КР71, КР72, КР62) А-IV-600-476.90-КЖИ.5СБ Каркас плоский КР(КР4 - КР7, КР11 - КР14, КР17, КР19, КР44, КР46, КР47, КР51, КР54 - КР56, КР61, КР66, КР69, КР71, КР72, КР62). Сборочный чертеж А-IV-600-476.90-КЖИ.6 Каркас плоский КР(КР8, КР9, КР10) А-IV-600-476.90-КЖИ.7 Каркас плоский КР(КР15, КР20, КР33, КР73) А-IV-600-476.90-КЖИ.8 Каркас плоский КР(КР18, КР23, КР25, КР28 - КР30, КР38 - КР41, КР82, КР50, КР53, КР57, КР58, КР70, КР74) А-IV-600-476.90-КЖИ.9 Каркас плоский КР(КР16, КР24, КР37, КР81, КР52, КР64, КР65, КР75) А-IV-600-476.90-КЖИ.10 Каркас плоский КР(КР21, КР22, КР48, КР76, КР77) А-IV-600-476.90-КЖИ.11 Каркас плоский КР(КР35, КР36) А-IV-600-476.90-КЖИ.12 Каркас плоский КР(КР34, КР42, КР43, КР45, КР49, КР67) А-IV-600-476.90-КЖИ.12СБ Каркас плоский КР(КР34, КР42, КР43, КР45, КР49, КР67). Сборочный чертеж А-IV-600-476.90-КЖИ.13 Каркас плоский КР63 А-IV-600-476.90-КЖИ.14 Каркас плоский КР68 А-IV-600-476.90-КЖИ.15 Каркас плоский КР60 А-IV-600-476.90-КЖИ.16 Каркас плоский КР79 А-IV-600-476.90-КЖИ.17 Каркас плоский КР80 А-IV-600-476.90-КЖИ.18 Каркас плоский КР32 А-IV-600-476.90-КЖИ.19 Каркас плоский КР59 А-IV-600-476.90-КЖИ.20 Сетка С(С1, С2, С3) А-IV-600-476.90-КЖИ.21 Сетка С4 А-IV-600-476.90-КЖИ.22 Сетка С5 А-IV-600-476.90-КЖИ.23 Плита П-1 А-IV-600-476.90-КЖИ.24 Изделие закладное МН(МН1, МН2) А-IV-600-476.90-КЖИ.25 Изделие закладное МН(МН3, МН4) А-IV-600-476.90-КЖИ.26 Изделие закладное МН(МН7 - МН9, МН18 А-IV-600-476.90-КЖИ.27 Изделие закладное МН5 А-IV-600-476.90-КЖИ.28 Изделие закладное МН(МН10, МН17) А-IV-600-476.90-КЖИ.29 Изделие закладное МН6 А-IV-600-476.90-КЖИ.30 Изделие закладное МН11 А-IV-600-476.90-КЖИ.31 Изделие закладное МН12 А-IV-600-476.90-КЖИ.32 Изделие закладное МН(МН13 - МН16) А-IV-600-476.90-КЖИ.33 Рамка РМ(РМ1, РМ2) А-IV-600-476.90-КЖИ.34 Рамка РМ(РМ3, РМ4, РМ5) А-IV-600-476.90-КЖИ.35 Решетка металлическая МР-1 А-IV-600-476.90-КЖИ.36 Петля для двери А-IV-600-476.90-КЖИ.37 Анкер А-IV-600-476.90-КЖИ.38 Крышка металлическая КМ1 А-IV-600-476.90-КЖИ.39 Крышка металлическая КМ2 А-IV-600-476.90-КЖИ.40 Пластина А-IV-600-476.90-КЖИ.41 Стержень А-IV-600-476.90-КЖИ.42 Шайба А-IV-600-476.90-КЖИ.43 Шайба косая А-IV-600-476.90-КЖИ.44 Изделие закладное МН19 |
| Разработан: | Гипрокоммундортранс |
| Утверждён: | 17.08.1990 НГО СССР (62) |








































