Скачать Типовой проект 211-1-457.88 Альбом 5. Ведомости потребности в материалахДата актуализации: 01.01.2021
|
| Обозначение: | Типовой проект 211-1-457.88 |
| Обозначение англ: | 211-1-457.88 |
| Статус: | не определен законодательством |
| Название рус.: | Альбом 5. Ведомости потребности в материалах |
| Дата добавления в базу: | 01.10.2014 |
| Дата актуализации: | 01.01.2021 |
| Дата введения: | 27.02.1986 |
| Дата окончания срока действия: | 30.06.2003 |
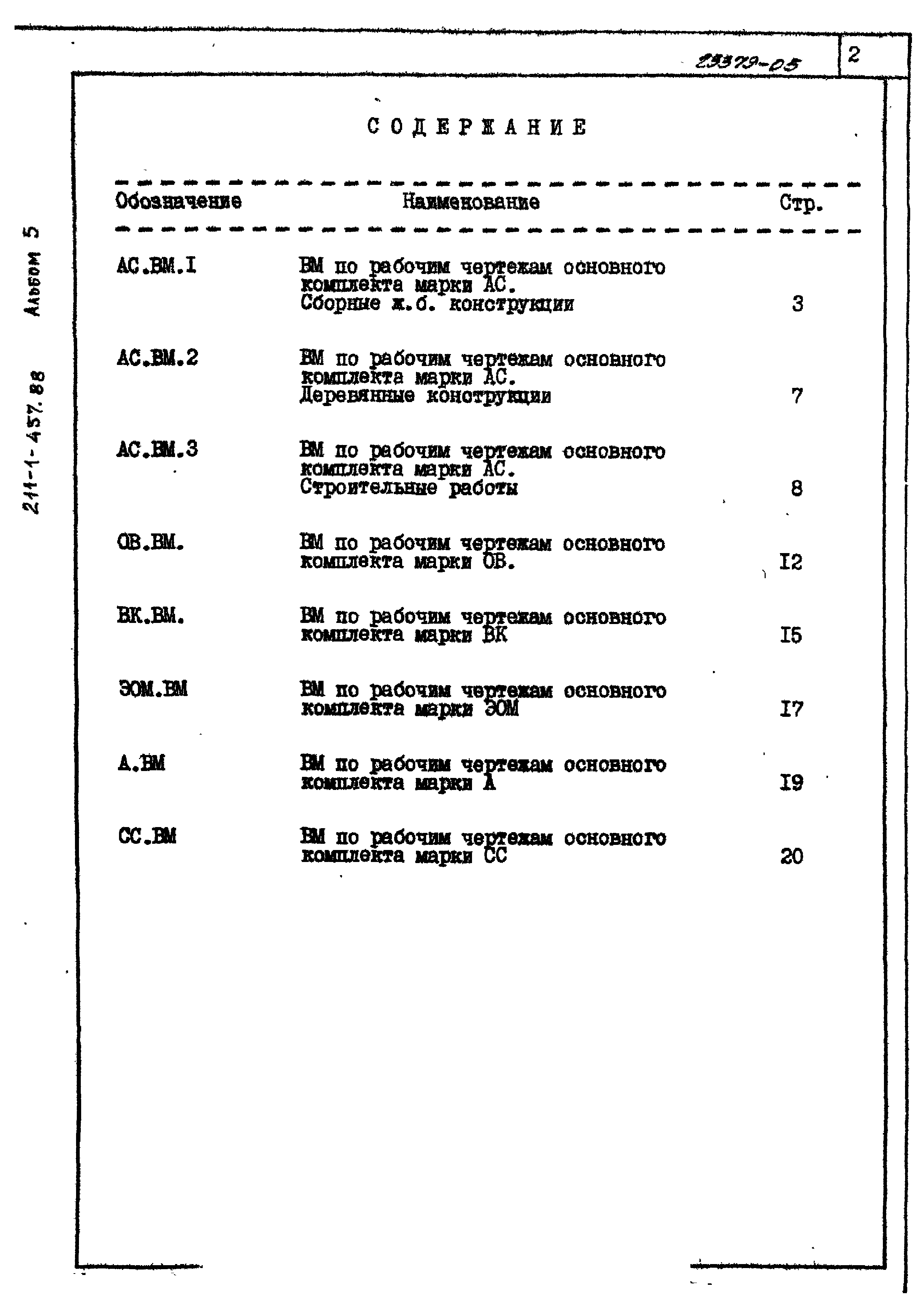
| Оглавление: | АС.ВМ Ведомости потребности в материалах по рабочим чертежам основного комплекта марки АС ОВ.ВМ Ведомости потребности в материалах по рабочим чертежам основного комплекта марки ОВ ВК.ВМ Ведомости потребности в материалах по рабочим чертежам основного комплекта марки ВК ЭОМ.ВМ Ведомости потребности в материалах по рабочим чертежам основного комплекта марки ЭОМ А.ВМ Ведомости потребности в материалах по рабочим чертежам основного комплекта марки А СС.ВМ Ведомости потребности в материалах по рабочим чертежам основного комплекта марки СС |
| Разработан: | ЦНИИЭП учебных зданий |
| Утверждён: | 27.02.1986 Госгражданстрой (Gosgrazhdanstroy 65) |
| Издан: | ЦИТП Госстроя СССР (CITP, Gosstroy (USSR) 1988 г. ) |




















