Скачать Типовой проект 902-2-470.89 Альбом 3. Отстойники. Конструкции железобетонныеДата актуализации: 01.01.2021
|
| Обозначение: | Типовой проект 902-2-470.89 |
| Обозначение англ: | 902-2-470.89 |
| Статус: | не определен законодательством |
| Название рус.: | Альбом 3. Отстойники. Конструкции железобетонные |
| Дата добавления в базу: | 01.10.2014 |
| Дата актуализации: | 01.01.2021 |
| Дата введения: | 27.04.1989 |
| Дата окончания срока действия: | 30.06.2003 |
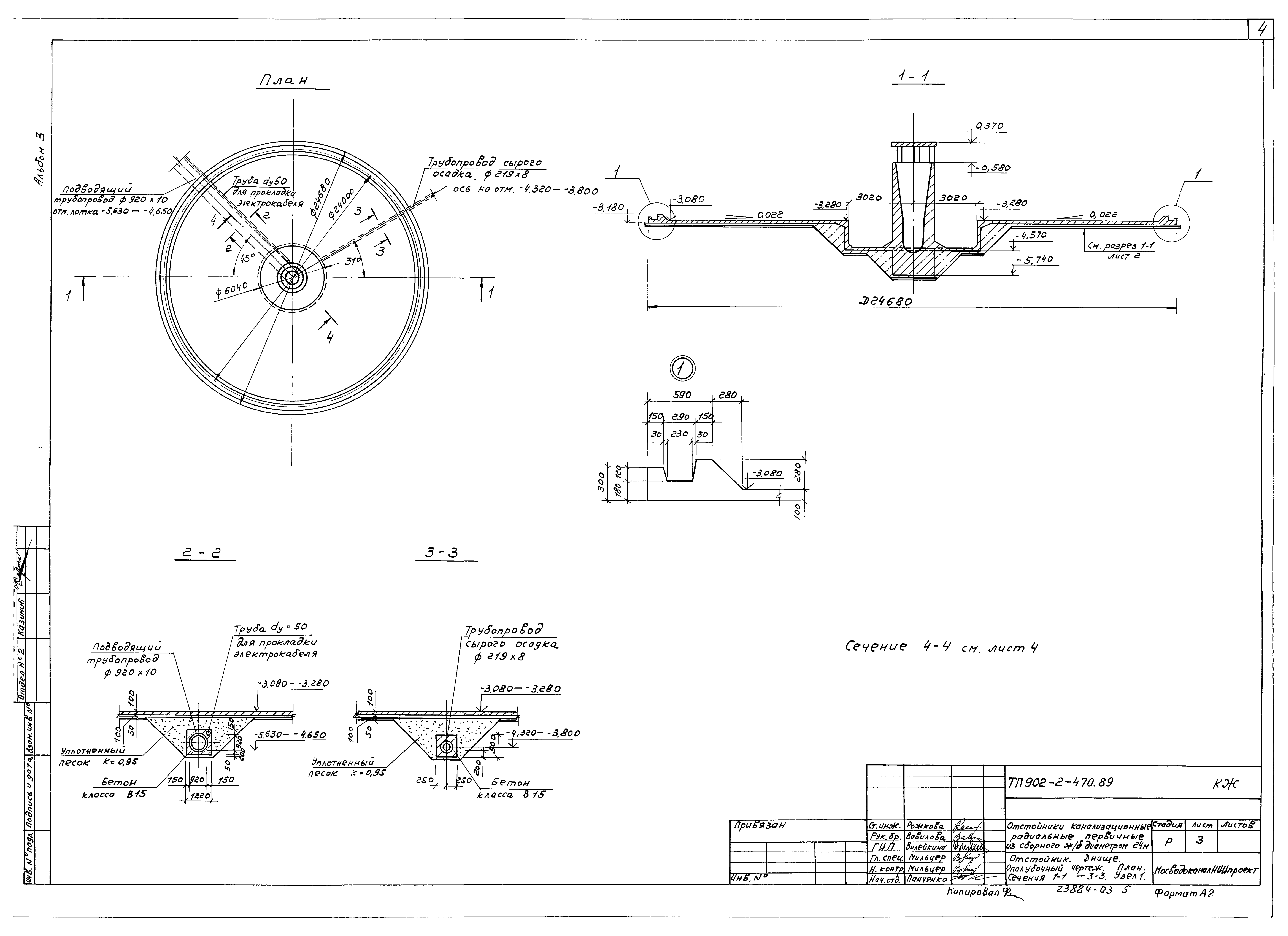
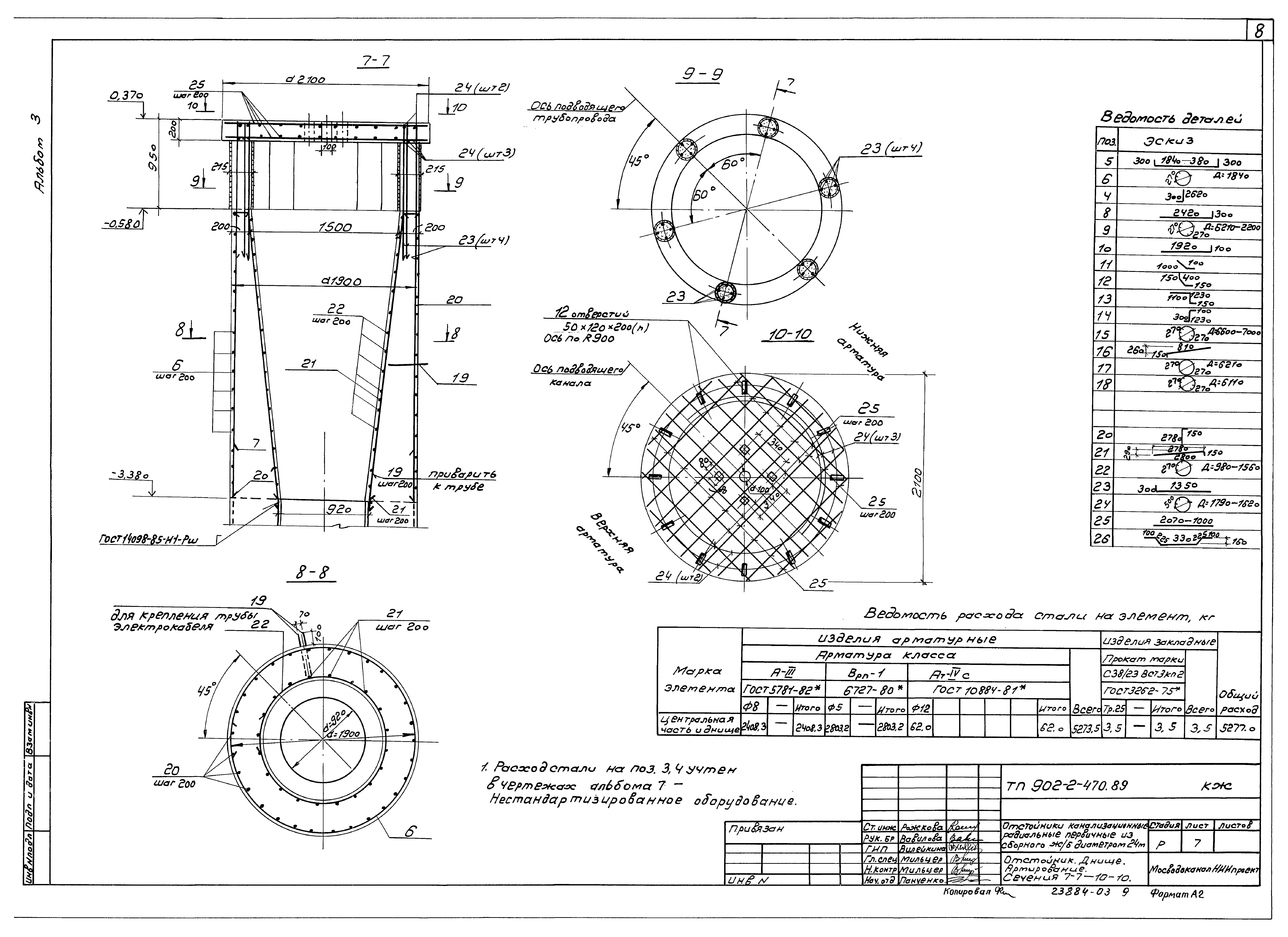
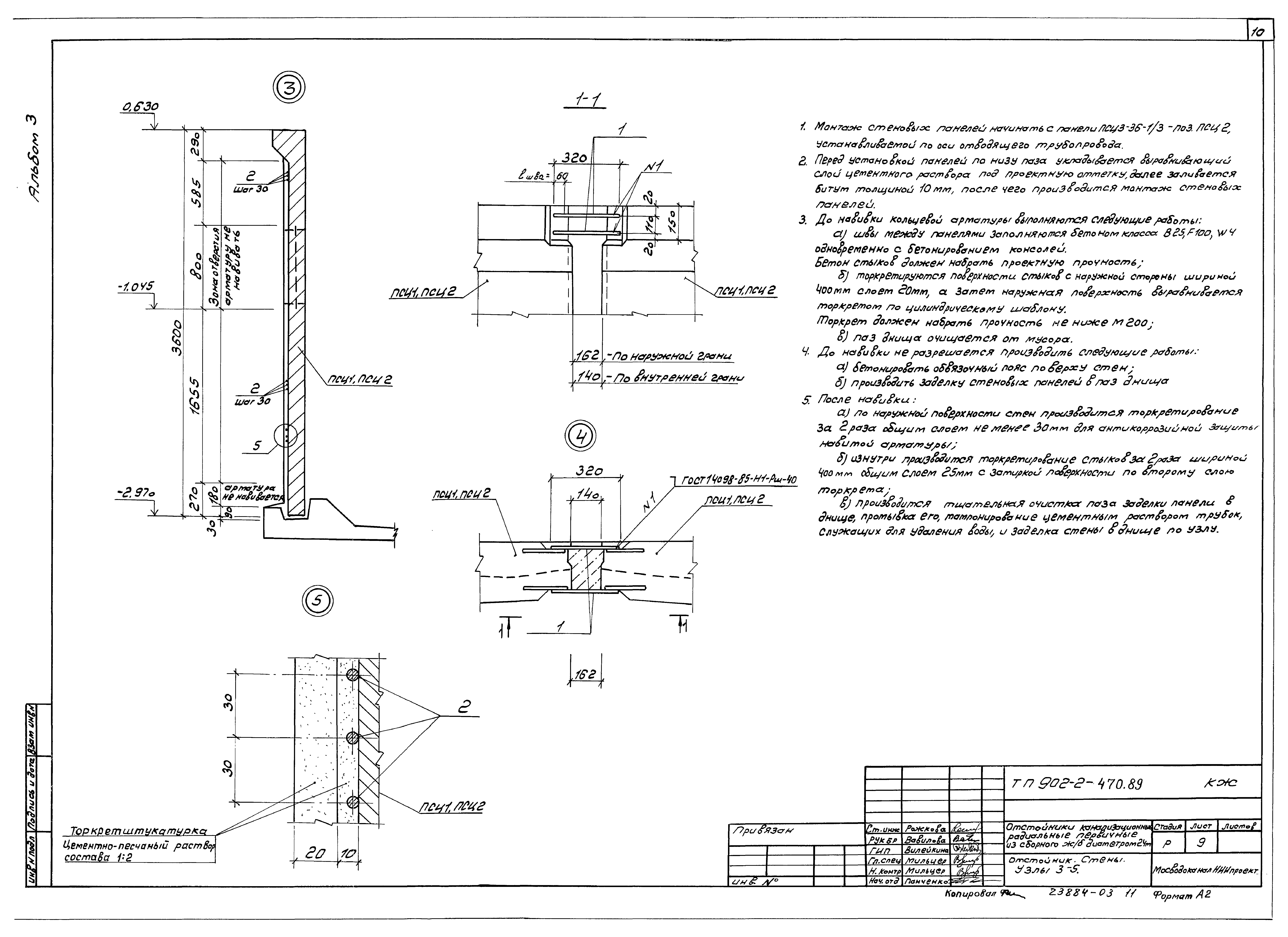
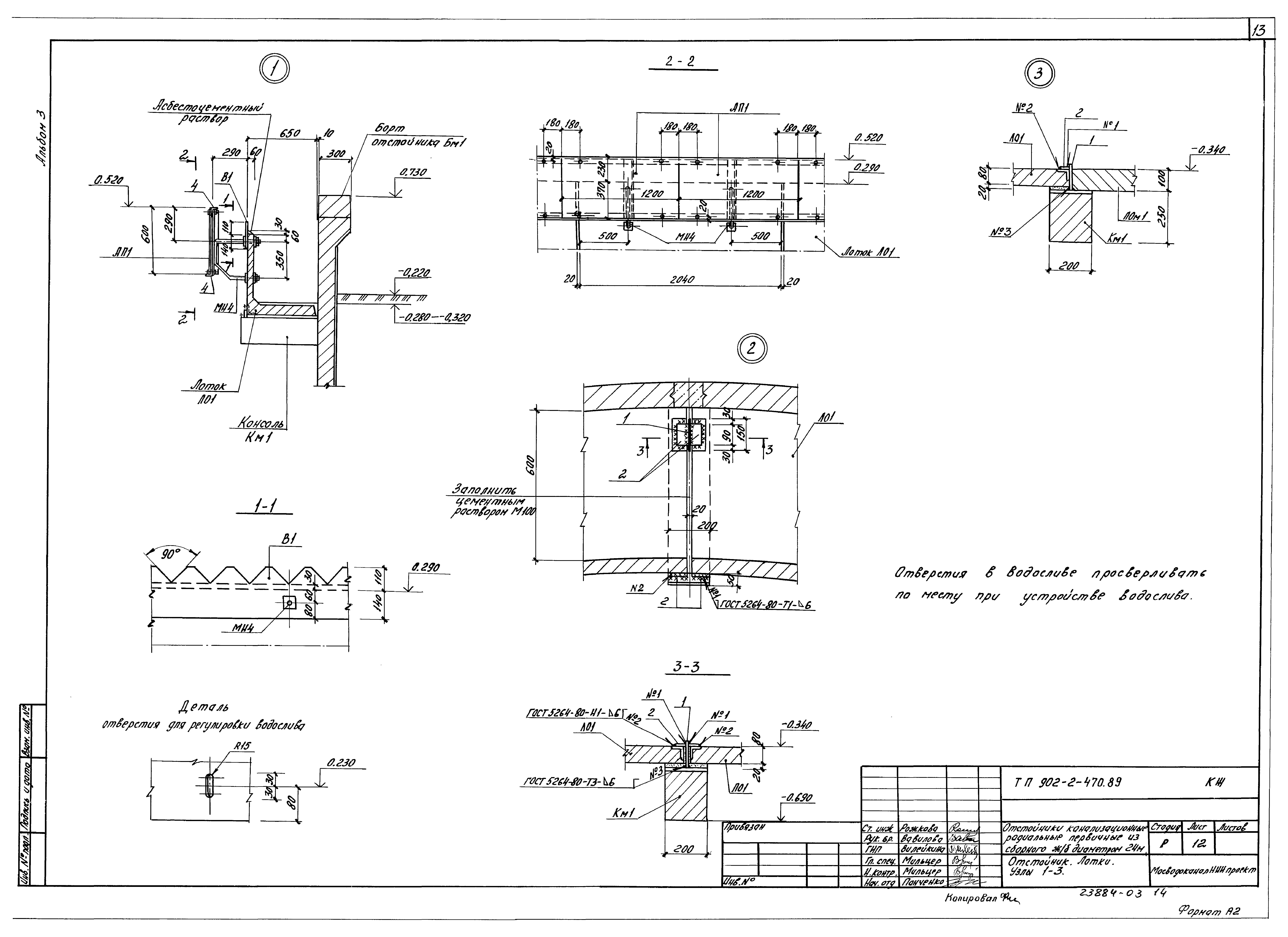
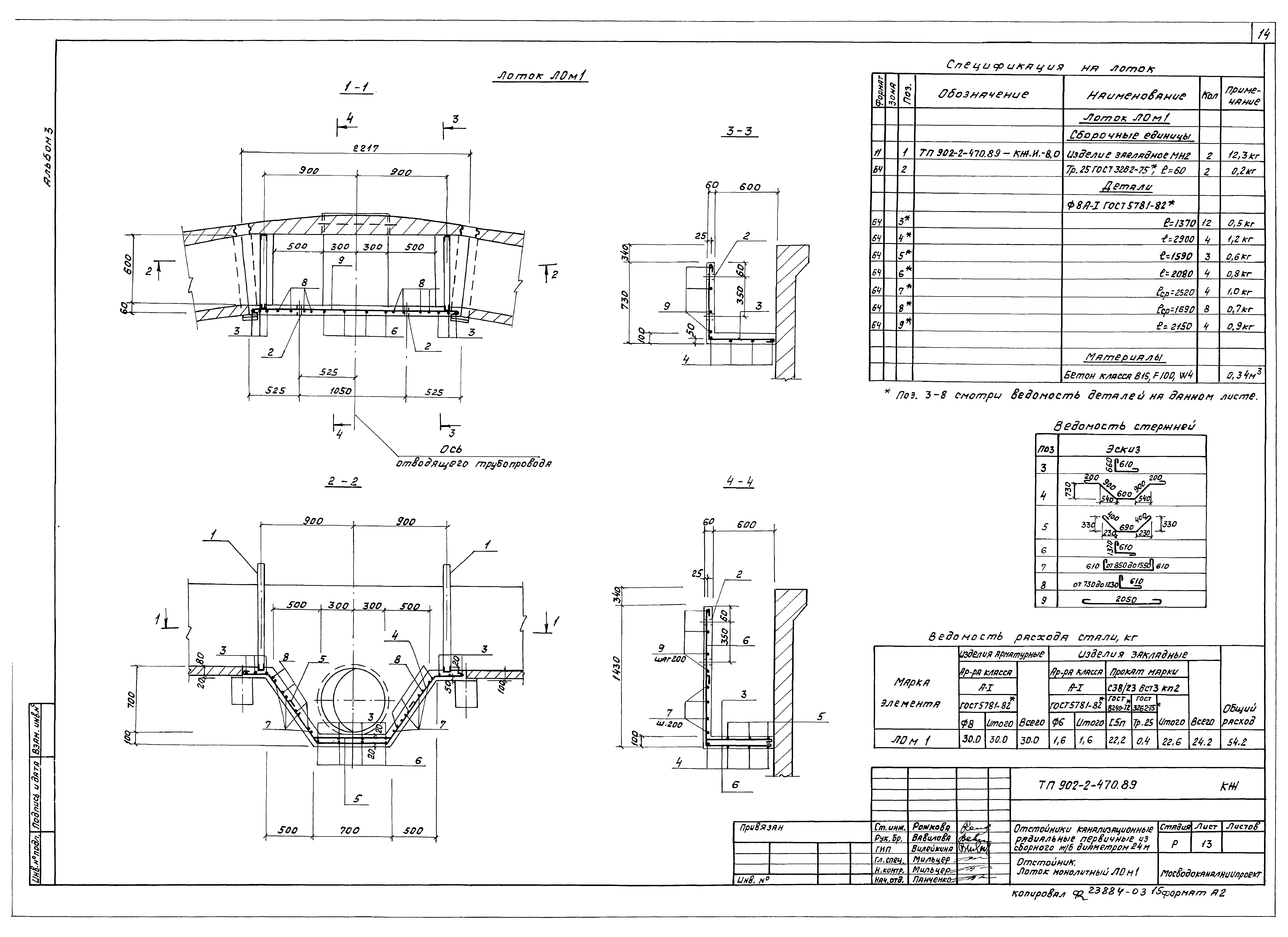
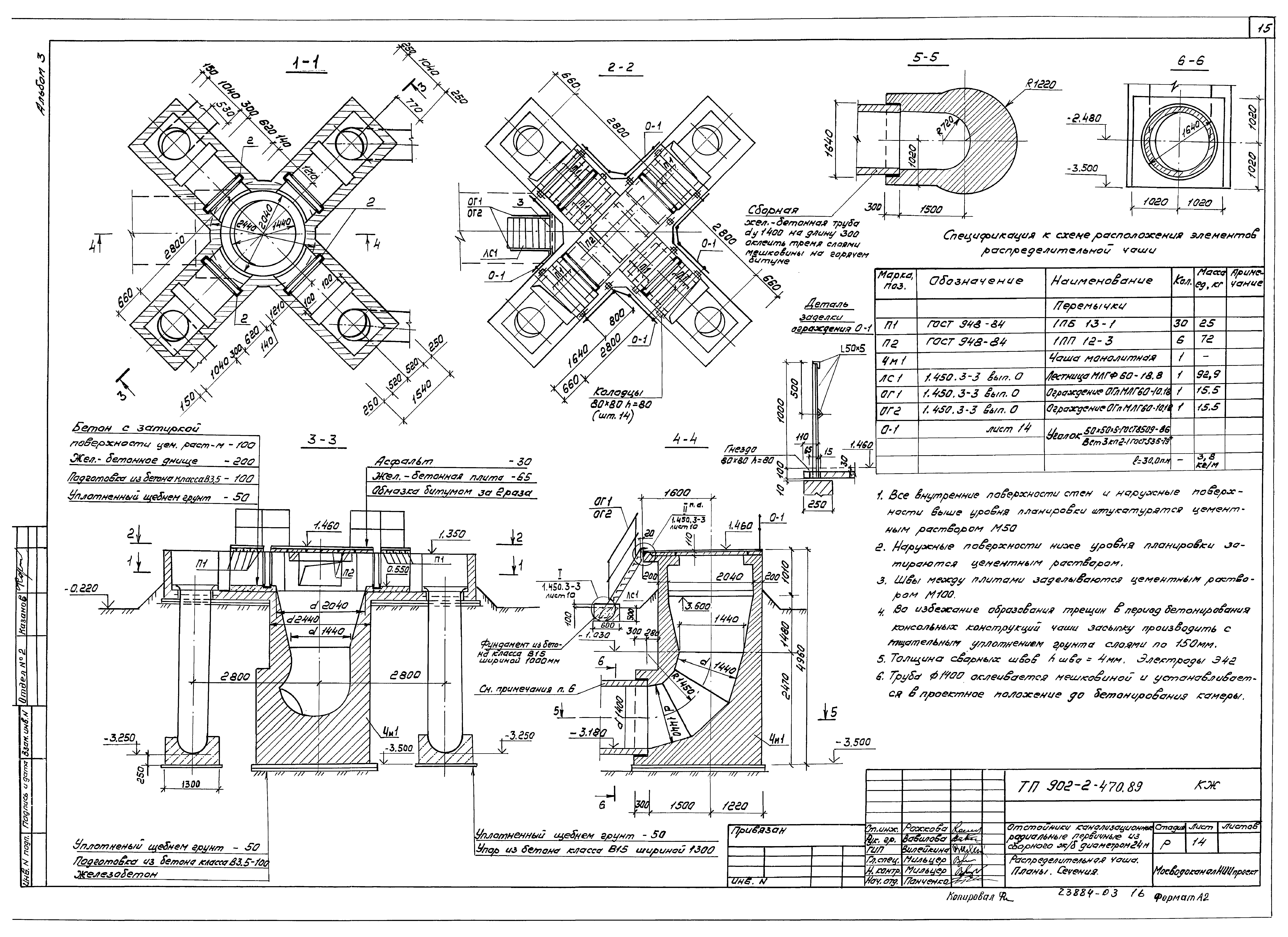
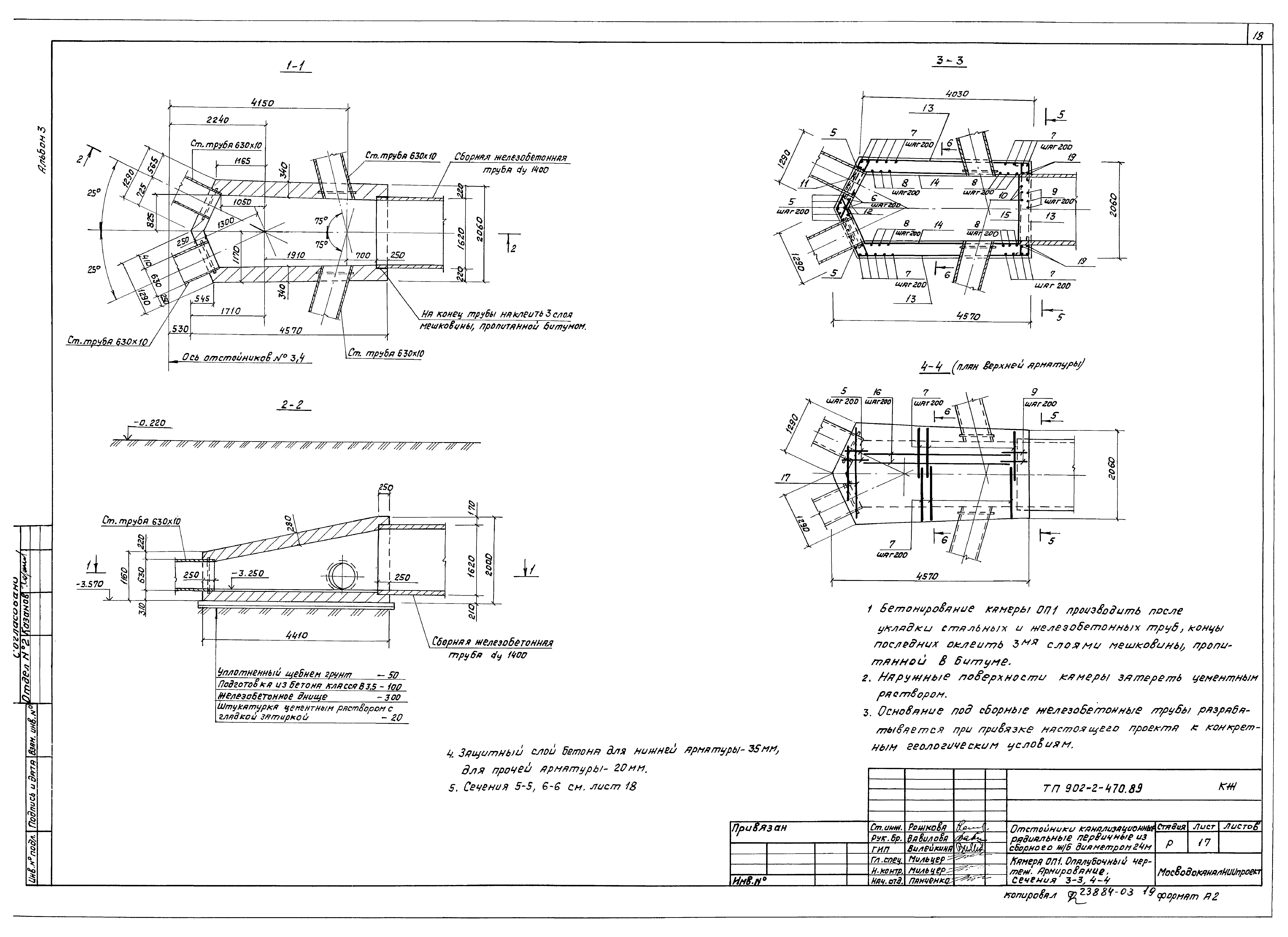
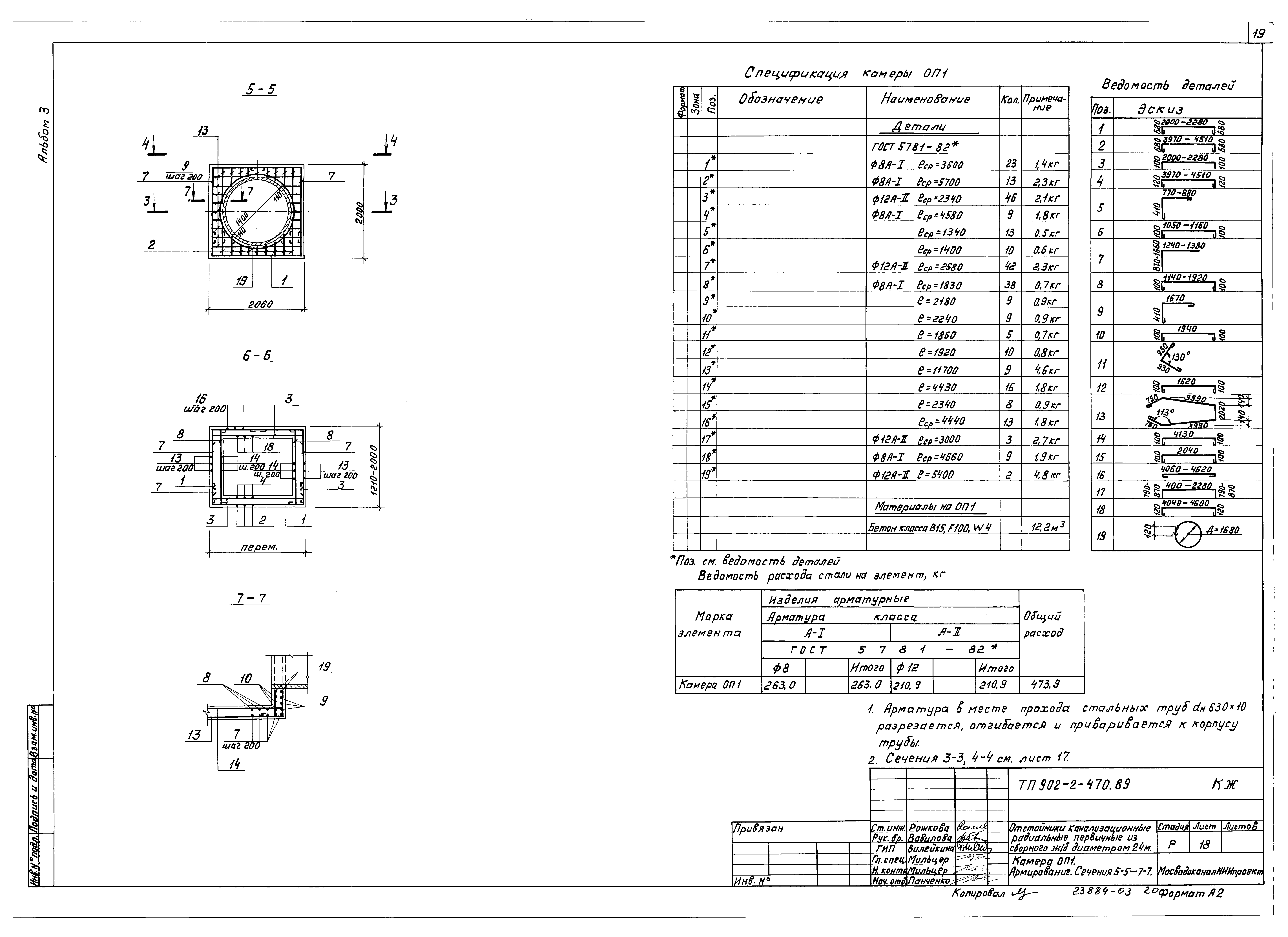
| Оглавление: | Общие данные Отстойник. Общие виды Отстойник. Днище. Опалубочный чертеж. План. Сечения 1-1 - 3-3. Узел 1 Отстойник. Днище. Опалубочный чертеж. Сечения 4-4 - 9-9 Отстойник. Днище. Армирование. План нижней и верхней арматуры. Сечение 1-1 Отстойник. Днище. Армирование. Сечения 2-2 - 6-6 Отстойник. Днище. Армирование. Сечения 7-7 - 10-10 Отстойник. Стены. Схема расположения элементов. Узлы 1, 2 Отстойник. Стены. Узлы 3 - 5 Отстойник. Стены. Консоль Км1. Борт отстойника Бм1 Отстойник. Лотки. Схема расположения Отстойник. Лотки. Узлы 1 - 3 Отстойник. Лоток монолитный. ЛОм1 Распределительная чаша. Планы. Сечения Распределительная чаша. Армирование. Сечения 1-1 - 4-4 Распределительная чаша. Армирование. Сечения 5-5 - 8-8 Камера ОП1. Опалубочный чертеж. Армирование. Сечения 3-3 - 4-4 Камера ОП1. Армирование. Сечения 5-5 - 7-7 Жиросборник Ж1 |
| Разработан: | МосводоканалНИИпроект |
| Утверждён: | 24.04.1989 Мосгорисполком (Mosgorispolkom 841р) |




















