Скачать Типовой проект 902-2-470.89 Альбом 4. Отстойники. Строительные изделияДата актуализации: 01.01.2021
|
| Обозначение: | Типовой проект 902-2-470.89 |
| Обозначение англ: | 902-2-470.89 |
| Статус: | не определен законодательством |
| Название рус.: | Альбом 4. Отстойники. Строительные изделия |
| Дата добавления в базу: | 01.10.2014 |
| Дата актуализации: | 01.01.2021 |
| Дата введения: | 27.04.1989 |
| Дата окончания срока действия: | 30.06.2003 |
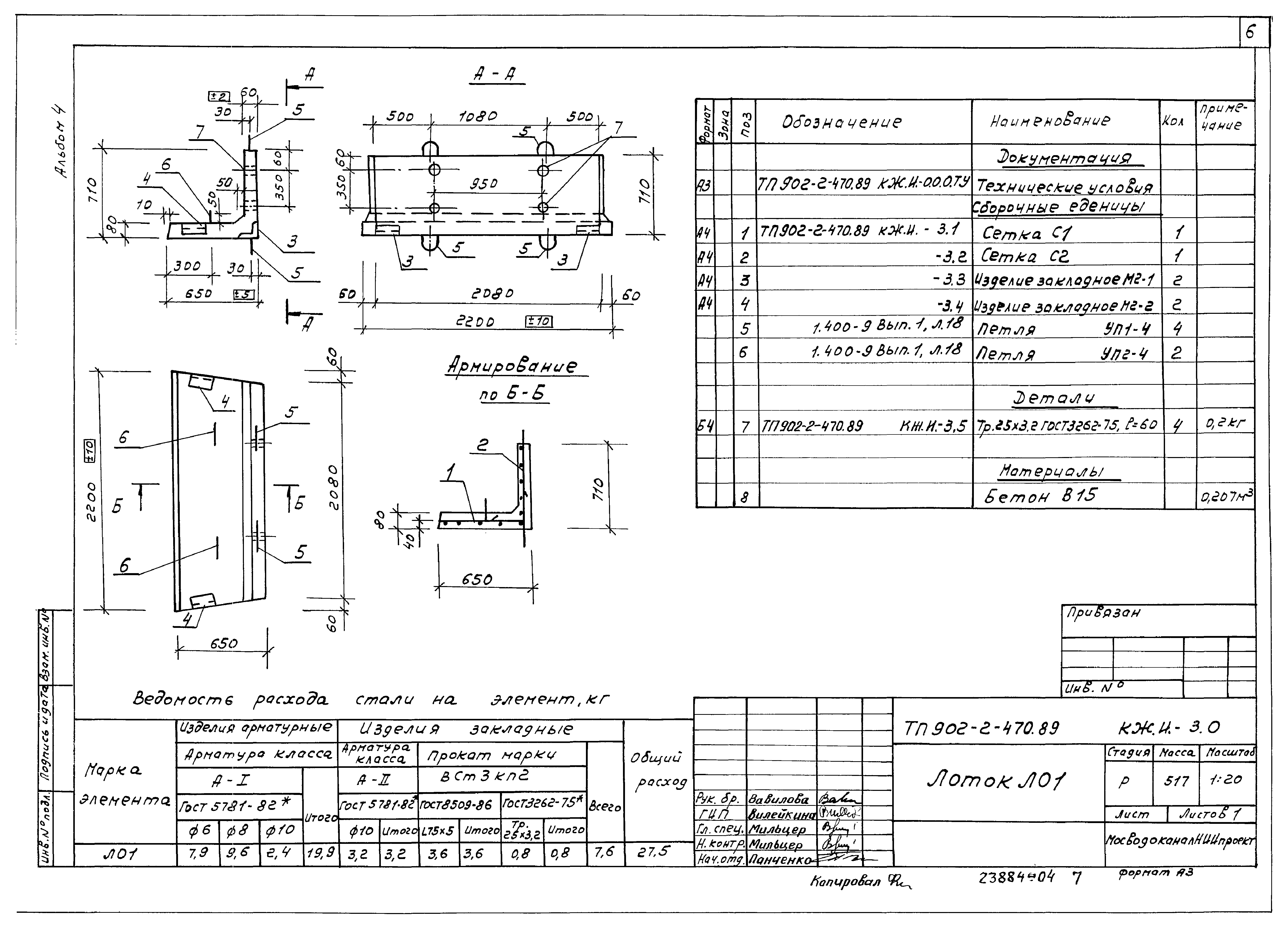
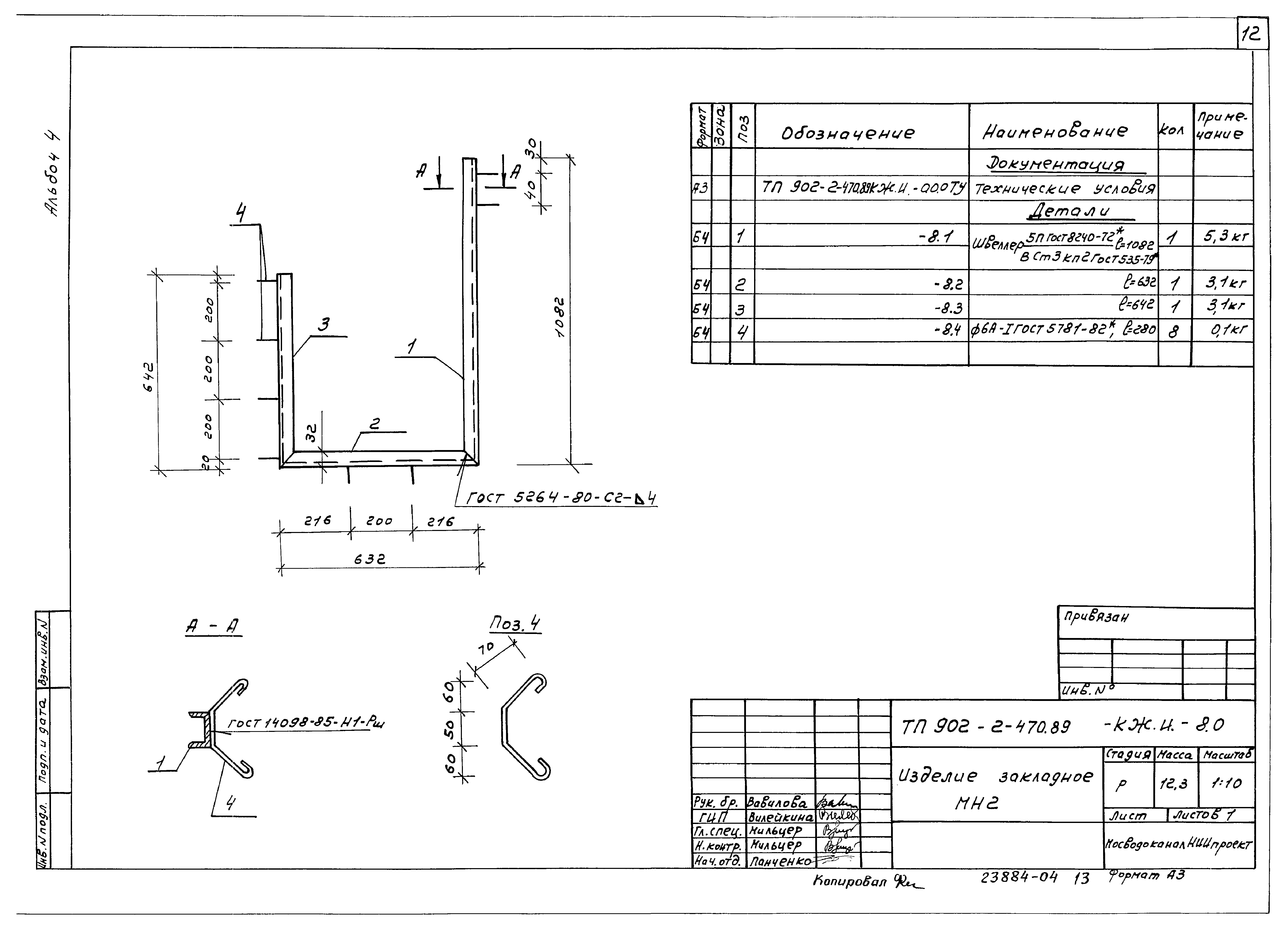
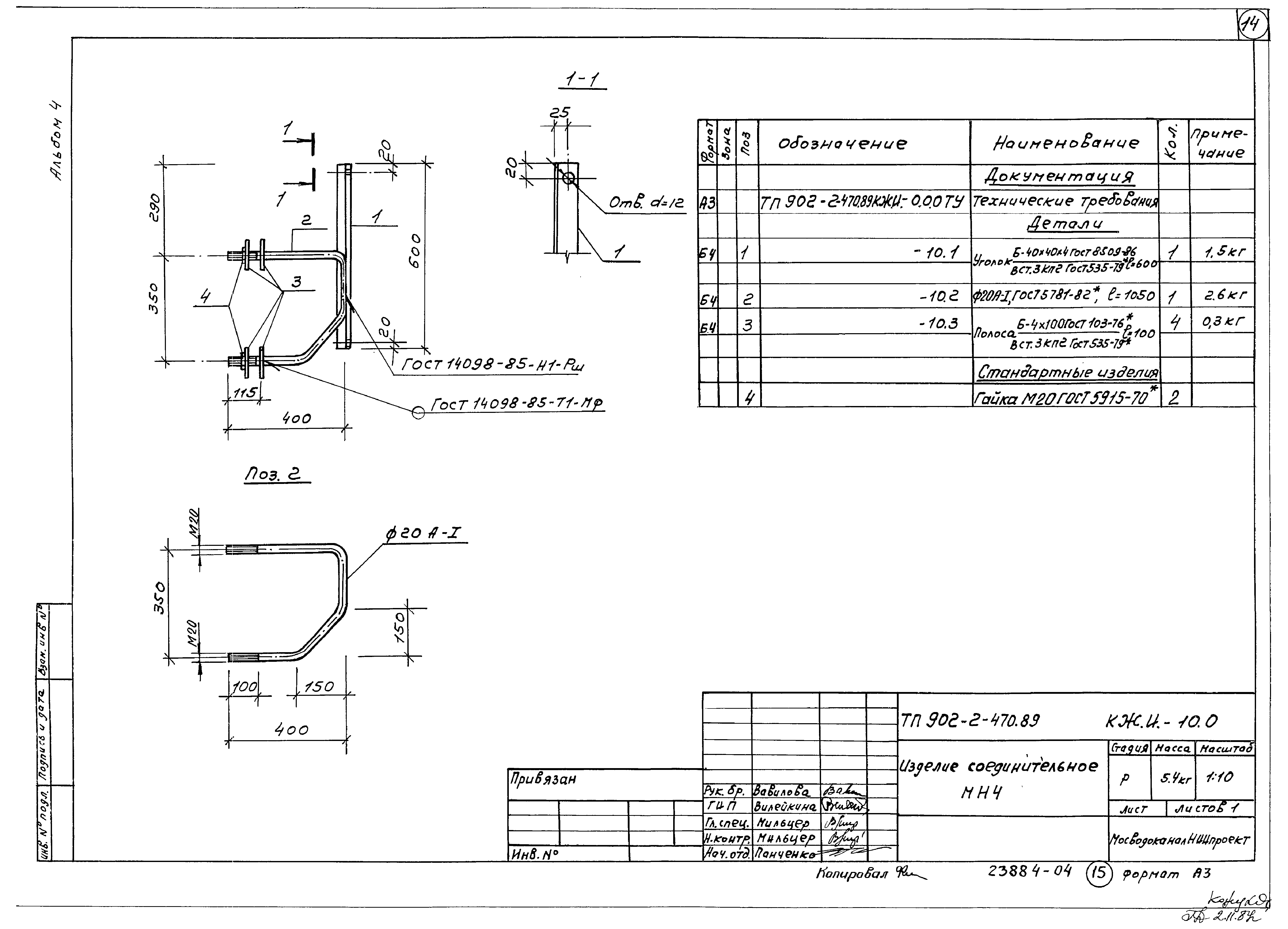
| Оглавление: | Содержание альбома 902-2-470.89-КЖ.И-0.0.0ТУ Технические условия 902-2-470.89-КЖ.И-1.0 Панель стеновая ПСЦ3-36-1/1 902-2-470.89-КЖ.И-2.0 Панель стеновая ПСЦ3-36-1/3 902-2-470.89-КЖ.И-3.0 Лоток ЛО1 902-2-470.89-КЖ.И-4.0 Каркас плоский КР1 902-2-470.89-КЖ.И-5.0 Каркас плоский КР2 902-2-470.89-КЖ.И-6.0 Каркас плоский КР3 902-2-470.89-КЖ.И-3.1 Сетка С1 902-2-470.89-КЖ.И-3.2 Сетка С2 902-2-470.89-КЖ.И-1.1 Изделие закладное М1-1 902-2-470.89-КЖ.И-3.3 Изделие закладное М2-1 902-2-470.89-КЖ.И-3.4 Изделие закладное М2-2 902-2-470.89-КЖ.И-7.0 Изделие закладное МН1 902-2-470.89-КЖ.И-8.0 Изделие закладное МН2 902-2-470.89-КЖ.И-9.0 Изделие закладное МН3 902-2-470.89-КЖ.И-10.0 Изделие соединительное МН4 |
| Разработан: | МосводоканалНИИпроект |
| Утверждён: | 24.04.1989 Мосгорисполком (Mosgorispolkom 841р) |














