Скачать Типовой проект 902-2-470.89 Альбом 5. Насосная станция сырого осадка. Архитектурные решения. Конструкции железобетонные. Строительные изделия. Конструкции металлические (из ТП 902-2-469.89)Дата актуализации: 01.01.2021
|
| Обозначение: | Типовой проект 902-2-470.89 |
| Обозначение англ: | 902-2-470.89 |
| Статус: | не определен законодательством |
| Название рус.: | Альбом 5. Насосная станция сырого осадка. Архитектурные решения. Конструкции железобетонные. Строительные изделия. Конструкции металлические (из ТП 902-2-469.89) |
| Дата добавления в базу: | 01.10.2014 |
| Дата актуализации: | 01.01.2021 |
| Дата введения: | 27.04.1989 |
| Дата окончания срока действия: | 30.06.2003 |
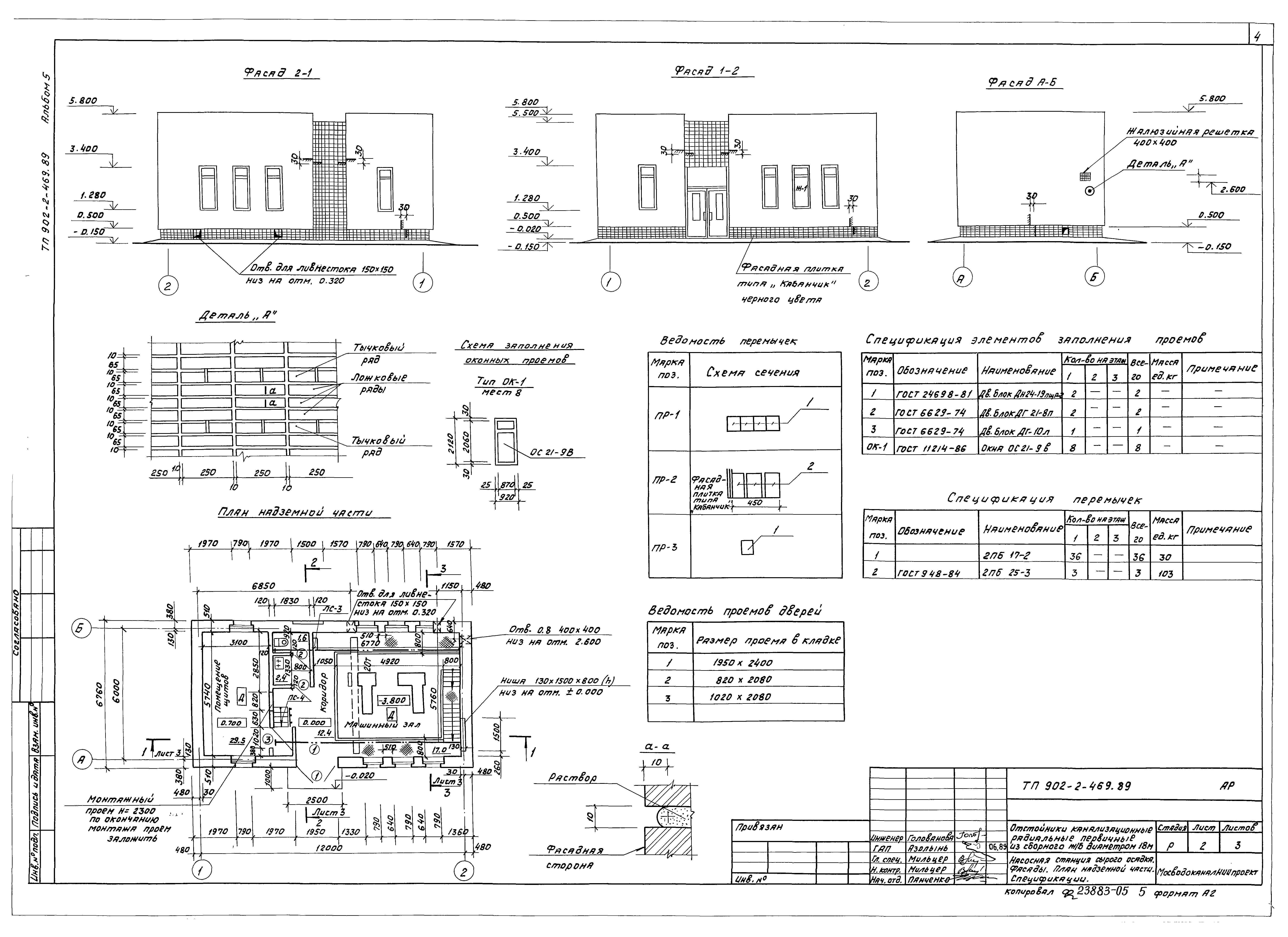
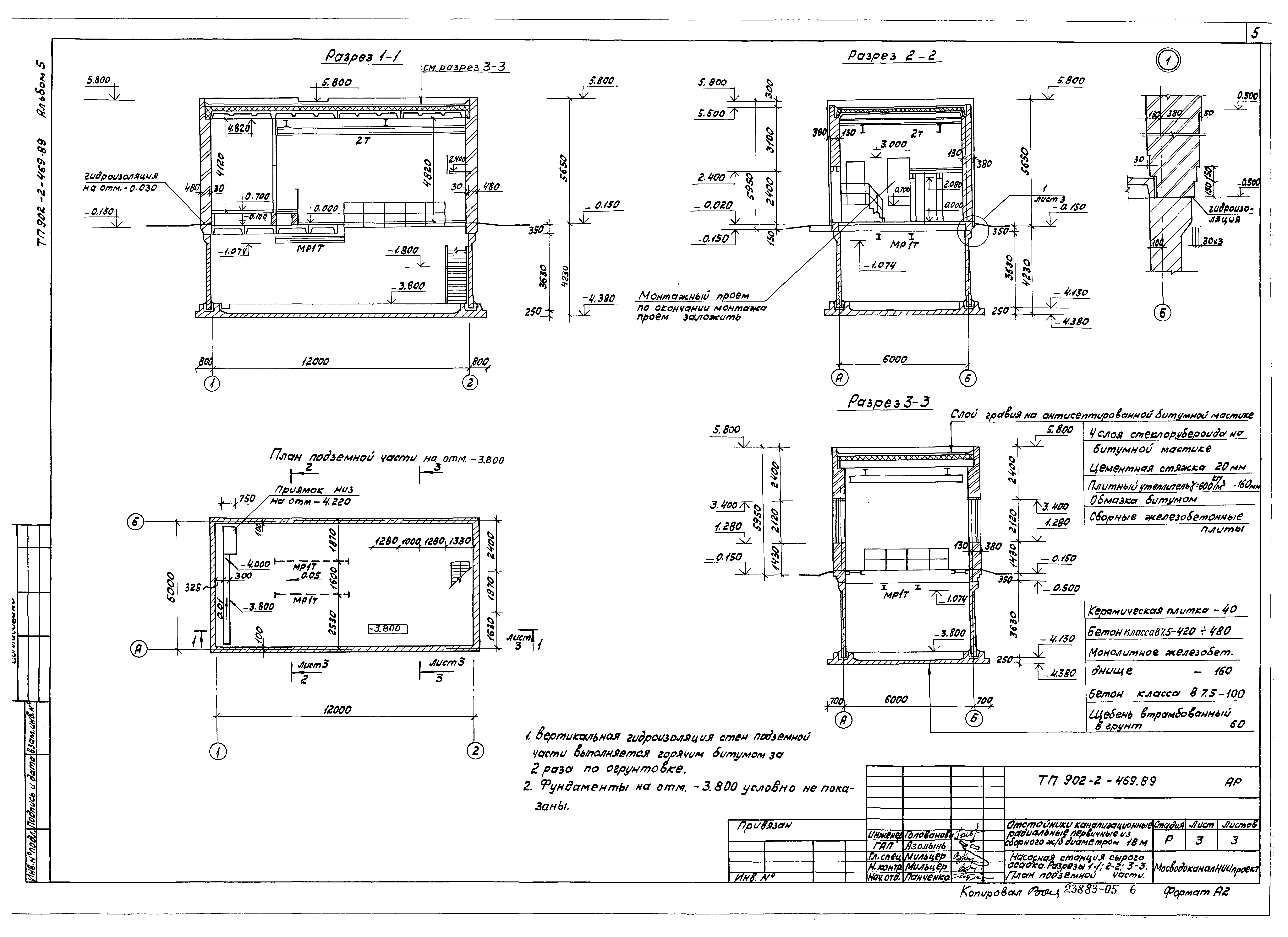
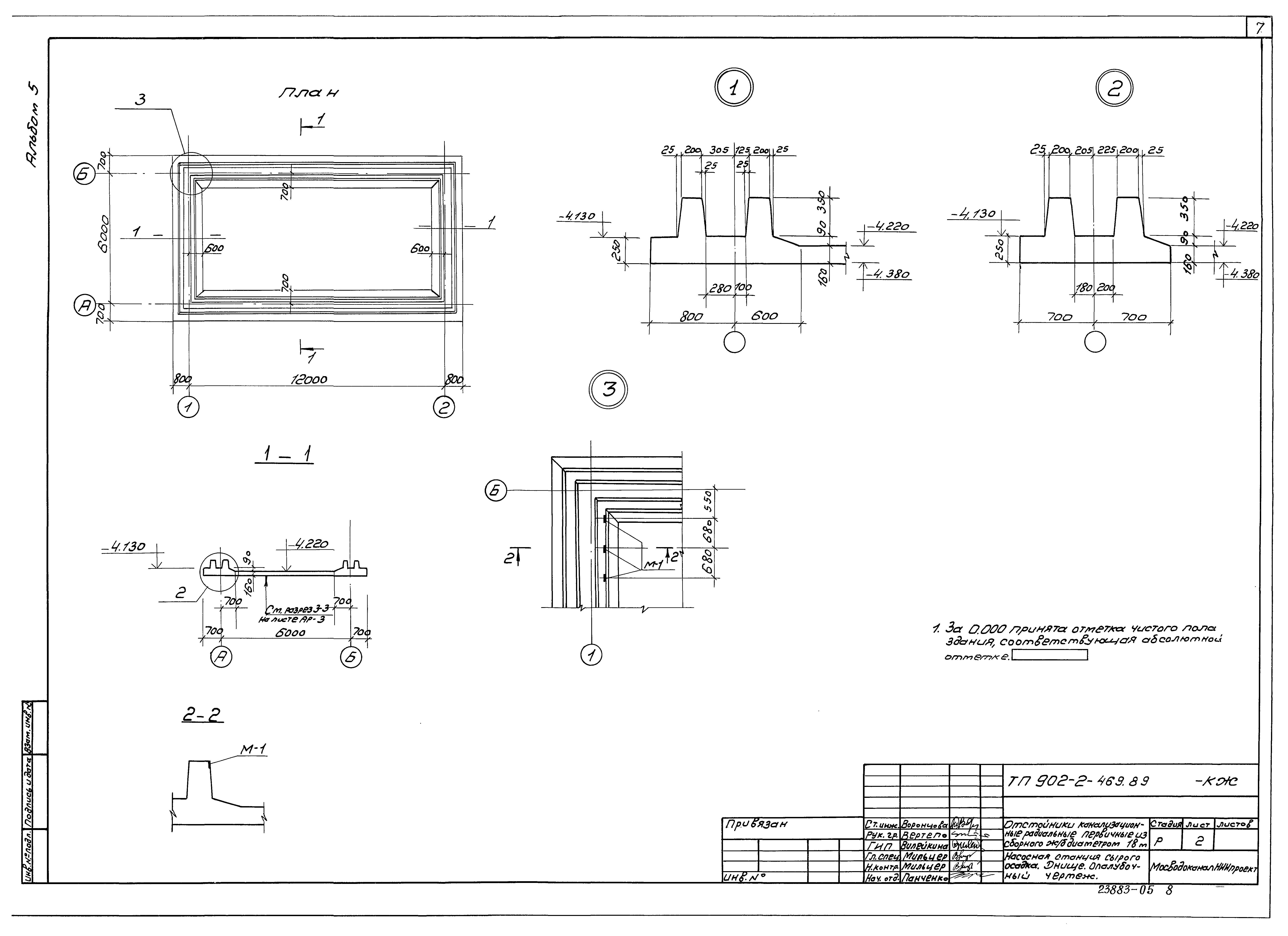
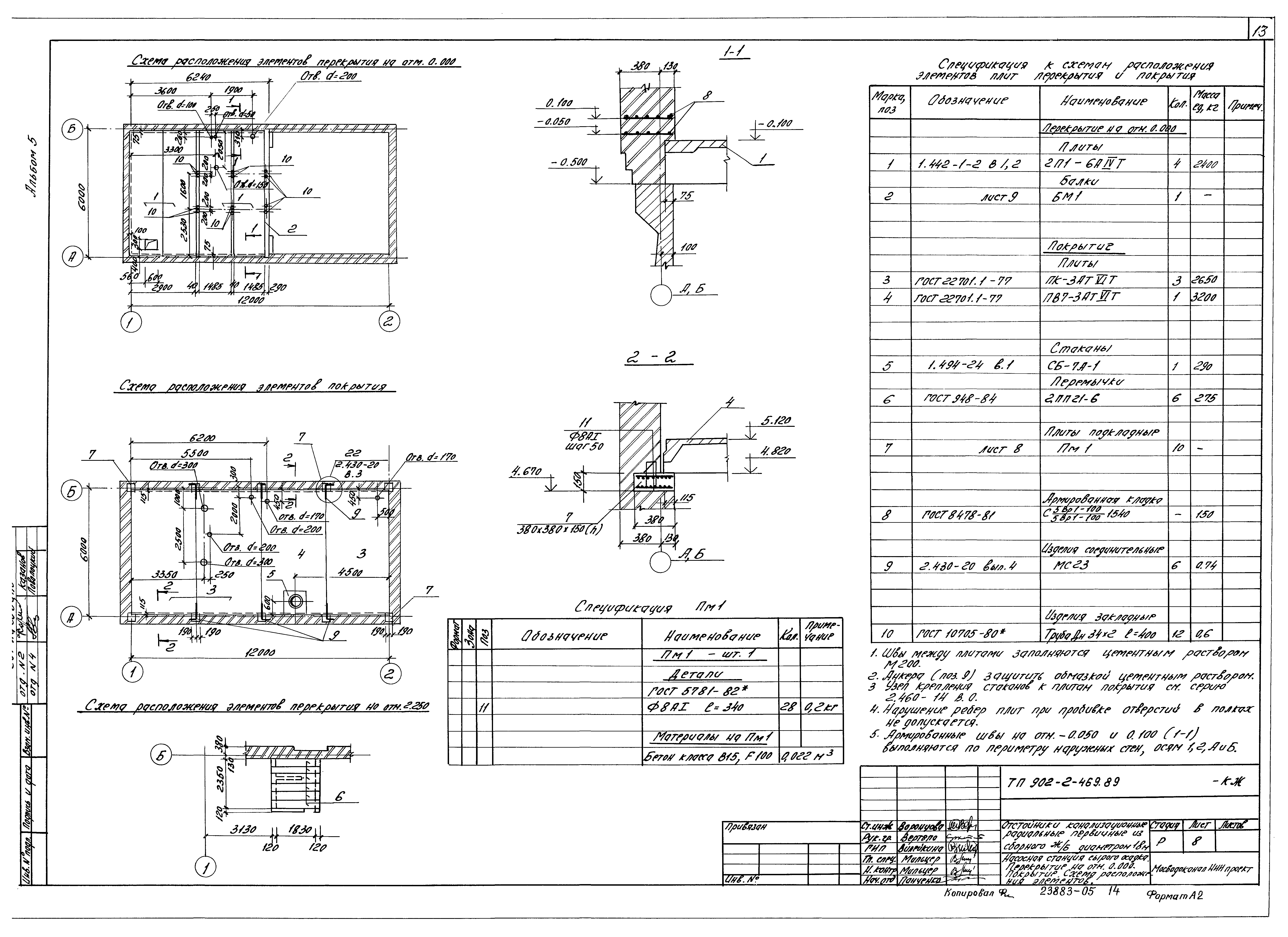
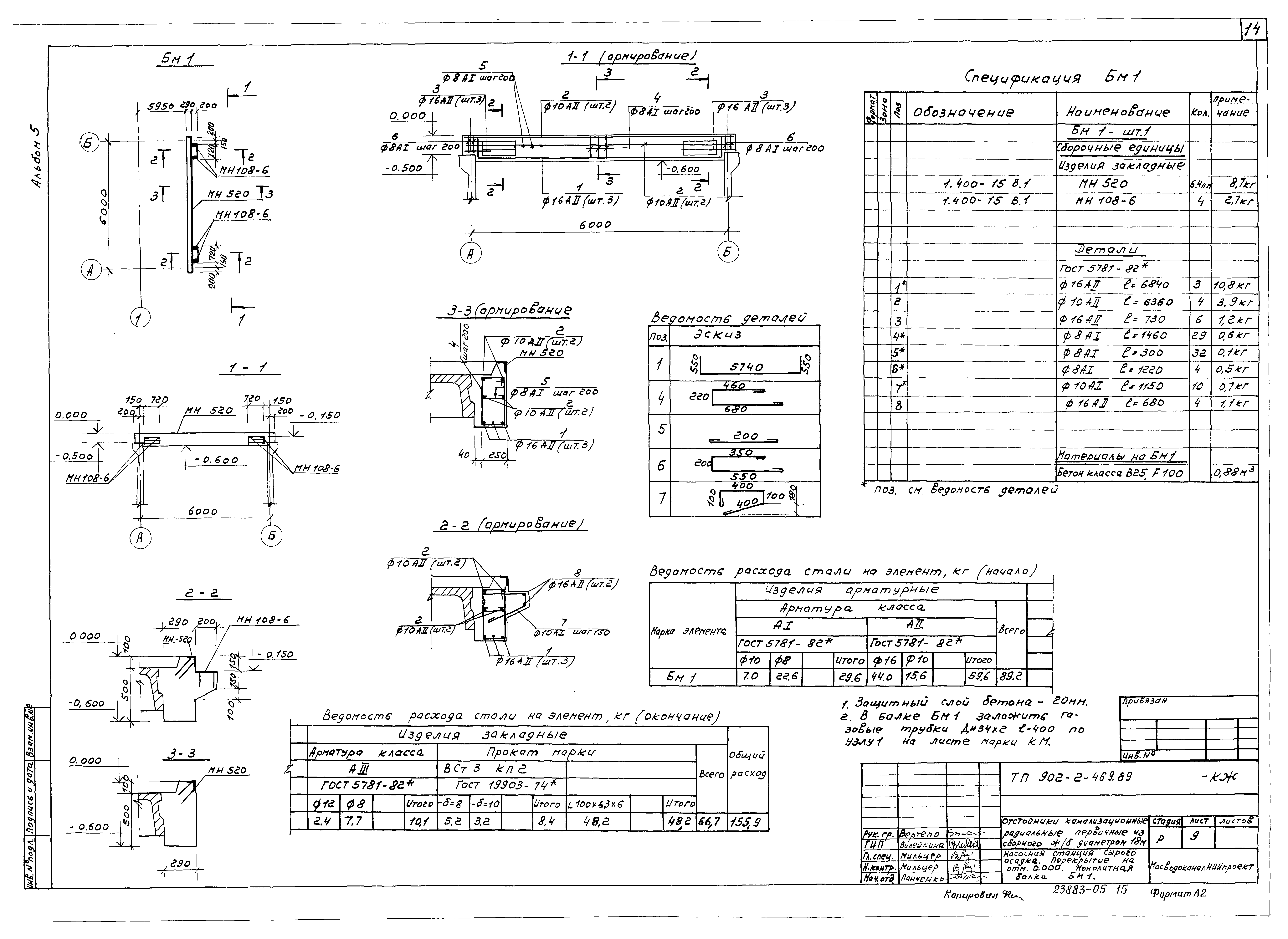
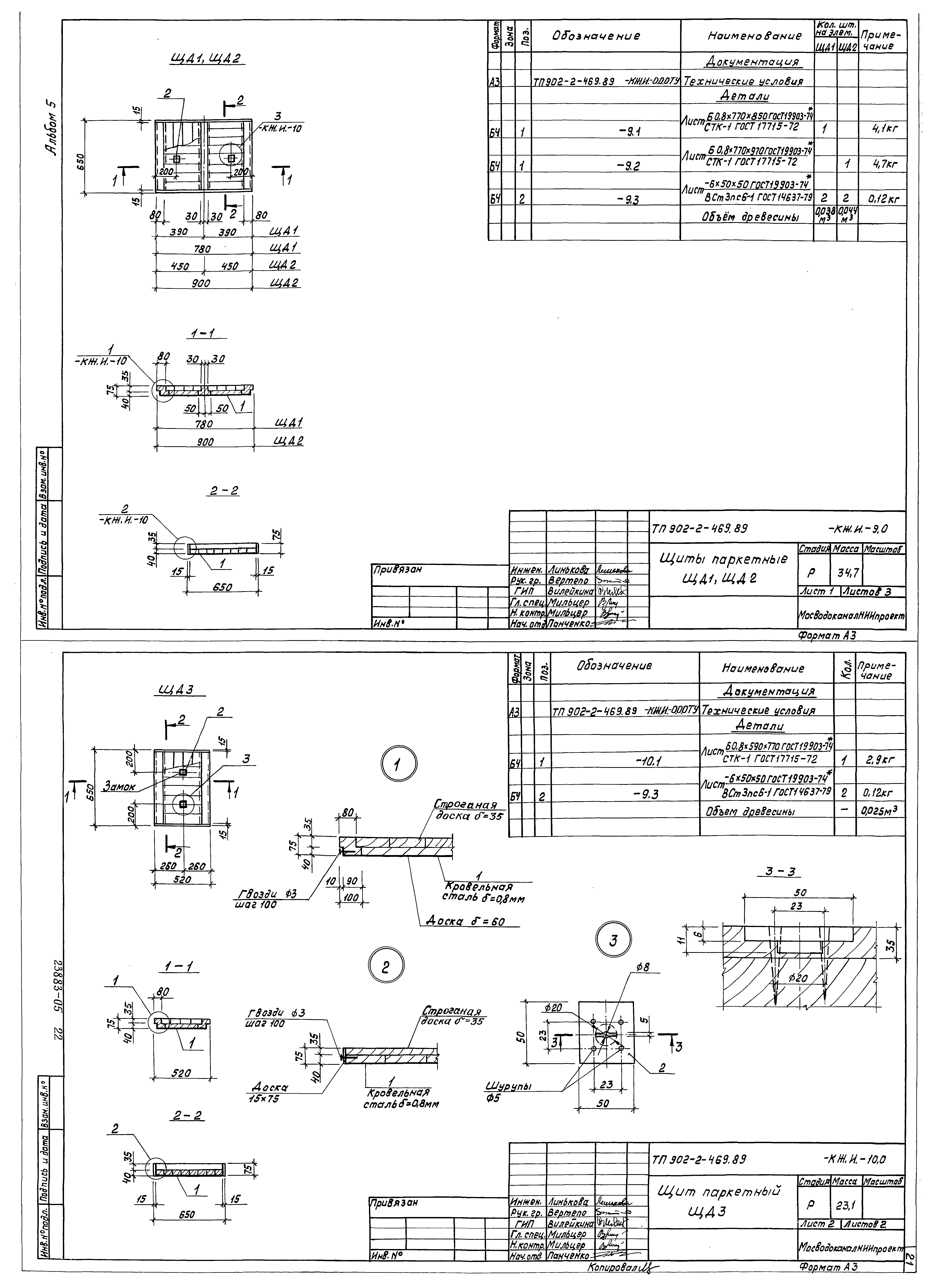
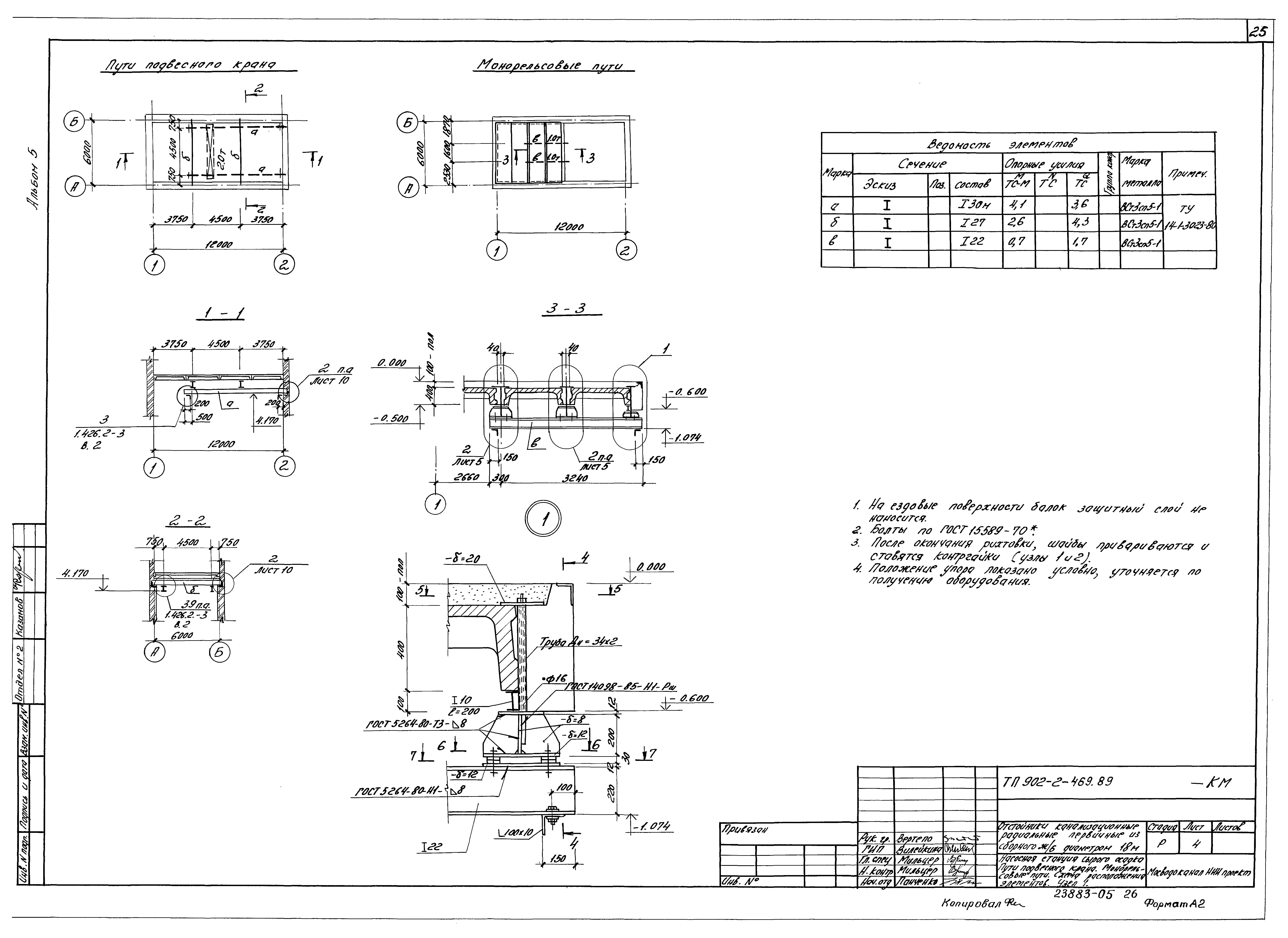
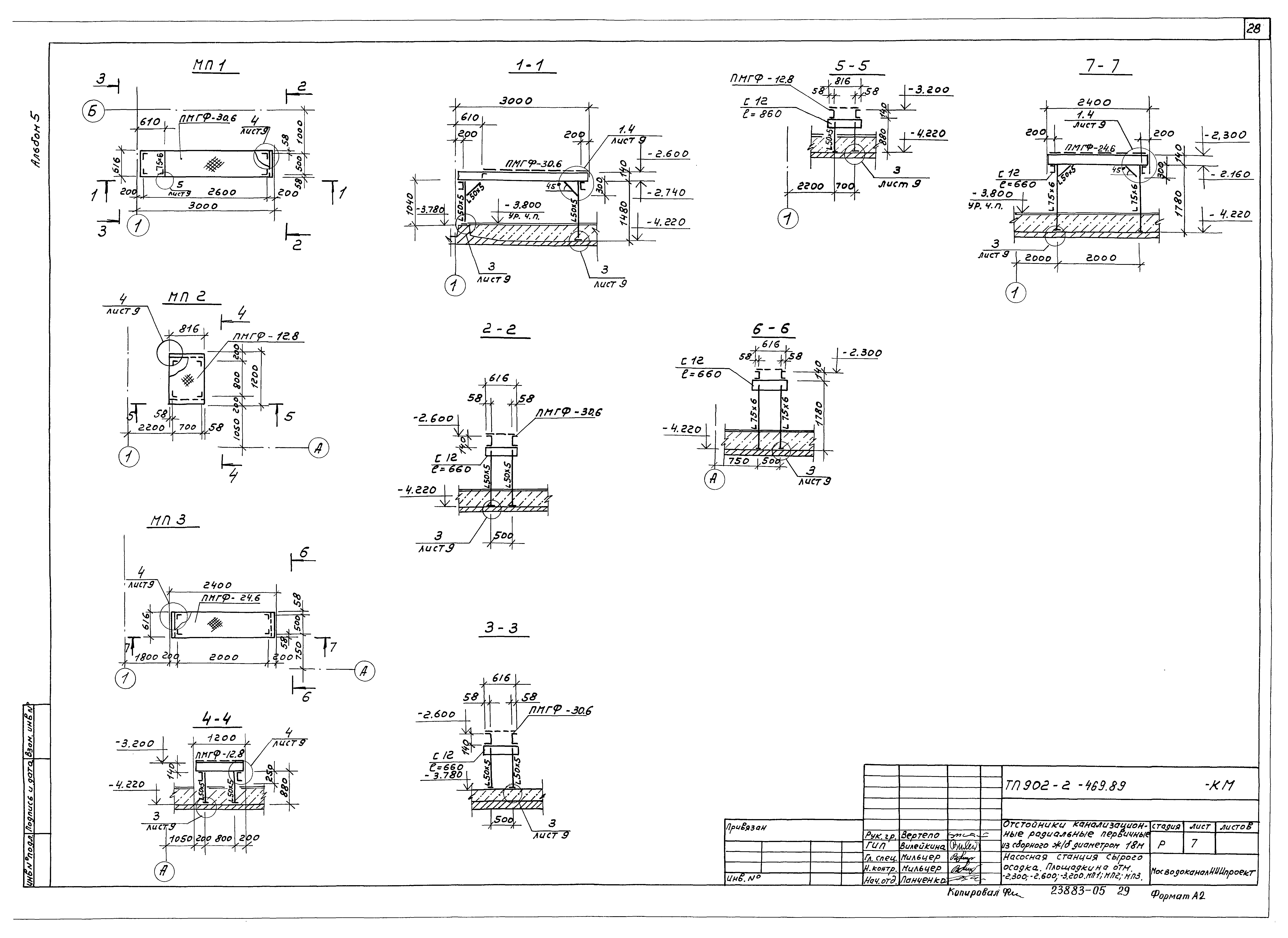
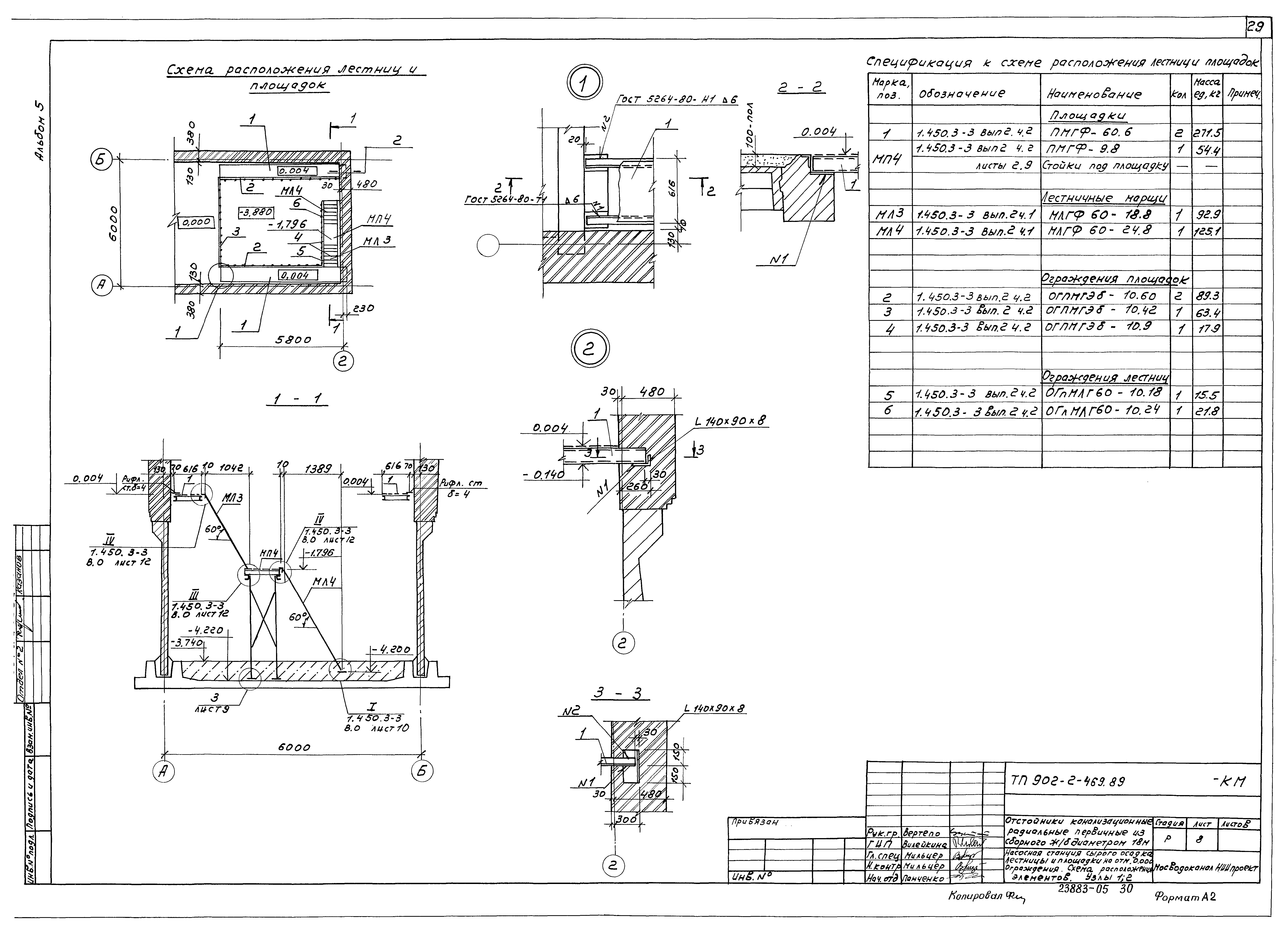
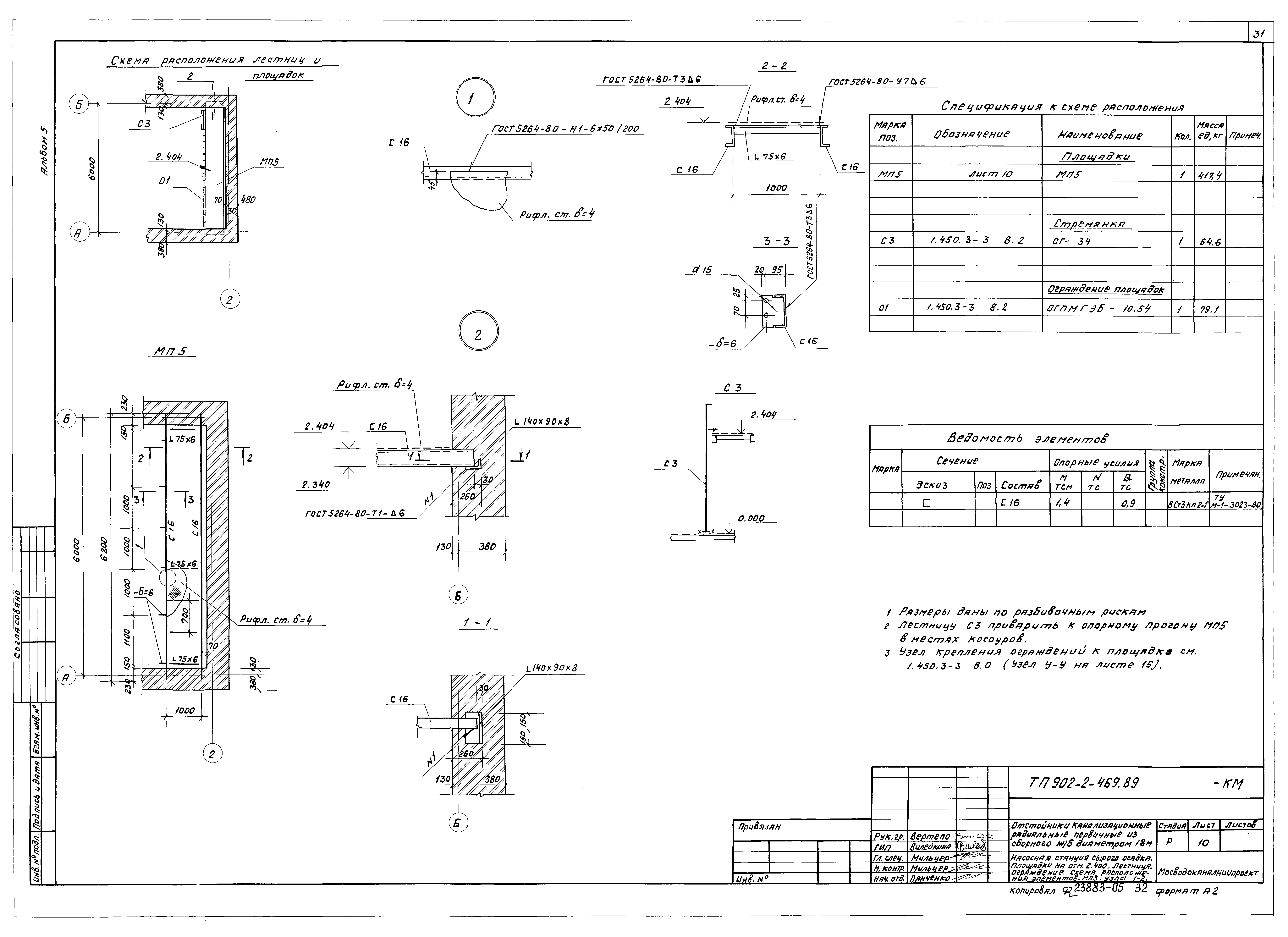
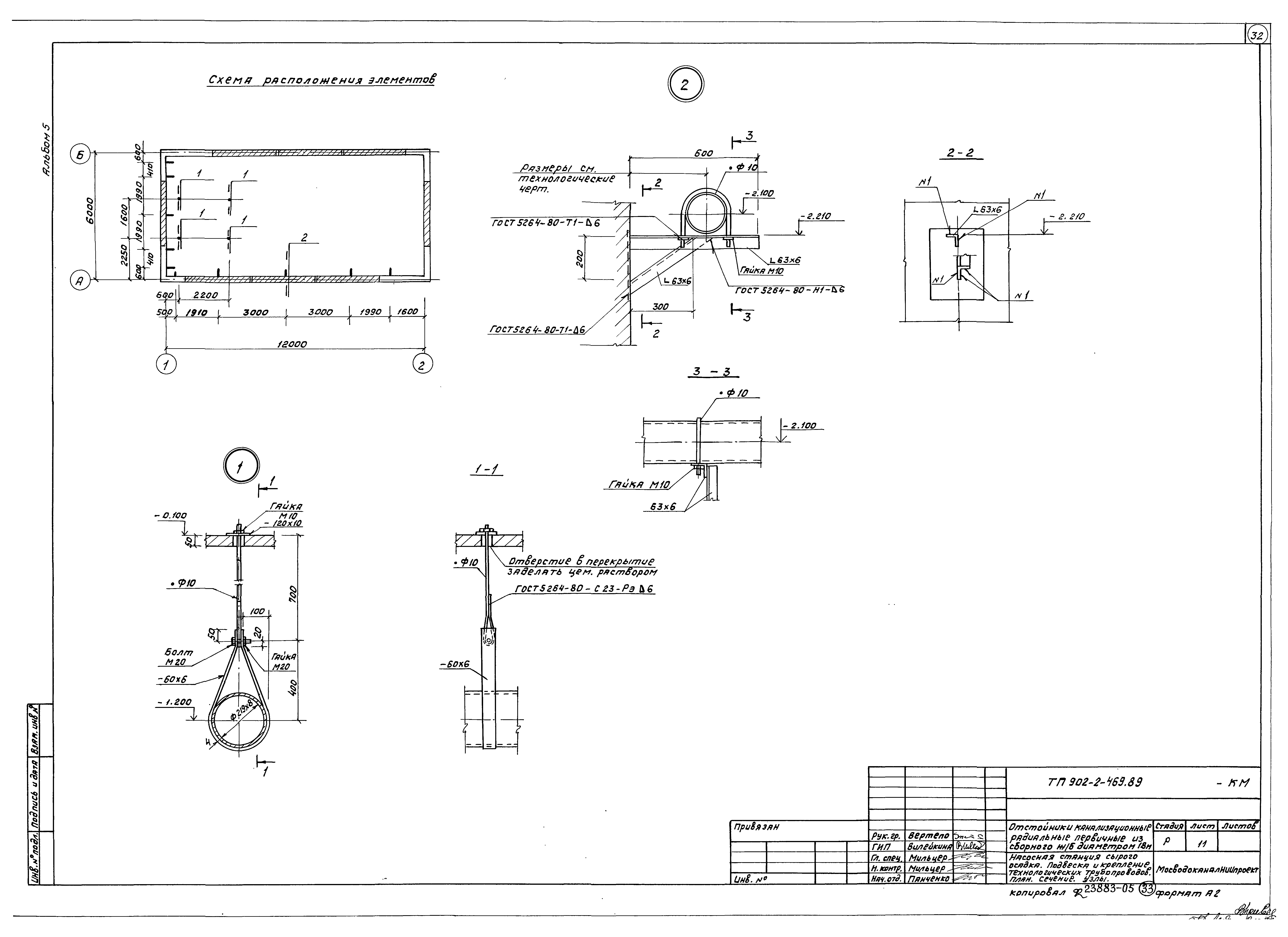
| Оглавление: | ТП 902-2-469.89 Титульный лист ТП 902-2-469.89 Содержание альбома ТП 902-2-469.89-АР Архитектурное решение ТП 902-2-469.89-АР-1 Насосная станция сырого осадка. Общие данные ТП 902-2-469.89-АР-2 Насосная станция сырого осадка. Фасады. План надземной части ТП 902-2-469.89-АР-3 Насосная станция сырого осадка. Разрезы 1-1,2-2,3-3. План подземной части ТП 902-2-469.89-КЖ Конструкции железобетонные ТП 902-2-469.89-КЖ-1 Насосная станция сырого осадка. Общие данные ТП 902-2-469.89-КЖ-2 Насосная станция сырого осадка. Днище. Опалубочный чертеж ТП 902-2-469.89-КЖ-3 Насосная станция сырого осадка. Днище. Армирование ТП 902-2-469.89-КЖ-4 Насосная станция сырого осадка. Стены подвала. Схема расположения элементов ТП 902-2-469.89-КЖ-5 Насосная станция сырого осадка. Стены подвала. Монолитные участки СМ1-СМ4. Арматурно-опалубочный чертеж ТП 902-2-469.89-КЖ-6 Насосная станция сырого осадка. Стены подвала. Монолитные участки СМ1-СМ4. Спецификация. Начало ТП 902-2-469.89-КЖ-7 Насосная станция сырого осадка. Стены подвала. Монолитные участки СМ1-СМ4. Спецификация. Окончание ТП 902-2-469.89-КЖ-8 Насосная станция сырого осадка. Перекрытие на отм. 0.000. Покрытие. Схема расположения элементов ТП 902-2-469.89-КЖ-9 Насосная станция сырого осадка. Перекрытие на отм. 0.000. Монолитная балка БМ1 ТП 902-2-469.89-КЖ-10 Насосная станция сырого осадка. Фундаменты под оборудование. Трубки под электрокабели ТП 902-2-469.89-КЖ-11 Насосная станция сырого осадка. Помещение щитов. План кирпичных стен. Расположение рамок и щитов ТП 902-2-469.89-КЖИ КЖИ-строительные изделия ТП 902-2-469.89-КЖИ.-0.0.0.ТУ Технические условия ТП 902-2-469.89-КЖИ.-1.0 Панель стеновая ПС1-36-64а ТП 902-2-469.89-КЖИ.-2.0 Панель стеновая ПС1-36-64б ТП 902-2-469.89-КЖИ.-3.0 Панель стеновая ПС1-36-64в ТП 902-2-469.89-КЖИ.-4.0 Панель стеновая ПС1-36-64д ТП 902-2-469.89-КЖИ.-5.0 Панель стеновая ПС1-36-64г ТП 902-2-469.89-КЖИ.-6.0 Каркас КР1 ТП 902-2-469.89-КЖИ.-7.0 Каркас КР2 ТП 902-2-469.89-КЖИ.-8.0 Щит металлический Щ1 ТП 902-2-469.89-КЖИ.-9.0 Щиты паркетные ЩД1,ЩД2 ТП 902-2-469.89-КЖИ.-10.0 Щит паркетный ЩД3 ТП 902-2-469.89-КМ Конструкции металлические ТП 902-2-469.89-КМ-1 Насосная станция сырого осадка. Общие данные (начало) ТП 902-2-469.89-КМ-2 Насосная станция сырого осадка. Общие данные (продолжение) ТП 902-2-469.89-КМ-3 Насосная станция сырого осадка. Общие данные (окончание) ТП 902-2-469.89-КМ-4 Насосная станция сырого осадка. Пути подвесного крана. Монорельсовые пути. Схемы расположения элементов. Узлы 1,2 ТП 902-2-469.89-КМ-5 Насосная станция сырого осадка. Монорельсовые пути. Узел 3 ТП 902-2-469.89-КМ-6 Насосная станция сырого осадка. Лестницы и площадки на отм. -2.300;-2.600;-3.200. Ограждения. Схема расположения элементов ТП 902-2-469.89-КМ-7 Насосная станция сырого осадка. Площадки на отм. -2.300;-2.600;-3.200. МП1,МП2,МП3 ТП 902-2-469.89-КМ-8 Насосная станция сырого осадка. Лестницы и площадки на отм. 0.000. Ограждения. Схема расположения элементов. Узлы 1,2 ТП 902-2-469.89-КМ-9 Насосная станция сырого осадка. Площадка МП4. Площадки на отм. -2.300;-2.600;-3.200. Узлы 1-5 ТП 902-2-469.89-КМ-10 Насосная станция сырого осадка. Площадки на отм. -2.400. Лестница. Ограждения. Схема расположения элементов. МП5. Узлы 1,2 ТП 902-2-469.89-КМ-11 Насосная станция сырого осадка. Подвеска и крепление технологических трубопроводов. План. Сечение. Узлы |
| Разработан: | МосводоканалНИИпроект |
| Утверждён: | 24.04.1989 Мосгорисполком (Mosgorispolkom 841р) |
































