Скачать Руководство по совершенствованию организации и проведения контроля качества при производстве строительно-монтажных работДата актуализации: 01.01.2021 |
| Статус: | справочные материалы, мп, тпр |
| Название рус.: | Руководство по совершенствованию организации и проведения контроля качества при производстве строительно-монтажных работ |
| Дата добавления в базу: | 01.10.2014 |
| Дата актуализации: | 01.01.2021 |
| Область применения: | В документе изложены общие положения, обязанности, структура и штаты строительных лабораторий и метрологических служб, а также мероприятия по совершенствованию контроля качества строительно-монтажных работ. Руководство рассчитано на инженерно-технических работников строительных лабораторий и метрологических служб трестов и их производственных предприятий. |
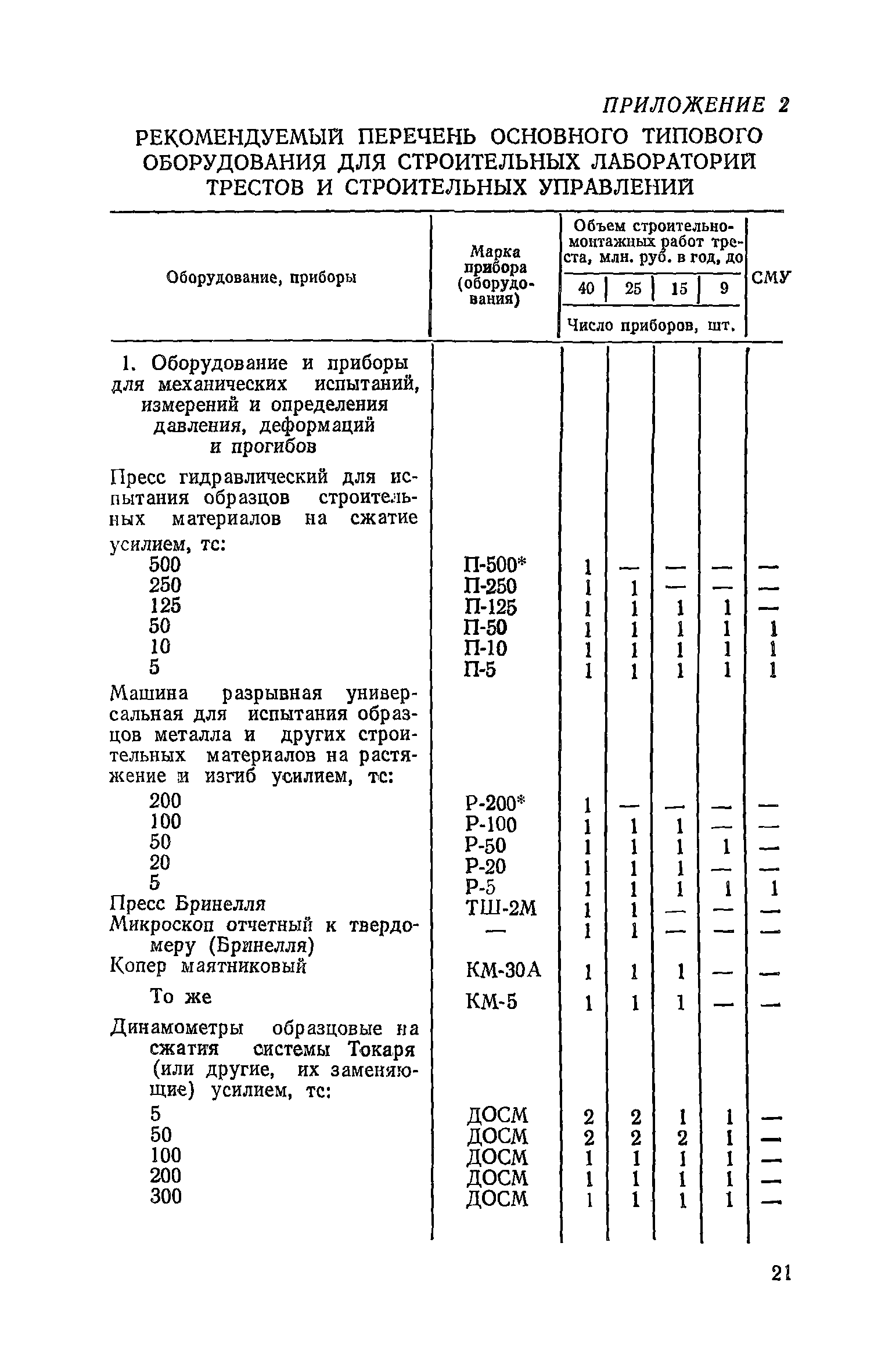
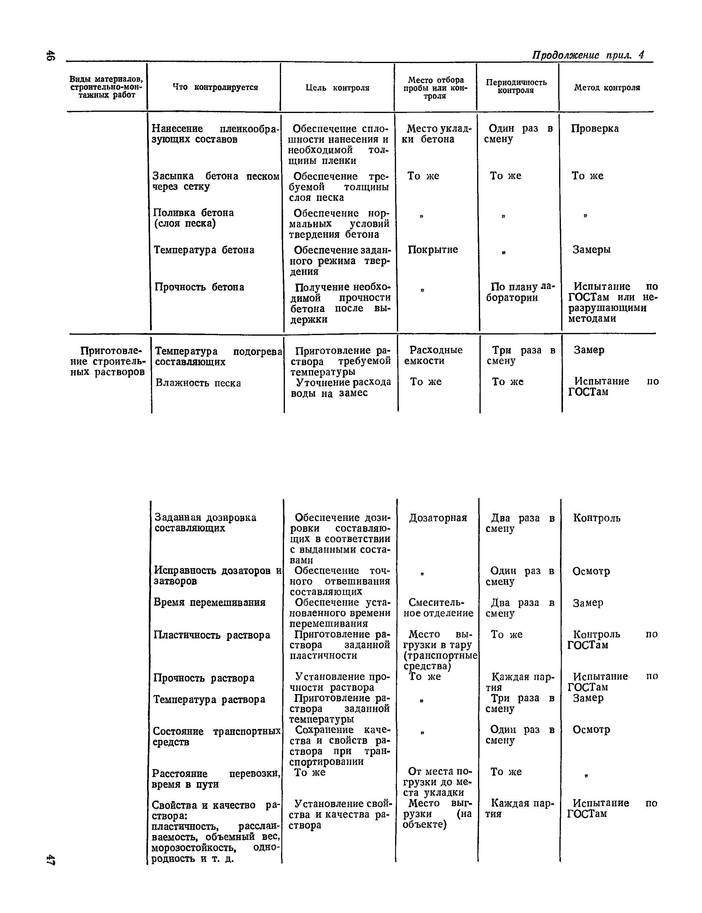
| Оглавление: | Предисловие Часть 1. Совершенствование организации и проведение лабораторного контроля 1. Организация лабораторного контроля 2. Проведение лабораторного контроля Часть II. Совершенствование организации и проведения метрологического контроля 3. Организация метрологической службы в строительно-монтажных организациях (трестах и СМУ) и на предприятиях 4. Проведение метрологического контроля качества продукции при производстве строительно-монтажных работ Приложение 1. Рекомендуемые структура и штаты строительных и заводских производственных лабораторий Приложение 2. Рекомендуемый перечень основного типового оборудования для строительных лабораторий трестов и строительных управлений Приложение 3. Рекомендуемая площадь служебных помещений строительных и заводских производственных лабораторий, м2 Приложение 4. Схема пооперационного лабораторного контроля за качеством строительных материалов и строительно-монтажных работ Приложение 5. Перечень основных документов, оформляемых во время строительно-монтажных работ Приложение 6. Программа обучения лаборантов строительных лабораторий Приложение 7. Основные требования по технике безопасности и размещению оборудования в лабораториях измерительной техники метрологической службы Приложение 8. Подготовка и квалификация кадров метрологической службы организаций Приложение 9. Основные положения Государственной системы обеспечения единства измерений Список использованной литературы |
| Разработан: | ЦНИИОМТП Госстроя СССР |
| Утверждён: | ЦНИИОМТП Госстроя СССР (TsNIIOMTP, USSR Gosstroy ) |
| Издан: | Стройиздат (1977 г. ) |
| Нормативные ссылки: |
|























































