Скачать Типовой проект 262-12-151 Альбом III. Часть 1. Электротехническая часть, устройство радио и связи, кинотехнологияДата актуализации: 01.01.2021
|
| Обозначение: | Типовой проект 262-12-151 |
| Обозначение англ: | 262-12-151 |
| Статус: | действует |
| Название рус.: | Альбом III. Часть 1. Электротехническая часть, устройство радио и связи, кинотехнология |
| Дата добавления в базу: | 01.10.2014 |
| Дата актуализации: | 01.01.2021 |
| Дата введения: | 30.11.1976 |
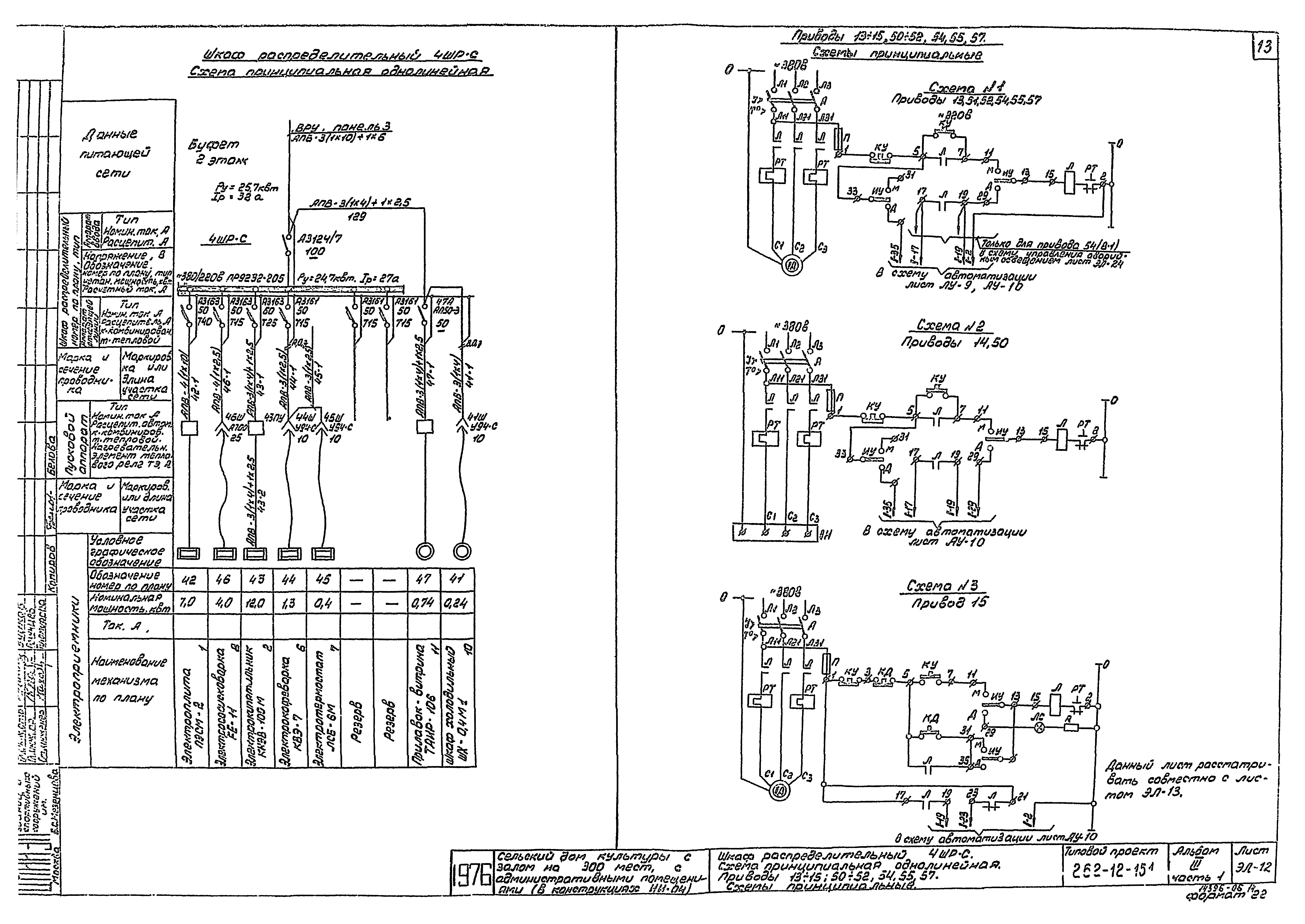
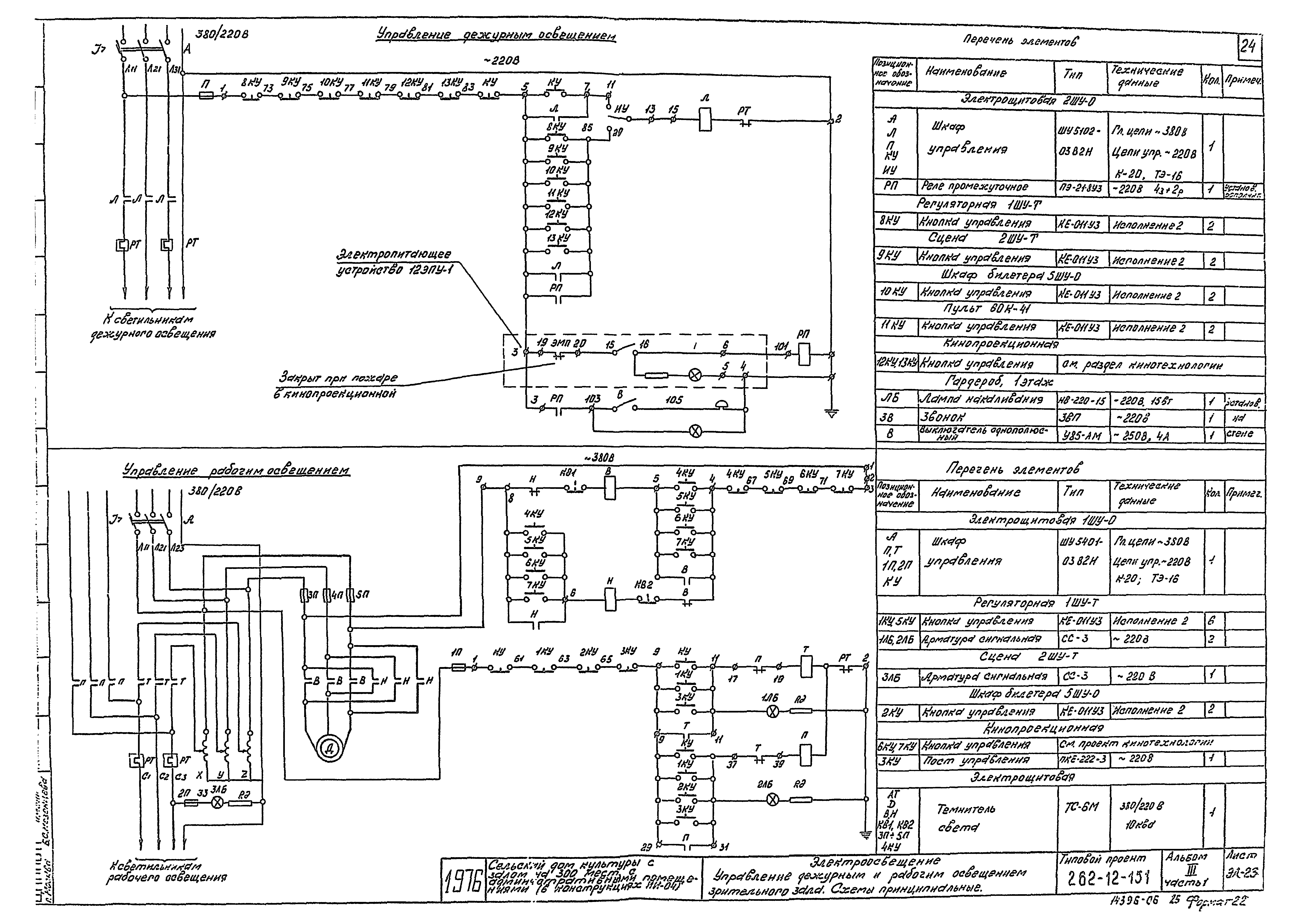
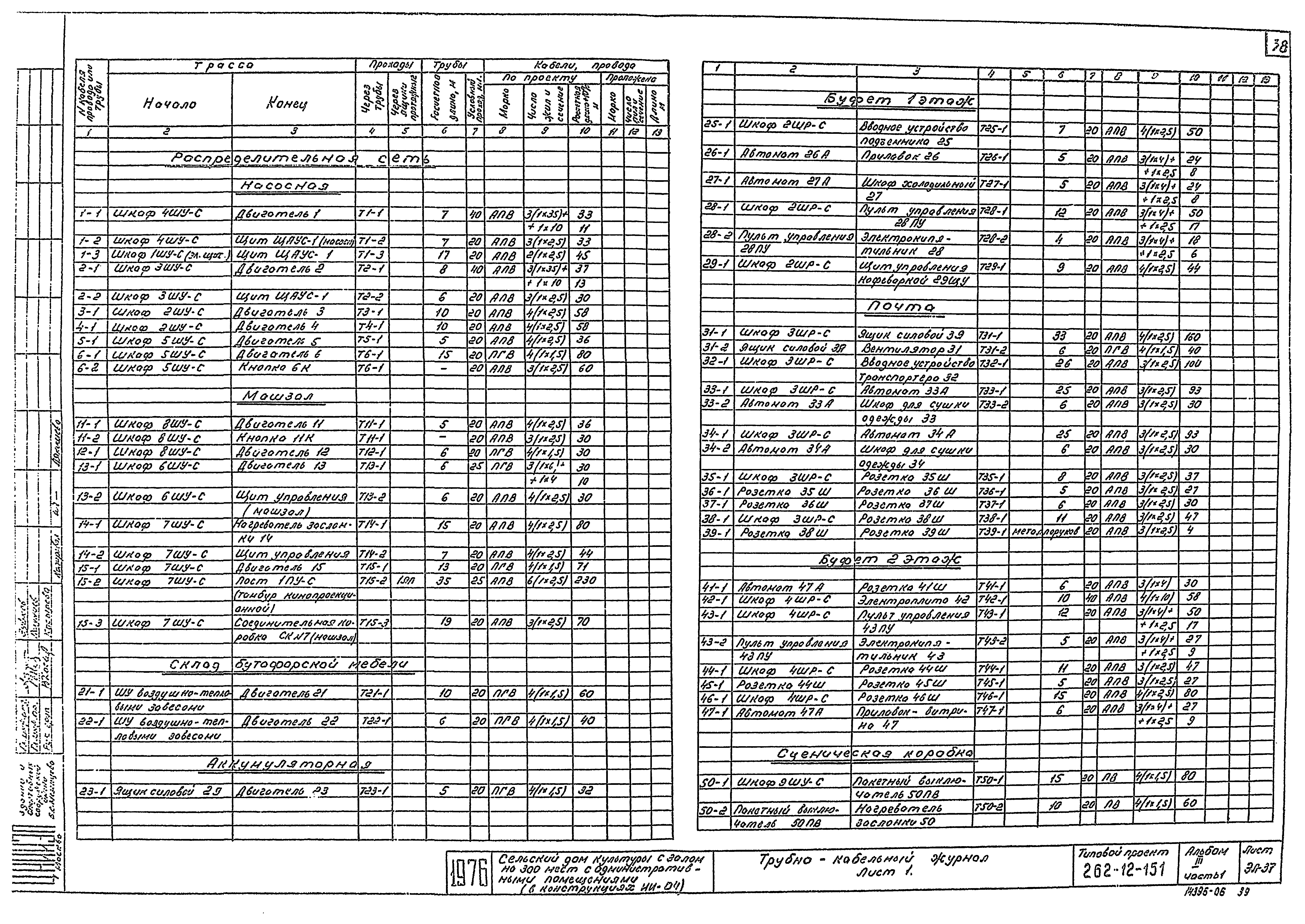
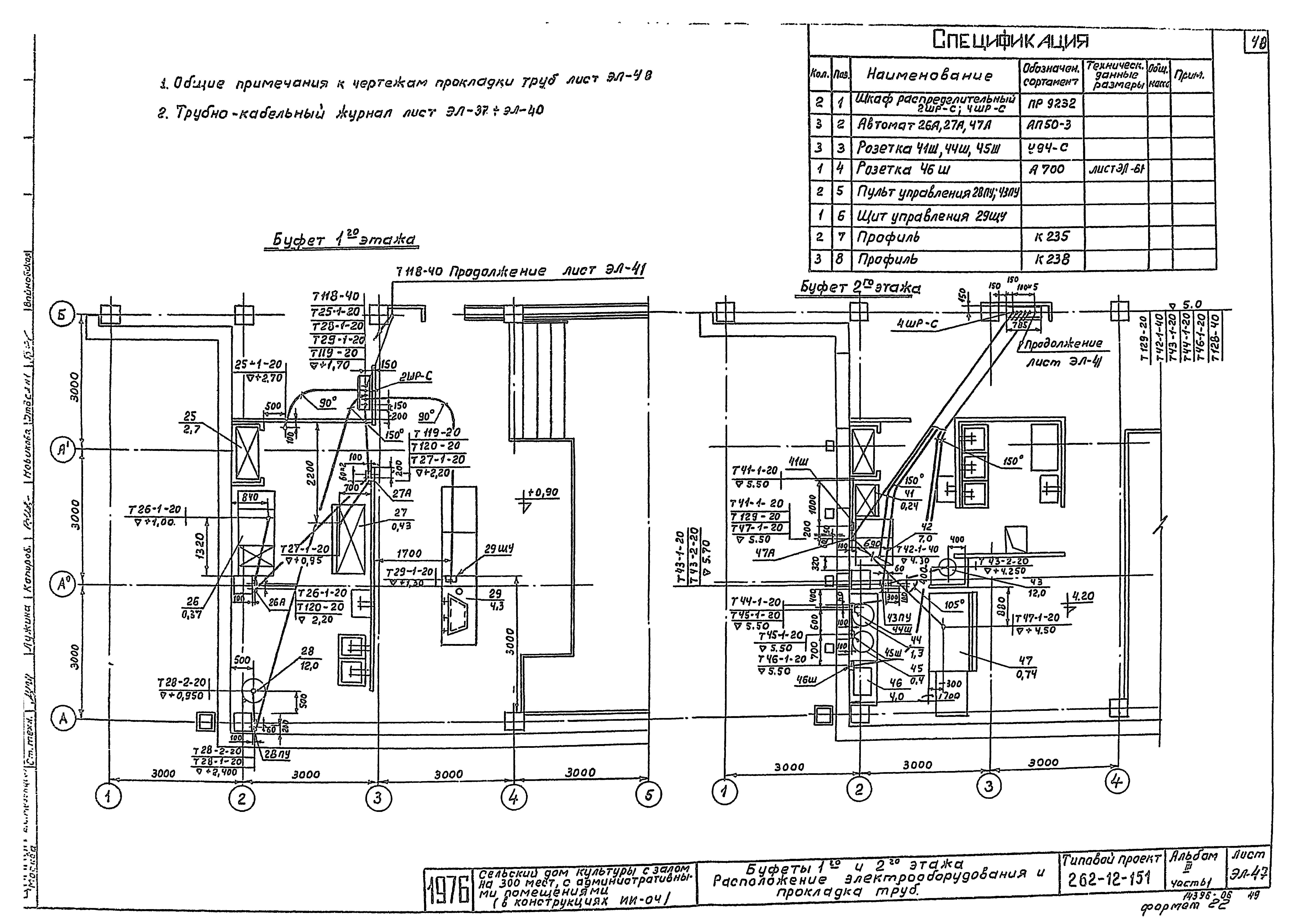
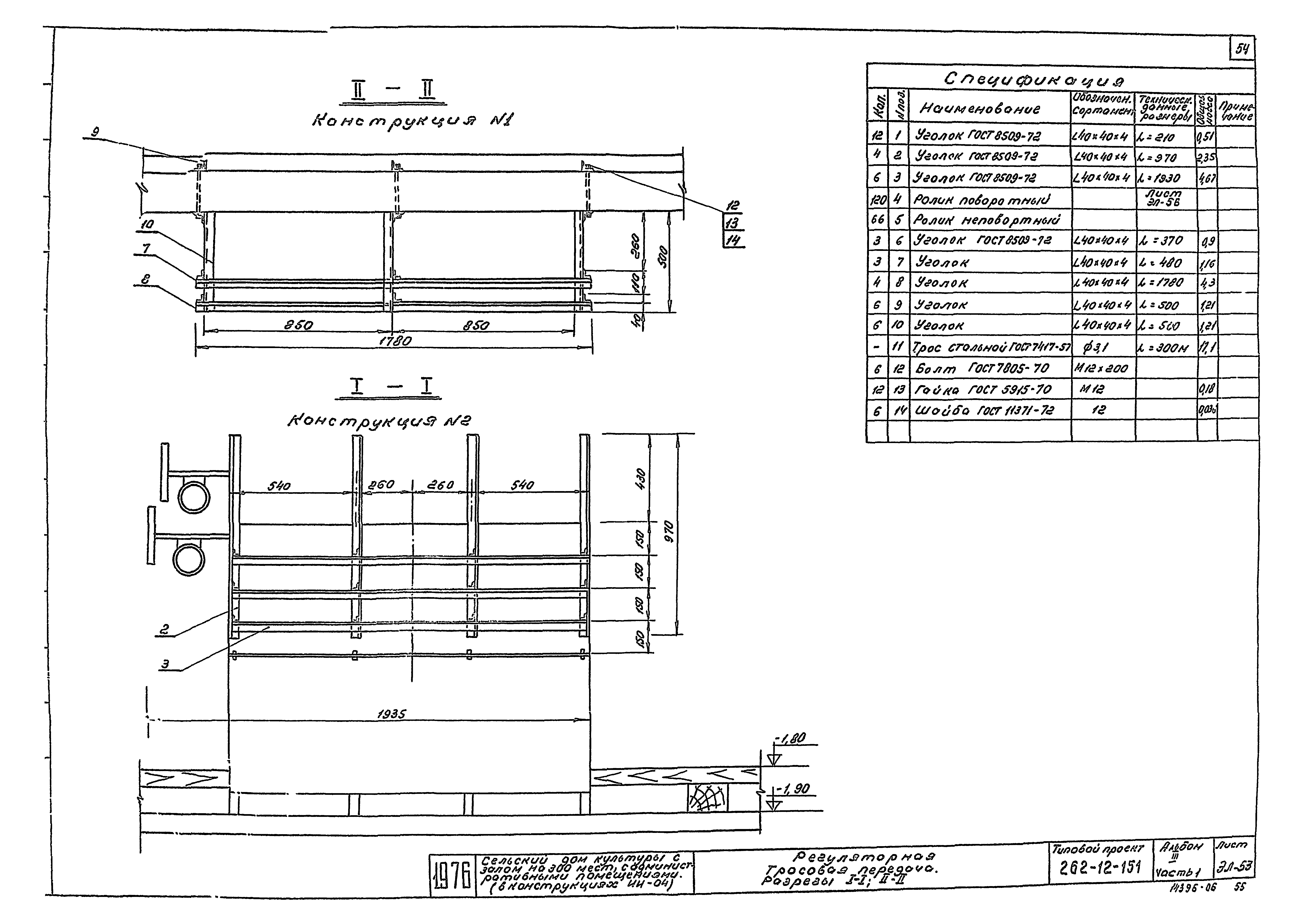
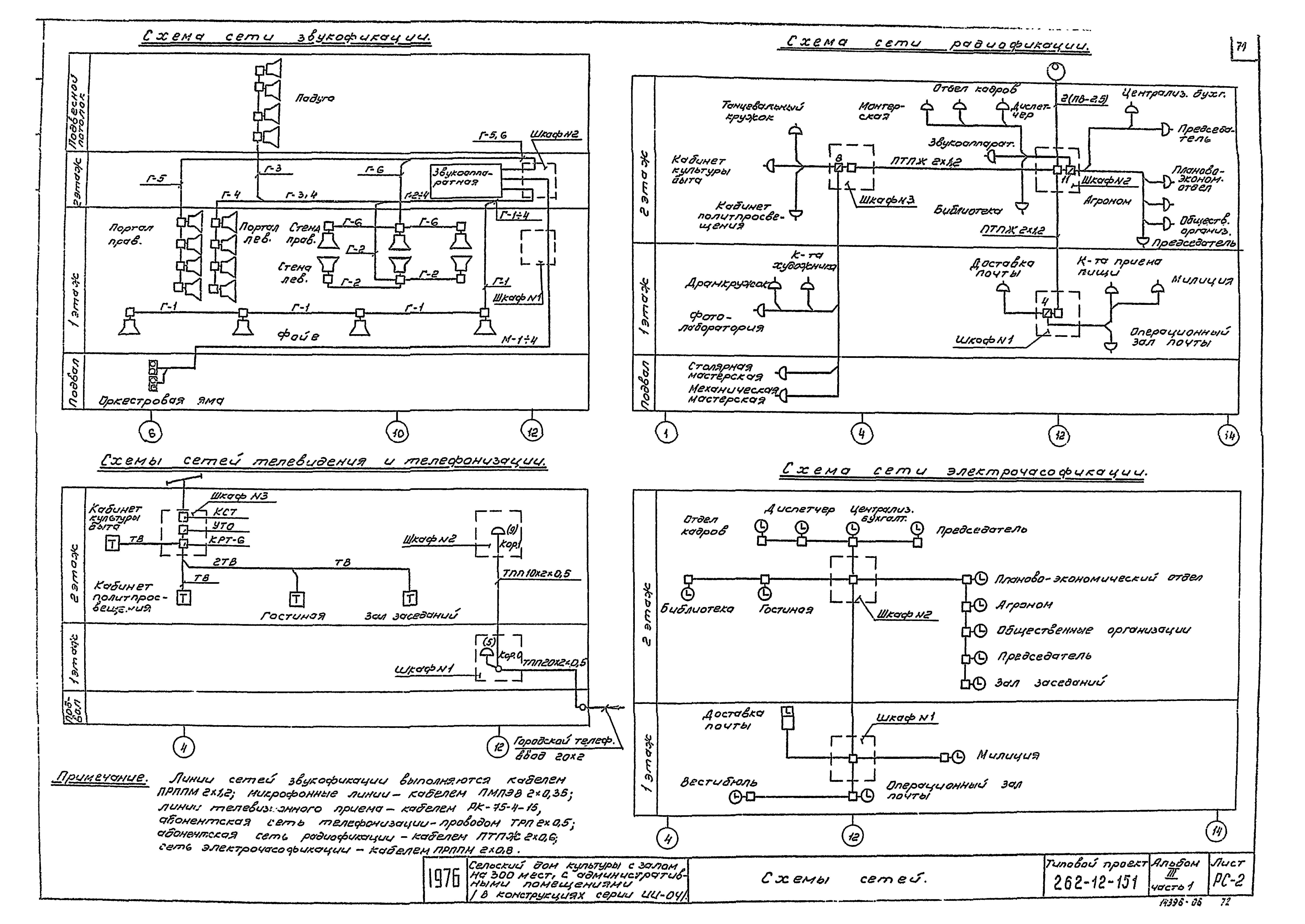
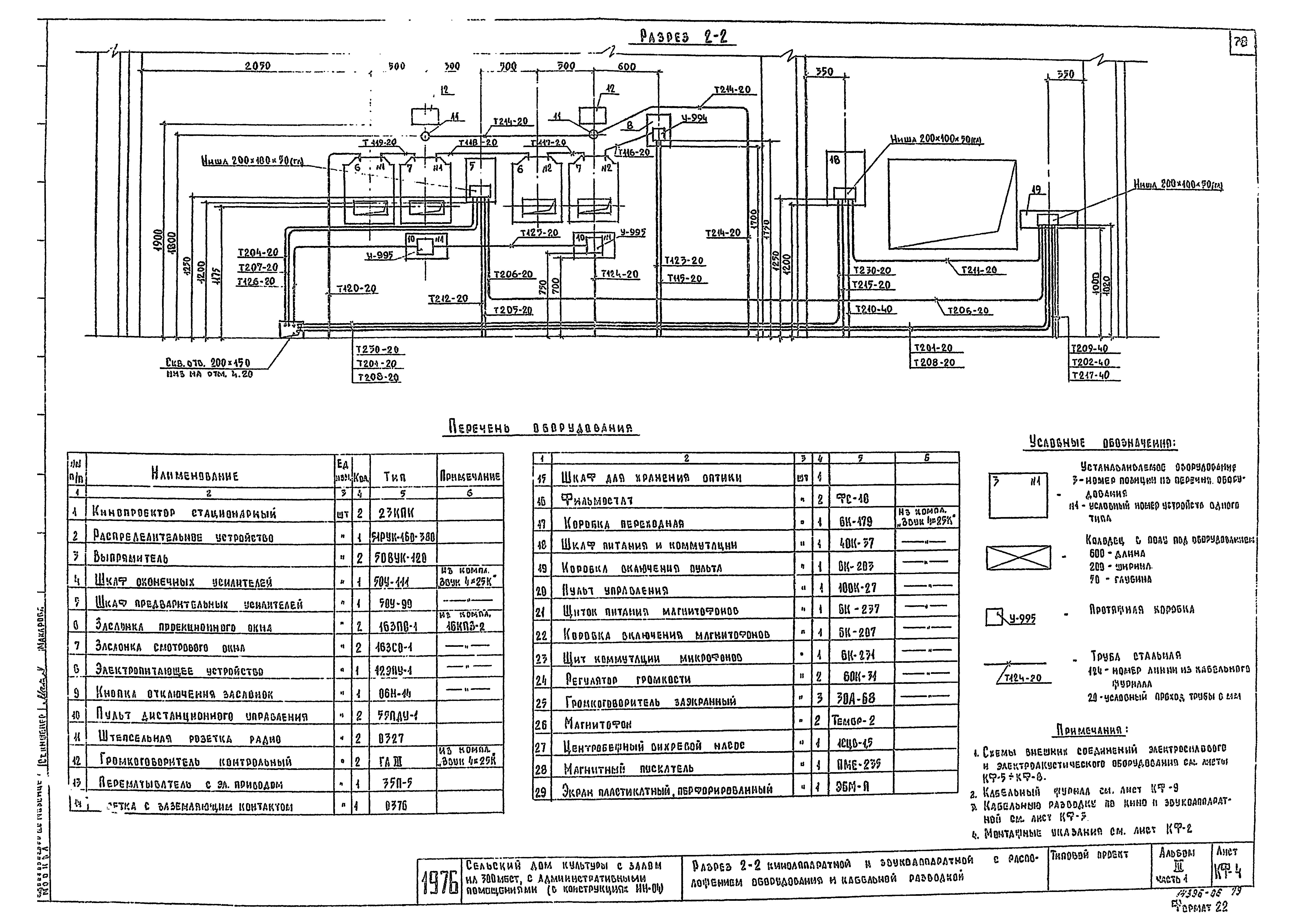
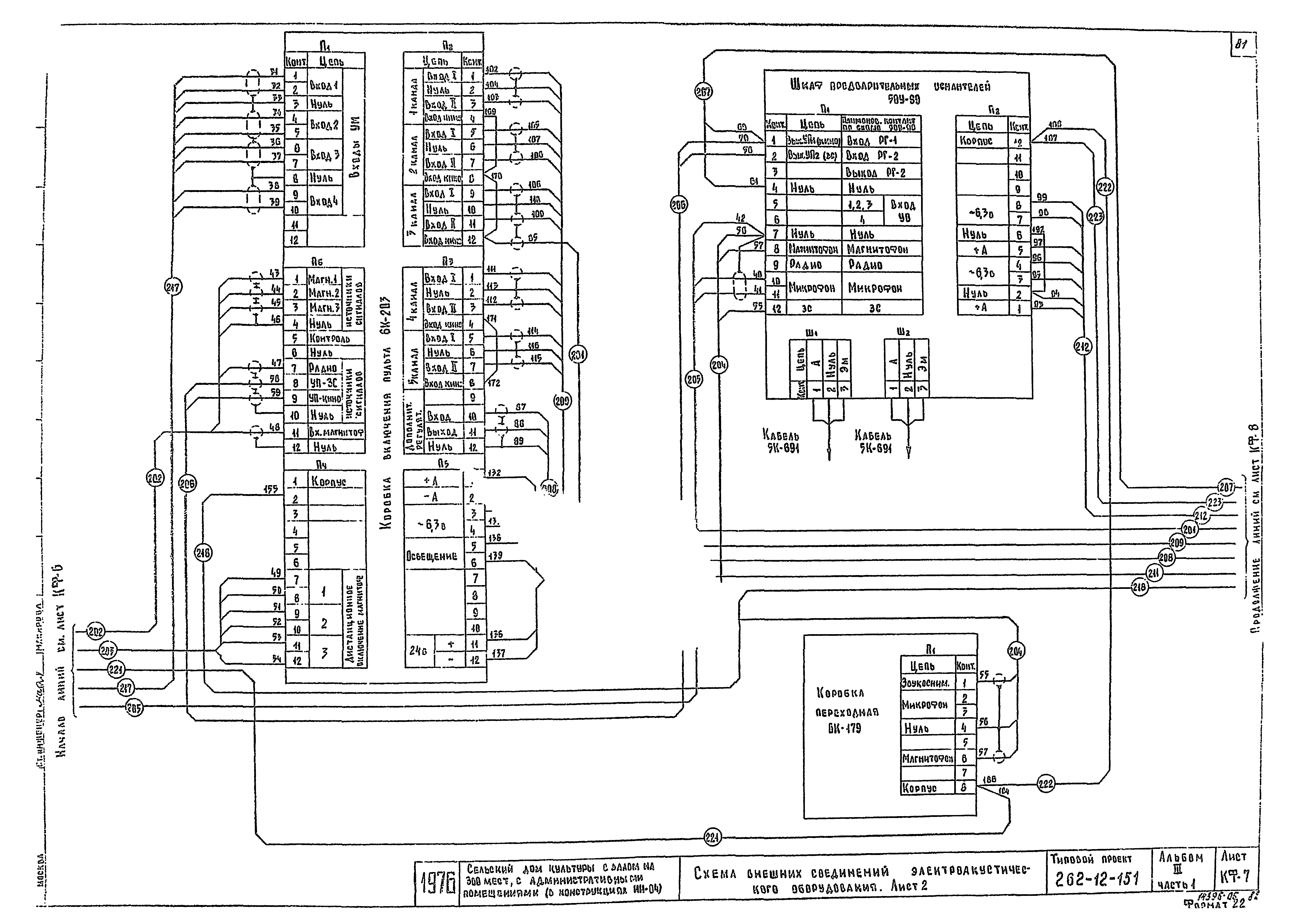
| Оглавление: | Силовое электрооборудование Перечень чертежей Пояснительная записка Сводная спецификация оборудования и материалов для монтажа электрооборудования Питающая сеть 380/220 В. Схема принципиальная однолинейная Вводно-распределительное устройство. Опросный лист Шкафы распределительные 2ШР-С, 3ШР-С. Схемы принципиальные однолинейные Шкафы управления 1ШУ-С - 14ШУ-С, щитки силовые 2А, 3А. Схема принципиальная однолинейная Шкаф распределительный 4ШР-С. Схема принципиальная однолинейная Приводы 1 - 6; 11, 12, 53, 56, 58. Схемы принципиальные Шкафы управления 1ШУ-С, 5ШУ-С. Схемы подключений Шкафы управления 3ШУ-С, 4ШУ-С, 6ШУ-С. Схемы подключений Шкафы управления 7ШУ-С, 8ШУ-С. Схемы подключений Шкафы управления 9ШУ-С - 11ШУ-С. Схемы подключений Шкафы управления 12ШУ-С, 13ШУ-С, нагреватель заслонки 50. Схемы подключений Освещение здания Электроосвещение. План подвала и венткамер Электроосвещение. План 1-го этажа Электроосвещение. План 2-го этажа Электроосвещение. План кровли. Расчетная схема питающей сети. Примечание. Условные обозначения Электроосвещение. Управление дежурным и рабочим освещением зрительного зала. Схемы принципиальные Электроосвещение. Управление сигнальным, аварийным освещением и рекламой. Схемы принципиальные Постановочное освещение Сводная таблица потребителей освещения сцены и подсчет мощностей План расположения светотехнического оборудования для освещения сцены. Условные обозначения Распределительный пульт освещения сцены. Схема принципиальная однолинейная Схемы разбивки ручек регулятора и щеток автотрансформаторов подключения нагрузки к щеткам автотрансформаторов Регулируемое и нерегулируемое освещение сцены. Ультрафиолетовое облучение. Схемы расчетные Рабочее освещение сцены. Дежурное освещение сцены. Режиссерская сигнализация. Схемы принципиальные Дымовые люки. Схемы принципиальные и подключения. Питание и управление силовых потребителей сцены. Схема принципиальная Антрактно-раздвижной занавес. Схемы принципиальные и подключения. Питание и управление силовых потребителей сцены Конструкции №1 и №2 для установки автотрансформаторов 1АТ, 2АТ и автоматов А3161 и А3162. Схемы соединений Разводка сети по рампе и софитам 1 - 2 планов. Примечания Конструктивное выполнение разводки софитным фермам I и II планов. Сборка с магнитными пускателями. Схема соединений Рабочее и аварийное освещение. Режиссерская сигнализация. Планы трюма, планшета и рабочих галерей. Общие примечания Конструктивные чертежи Трубно-кабельный журнал План подвала. Расположение электрооборудования и прокладка труб План 1-го этажа. Расположение электрооборудования и прокладка труб План 2-го этажа. Расположение электрооборудования и прокладка труб Электрощитовая. Расположение электрооборудования и прокладка труб Машзал. Расположение электрооборудования и прокладка труб Венткамеры №1 и №2. Насосная станция. Расположение электрооборудования и прокладка труб Буфеты 1-го и 2-го этажей. Расположение электрооборудования и прокладка труб Почта. Расположение электрооборудования и прокладка труб. Общие примечания к чертежам прокладки труб Сцена. Расположение электрооборудования и прокладка труб. Спецификация материалов к плану 1-го и 2-го этажей Рабочая галерея. Расположение электрооборудования и прокладка труб. Ведомость изделий монтажно-заготовительного участка Регуляторная. Расположение электрооборудования и прокладка труб Регуляторная. Тросовая передача Регуляторная. Тросовая передача. Разрезы I-I, II-II Регуляторная. Тросовая передача. Поворотный ролик Технические условия на изготовление гибких сценических лент Шкаф аккумуляторов Узлы установки светильников Сборка с магнитными пускателями. Общий вид Коробка со штепсельной розеткой А700. Коробка со штепсельной розеткой У210 Штепсельная коробка на 4ШТС-40Л типа ШКГ-4. Штепсельная коробка на 6ШТС-40Л типа ШКГ-6. Общий вид Штепсельная коробка ШКГ-4, ШКГ-6. Детали Конструкция для установки автотрансформатора и автоматов. Общий вид и детали Штепсельная коробка КШС. Общий вид и детали Установка прожекторов для бокового освещения эстрады. Конструкция для установки темнителей ТС-5, ТС-6 Конструкция для установки выпрямителя ВСА-5А. Конструкция для установки кнопки ПКЕ-212-2 Клеммный ящик на 20 клемм. Конструкции №1 и №2 Радио и связь Перечень чертежей. Пояснительная записка. Условные обозначения Схемы сетей Сети на планах 1 этажа и подвала Сети на плане 2 этажа Сводная спецификация на устройства радио и связи Чертежи основного комплекта марки КФ Перечень чертежей. Пояснительная записка. Сводная спецификация кинотехнологического оборудования и основных монтажных материалов План и разрез 1-1 зала с расположением оборудования и кабельной разводкой План киноаппаратной и звукоаппаратной с расположением оборудования и кабельной разводкой Разрез 2-2 киноаппаратной и звукоаппаратной с расположением оборудования и кабельной разводкой Схема внешних соединений электросилового оборудования Схема внешних соединений электроакустического оборудования Кабельный журнал |
| Разработан: | ЦНИИЭП зрелищных зданий и спортивных сооружений им. Б.С. Мезенцева |
| Утверждён: | 09.10.1976 Госгражданстрой (Gosgrazhdanstroy 6) |

















































































