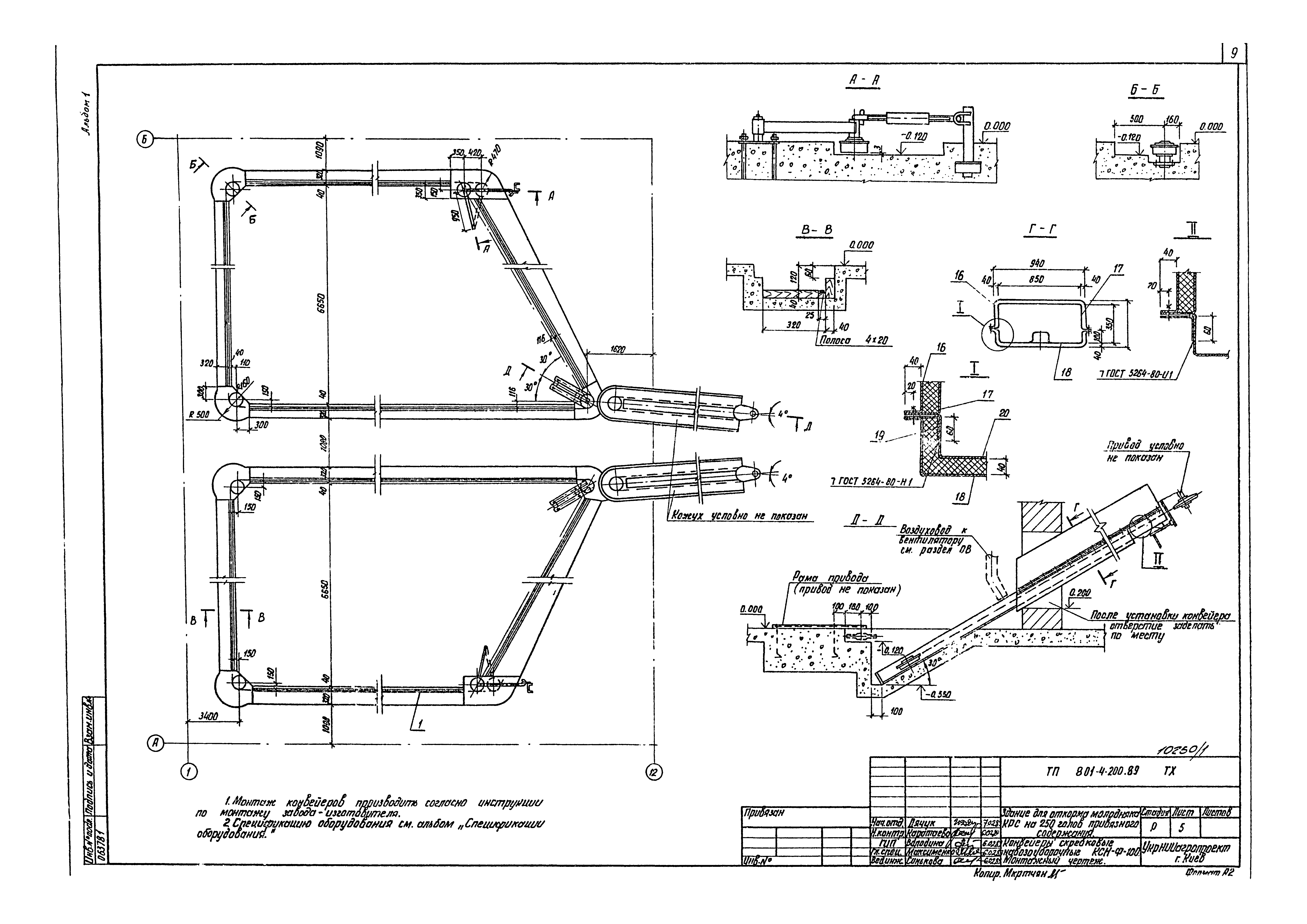
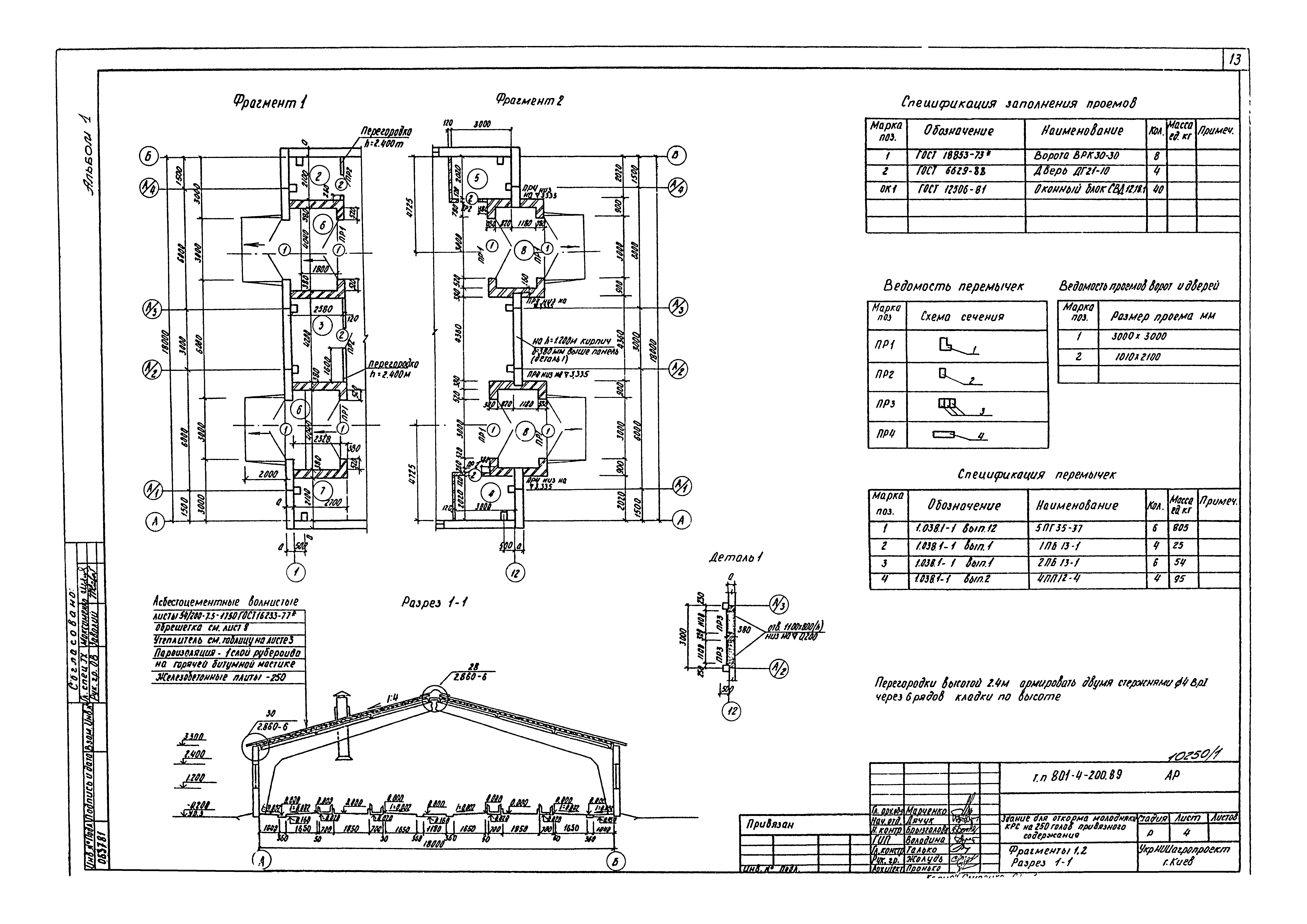
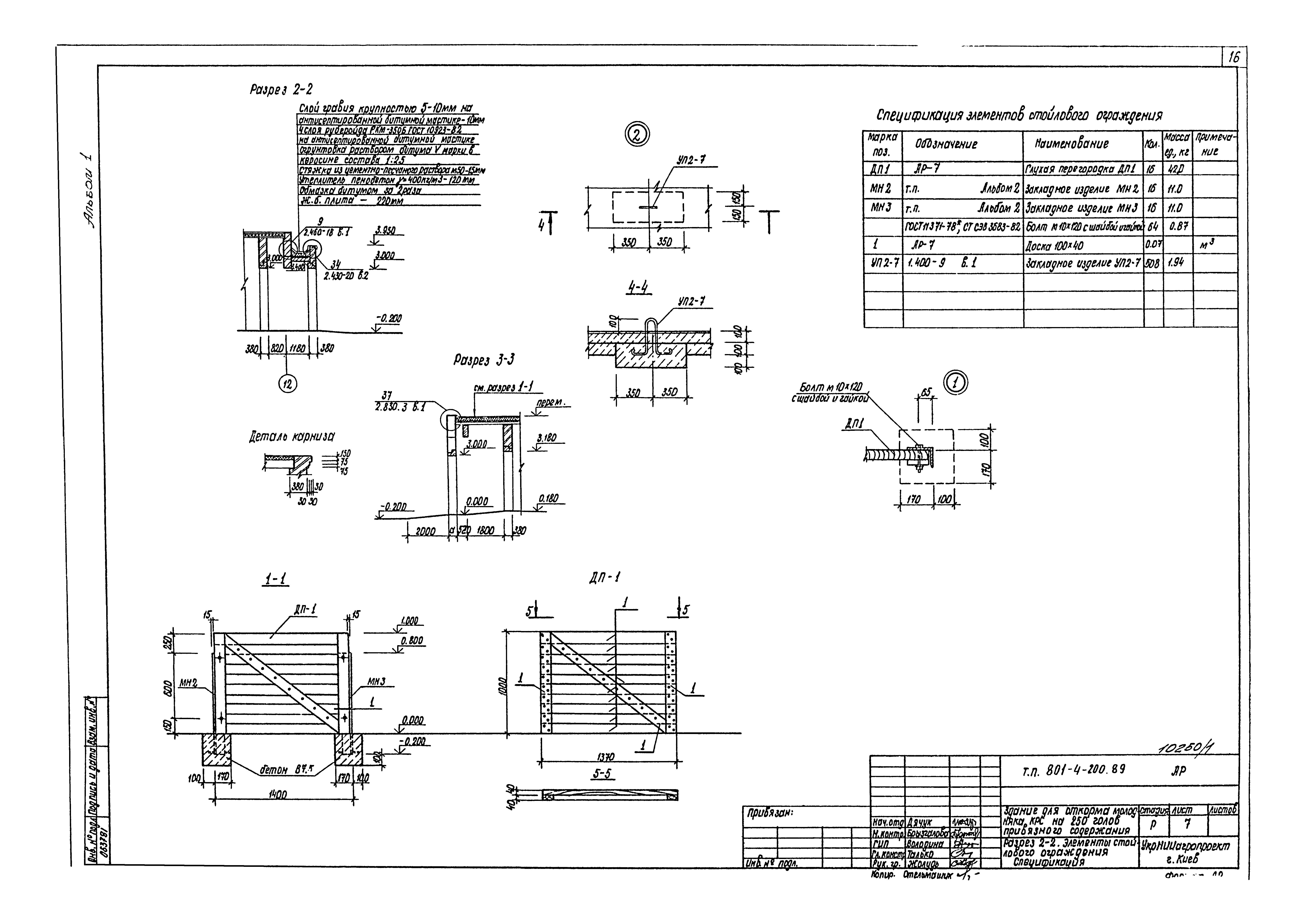
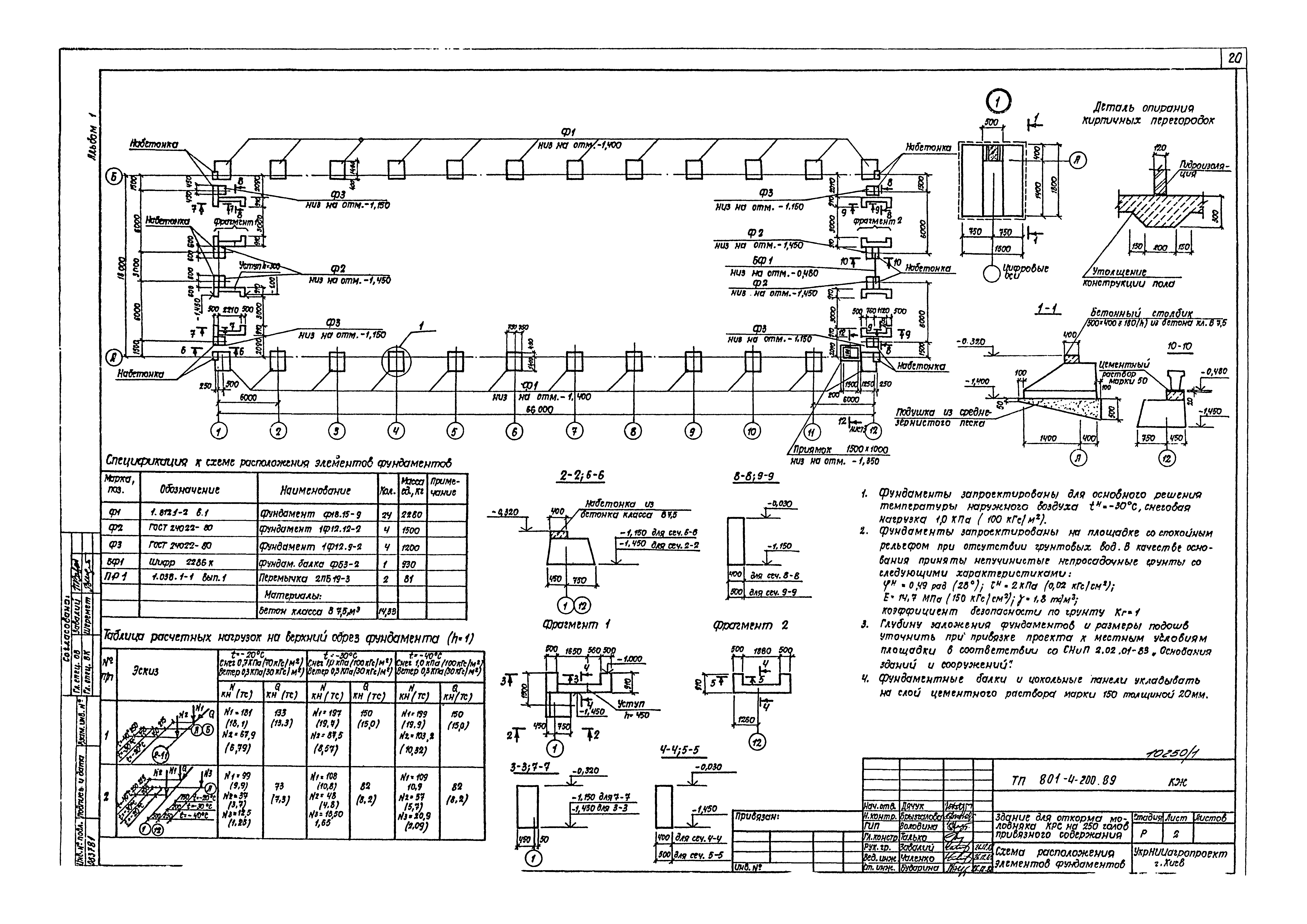
Скачать Типовой проект 801-4-200.89 Альбом 1. Пояснительная записка. Технология производства. Архитектурные решения. Конструкции железобетонные. Внутренние водопровод и канализация. Отопление и вентиляция. Электрооборудование. АвтоматизацияДата актуализации: 01.01.2021 Типовой проект 801-4-200.89
Альбом 1. Пояснительная записка. Технология производства. Архитектурные решения. Конструкции железобетонные. Внутренние водопровод и канализация. Отопление и вентиляция. Электрооборудование. Автоматизация| Обозначение: | Типовой проект 801-4-200.89 | | Обозначение англ: | 801-4-200.89 | | Статус: | действует | | Название рус.: | Альбом 1. Пояснительная записка. Технология производства. Архитектурные решения. Конструкции железобетонные. Внутренние водопровод и канализация. Отопление и вентиляция. Электрооборудование. Автоматизация | | Дата добавления в базу: | 12.02.2016 | | Дата актуализации: | 01.01.2021 | | Дата введения: | 15.06.1989 | | Разработан: | УкрНИИагропроект
| | Утверждён: | 15.06.1989 Укрнииагропроект (126)
| | Издан: | ЦИТП Госстроя СССР (CITP, Gosstroy (USSR) 1991 г. )
| | Заменяет собой: | |
                                            
|