Скачать Типовой проект 704-1-58 Альбом III. Основание и фундаментыДата актуализации: 01.01.2021
|
| Обозначение: | Типовой проект 704-1-58 |
| Обозначение англ: | 704-1-58 |
| Статус: | действует |
| Название рус.: | Альбом III. Основание и фундаменты |
| Дата добавления в базу: | 01.10.2014 |
| Дата актуализации: | 01.01.2021 |
| Дата введения: | 19.10.1970 |
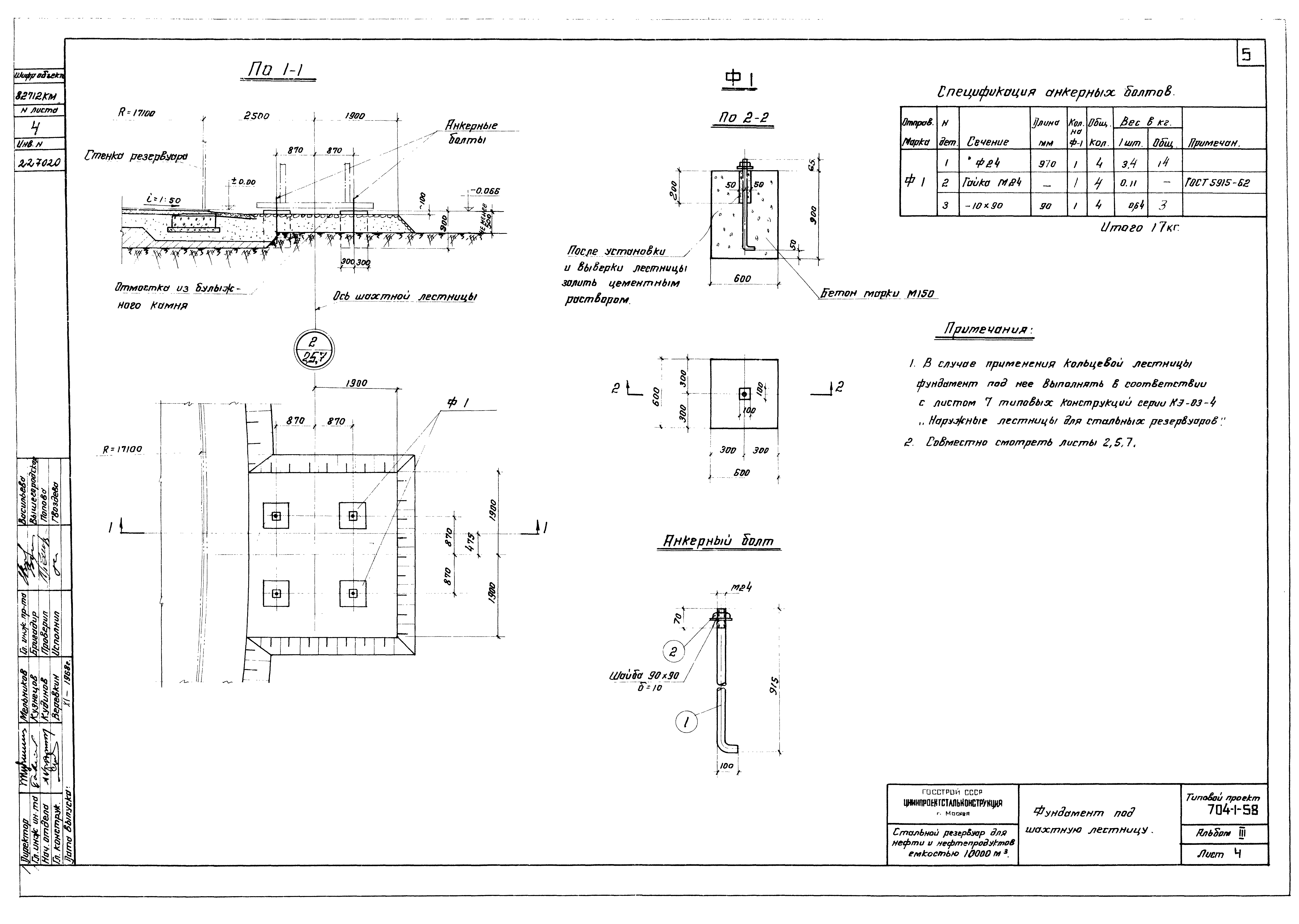
| Оглавление: | Содержание альбома и пояснительная записка Основание и фундаменты Фундаментная плита Фундамент под шахтную лестницу Основание и фундаменты под резервуар с анкеровкой стенки Закладные детали и армирование фундамента Основание и фундаменты при строительстве в районах с сейсмичностью 8 и 9 баллов Армирование фундамента при строительстве в районах с сейсмичностью 8 и 9 баллов |
| Разработан: | ЦНИИпроектстальконструкция |
| Утверждён: | 19.10.1970 ЦНИИпроектстальконструкция (TsNIIprojectstalkonstruktsiya 185) |









