Скачать Типовой проект 704-1-58 Альбом IV. Оборудование резервуара с понтоном для нефти и бензинаДата актуализации: 01.01.2021
|
| Обозначение: | Типовой проект 704-1-58 |
| Обозначение англ: | 704-1-58 |
| Статус: | действует |
| Название рус.: | Альбом IV. Оборудование резервуара с понтоном для нефти и бензина |
| Дата добавления в базу: | 01.10.2014 |
| Дата актуализации: | 01.01.2021 |
| Дата введения: | 19.10.1970 |
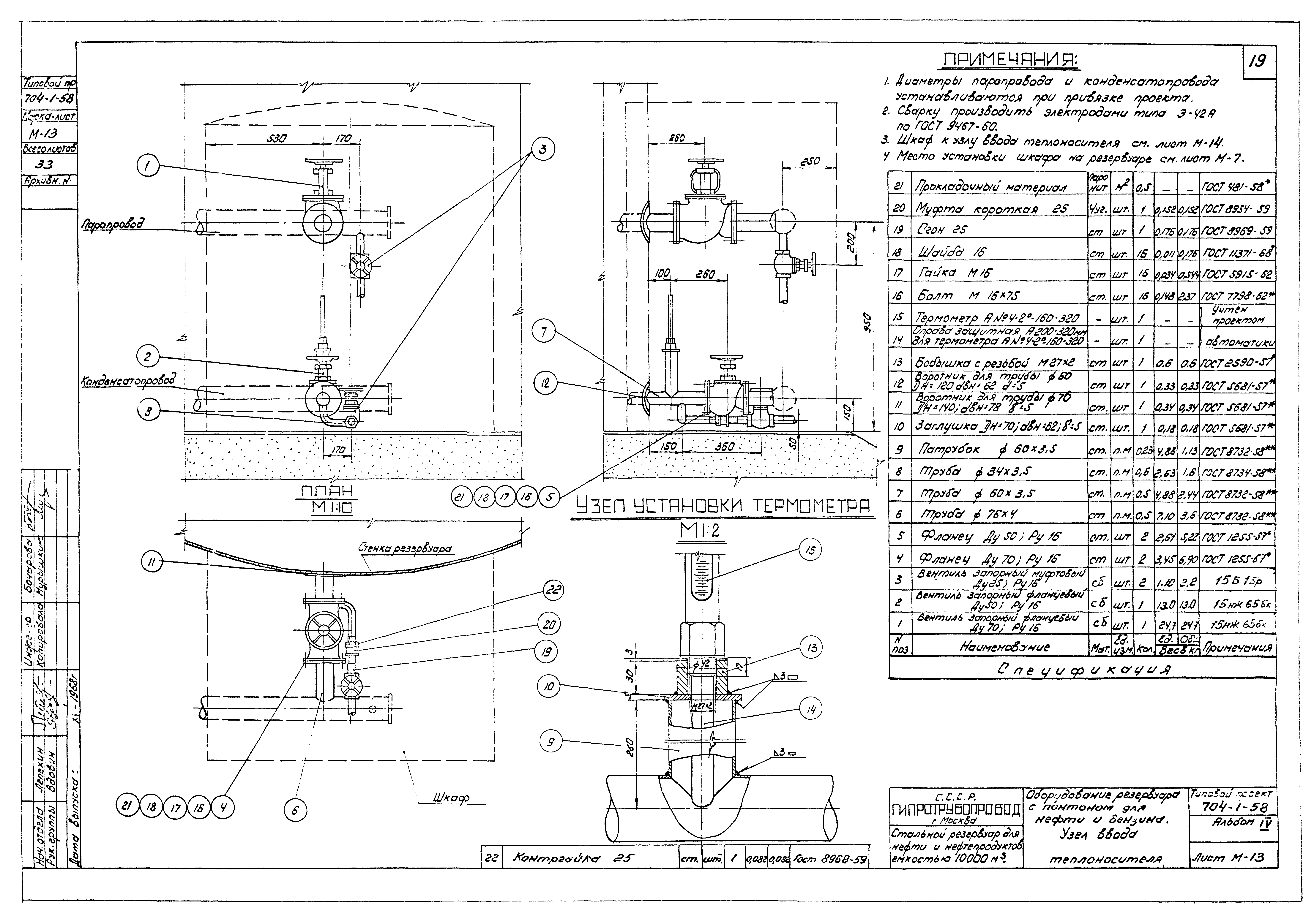
| Оглавление: | Содержание альбома Пояснительная записка Общий вид оборудования резервуара Спецификация Установка приемо-раздаточного патрубка Dy400. Узел "А" Установка приемо-раздаточного патрубка Dy500. Узел "А" Установка огневого предохранителя ОП-500 Установка винтовых мешалок Подогревательная система и система предотвращения выпадения осадков Общий вид "размывающей головки" Опора скользящая под трубу Dy300 Опора скользящая под трубу Dy500 Подогреватель секционный Опора под секционный подогреватель. Опора для трубопроводов Узел ввода теплоносителя Шкаф к паровому узлу секционных подогревателей. Общий вид Шкаф к паровому узлу секционных подогревателей. Узлы Шкаф к паровому узлу секционных подогревателей. Детали Принципиальная схема стационарной установки пеногенераторов типа ГВП Установка кольца орошения Принципиальная схема автоматизации для резервуара с подогревом Принципиальная схема автоматизации для резервуара без подогрева Установка указателя уровня УДУ-5 Установка пробоотборника ПСР-7 Грозозащита и защита от статического электричества. Общий вид Грозозащита и защита от статического электричества. Крепление молниеотвода к корпусу резервуара Принципиальная схема управления электродвигателем хлопушки |
| Разработан: | ЦНИИпроектстальконструкция |
| Утверждён: | 19.10.1970 ЦНИИпроектстальконструкция (TsNIIprojectstalkonstruktsiya 185) |

































