Скачать Руководство по перевозке автомобильным транспортом строительных конструкцийДата актуализации: 01.01.2021
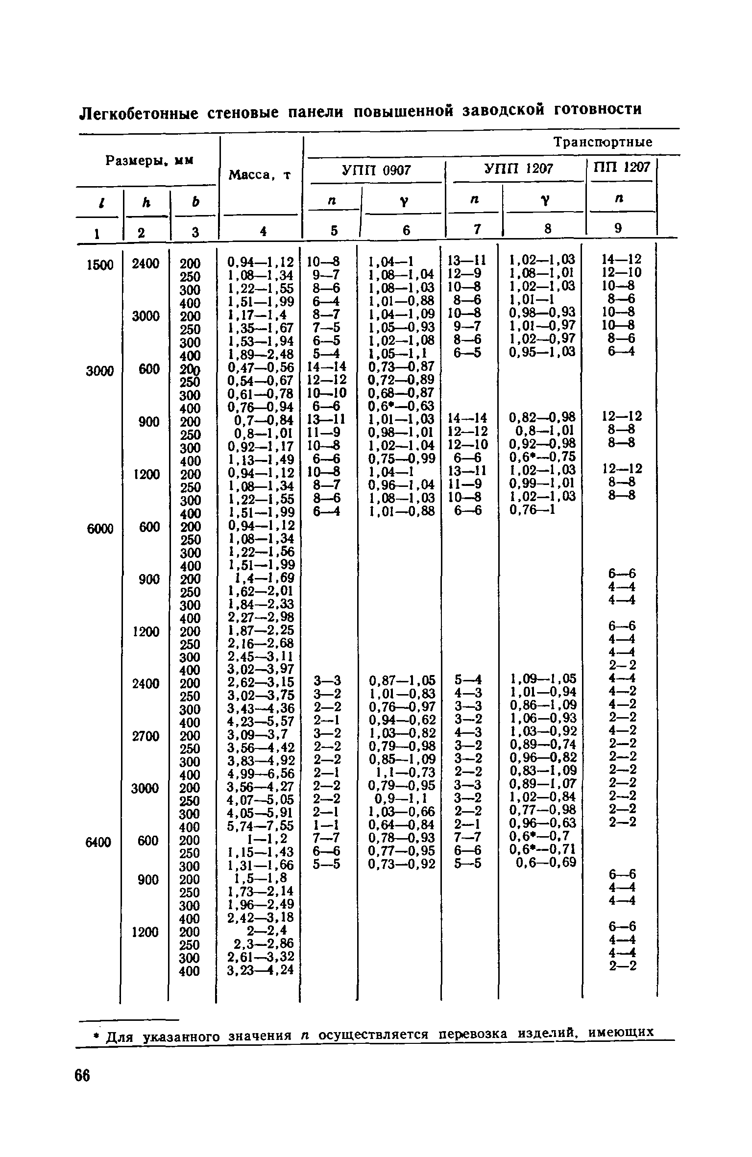
Руководство по перевозке автомобильным транспортом строительных конструкций| Статус: | справочные материалы, мп, тпр | | Название рус.: | Руководство по перевозке автомобильным транспортом строительных конструкций | | Дата добавления в базу: | 01.10.2014 | | Дата актуализации: | 01.01.2021 | | Область применения: | В документе приведены указания по перевозке строительных конструкций для жилищного, промышленного и сельскохозяйственного строительства (стеновых панелей, панелей и плит покрытий и перекрытий, диафрагм жесткости, колонн, свай, балок и ригелей, ферм, объемных блоков, санитарно-технических кабин, блоков шахтлифтов, стоек опор воздушных линий электропередач, полурам животноводческих помещений и деревянных клееных конструкций для сельского строительства). Содержит требования к положению изделий при перевозке, местам опирания, крепления и т. д. Для каждого типо-размера конструкций, указаны автотранспортные средства, на которых возможна их перевозка, и количество перевозимых изделий. Приведены данные по себестоимости перевозки строительных конструкций различными автотранспортными средствами.
Для инженерно-технических работников, занимающихся вопросами перевозки и создания строительных конструкций, а также разработкой специализированных автотранспортных средств для их доставки. | | Оглавление: | 1. Общие положения 2. Автотранспортные средства для перевозки строительных конструкций Общие требования к автотранспортным средствам Автотранспортные средства общего назначения Специализированные автотранспортные средства Способы организации перевозки строительных конструкций и подбор автотранспортных средств Определение производительности автотранспортных средств и себестоимости перевозки строительных конструкций 3. Перевозка строительных конструкций Общие положения Стеновые панели Стеновые и перегородочные панели для цилиндрических и прямоугольных сооружений Диафрагмы жесткости Панели и плиты перекрытий и покрытий Колонны Сваи Балки и ригели Стойки опор воздушных линий электропередач ВЛ 35 кВ Фермы Объемные блоки Санитарно-технические кабины. Блоки шахт лифтов Железобетонные полурамы животноводческих помещений Клееные деревянные несущие конструкции для сельского строительства Приложение 1. Техническая характеристика грузовых автомобилей с бортовой платформой Приложение 2. Техническая характеристика прицепов общего назначения Приложение 3. Техническая характеристика седельных тягачей Приложение 4. Техническая характеристика полуприцепов общего назначения Приложение 5. Техническая характеристика полуприцепов панелевозов Приложение 6. Техническая характеристика полуприцепов плитовозов и полуприцепов-балковозов Приложение 7. Техническая характеристика полуприцепов фермовозов Приложение 8. Техническая характеристика полуприцепов сантехкабиновозов Приложение 9. Техническая характеристика полуприцепов блоковозов Приложение 10. Техническая характеристика полуприцепов для перевозки железобетонных полурам животноводческих помещений Приложение 11. Организации-разработчики технической документации на типовые специализированные полуприцепы Приложение 12. Себестоимость перевозки 1 т строительных конструкций автотранспортными средствами | | Разработан: | ЦНИИОМТП Госстроя СССР
| | Утверждён: | ЦНИИОМТП Госстроя СССР (TsNIIOMTP, USSR Gosstroy )
| | Издан: | Стройиздат (1980 г. )
| | Нормативные ссылки: | |
                                                                                                                
|