Скачать Методическое руководство по совершенствованию анализа и планирования производительности труда в строительно-монтажных организациях

Дата актуализации: 01.01.2021

Методическое руководство по совершенствованию анализа и планирования производительности труда в строительно-монтажных организациях

Статус:справочные материалы, мп, тпр
Название рус.:Методическое руководство по совершенствованию анализа и планирования производительности труда в строительно-монтажных организациях
Дата добавления в базу:01.10.2014
Дата актуализации:01.01.2021
Область применения:Документ предназначен для анализа и планирования производительности труда на разных уровнях управления в строительстве. Для инженерно-технических работников строительно-монтажных и проектно-технологических организаций, строительных министерств и ведомств.
Оглавление:Предисловие
1. Общие положения
2. Исходные данные
3. Основные методические принципы системы анализа и планирования производительности труда
4. Алгоритм выполнения расчетов
5. Учет отраслевых и регионально-климатических особенностей в расчетах на сводном уровне
6. Примеры расчетов
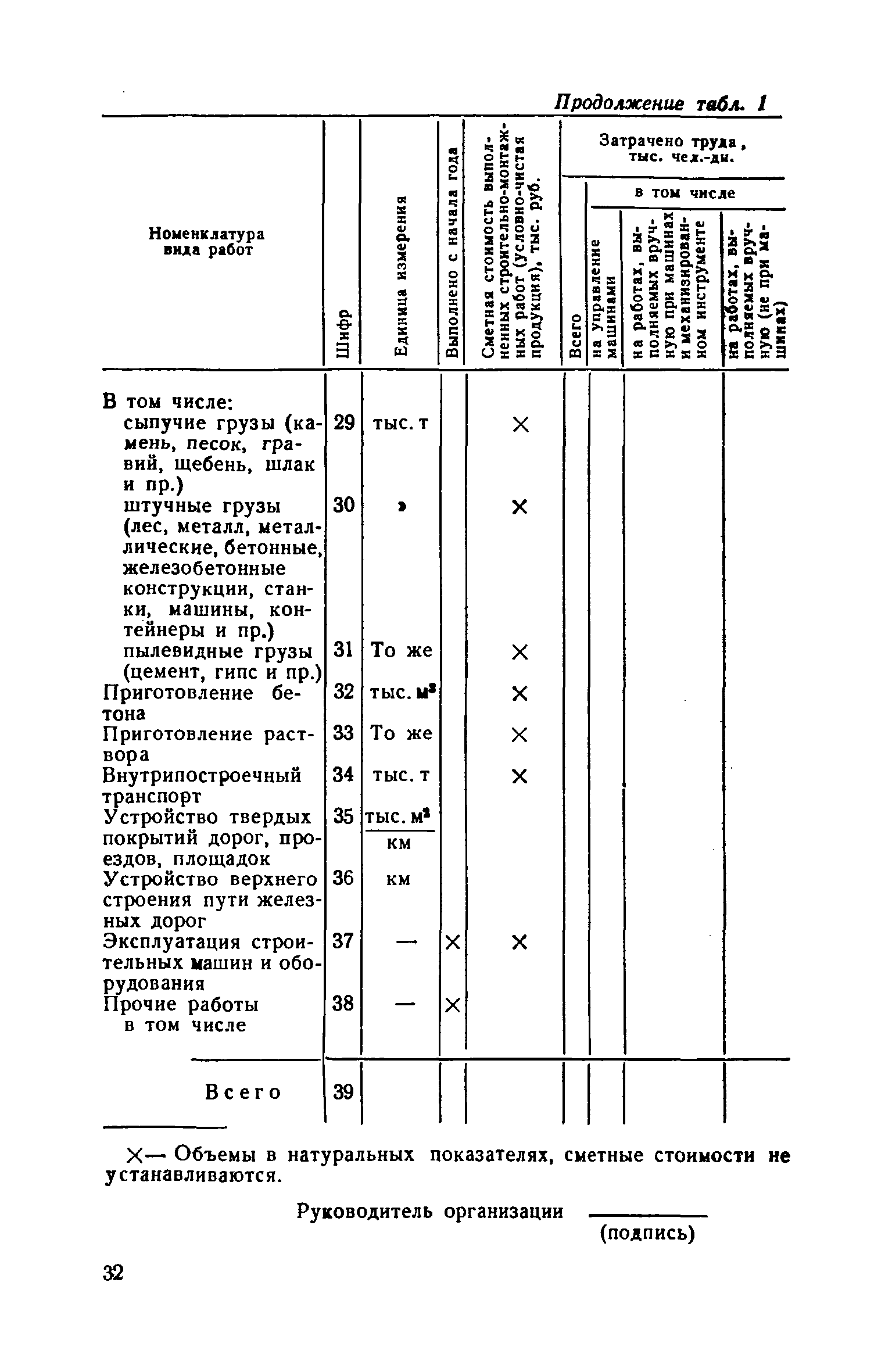
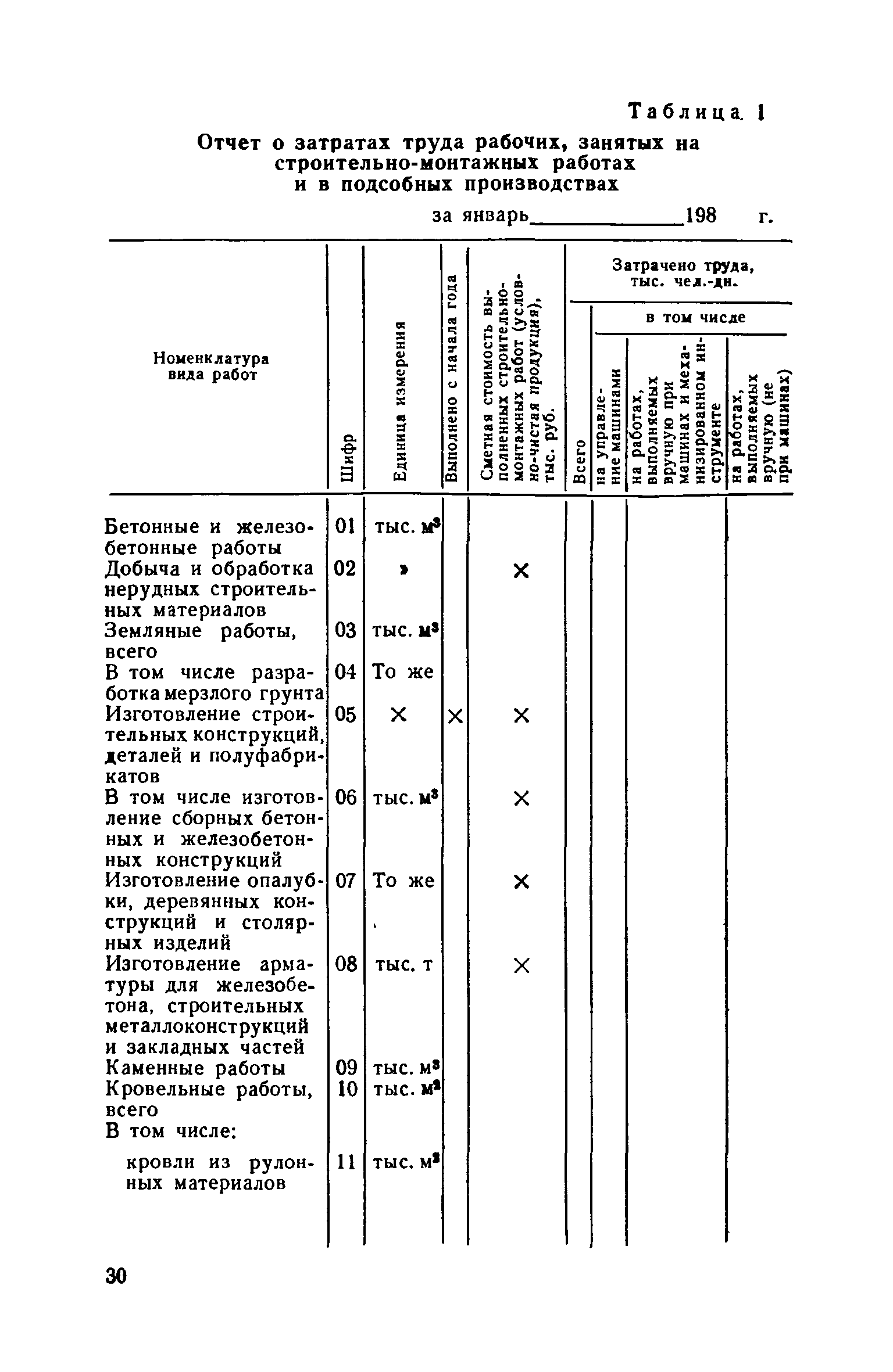
Приложение 1. Предложения по учету показателей, характеризующих численность рабочих, занятых на строительно-монтажных работах и в подсобном производстве
Приложение 2. Оценка сменной производительности труда в натуральных показателях
Приложение 3. Алгоритм расчетов
Разработан: ВНИПИ труда в строительстве Госстроя СССР
Утверждён: ВНИПИ труда в строительстве Госстроя СССР (VNIPI of Labor in Construction, USSR Gosstroy )
Издан: Стройиздат (1981 г. )