Скачать Типовой проект 904-1-91.91 Альбом I. Общая пояснительная записка. Технология. Архитектурно-строительные решения. Строительные изделия. Отопление и вентиляция. Электрооборудование. Автоматизация отопления и вентиляцииДата актуализации: 01.01.2021
|
| Обозначение: | Типовой проект 904-1-91.91 |
| Обозначение англ: | 904-1-91.91 |
| Статус: | не определен законодательством |
| Название рус.: | Альбом I. Общая пояснительная записка. Технология. Архитектурно-строительные решения. Строительные изделия. Отопление и вентиляция. Электрооборудование. Автоматизация отопления и вентиляции |
| Дата добавления в базу: | 01.10.2014 |
| Дата актуализации: | 01.01.2021 |
| Дата введения: | 09.10.1991 |
| Дата окончания срока действия: | 30.06.2003 |
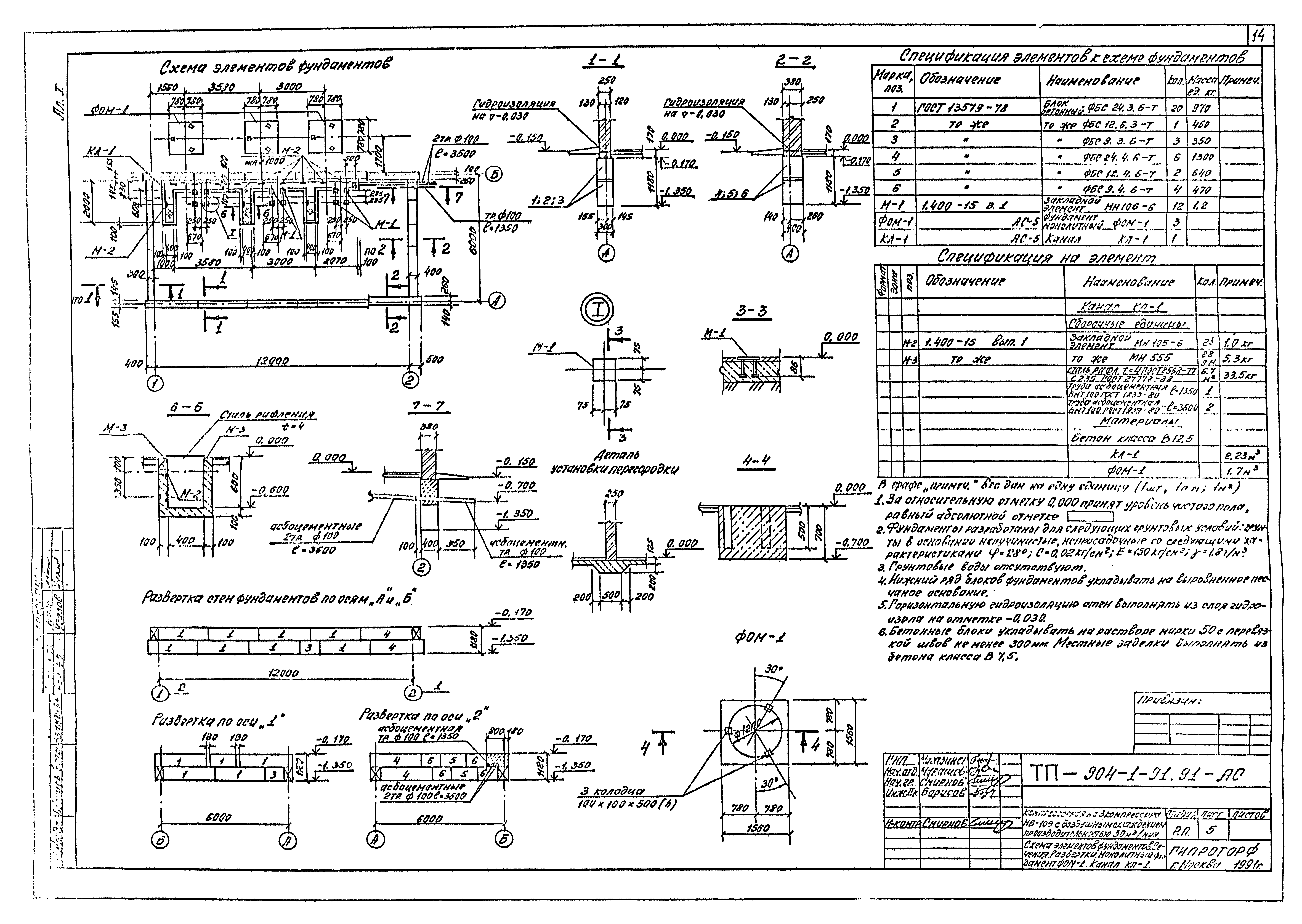
| Оглавление: | Общая пояснительная записка Чертежи основного комплекта марки ТХ Общие данные План расположения технологического оборудования. Разрез А-А Разрезы Б-Б, В-В. Рама для крепления влагомаслоотделителя Технологическая схема подачи сжатого воздуха Чертежи основного комплекта марки АС Общие данные План на отм. 0.000. План по А-А. Разрезы 1-1, 2-2 Фасады. Схемы заполнения оконных проемов План кровли. План полов. Схема ограды тип М1А. Схема элементов крепления и пропуска коммуникаций Схема элементов фундаментов. Сечения. Развертки. Монолитный фундамент ФОМ-1. Канал КЛ-1 Схема плит покрытия. Схема плит перекрытия на отм. 2.770. Узлы Схемы элементов подвесных путей. Узлы Технические требования. Столб СЗАС Опорная плита ОП-1 Чертежи основного комплекта марки ОВ Общие данные. План. Разрез Чертежи основного комплекта марки ЭМ Общие данные Схема электрическая принципиальная распределительной сети План расположения электрооборудования прокладки электрических сетей и заземления План электроосвещения Чертежи основного комплекта марки АОВ Общие данные Схемы электрические принципиальные регулирования температуры и соединений внешних проводок Схемы электрические принципиальные управления клапанами и внешних проводок систем ВЕ-1, ВЕ-2. План расположения средств автоматизации и проводок Чертежи основного комплекта марки СС Общие данные. План размещения устройств связи и сигнализации |
| Разработан: | Гипроторф |
| Утверждён: | 08.10.1991 Ростоппром (17) |


























