Скачать Типовой проект 904-1-91.91 Альбом IV. СметыДата актуализации: 01.01.2021
|
| Обозначение: | Типовой проект 904-1-91.91 |
| Обозначение англ: | 904-1-91.91 |
| Статус: | не определен законодательством |
| Название рус.: | Альбом IV. Сметы |
| Дата добавления в базу: | 01.10.2014 |
| Дата актуализации: | 01.01.2021 |
| Дата введения: | 09.10.1991 |
| Дата окончания срока действия: | 30.06.2003 |
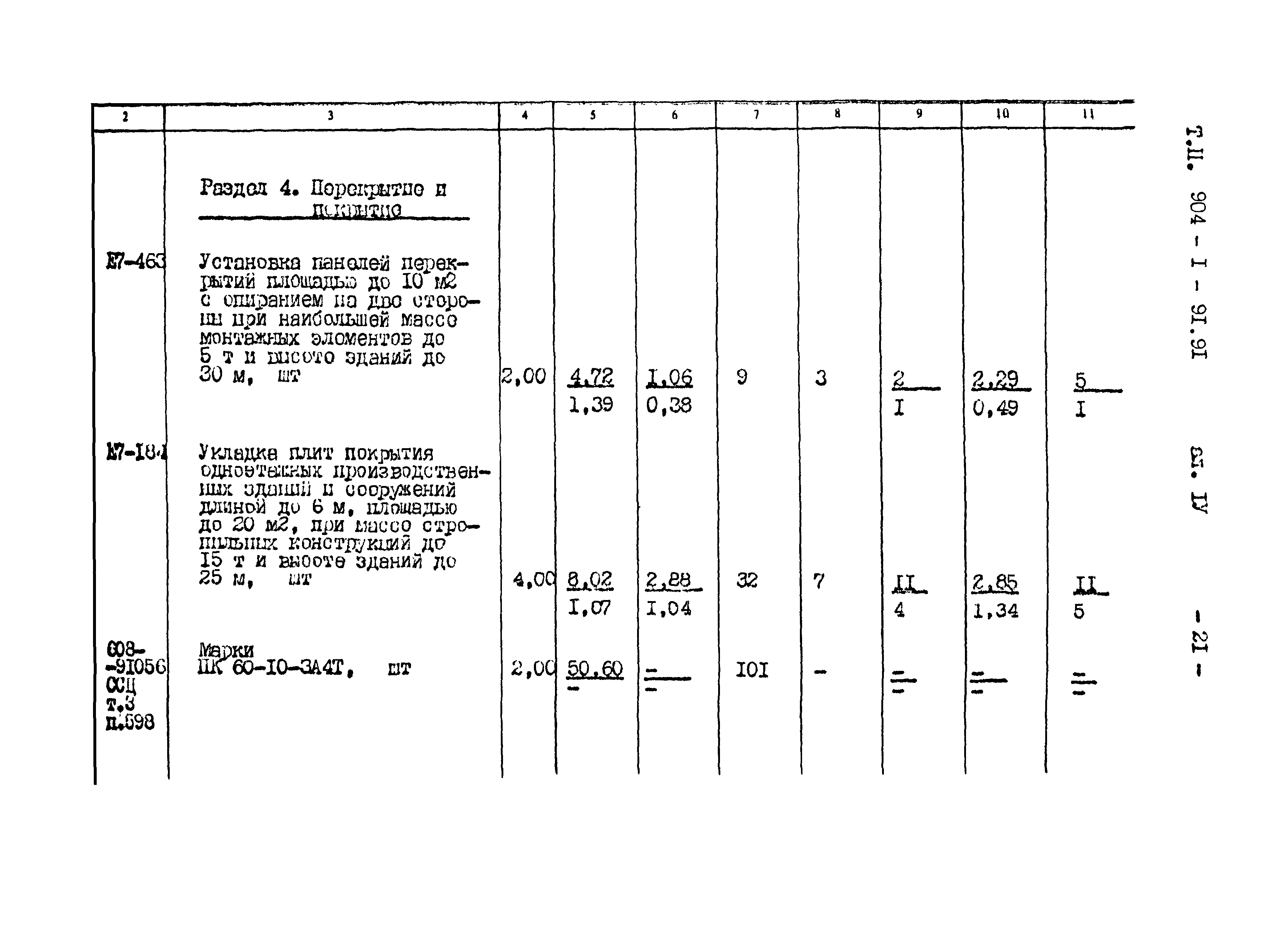
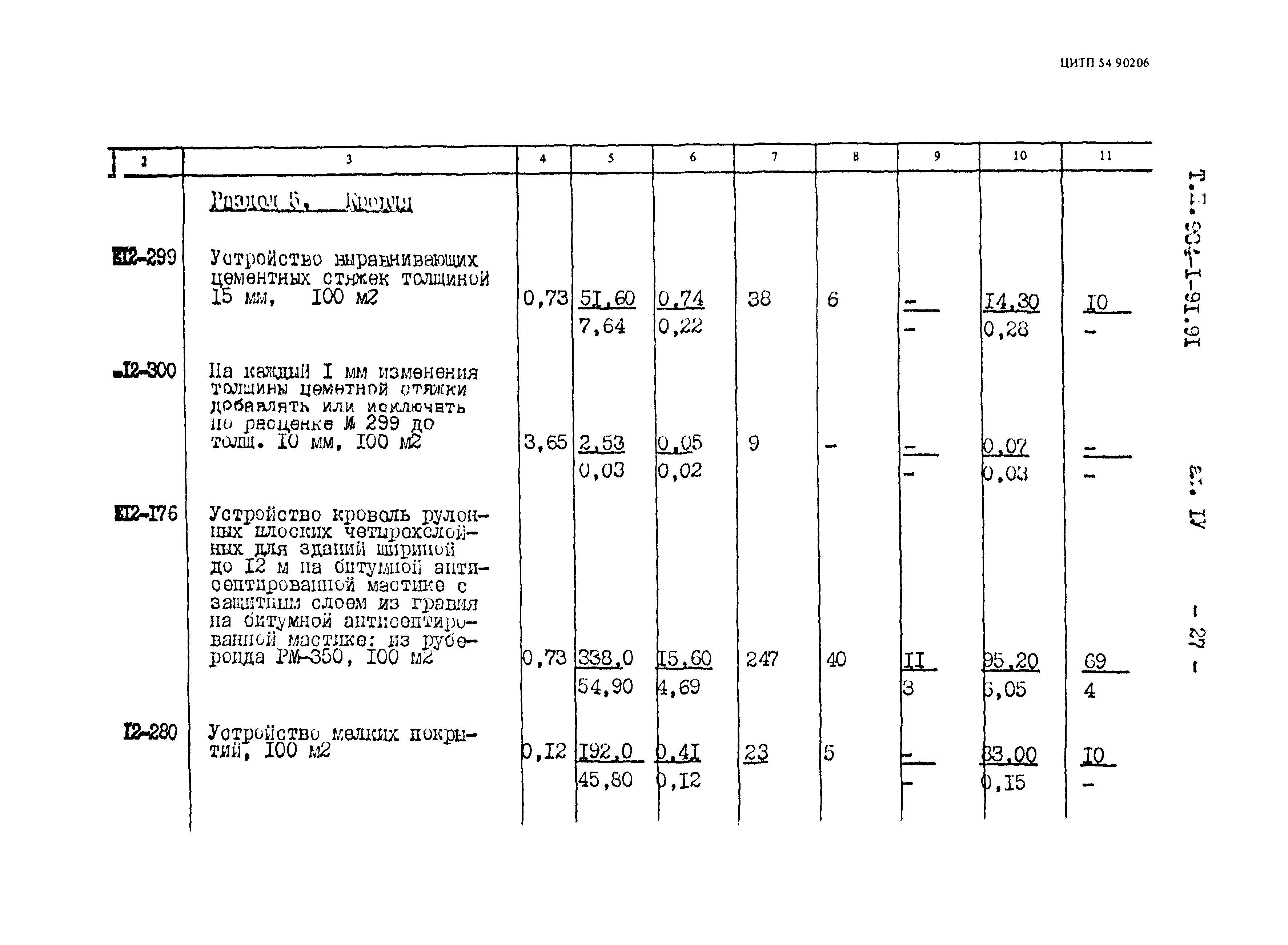
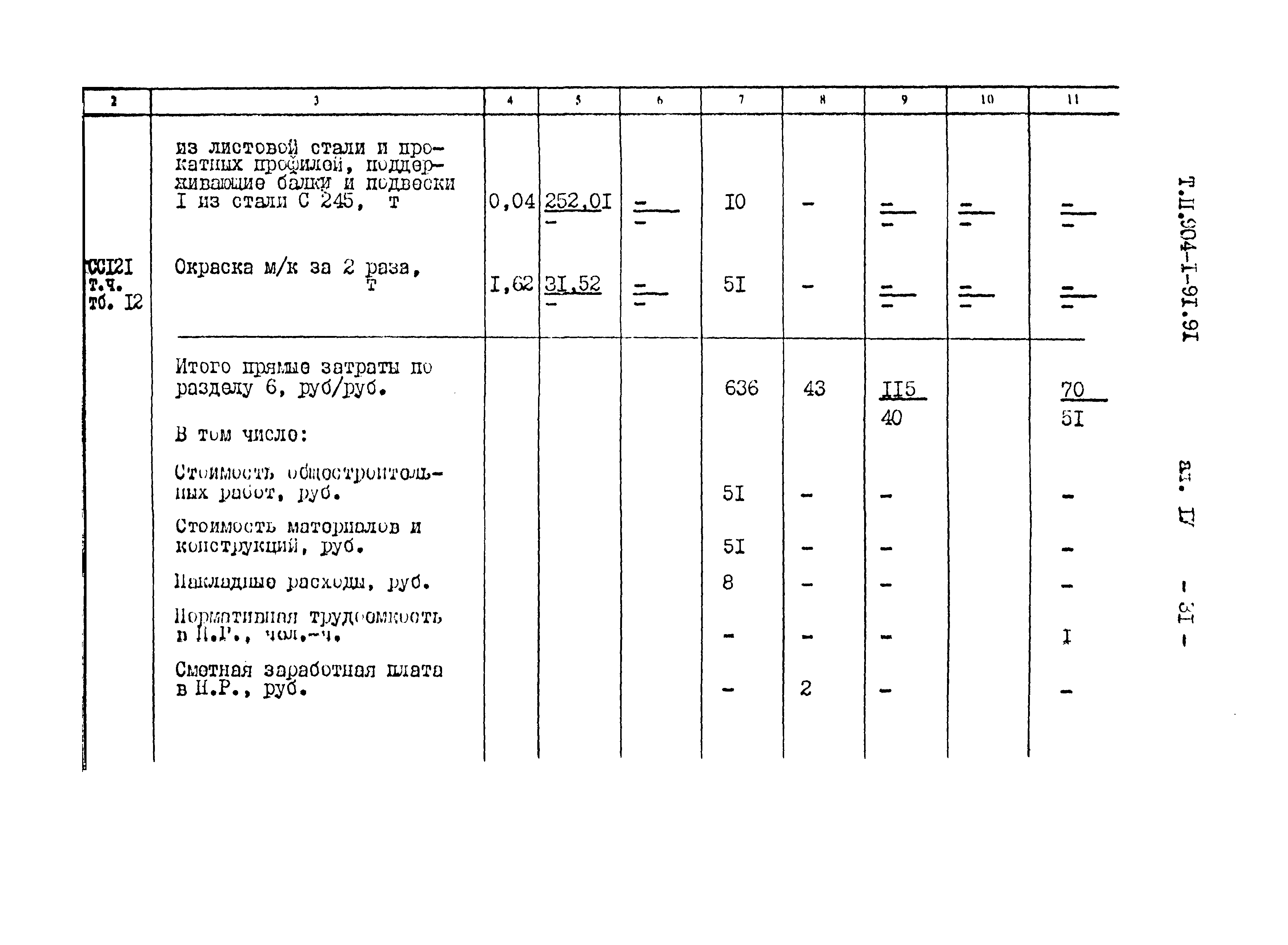
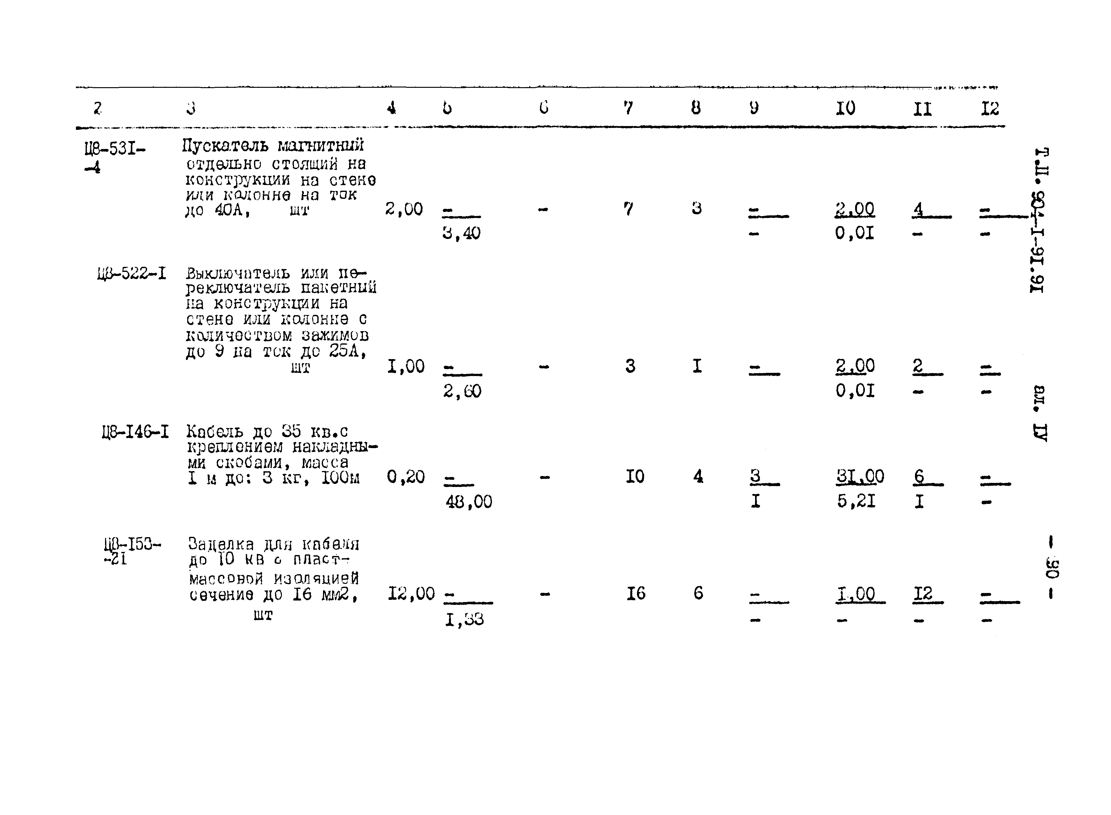
| Оглавление: | Пояснительная записка Объектная смета №1 Локальная смета №1-1 на общестроительные работы Сводка объемов и стоимости работ по смете №1-1 Локальная смета №1-2 на отопление и вентиляцию Локальная смета №1-3 на приобретение и монтаж технологического оборудования Локальная смета №1-4 на приобретение и монтаж технологических трубопроводов и арматуры Локальная смета №1-5 на приобретение и монтаж силового оборудования Локальная смета №1-6 на приобретение и монтаж электроосвещения Локальная смета №1-7 на приобретение и монтаж автоматизации Локальная смета №1-8 на приобретение и монтаж связи и сигнализации Локальная смета №1-9 на приобретение и монтаж связи и сигнализации Ведомость потребности в производственных ресурсах |
| Разработан: | Гипроторф |
| Утверждён: | 08.10.1991 Ростоппром (17) |






























































































































