Скачать Инструкция по приемке и эксплуатации убежищ гражданской обороны

Дата актуализации: 01.01.2021

Инструкция по приемке и эксплуатации убежищ гражданской обороны

Статус:отменен
Название рус.:Инструкция по приемке и эксплуатации убежищ гражданской обороны
Дата добавления в базу:01.10.2014
Дата актуализации:01.01.2021
Область применения:Инструкция предназначается для инженерно-технического персонала штабов гражданской обороны и лиц, непосредственно участвующих в приемке убежищ, а также персонала, обслуживающего убежища в процессе их эксплуатации
Оглавление:Введение
Общие сведения об устройстве убежищ гражданской обороны
   Состав помещений и конструкций убежищ
   Внутреннее оборудование убежищ
Приемка убежищ
   Общие положения
   Оценка качества строительных работ
   Приемка внутреннего оборудования
Эксплуатация и обслуживание убежищ в мирное время
   Общие положения
   Содержание помещений убежищ
   Содержание и эксплуатация внутреннего оборудования убежищ
   Приведение убежищ в полную готовность
Эксплуатация и обслуживание убежищ в военное время
   Организация обслуживания убежищ
   Эксплуатация внутреннего оборудования
Заполнение убежища и пребывание в нем укрывающихся
Порядок эвакуации укрывающихся из убежища
Приложение 1. Паспорт убежища
Приложение 2. Акт приемки в эксплуатацию убежища
Приложение 3. Журнал осмотра и проверки состояния убежища
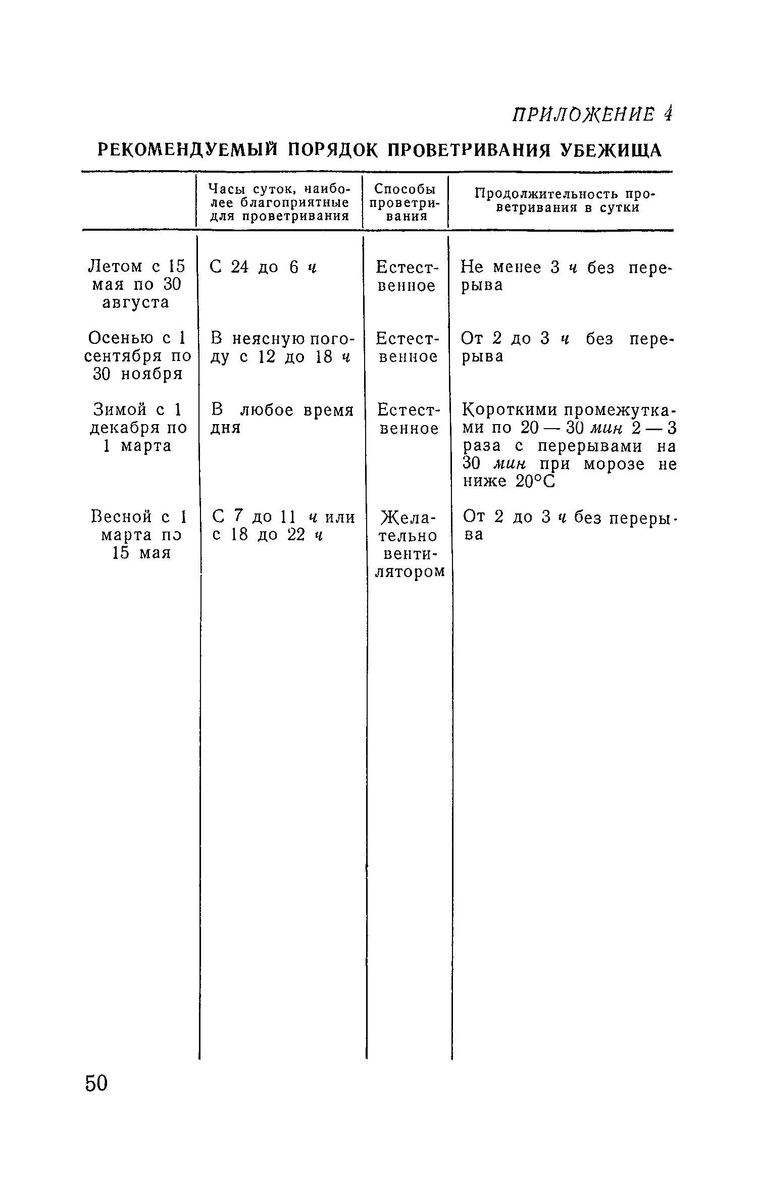
Приложение 4. Рекомендуемый порядок проветривания убежища
Приложение 5. Рекомендации по замене уплотняющей резины защитно-герметических и герметических дверей и ставен
Приложение 6. Типовой состав звена обслуживания убежища
Приложение 7. Табель оснащения звена обслуживания убежища
Приложение 8. Примерное оснащение убежища
Разработан: 15 ЦНИИИИ имени Д.М. Карбышева
Утверждён:13.02.1968 Начальник штаба гражданской обороны СССР
Заменяет собой:
  • «Правила содержания и использования убежищ в мирное время» (Воениздат, 1964 год)
  • «Правила содержания и использования убежищ в мирное время» (Штаб ГО СССР, 1962 год)
Нормативные ссылки: