Скачать Типовой проект 805-5-5.86 Альбом 5. Задание заводу-изготовителю на щиты и шкафы управленияДата актуализации: 01.01.2021
|
| Обозначение: | Типовой проект 805-5-5.86 |
| Обозначение англ: | 805-5-5.86 |
| Статус: | не определен законодательством |
| Название рус.: | Альбом 5. Задание заводу-изготовителю на щиты и шкафы управления |
| Дата добавления в базу: | 01.10.2014 |
| Дата актуализации: | 01.01.2021 |
| Дата введения: | 20.10.1986 |
| Дата окончания срока действия: | 30.06.2003 |
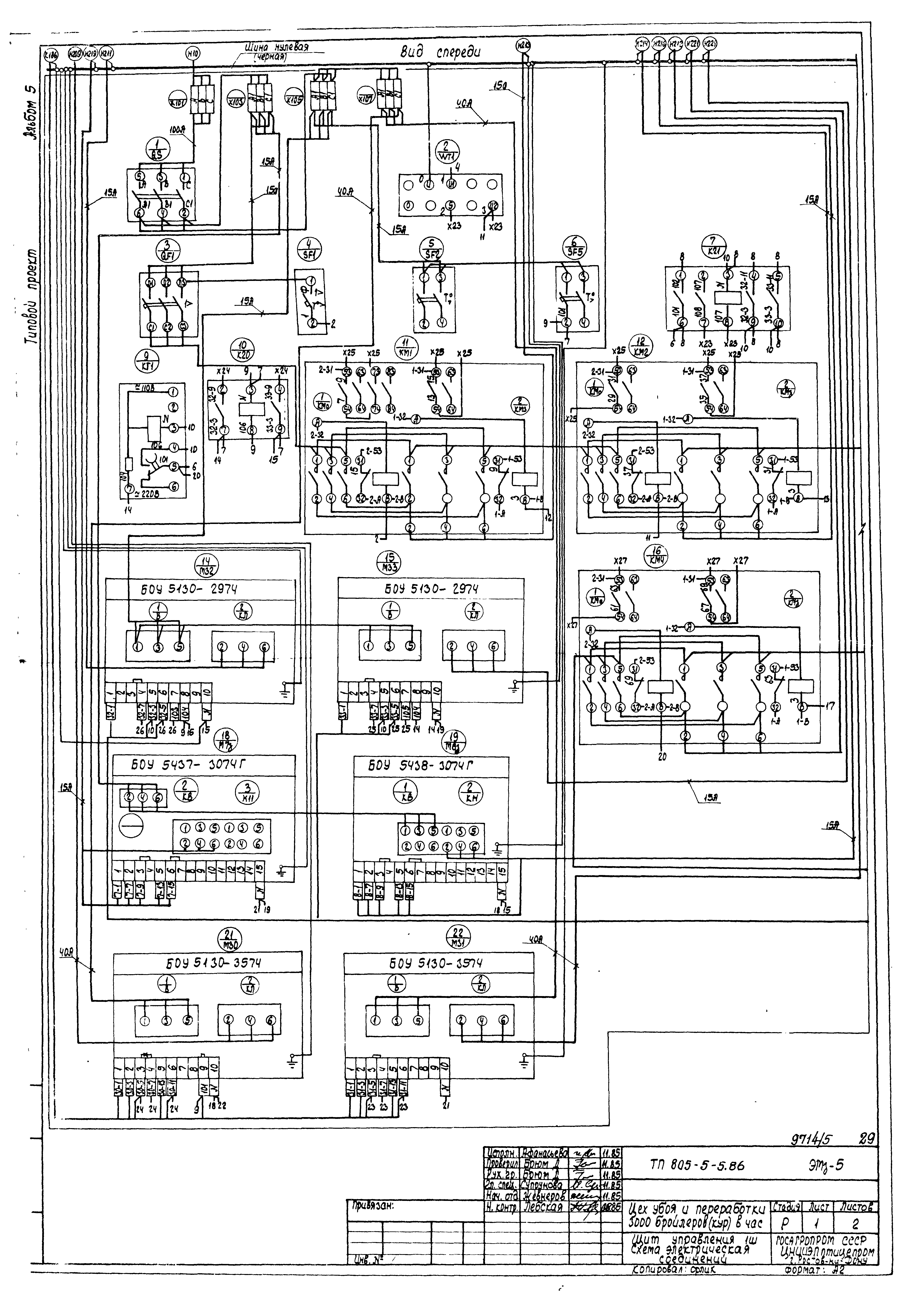
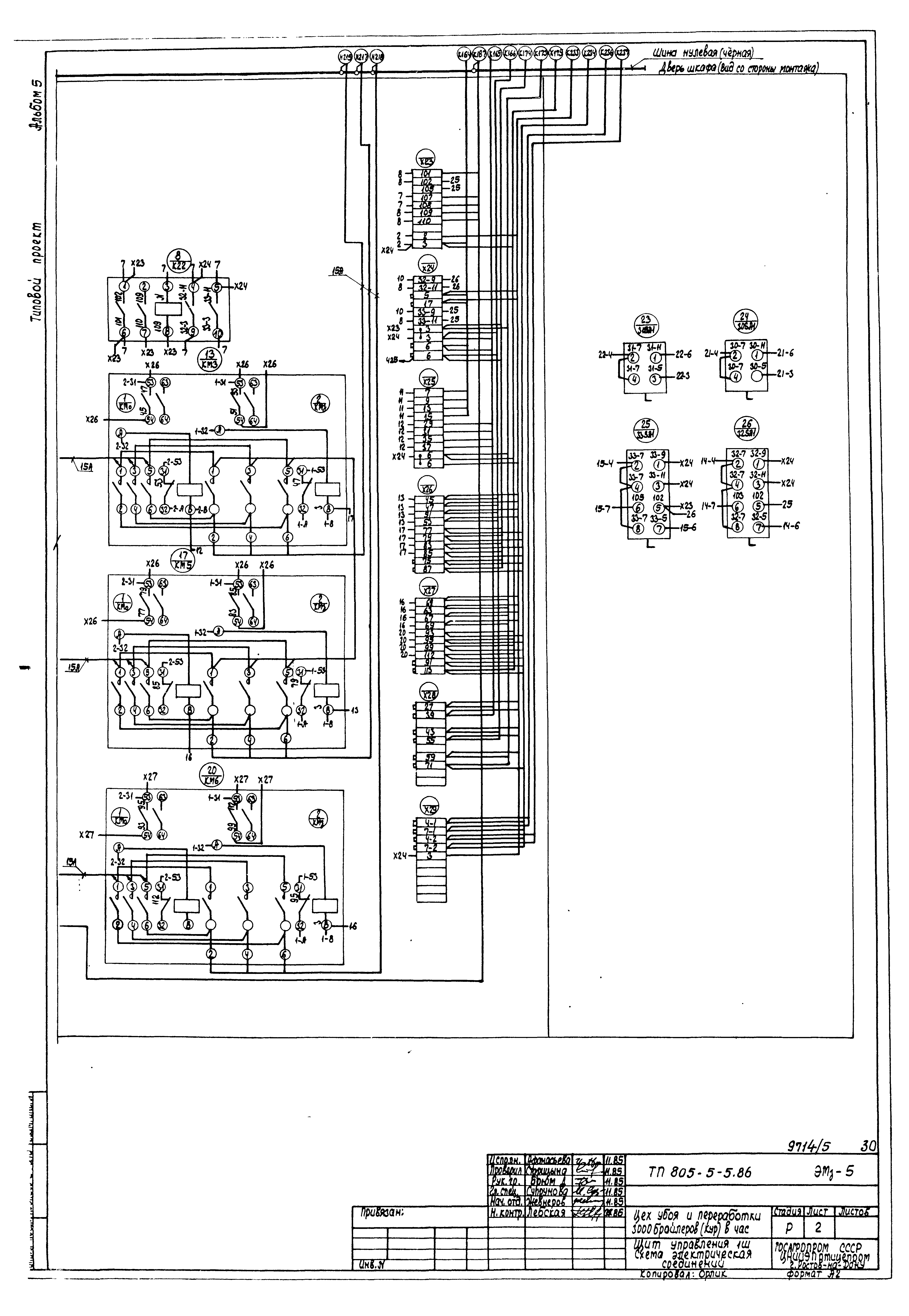
| Оглавление: | Общие данные Комплект Аз Общие данные Щит командно-сигнальный ЩКС. Общий вид Щит командно-сигнальный ЩКС. Таблица соединений Щит командно-сигнальный ЩКС. Таблица подключения Щит сигнализации ЩС1 (ЩС2 - ЩС5). Общий вид Щит сигнализации ЩС1 (ЩС2 - ЩС5). Таблица соединений Щит сигнализации ЩС1 (ЩС2 - ЩС5). Таблица подключения Щит управления 1-ЩУП (2-ЩУП - 5-ЩУП; 10-ЩУП). Общий вид Щит управления 1-ЩУП (2-ЩУП - 5-ЩУП; 10-ЩУП). Таблица соединений Щит управления 1-ЩУП (2-ЩУП - 5-ЩУП; 10-ЩУП). Таблица подключения Комплект ЭМз Общие данные Перечень комплектных устройств Щит управления 1Щ. Технические данные аппаратов Щит управления 1Щ. Общий вид Щит управления 1Щ. Схема электрическая соединений Щит управления 1Щ. Таблица перечня надписей Щит управления 2Щ. Технические данные аппаратов Щит управления 2Щ. Общий вид Щит управления 2Щ. Схема электрическая соединений Щит управления 2Щ. Таблица перечня надписей |
| Разработан: | ЦНИИЭПптицепром Минсельхоза СССР |
| Утверждён: | 25.06.1986 Госагропром СССР (USSR Gosagroprom 9-ЭТ) |
| Издан: | ЦИТП Госстроя СССР (CITP, Gosstroy (USSR) 1988 г. ) |

































