Скачать Серия 1.865.1-4/80 Выпуск 4. Арматурные и закладные изделия для плит размером 1,5х6 м. Рабочие чертежиДата актуализации: 01.01.2021
|
| Обозначение: | Серия 1.865.1-4/80 |
| Обозначение англ: | Series 1.865.1-4/80 |
| Статус: | заменен |
| Название рус.: | Выпуск 4. Арматурные и закладные изделия для плит размером 1,5х6 м. Рабочие чертежи |
| Дата добавления в базу: | 01.10.2014 |
| Дата актуализации: | 01.01.2021 |
| Дата введения: | 01.10.1981 |
| Дата окончания срока действия: | 01.03.1986 |
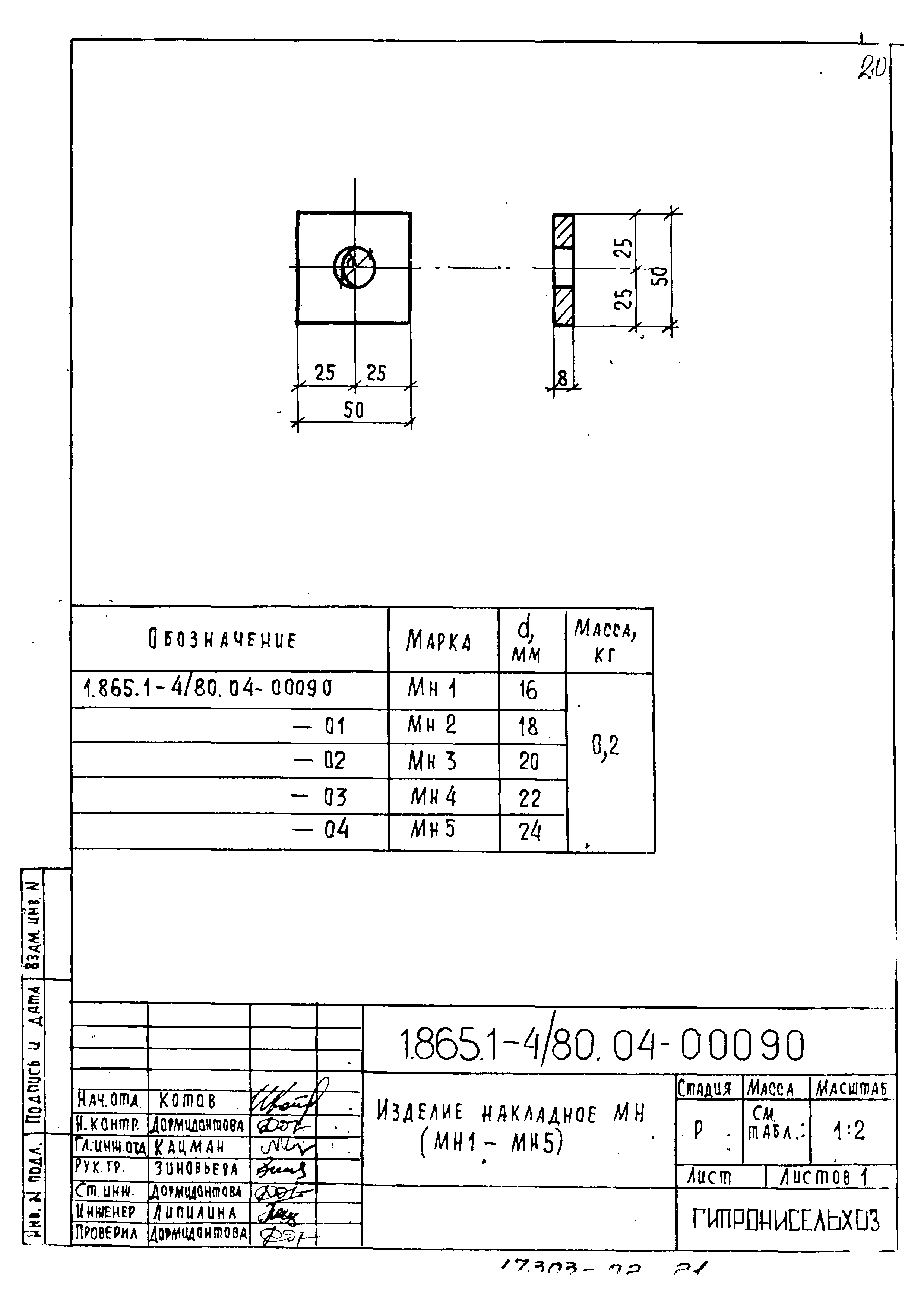
| Оглавление: | 1.865.1-4/80.04ПЗ Пояснительная записка 1.865.1-4/80.04-00010 Каркас плоский КР1 1.865.1-4/80.04-00020 Каркас плоский КР (КР2 - КР7) 1.865.1-4/80.04-00020СБ Каркас плоский КР (КР2 - КР7) 1.865.1-4/80.04-21000 Каркас пространственный КП (КП1 - КП3) 1.865.1-4/80.04-21000СБ Каркас пространственный КП (КП1 - КП3) 1.865.1-4/80.04-21030 Каркас пространственный КП (КП8 - КП10) 1.865.1-4/80.04-21030СБ Каркас пространственный КП (КП8 - КП10) 1.865.1-4/80.04-00040 Сетка С (С1 - С3) 1.865.1-4/80.04-00050 Сетка С4 1.865.1-4/80.04-00060 Изделие закладное М (М1, М2) 1.865.1-4/80.04-00060СБ Изделие закладное М (М1, М2) 1.865.1-4/80.04-00070 Изделие закладное М (М3, М4) 1.865.1-4/80.04-00070СБ Изделие закладное М (М3, М4) 1.865.1-4/80.04-20080 Изделие закладное М5 1.865.1-4/80.04-00090 Изделие накладное МН (МН1 - МН5) 1.865.1-4/80.04-00100 Изделие закладное М6 1.865.1-4/80.04-00110 Изделие закладное М7 1.865.1-4/80.04-00001 Стержень напрягаемый СТН (СТН1 - СТН10) 1.865.1-4/80.04-00002 Сводная спецификация арматурных стержней 1.865.1-4/80.04-00003 Стержень арматурный СТ (СТ1 - СТ3) |
| Разработан: | НИИЖБ ГипроНИсельхоз (Институт Гипронисельхоз ) ЦНИИЭП сельстрой Министерства сельского строительства СССР |
| Утверждён: | 23.06.1981 Госстрой СССР (Государственный комитет Совета Министров СССР по делам строительства) (USSR Gosstroy 105) |
| Чем заменён: |
























